历史上的今天
今天是:2025年02月19日(星期三)
2020年02月19日 | MSP430F5529 默认时钟频率(1.05MHz)的来源探究
2020-02-19 来源:eefocus
相信很多小伙伴跟我一样好奇 MSP430FF5529的 初始时钟是哪里来的,是多少
接下来我和大家一起分析一下!
首先我认为比较可疑的是 那些默认的参数,一些Reset值不是0的参数 十分的可疑,我们着重的看看他想表达什么意思

我查找UCSCTL这个寄存器的第一个值是UCSCTL1 的DCOSEL位 这一位是2 在芯片的Datesheet里面我找到了这个,貌似是没什么太大的用处。

接下来一个比较让人感兴趣的寄存器就是这个

FLLD = 1 这个好理解

接下来 有意思的来了 : FLLN = 0x1F = 31

这是书册里面 很重要的一个公式! 暂且先不说作用,我们现在先追溯一下我们的时钟是从哪里来的

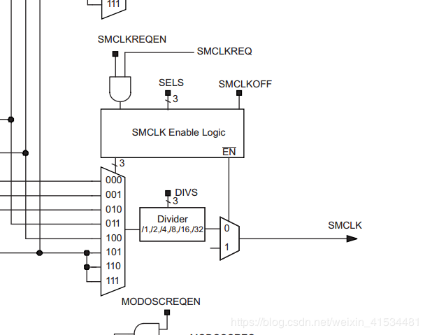
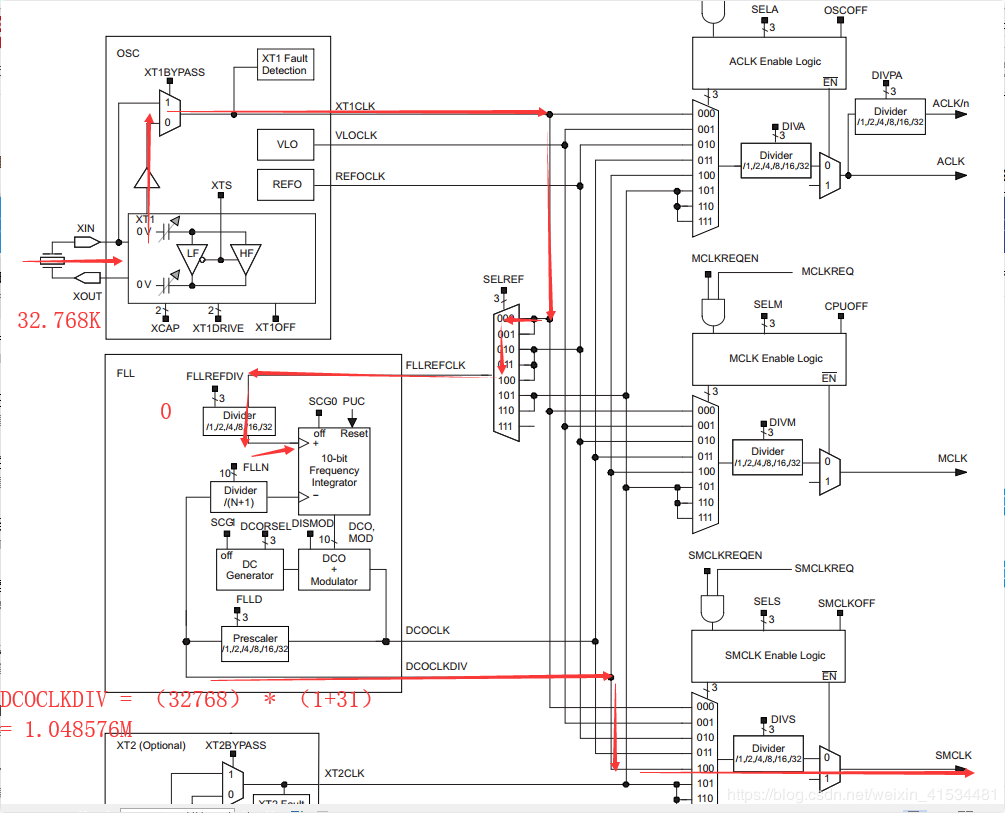
如图 我需要看一下时钟选择的默认值

我找到了这里 这个位是默认是0 说明输出的SMCLK是 直接从上一级输出来的没有经过分频! 我们继续找上一级是哪里来的这个没有被分频的时钟 接下来我们找到了这个寄存器

SELS =4H 这说明 SMCLK来自未经分频的DCOCLKDIV
到了这一步 我们就应该去找这个DCOCLKDIV了 他是DCOCLK经过分频得到的
FLLD = 1

从这个公式 我们可以退出来 Fdcoclkdiv = (31+1)*F (fllrefclk) 继续反向找

接下来是FLLREFDIV

这一位默认是0 不分频 然后就是FLLREFCLK

这边我们发现是选择的是XTALCLK 至此 应该已经明了了 系统的时钟来自于

外部的 32.768KHz 的RTC时钟!!

这几乎跟我们测得一样!
史海拾趣
|
瑞萨(Renesas Technology Corp.)宣布推出用于下一代汽车导航设备等高性能车载信息终端的SuperH Family SH7774 SoC(系统级芯片)。该器件是全球第一个具备图像识别处理功能的汽车导航SoC,其运行频率为600MHz,多样化而全面的外设模块包括地图绘 ...… 查看全部问答> |
|
1 引言 基于FPGA的数字系统设计中大都推荐采用同步时序的设计,也就是单时钟系统。但是实际的工程中,纯粹单时钟系统设计的情况很少,特别是设计模块与外围芯片的通信中,跨时钟域的情况经常不可避免。如果对跨时钟域带来的亚稳态、 ...… 查看全部问答> |
|
我现在要测试eeprom, 24LC256 我全写,用页写方式,每页64bytes,一共32k bytes,所以是512页。 我用CRC16_CCITT方式校验。 现在是这样测试的:我全写0xaa, 每写一页,然后对64个bytes进行crc,然后进行第二页写,第二页的crc校验时以第一页校验值 ...… 查看全部问答> |
|
最近要做文件系统,支持NTFS和FAT,并用VFS做中间层,给上层提供接口。请问有没有高手区做过这样的?能不能给点提示呢? 我看了linux的做法,相当复杂啊,设计到几个层:VFS,NTFS,FAT,IO,DRIVER,天啊。。难道这些代码都要自己写吗。。… 查看全部问答> |
|
ad采集4~20mA电流信号,观察SD16MEM0,不论输入多大,每采集几轮总会出现0x8011左右的数,也就是32768,(其余的值没事儿)。不论我采用什么采集方式都是这样。 而且采集值都偏大很多,而且飘动很厉害。理论值应该是0x1555~0x6AAA(对应4~20mA), ...… 查看全部问答> |
|
本帖最后由 dontium 于 2015-1-23 13:31 编辑 感觉大家都去搞ARM、嵌入式、物联网了,如果有公司想找个模拟应用工程师,还容易么? … 查看全部问答> |
|
请问nios中的编译器选项debug和release区别 谢谢 release能不能调试? [ 本帖最后由 tianma123 于 2012-3-15 10:11 编辑 ]… 查看全部问答> |




