历史上的今天
今天是:2025年02月19日(星期三)
2020年02月19日 | 基于AVR单片机的逆变电源设计及EMC分析
2020-02-19 来源:eefocus
简介:本文介绍了一套逆变电源系统的设计方案,该逆变电源采用高性能AVR单片机为核心控制芯片,对逆变电源系统中的各硬件电路进行分析设计,并结合模糊自适应控制和数字PI控制各自的优点,给出一套基于模糊自适应整定PI控制的双闭环控制系统模型,以确保逆变电路的可靠性。并通过电磁干扰的三要素:干扰源、传输途径和敏感设备对此电源的EMC情况进行了测试分析。
1引言
近些年来,随着现代工业和电力电子技术的发展,逆变电源应用面已越来越广泛,其工作的稳定性、输出性能的好坏以及工作效率的高低直接影响到逆变系统的性能和使用领域。而随着电力电子技术和控制理论技术的快速发展,传统的单独采用SPWM调制方式已无法满足高性能逆变电源的高稳态精度输出。因此,本文探讨研究了一套逆变电源系统的设计方案,采用了高性能的ATmega系列AVR单片机为核心控制芯片,对逆变电源系统的软硬件进行了设计,并着重研究了闭环反馈系统中模糊自适应整定PI的控制算法,为了使逆变系统性能更加稳定,在系统中引入双闭环控制,通过对输出电压电流反馈与参考信号比较控制波形稳定输出,从而提高单相逆变电源系统的稳态和动态响应速度。最后按GB17743-2007《电气照明和类似设备的无线电骚扰特性的限制和测量方法》进行EMC测试,并对电磁兼容整改措施的有效性和可行性进行了分析。
2 总体方案设计
2.1逆变主电路系统总体设计方案
针对逆变电源中高功率输入、电气需隔离等要求,本文设计了隔离变压器电路结构作为DC/DC环节主结构。由于需要降低干扰,主系统均采用了外部同步电路。其逆变主电路系统设计采用DC/DC级推挽升压和DC/AC级全桥逆变的二级总结构,同时DC/DC级升压电路的驱动信号由PWM控制芯片输出、DC /AC级逆变电路由高性能微处理器输出,目的为了有效控制系统的体积质量,同时避免了工频变压器的使用,提高了逆变系统的工作效率。其主电路系统结构框图如图1所示。

图1逆变主电路系统结构框图
2.2高性能逆变控制器AVR单片机介绍
AVR系列单片机主要应用于工业控制、现代通信设备、医疗设备、GPS等IT领域,有很高的性价比,集AD、定时器/计数器、PWM波形发生器、EEROM、闪存、RAM等于一体,功能很强,需要的外围电路少,广泛应用于现代纯正弦波逆变器产品中。
ATmega16L单片机采用了增强性的AVRRISC结构,具有低功耗、高性能的8位CMOS微控制器。其内具有先进的指令集还有单时钟周期指令执行时间,加快了CPU的运行速度,ATmega16L的数据吞吐率可高达1MIPS/MHz,因此可以极好的处理系统在功耗和处理速度方面的矛盾。目前 ATmega16L有多种封装形式,本设计采用了PDIP封装形式,其引脚图如图2所示。

图2ATmega16L引脚图
3 电源软硬件设计
3.1 DC/AC级的设计
DC/AC逆变级是整个逆变电源系统的重要核心部分,将输入升压整流后的高幅值直流电压转变为220V交流电压。DC/AC逆变电路结构图如图3所示。

图3DC/AC逆变电路结构图
逆变电路的设计采用了4个MOSFET功率管组成两组桥臂式的全桥式电路。图3中,VCC端接入DC/DC级的输出350V直流电压,输出端与LC滤波电路相连接以去除输出波形的高次谐波,4个MOSFET管的驱动来自于ATmega16L单片机产生两路互补的SPWM信号。其中,由于Q1、Q4接入一路 SPWM信号,Q2、Q3接入另一路SPWM信号,因此Q1和Q3通断互补,Q2和Q4通断也互补。当Q1、Q4导通时,VCC接入负载的“+”端;当 Q2、Q3导通时,VCC接入负载的“-”端,最后通过滤波就可得到交变电压信号Uo。
由于全桥逆变电路的输入约为350V高幅值直流电压,这里选择场效应管FDP18N50,其漏极源极击穿极限电压为500V,典型导通关断时间为405ns、最大时间为1040ns,因此正适用于此全桥电路,有效的保证了系统的安全性。
驱动电路在DC/AC逆变电路中主要功能是把单片机所产生的低功率驱动信号进行功率放大,进而推动MOSFET管的正常工作,同时还能使单片机与高压逆变电路电气隔离。本设计采用了IR2110作为驱动电路的驱动芯片,IR2110由于采用了高集成电平转化技术,因而极大减小了逆变电路对于开关器件的要求限制,而IR2110组合驱动电路的上管器件具有外部自举电容,这样就大大简化了驱动电路的设计结构。其驱动电路如图4所示。

图4 IR2110驱动电路图
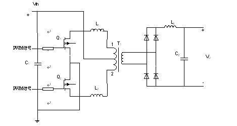
3.2 推挽电路的设计
DC/DC直流升压级采用推挽式电路,其工作效率高、结构简单可靠使用方便灵活。推挽式电路结构图如图5所示。

图5推挽式电路结构图
推挽电路的工作原理是:当PWM控制信号输入Q1的栅极时,Q1开始工作处于导通状态,因此Vin加在了隔离变压器初级线圈的1端;同理当PWM控制信号输入Q2的栅极时,Q2开始工作处于导通状态,因此Vin加在了隔离变压器初级线圈的2端,其中1、2两端需接入两个33μH的电感。由于两路PWM信号相位互补,所以Q1、Q2交替导通,这样在隔离变压器的初级就产生了交流电压信号。
3.3PWM控制电路的设计
PWM控制电路的设计如图6所示。其中开关管的PWM驱动信号由SG3525控制电路产生。SG3525的输出端11、14引脚产生两路相位互补、占空比为45%的PWM方波信号来控制两个IXFH50N80的轮流导通,其输出信号频率可通过调节外接电路5引脚的电容和6、7引脚的电阻值改变。

图6PWM控制电路设计图
3.4模糊自适应整定PI控制器的设计
逆变电源的控制系统通常可分为开环控制系统和闭环控制系统,为了使逆变系统性能更加稳定,在系统中引入双闭环控制,通过对输出电压电流反馈与参考信号比较控制波形稳定输出,从而提高单相逆变电源系统的稳态和动态响应速度。运用模糊的基本理论,把规则的条件、操作的方法用模糊集一一表示,同时再应用模糊推理,就可以自动实现对PI参数的最优控制,即实现模糊自适应整定PI控制。
模糊自适应整定PI控制器以误差e和误差的变化率ec作为输入,能够满足各个时刻的e和ec对PI参数在线自整定的要求。对PI参数在线进行修改利用的是模糊逻辑控制规则,这便构成了自适应整定模糊PI控制器的基本结构。PI参数模糊自适应整定的关键是要找出两个PI参数与误差e和误差变化率ec之间的模糊关系,在整定运行中不断检测误差e和误差变化率ec,对两个P、I参数利用模糊控制原理在线进行修改来满足在不同的e和ec输入时对被控对象参数的不同要求,进而改善系统的动态和静态响应特性。其逆变等效电路的设计如图7所示。

图7逆变等效电路设计框图
其中,电压外环控制采用模糊自适应整定的PI控制,电压外环控制的任务是维持输出电压的稳定,而输出电压只要不产生较大的波动能稳定在给定值信号附近较小范围内就可达到目的。
3.5模糊自适应整定PI控制电压外环的参数设计
与模糊控制器的控制规则相同,模糊自适应整定PI控制规则是其核心部分,需要通过学习以及实验归纳总结出一套人工控制规则策略。模糊自适应整定PI控制系统通过模糊推理对输入量模糊化、查表、解模糊处理,实施对PI参数的自适应整定,其工作流程图如图8所示。

图8模糊PI控制工作流程图
4电源的EMC测试
电磁干扰是指电磁骚扰引起的设备、传输通道或系统性能的下降。任一电磁干扰的发生必须具备3个要素:干扰源、传输途径和敏感设备。很多电子设备硬件包含具有天线功能的元件,如电缆、印制电路板的印制线、公共阻抗、接地平板、电阻、电感、电容、互感元件、内部连接导线和机械结构等。这些元件能够以电场、磁场或电磁场的方式传输能量并耦合到线路中。
EMC测试,需要一套EMC测试设备,并确定仪器可靠接地。调试中对线路板进行了调整,改变共模电感和安规电容的布线位置,提高共模电感的电感值。测试数据如图9所示。测试频率范围从9kHz到30MHz,红色线为标准线,当绿色波形位于红色线1以下,且蓝色波形位于红色线2以下,并有3dB以上裕量为测试合格。

图9电源端子骚扰电压初测结果
从图4的测试曲线来看,电源端子骚扰电压的初测结果超标比较严重,尤其是在0.1MHz-1MHz的频段,最大超标幅度超过十几dB,可能存在的原因有:电源的差模滤波可能不够,导致在0.1MHz-1MHz的频段测试曲线超过限制,所以应该考虑如何对差模干扰进行降噪;另外驱动电源内部存在高频干扰源、内部线缆过长或电路板接地不良等也是造成限制超标的原因,所以需要检查样机内部结构和电路板走线,才能给出相应的解决措施。
对样机内部的每条走线进行梳理,依据的原则为:输入线与输出线尽量分离;高频信号线和低频信号线尽量分离,还应注意软开关技术在开关电源中的应用,印刷电路板布线的电磁兼容设计等。在采取了上述措施之后,重测电源端子骚扰电压,测试结果如图10所示。

图10电源端子骚扰电压重测结果
从重测结果可以看出,采取的措施起到了一定的效果,对差模干扰进行了降噪,之前超标的频率点都得到了很大改善。
5结语
随着微处理器和数字化控制技术理论的飞速发展,逆变电源的智能化控制系统也日趋成熟和先进,已取代了传统的模拟调制、模拟控制方式,这都有助于逆变电源输出性能的稳态精度、动态特性及系统可靠性的进一步提高。本文对逆变电路的总体拓扑结构及硬件参数的选择、调制方式的类型、单片机输出调制波方式以及控制方式方法进行了详细的设计与分析,目的为了输出稳定的220V/50Hz的交流电压信号。并通过EMC实验,对电磁兼容测试进行有效性和可行性分析,给出了该逆变电源电磁兼容的整改思路,完善了本文研究的意义。
参考文献
[1]李波.基于模糊自整定PI双闭环控制的太阳能逆变电源的研制[D].武汉:武汉理工大学硕士论文.2006.
[2]陈超中,汪永锡等.GB17743-2007,电气照明和类似设备的无线电骚扰特性的限制和测量方法[S].北京:中国标准出版社.2008
[3]马潮.AVR单片机嵌入式系统原理与应用实践[M].北京:北京航空航天大学出版社.2007.
[4]刘冰,李文等.基于MATLAB的模糊PID控制系统的设计及其仿真[J].仪器仪表用户.2006.22:33-37.
[5]王建元,纪延超,赵般多.一种新的单相逆变电源及其调制方式的研究[J].中国电机工程学报.2003.39(1):12-14.
[6]钱振宇.产品认证、电磁兼容性能测试和对策技术[M].上海电器科学研究所.2004.06
史海拾趣
|
大家好,我现在工作上遇到一个难题,几个月都没解决好,请高手帮忙给个思路。 我现在要做的是PDA与PC上的通信,在正常情况下通过activesync,用socket就行了,但现在要实现在一台PC连接多台PDA,activesync只充许一台PDA连PC,所以我要做的是直接 ...… 查看全部问答> |
|
作为一个低端的arm芯片,cortex-m3内核在上次上海培训的时候有说会达到1G的主频,有没有以后出支持LIUNX芯片的计划。芯片未来前景怎样,就目前的情况来说STM32利用目前的策略,市场反应应该还是不错的。 我只是想知道 ...… 查看全部问答> |
|
大家好! 在MAP文件中,可以看到 6 926 bytes of readonly code memory 582 bytes of readonly data memory 1 348 bytes of readwrite data memory 的内容。 我知道“6 926 bytes of ...… 查看全部问答> |
|
调试程序时显示:connection error (usb:// usb): swim error[3006]: comm init error: chip does not answer. 我用的是3合1(STM32,STM8,STLINK)板上的STLINK,MCU为STM8L152C6, 但直接用板上的STM8S207却可以连接的调试的。这是什么原因?… 查看全部问答> |
|
1\dsp为TMS320VC5510,用两片4M,16-bit的SDRAM芯片构造32-bit的SDRAM空间. 我不解的地方是:根据datasheet,4M32-bit的SDRAM占据了所有四个EMIF空间.那么要使用这四兆32位空间,是不是把所有四个CE控制寄存器都设置成SDRAM模式,而硬件上只连接CE0? ...… 查看全部问答> |
|
我做了一块用于监控电流的板子,用的STC12C5A32AD和MAX485,测试RS485通信的时候遇到奇怪的问题,如果直接用MAX485通信就无法工作,但是如果先用RS232收发数据后,再切换到RS485通信,就可以正常工作了,这是什么原因造成的呢?… 查看全部问答> |




