历史上的今天
今天是:2025年02月20日(星期四)
2020年02月20日 | 基于AVR单片机的电梯外呼板系统设计
2020-02-20 来源:eefocus
简介:本系统采用AVR单片机,使用CAN总线通信,通信安全可靠,实时性好,主要用在电梯系统中的外呼召唤显示,同时也可以用在电梯轿厢中用于楼层信息的显示。将其接入电梯仿真系统中,本系统能够快速响应,长时间运行期间安全可靠,增加和删除节点简单方便。
随着现代社会的发展,科学技术的进步,出现了众多高层建筑和智能建筑。电梯,作为高层建筑内部一种重要的交通工具,其应用规模日益扩大。而作为电梯系统中必不可少的一部分,电梯召唤显示板(简称电梯外呼板)的应用也随之剧增。
电梯外呼板应用于每层楼的电梯门外,供乘客及电梯维保人员使用。电梯外呼板将乘客及维保人员的需求信息通过CAN总线传达给电梯主板,电梯主板接收信息并执行相应的操作。同时,电梯主板将电梯的实时运行信息通过CAN总线传递给电梯外呼板,通过外呼板LED显示出来,供乘客参阅。见图1

图1:电梯外呼板描述
AVR单片机具有高可靠性、功能强、高速度、低功耗和低价位的特点,本系统选用了高档ATmega列AVR单片机ATmegal6。它具有先进的RI-SC结构,具有16 kB的系统内可编程Flash,512 B的EEPROM,1 kB的片内SRAM。同时,芯片具有独立片内振荡器的可编程看门狗定时器,通过改变熔丝位可以设置片内晶振的振荡周期,这样可以省去外围的看门狗电路和晶振电路的设计。
1 电梯外呼板系统硬件结构
电梯外呼板的硬件电路主要由乘客按键模块、指示灯控制模块、LED模块、CAN通信电路以及电源模块构成,如图2所示。

图2:电梯外呼板系统硬件组成
1.1 CAN通信模块
1.1.1 CAN的技术特点
CAN是一种多主总线,通信介质可以是双绞线、同轴电缆或光导纤维,具有物理层、数据链路层和应用层等3层协议,其通信速率可达1 Mb/s。CAN总线专用接口芯片中以固件形式集成了CAN协议的物理层和数据链路层2层功能,完成对通信数据的成帧处理,包括位填充、数据块编码、循环冗余校验、优先级判别等多项工作。它具有以下特点:
1)废除传统的站地址编码,代之以对通信数据块进行编码,可以多主方式工作;
2)采用非破坏性仲裁技术,当2个节点同时向网络上传送数据时,优先级低的节点主动停止数据发送,而优先级高的节点可不受影响继续传输数据,有效避免了总线冲突;
3)采用短帧结构,每一帧的有效字节数为8个,数据传输时间短,受干扰的概率低,重新发送的时间短;
4)每帧数据都有CRC校验及其他检错措施,保证了数据传输的高可靠性,适于在高干扰环境下使用;
5)节点在错误严重的情况下,具有自动关闭总线的功能,切断其与总线的联系,以使总线上其他操作不受影响;
6)可以点对点,一对多及广播集中方式传送和接收数据。
基于以上特点,在本设计中将电梯主板节点的优先级设为最高,而其他电梯外呼板的优先级次之,电梯主板可以接收任何电梯外呼板的数据,而电梯外呼板只能接收电梯主板的数据。电梯主板可以发送广播信息(例如楼层运行的信息),也可以发送点对点信息(例如针对某层的指示灯控制信息)。
1.1.2 CAN的硬件实现
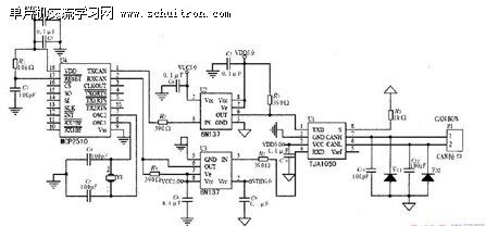
CAN控制器采用MicroChip公司的MCP2510,该器件使用SPI接口与MCU通信。只需4条总线就可以实现与MCU的通信,但为了具有更好的实时性,一般采用中断方式与MCU进行通信,因此还需要一个中断信号总线/INT用来通知MCU接收从CAN总线上发来的数据。CAN的接口器件采用TJ-Al050,该器件是CAN控制器与物理总线之间的接口器件。
在CAN模块电路中,如图3所示,ATmegal6的SS,MOSI,MISO,SCK,INT分别与MCP2510的/CS,SI,SO,SCK,/INT相连接。为了进一步提高CAN总线节点的抗干扰能力,MCP2510的TXCAN和RXCAN通过光耦6N137分别与TJAl050的TXD和RXD相连接。

图3:CAN模块电路
1.1.3 CAN的报文格式
在总线中传送的报文,每帧由7部分组成。CAN协议支持2种报文格式,其唯一不同是标识符(ID)长度不同,标准格式为11位,扩展格式为29位。本设计中使用标准数据帧,由帧起始、仲裁域、控制域、数据域、CRC域、应答域和帧结尾等7种位域组成,如图4所示。

图4:CAN报文格式
其中数据域的长度为0~8个字节。仲裁域由标识符和RTR组成,在标准格式中,标识符为11位。在本例通信协议的制定中,标志位的前4位用作通信的类型码,后7位用作CAN节点的ID号。数据域则用来存储通信的具体内容信息,例如电梯所在的楼层,运动方向等。
1.2 LED显示模块
本模块由3片8x8 LED显示屏以及以单片机为核心的驱动电路构成。LED显示屏由LED点阵显示器P2158构成。它是以发光二极管为像素,按照行与列的顺序排列而成的显示器件,采用逐行(或逐列)扫描方式工作,由峰值较大的窄脉冲驱动,从上到下逐次不断地对显示屏的各行进行选通,同时又向各列送出表示图形或文字信息的脉冲信号,反复循环以上操作,就可显示各种图形或文字信息。以AVR高速单片机为核心的驱动电路如图5所示。

图5:LED驱动电路
LED显示功能采用逐行扫描的方法,在3片8×8点阵LED显示屏上显示相应的信息。控制信号由MCU发出,经过缓冲器74F244后分成2路,一路经过移位寄存器74S164,串行转并行后来驱动LED点阵的行;另一路经过锁存器68595,串行转并行后驱动LED点阵的列。LED点阵显示采用逐行扫描,每行显示取模方式为从右到左,字节正序输出。其中,锁存器的输入数据由软件中的字库提供。LED显示每20 ms显示一次,故显示频率为50 Hz,符合人眼的闪烁特性。
2 电梯外呼板软件设计
电梯外呼板软件设计流程如图5所示。电梯外呼板通过CAN总线接收电梯主板的数据帧,并将数据帧暂时存入缓存区,经过分析处理后按一定的方式保存起来。然后根据数据帧要显示的方式,从数据存储器中取出相应的数据存到一个显示缓存区进行显示,采用逐行扫描方式显示。电梯外呼板上如果有召唤信号输入,相应指示灯亮,同时电梯外呼板上通过CAN总线向电梯主板发送数据帧,数据帧内容包含召唤信息。通信的方式建立握手应答机制。

图6:电梯外呼板软件设计流程图
3 结束语
本系统采用AVR单片机,使用CAN总线通信,通信安全可靠,实时性好,主要用在电梯系统中的外呼召唤显示,同时也可以用在电梯轿厢中用于楼层信息的显示。将其接入电梯仿真系统中,本系统能够快速响应,长时间运行期间安全可靠,增加和删除节点简单方便。
史海拾趣
|
本帖最后由 UUC 于 2022-11-10 16:31 编辑 如图:黄色框里“发帖排行榜”模块,貌似有点问题,一直没有内容显示,不知是显示、缓存还是设置问题?伙伴们也是这样吗? … 查看全部问答> |
|
先楫官方工程师干货:HPM6700/6400系列基于网络的IEE1588的功能示例和使用指南 在HPM6700/6400系列微控制器上,提供了2个以太网控制器。都可以支持IEEE1588-2002和IEEE1588-2008标准。方便用户实现基于网络的精确时间同步。 本文提供了与HPM6700/6400系列微控制器基于网络的IEE1588的功能示例和使用指南。 ...… 查看全部问答> |
|
关于TMS320F28035/TMS320F28335无法捕获低频信号相关问题 各位好,我在使用28335/28035捕获低于500hz一下信号时发生了报错,我不知道具体的原因时什么,因为在捕获500hz-500khz中都可以稳定的捕获到。我查阅了相关书籍和数据手册,考虑到是否为计数器没有及时复位清零的原因,但是在配置完相关寄存 ...… 查看全部问答> |
|
本期开发笔记详细为大家介绍基于HPM6750微控制器的硬件电路设计,可以有效提高硬件设计成功率和成熟度,想了解的 “攻城狮“们赶紧上车~ 01 简介 本文档的目的是帮助硬件工程师 ...… 查看全部问答> |
|
【中科亿海微EQ6HL45开发平台测评体验】+05.扩展接口-LCD测试(zmj) 【中科亿海微EQ6HL45开发平台测评体验】+05.扩展接口-LCD测试(zmj) 中科亿海微EQ6HL45开发平台预留3个扩展接口J8/J12/J17。 此次测试扩展接口J8连接4.3寸液晶屏模块AN430,分辨率是480x272。FPGA控制液晶屏显示纯色、彩条、方格,切换频率 ...… 查看全部问答> |
|
ST官方MEMS传感器群 技术讨论原汁原味收录也(更新日期20221110) 群友甲:你好!请教一下,三轴加速度传感器要做到比较好的抬手亮屏和饭碗亮屏效果,ODR一般要设置为多少啊?25hz够吗? 官方技术支持:够用,ST 有sensor 自带抬腕功能,但是针对某些快速翻腕可能抓不到,推荐52Hz,看你在功耗和精度之间怎么平衡 ...… 查看全部问答> |
|
有个问题请教下大家,关于反汇编,寻址的问题,编译环境keil,hdsc32平台。如下: 函数中,使用立即数获取ID号,这样破译人员在反汇编过程中会通过ID号地址追寻到这个函数吗?如果能,该如何做,才能避免或增大获取此函数的难度? … 查看全部问答> |
|
N32G45x系列MCU使用JLINK的开发应用记录之RTT篇 前言 什么是RTT? RTT(Real Time Transfer)是一种用于嵌入式中与用户进行交互的技术,它结合了SWO和半主机的优点,具有极高的性能。使用RTT可以从MCU非常快速输出调试信息和数据,且不影响MCU实时性。这个功能可以用于很多支持J-Lin ...… 查看全部问答> |




