历史上的今天
返回首页

历史上的今天

今天是:2025年02月22日(星期六)

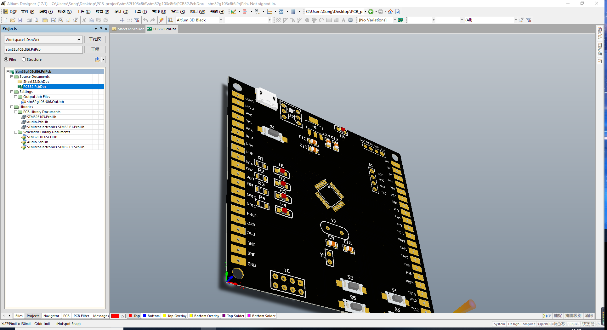
2020年02月22日 | stm32f103c8t6最小系统AD工程,封装

2020-02-22 来源:eefocus

7*7厘米大小,稳压用的LM1117s,已经打印焊接过了,可以用。两边的是焊盘不能焊排针。因为是新手画的板子比较大。反正能用,LED灯的焊盘稍微有点问题,焊盘距离有点大,但也能焊上。其他封装都没什么问题。当初画的时候找封装找了好久,在这里发一下,看到的直接用就好了。

在这里插入图片描述

在这里插入图片描述
在这里插入图片描述


推荐阅读

史海拾趣

Hirel Systems Ltd公司的发展小趣事

对于四通道红外遥控器接收器电路,网友可能提出的问题涉及多个方面,以下是一些可能的问题及回答:

一、技术原理类问题

  1. 问题:四通道红外遥控器接收器电路是如何工作的?
    回答:四通道红外遥控器接收器电路主要通过光电二极管接收遥控器发射的红外信号,经过放大、解码等处理,最终识别出不同的按键指令,并控制相应的设备执行操作。具体来说,当遥控器发射出特定频率的红外光信号时,光电二极管将光信号转换为电信号,经过放大电路放大后,送入解码器进行解码,解码器根据解码结果输出相应的控制信号,控制设备执行相应的操作。

  2. 问题:接收器电路中的关键元件有哪些?
    回答:接收器电路中的关键元件包括光电二极管(用于接收红外光信号)、放大器(用于放大微弱的电信号)、解码器(用于解码信号并输出控制信号)以及可能的滤波电路(用于滤除噪声干扰)等。这些元件共同协作,实现红外信号的接收和处理。

二、故障排查与维修类问题

  1. 问题:接收器无法接收到信号,可能的原因有哪些?
    回答:接收器无法接收到信号的可能原因包括:

    • 光电二极管损坏或老化,导致无法有效接收红外光信号。
    • 接收器电路中的连接线松动或接触不良,导致信号传输中断。
    • 放大器或解码器故障,无法对接收到的信号进行正常放大或解码。
    • 接收器受到外界干扰(如光线、电磁干扰等),影响信号的接收和处理。

    针对以上问题,可以逐一检查光电二极管、连接线、放大器、解码器等元件的状态,并采取相应的维修或更换措施。同时,注意避免将接收器放置在易受干扰的环境中。

  2. 问题:如何排查和解决接收器响应延迟或误动作的问题?
    回答:排查和解决接收器响应延迟或误动作的问题可以从以下几个方面入手:

    • 检查遥控器发射的红外信号是否正常,包括信号的频率、强度等是否符合接收器的要求。
    • 检查接收器电路中的滤波电路是否设置得当,以避免噪声干扰导致误动作。
    • 检查解码器的解码逻辑是否正确,以确保能够准确识别出遥控器发射的指令。
    • 如果以上均正常,可以考虑检查接收器的电源系统是否稳定,以及是否有其他电路元件故障导致的影响。

    针对具体问题,可以采取相应的调整或维修措施来解决。

三、应用与拓展类问题

  1. 问题:四通道红外遥控器接收器电路可以应用于哪些场景?
    回答:四通道红外遥控器接收器电路可以广泛应用于各种需要遥控控制的设备中,如智能家居系统(如电视、空调、灯光等的遥控控制)、工业自动化控制(如电机、阀门等的远程控制)、安防监控系统(如摄像头、报警器的遥控操作)等。通过扩展通道数量和增加控制逻辑,还可以实现更复杂的控制功能。

  2. 问题:如何对四通道红外遥控器接收器电路进行升级或改造?
    回答:对四通道红外遥控器接收器电路进行升级或改造时,可以考虑以下几个方面:

    • 升级光电二极管或放大器等关键元件的性能,以提高接收灵敏度和信号处理能力。
    • 增加滤波电路或改进解码算法,以减少噪声干扰和提高解码准确性。
    • 扩展通道数量或增加控制逻辑,以实现更复杂的控制功能。
    • 引入无线通信模块(如Wi-Fi、蓝牙等),将红外遥控与无线控制相结合,提高控制的灵活性和便捷性。

    在进行升级或改造时,需要根据具体的应用需求和技术条件进行选择和设计。

广州盛炬(GZSJ)公司的发展小趣事

机顶盒,全称为数字视频变换盒(Set Top Box,简称STB),是现代家庭娱乐系统中不可或缺的关键设备。它作为连接电视机与外部信号源的桥梁,能够将接收到的数字电视信号转换成适合电视播放的格式,极大地丰富了用户的视听体验。

机顶盒的起源可追溯至20世纪90年代初,最初是为了解决有线电视收视费问题而设计的解扰设备。随着数字电视技术的发展,机顶盒的功能不断扩展,现已成为集数字信号接收、解码、显示以及多种增值服务于一体的智能终端。

从技术层面看,机顶盒支持多种信号源,包括有线电缆、卫星天线、宽带网络及地面广播等。它不仅能够接收高清、超高清电视节目,还能提供电子节目指南(EPG)、因特网网页浏览、视频点播、游戏等多元化服务。此外,一些先进的机顶盒还集成了智能语音助手、云计算和边缘计算技术,实现了更为便捷、智能的用户交互和内容分发。

在内容创新方面,机顶盒通过与各大内容提供商合作,不断引入优质资源,如电影、电视剧、综艺节目等,并根据用户偏好提供个性化推荐服务。同时,其跨平台整合能力也使得用户可以在不同设备间无缝切换,享受高质量的视频内容。

综上所述,机顶盒作为数字电视技术的核心组成部分,以其强大的功能、丰富的内容和便捷的操作体验,成为了现代家庭娱乐的重要选择。随着技术的不断进步和市场的持续扩大,机顶盒将继续发展,为用户带来更加优质、便捷、智能的观影体验。

德国ACAM公司的发展小趣事

2023年,ACAM公司与上海科技大学智造系统工程中心(CASE)签署了增材制造联合研发、应用研究和教育培训协议。这次合作标志着ACAM公司在增材制造领域的布局进一步深化,双方将共同推动增材制造技术的创新和应用,为行业的发展贡献更多的力量。

这五个故事展示了德国ACAM公司在电子行业中的发展历程和取得的成就。从创立之初的技术突破,到被收购后的技术实力大增,再到超声波计量领域的革命性突破,以及与高校合作推动增材制造发展,ACAM公司始终保持着创新的精神和不断进取的态度,为电子行业的发展做出了重要贡献。

AUSTIN公司的发展小趣事

随着汽车市场的不断变化和消费者需求的多样化,奥斯汀汽车也在不断调整市场策略和产品布局。公司根据市场需求推出了一系列新的车型,并积极拓展海外市场。虽然奥斯汀汽车在历史长河中经历了许多波折和挑战,但其品牌精神和传统始终得以传承和发扬。如今,奥斯汀汽车已经成为了英国汽车文化的重要组成部分,其经典车型和品牌形象仍然深受消费者喜爱。

这些故事展示了AUSTIN汽车公司在汽车行业中的发展历程,从创始与早期成功,到危机与重生,再到技术合作与国际化发展,以及产品创新与多样化,最终实现了市场调整与品牌传承。这些事实性的描述,旨在呈现AUSTIN汽车公司在历史长河中的真实面貌,而不涉及任何褒贬评价。

Beck IPC GmbH公司的发展小趣事

为了进一步增强公司的竞争力,Beck IPC积极寻求与其他优秀企业的收购与合作机会。在某一时期,公司成功收购了一家在边缘网关系列产品领域具有领先地位的企业。通过这次收购,Beck IPC不仅获得了更多先进的技术和产品,还进一步巩固了其在工业物联网领域的地位。此外,公司还与多家知名企业建立了战略合作关系,共同推动行业发展。

Global Specialties公司的发展小趣事

在电子技术的不断推动下,Global Specialties始终保持对新技术的高度敏感。公司不断投入研发资源,对现有产品进行升级换代,并推出了一系列具有创新性的新产品。例如,公司开发的智能测试仪器能够自动完成复杂的测试任务,大大提高了测试效率和准确性。这些技术创新不仅巩固了Global Specialties在业内的领先地位,还为公司带来了更多的商业机会。

问答坊 | AI 解惑

FPGA设计中关键问题的研究

随着FPGA(Field Programmable Gate Array)容量、功能以及可靠性的提高,其在现代数字通信系统中的应用日渐广泛。采用FPGA设计数字电路已经成为数字电路系统领域的主要设计方式之一[1]。在信号的处理和整个系统的控制中,FPGA不但能大大缩减电路的 ...…

查看全部问答>

转载 万年历_红外_PS2键盘

[ 本帖最后由 tsb00 于 2009-3-22 13:36 编辑 ]…

查看全部问答>

推荐学习模电的一个好网站

对射频技术感兴趣的同学,不妨到矿石收音机论坛去看看,特别是里面的矿石机专栏。在那里有许多退休或即将退休的老人,其中有的人的本职工作是微波电路设计,但是在矿坛里确实玩性正浓。他们对矿石收音机的研究,恐怕我们是想像不到的。 一个线圈, ...…

查看全部问答>

wince里关于gps的问题

我在wince里用GPSOpenDevice先打开设备,然后                GPS_DEVICE pGPSDevice = {0};         pGPSDevice.dwVersion = GPS_VERSION_1;       &nb ...…

查看全部问答>

问一个关于CDMA拨号的问题

我用的模块有内置的ppp拨号协议 ppp验证成功后能否直接用MFC里的CSocket之类的封装类向网络发东西 用udp或tcp…

查看全部问答>

触摸屏定时中断问题

在触摸屏的驱动中,有一个定时器中断,就是标示gIntrTouchChanged这个逻辑中断的。我有不明白的地方 1、我看了很多都是用TIMER3这个定时器,一定要用TIMER3吗?如果是,是为什么呢? 2、对于TIMER3这个中断,我没有在intr.c这个文件找到对IRQ_TIM ...…

查看全部问答>

ASC向Unicode转化时遇到无效字符后产生乱码

我的转化函数如下:         int iLen = ::MultiByteToWideChar(CP_ACP, 0, pBuff, -1, NULL, 0);         if(iLen && iLen …

查看全部问答>

纽扣间谍摄像机

日本Thanko公司日前推出了一款通常只有在电影中才能看到的“隐秘行动装备”:可以伪装成纽扣的数码摄像机。该摄像机整体只有U盘大小,具体尺寸为70x15x10mm。一端伪装为衬衣纽扣的部分就是它的摄像镜头,拍摄距离50厘米以上。它可以拍摄640x480分辨 ...…

查看全部问答>

发现为什么发帖会丢失格式了

当帖子编辑时在Discuz!代码模式和所见即所得模式中切换时,就会丢失格式。…

查看全部问答>

各位大大们,我要选择那个类型的DSP做开发?

要做图像处理里面的表面检测,实时性要求要高,最近看了C642X ,C645X,DM643X 这三个系列 那个最好 ???谢谢了~~~…

查看全部问答>