历史上的今天
今天是:2025年03月02日(星期日)
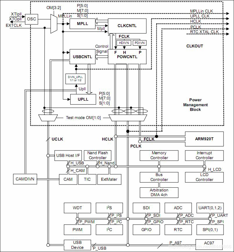
2020年03月02日 | S3C2440芯片时钟(1)
2020-03-02 来源:eefocus

时钟和电源管理模块由三部分组成:时钟控制,USB 控制和电源控制。
S3C2440A 中的时钟控制逻辑可以产生必须的时钟信号,包括CPU 的FCLK,AHB 总线外设的HCLK 以及APB 总线外设的PCLK。S3C2440A 包含两个锁相环(PLL):一个提供给FCLK、HCLK 和PCLK,另一个专用于USB 模块(48MHz)。时钟控制逻辑可以不使用PLL 来减慢时钟,并且可以由软件连接或断开各外设模块的时钟,以降低功耗。
关于电源控制逻辑,S3C2440A 包含了各种电源管理方案来保证对给定任务的最佳功耗。S3C2440A 中的电源管理模块可以激活成四种模式:正常(NORMAL)模式、慢速(SLOW)模式、空闲(IDLE)模式和睡眠(SLEEP)模式。
普通(NORMAL)模式:这个模式提供时钟给CPU,也提供给所有S3C2440A 的外设。在此模式中,当所有外设都开启时功耗将将达到最大。它允许用户用软件控制外设的运行。例如如果一个定时器不是必须的,用户可以断开连接到定时器的时钟(CLKCON 寄存器),以降低功耗。
慢速(SLOW)模式:无PLL 模式。不像普通模式,慢速模式使用一个外部时钟(XTIpll 或EXTCLK)直接作为FCLK 给S3C2440A,而没有使用PLL。在此模式中,功耗只取决于外部时钟的频率。排除了因PLL 而产生的功耗。
空闲(IDLE)模式:这个模块只断开了CPU 内核的时钟(FCLK),但它提供时钟给所有其它外设。空闲模式产生了因CPU 内核而产生的功耗减少的结果。任何中断请求给CPU 都可以使其从空闲模式中唤醒。
睡眠(SLEEP)模式:这个模块与内部供电是分离的。因此在此模式中发生了没有因CPU 和除唤醒逻辑以外的内部逻辑的功耗。要激活睡眠模式需要两个独立的供电电源。两个电源之一提供电源给唤醒逻辑。另一个提供电源给包括CPU 在内的其它内部逻辑,而且应当能够控制供电的开和关。在睡眠模式中,第二个为CPU 和内部逻辑供电电源将被关闭。可以由EINT[15:0]或RTC 闹铃中断产生从睡眠模式中唤醒。
时钟结构的方框图显示了 主时钟源来自一个外部晶振(XTIpll)或外部时钟(EXTCLK)。时钟发生包含了一个连接到外部晶振的振荡器(震荡放大器),还含有S3C2440A 所必须的两个用于产生高频率时钟的PLL(锁相环)。
时钟源选择


史海拾趣
|
利用金属底壳,加垫MAP软性硅胶导热片达到散热效果。 原来大家使用导热硅脂作为导热材料的很多: 当今的电子产品朝着两个方向发展:一方面产品的集成度越来越高、功耗不断增大;另一方面产品越来越轻、薄、短。这就使得产品的散热矛盾越来越突出 ...… 查看全部问答> |
|
请教各位,现在需要做个USB接口的键盘程序,先是通过遥控器按键向红外线接收头发送信号并解码 这些部分现已完成 问题: 由于对USB协议不熟,现在正在学习中 1.请教各位,我解码后的数据怎么 ...… 查看全部问答> |
|
在运行TOPWIN2005的时候出现了EAcess violation的错误,我点了确定后显示 Acess violation at address 740b0cc2,read of address 740b0cc2,是怎么回事? 我是第一次用TOPWIN2005,不好意思! 请哪位大侠帮个忙,小妹我不胜感激!… 查看全部问答> |




