历史上的今天
今天是:2025年03月02日(星期日)
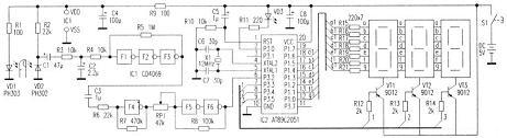
2020年03月02日 | 单片机脉搏测量仪
2020-03-02 来源:elecfans
本文介绍一种用单片机制作的脉搏测量仪,只要把手指放在传感器内,很快就可以精确测出每分钟脉搏数,测量的结果用三位数字显示出来。
一、电路工作原理
电路原理见附图。电路由传感器电路、信号放大和整形电路、单片机电路、数码显示电路等四部分组成。

传感器由红外线发射二极管和接收二极管组成,测量原理如下:将手指放在红外线发射二极管和接收二极管之间,血管中血液的流量随着心脏的跳动变化,由于手指放在光的传递路径中,血管中血液饱和度的变化将引起光的传递强度变化,此变化和心跳的节拍相对应,因此红外接收二极管的电流也跟着心跳的节拍改变,使得红外接收二极管输出与心跳节拍相对应的脉冲信号。该脉冲信号经F1~F3、R3~R5。C1、C2等组成的低通放大器放大,F4、R6、R7、C3组成的放大器进一步放大后,送给由F5、F6、RP1、R8等组成的施密特触发器整形后输出,作为单片机的外部中断信号。电路中的可变电阻RP1用来调整施密特触发器的阈值压。
IC2、X1、R10、C5等组成单片机电路。单片机对由P3.2输入的脉冲信号进行计算处理后,送到数码管显示。发光二极管VD3作脉搏测量状态显示,脉搏每跳动一次,VD3点亮一次。
三只数码管VT1~VT3、R12-R21等组成数码显示电路。本机采用动态扫描显示方式,使用共阳数码管,P3.3~P3.5口作三只数码管的动态扫描位驱动码输出,通过三极管VT1-VT3驱动数码管。P1.0-P1.6口作数码管段码输出。
二、软件设计
程序用C语言编写,由主程序、外部中断服务程序、定时器TO中断服务程序、延时子程序等模块组成。主程序主要完成程序的初始化。外部中断0服务程序由测量、计算、读数等部分组成。定时中断服务程序由计时、动态扫描显示、无测试信号判断等部分组成。程序中用变量n对时间计数,用变量m对脉搏脉冲信号个数计数。
从P3.2口输入的与脉搏相对应的脉冲信号作为外部中断0的请求中断信号,外部中断采用边沿触发的方式。由于脉冲信号的频率很低,所以不适宜用计数的方法进行测量,故而采用测脉冲周期的方法进行测量,即用脉冲来控制计时信号,通过计时数计算出脉冲周期,再由脉冲周期计算出频率,从P3.2口每输入一次脉冲信号就能显示一次脉搏数。
定时器TO的中断时间为5ms,每中断一次计时变量n加1,因此计时的基本单位为5ms,例如一个脉搏脉冲周期对应的n值为240,则对应的时间为1.2s,由此可得每分钟脉搏数为50。如果n的值达到2000,即10秒钟仍没有发生外部中断,则表示没有脉搏脉冲信号输入,于是n被清零,测量结果显示也为0。
读数采用三位数码显示。定时器TO每中断一次显示一个位,因此3次中断就可以刷新一次数据,即15ms刷新一次数据。
三、安装与调试
传感器的制作是一个关键。可将红外线发射二极管和接收二极管分别固定在一个塑料夹子的两侧,用时只需将夹子夹在手指上即可。制作时注意保证红外线接收二极管在使用时不要受到外界光线的干扰。
调试的主要工作是通过对RP1的调节来调整电路的灵敏度,RP1的阻值越小灵敏度越高,反之灵敏度越低。调试时可通过VD3的发光状态进行观察,如果脉搏跳动时VD3不跟随发光,则说明灵敏度偏低,不易检测到脉搏信号;如果在没有脉搏跳动时VD3偶尔也点亮发光,说明灵敏度偏高,容易受到干扰。
史海拾趣
|
摘要:数字信号处理器具有高效的数值运算能力,并能提供良好的开发环境,而可编程逻辑器件 具有高度灵活的可配置性。本文描述了通过采用TMS320C32浮点DSP和可编程逻辑器件(FPGA)的组合运用来构成高速高速高精运动控制器,该系统通过B样条插值算 ...… 查看全部问答> |
|
时值2008年初,汽车电子行业在回顾2007年发展的同时,也提出了一些发人深省的问题,本土汽车电子企业在发展过程将会面临三大问题,必须引起重视。 价格战造成两败俱伤,竞争方式急需转变 近两年,汽车电子行业的竞争越来越激烈,“尤其在 ...… 查看全部问答> |
|
友情提示:承蒙网友的厚爱,见到有些网友把此帖转帖,谢谢!希望大家在转贴的时候注明作者:焦作华润白志刚。 目前,本文的最新版本已经编辑完成,如果已经转贴的朋友,请按照最新版本修改。再次感谢! 第一章 自动调节系统的发展历程 1-1 ...… 查看全部问答> |
|
运用ISD1760芯片的录音功能来录制其他遥控发出的红外波,以此原理设计一个万能遥控。 重点需要研究的问题: ISD1760录音、无线收发模块。 麻烦大家给个思路,,参考·· ...… 查看全部问答> |
|
下载NK到开发板后执行,到最后一部应该显示如下红色部分代码时却执行不下去了。请问怎样才能检测内核程序是死在 哪里了? ERROR: OALIntrReleaseSysIntr: Invalid sysIntr value 0 UfnClientLib!UfnCheckPID: WARNING -- using MS reference pl ...… 查看全部问答> |
|
本帖最后由 paulhyde 于 2014-9-15 09:08 编辑 我看看了看03年的元件清单有个高频变容二极管,然后那年题目就有电压控制LC振荡器。是不是今年有可能会有呢? … 查看全部问答> |
|
相信大家对PCB板应该不会陌生吧,下面有卓跃教育为您介绍有关于PCB设计方法和技巧。 一、需要选择好pcb板材:选择pcb板材主要满足设计需求和可量产性及成本中间取得平衡点。在电气方面,要注意介电常数(dielectricconstant)和介质损在所设计的 ...… 查看全部问答> |
|
excle表格批注弹出说明形式,写程序时方便查询,可与芯片手册配合使用,发个简图: < 十六进制地址名 称功 能位7位6位5位4位3位2位1位0 ...… 查看全部问答> |




