历史上的今天
今天是:2025年03月04日(星期二)
2020年03月04日 | 利用ICL7107/7106实现电阻的在线测试
2020-03-04 来源:elecfans
在线测试技术对于克服传统离线测试(Off Line Test) 的繁琐、低效,提高现代电子设备的维修质量具有重要的现实意义。
并联效应引起的测量误差是在线测试所要解决的关键问题。消除并联效应有多种方法,但对于分立元件的测试来说,屏蔽技术(Guauding) 是一种比较经济而行之有效的方法。
我们知道,不管实际电路如何复杂,通常总可以把被测电路R,两端的分流元件等效地看成与之并联的两个互为串联的电阻R,和R2,即看成为如图(1)所示的三角形电阻网络。而在测量时,设法使其中之一,Rj(或R2) 中无电流通过,如同断路一样、故对R,的测量也就不存在分流作用,从而消除了并联效应。


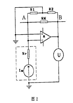
屏蔽技术实质上就是运算放大器特性的典型应用。如图(2)所示,R1、R2 为测试点A、B两端的并联等效电阻Rz,为待测电阻,虚线框中为内阻为Rr,的恒流源。由于运算放大器反相输人端为虚地,R 1两端等电位Is几乎全部流过R,则有:

成立,即

只要1s取合适的值,U。的读数即为Rx的值。
电路及实现
2.1、CL7107/7106 的引脚功能说明
ICL7107/7106 是一种双积分A/D转换器,并可直接驱动LED/I.CD 显示器,其引脚功能如下:
40、39.38脚为时钟发生器外围元件接线端;37脚为测试端,当该脚与V+ 短接时,显示器所有笔段点亮;36.35脚为参考电压输人端:34、33脚为基准电容接线端;32脚为公共模拟接地端;31.30脚为待测模拟电压输人端;29脚为自零输入端;28脚为缓冲器输出端,接积分电阻;27脚为积分器输出端,接积分电容,26脚电源负极,接负电源;1C1.7107的21脚为数字地,ICL7106的21脚则为液晶公共极驱动端;20脚为负数指示信号,接千位显示器负号段;19脚为千位显示器的b.c段驱动输出端;1脚为电源正极,接正电源;5.4、3、2、8、6、7脚为个位显示器驱动信号输出端,分别对应个位显示器的a~ g 段;12、11.10、9.14.13、25脚为十位显示器驱动信号输出端,分别对应十位显示器的a~g段;15.16.24、25.18.17、22脚为百位显示器驱动信号输出端,分别对应百位显示器的a~g段。
2.2、测试电路及实现

测试电路如图3所示,其中虚线框A中为电阻一电压转换电路,虚线框B中为555定时电路,工作于无稳态模式,产生占空比为50% 的方波,经整流以后,为ICL7107的26脚提供- 3.4V电源。探头2、3并接在R,的两端,探头1应根据实际电路选择合适的测试点。本电路中,运算放大器最好采用CMOS器件,并尽量使运算放大器工作在深度负反馈状态,以提高系统的测试精度。

实验证实(实测数据见表1),在I,合适的情况下,对于1002~ 10MQ的待测电阻,其测试误差在5% 以内,完全能够满足现代电子设备维修检测的要求
误差分析
1、运算放大器开环电压增益的影响
在图2的电路中,当运算放大器的开环电压增益很高时,运放两输人端的电位才近似相等。尽管运算放大器的开环增益一般都很大,但并非无穷大,故其两输人端电位就不完全相等,从而对R,存在一定的分流,使测试结果偏小。为减小误差。应选用开环增益较大的运算放大器
2、运算放大器输入电流的影响
由于运算放大器输入电阻不可能达到无穷大,多多少少对R,有一定的分流,从而影响R,的测试精度。因此运算放大器应选用输人电阻高的器件(例如M(0S器件),同时应适当提高恒流源I,的大小。
史海拾趣
|
[size=83%]3.矩阵的块操作 [size=78%][size=65%]n对矩阵进行元素更改、插入子块、 [size=78%][size=65%]n提取子块、重排子块、扩大维数等操作 这里重点说说冒号的用处!… 查看全部问答> |
|
想請教一下 目前我是使用msp430F449跟cy7c138作單方面的傳輸 但是目前從dualportRAM李讀出的資料並不是我寫入的資料 想請問一下問題出在哪? 謝謝 CY7C138 datasheet 程式源碼 想请教一下 目前我是使用msp430F449跟cy7c138作单 ...… 查看全部问答> |
|
本文介绍一种既能省去复杂的IC电路及其外围电路,又能够实现自动充电功能的电路。 1 工作原理 原理图如图1所示,它由如下元件构成:C1,V1~V4,C2组成滤波整流电路,变压器T为高频变压器,V5,R2,C11组成功率开关管V7的保护电路,NF为供给IC电 ...… 查看全部问答> |
|
2450的wavedev结构AC97和IIS音频驱动一处不同的疑惑 在进行外部声音采样的时候,SetRate和Render2是用来将采样到的数据转换成应用程序指定的采样率而进行的线性插值运算(回放我想应该也是类似的),不过我发现AC97和IIS有所区别 (1)前者的m_CurrT初值是0x200,后者的初值是0x20000 (2)在进行运算的时 ...… 查看全部问答> |
|
急!请教:在EVC下如何实现像Cristi Posea做的CSizingControlBar的程序 想实现一个类似CSizingControlBar的界面,但是EVC下不支持NCCALCSIZE_PARAMS这个结构,不知道有什么方法可以解决。或者说EVC下是否能做成这样的界面。… 查看全部问答> |
|
在下正在写毕业论文,需要一篇6000字的英文文章,是关于单片机的,最好是中英文对照的。如果文章字数不够,2~3篇凑在一起达到6000字也可以。 请各位帮帮忙,在下不胜感激! 本人邮箱:xupeng19850606@126.com… 查看全部问答> |
|
FlashRunner在2009年初,已经成功实现了对STM8 STM32全系列MCU的ISP烧录支持。 STM8 8位内核有一个32位存储器接口和三段流水线架构,在24MHz频率下,最高处理效能高达20 MIPS。栈指针和16位索引寄存器可改进 ...… 查看全部问答> |
|
现在在写PID的程序,浮点运算时控制频率为3k,改为定点运算以后控制频率只提高到5k左右,现在对于数据格式的转换已经搞不明白了。彻底晕了。 例如:我现在采用12位AD输入,但是运算的时候DSP肯定是采用16位运算,运算的时候又需要移位等,输出又变 ...… 查看全部问答> |




