历史上的今天
今天是:2025年03月10日(星期一)
2020年03月10日 | 基于VUSB的数控直流稳压电源的设计
2020-03-10 来源:eefocus
简介:介绍了一种调节精度高,操作简便的数控直流稳压电源。采用AVR系列单片机Atmega8作为主控单元,通过不同的数字量输入设置D/A转换芯片MAX522的输出电压。DAC输出电压则经过μA741组成的两级运放电路及射极输出器ZTX453进行电压电流放大。其中DAC输入的5.12V参考电压是由LM366集成稳压器产生的。上位机通过基于AVR单片机特有的VUSB技术与下位机进行通讯,同时介绍了Windows平台下USB设备驱动程序的实现。此电压源实现了电压值读取与设置的可见与可控性,可作为部分测试设备的嵌入式电源模块使用。
0 引 言
数控直流稳压电源是电子技术中常用的设备之一,目前所使用的大多是通过旋钮开关调节电压值,调节精度不高,而且经常出现跳变,使用起来极不方便。本数控直流稳压电源通过上位机设置输入到DAC的数字量,输出步进可调的电压。上位机与下位机通过软件模拟的USB进行通信。传统的单片机与计算机进行USB通信,需要使用专用的接口芯片进行USB 协议转换,如CP2101、FT232、CH342、PDIUSBD12、SL811等。像CP2101、FT232这样的芯片使用起来虽然简单,但是功能比较单一;而PDIUSBD12、SL811功能较强,但是使用复杂。并且这些专用芯片的价格都相对较高,增加了系统的成本。而VUSB简单易用,成本低廉,只需要一个普通的低成本AVR单片机以及很少的几个外部元件,就可以组成一个USB系统。
1 系统硬件设计
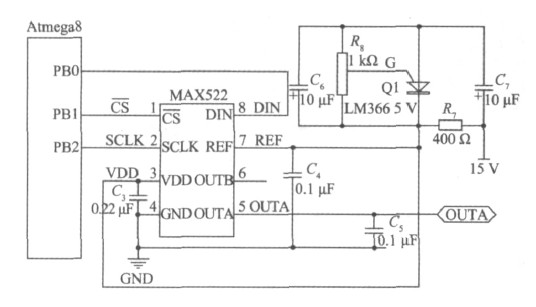
系统组成框架如图1所示,主要由8路串行输入DACMAX522、稳压输出电路、VUSB接口电路、信号调理电路、单片机Atmega8及其他外围元件组成,可以输出0~12V的电压,步进精度为0.1V,电流可达2A.同时可以通过上位机设置输出的电压值。

图1 数控直流稳压源组成
1.1 模数转换。
D/A 转换主要是利用MAX522 芯片来实现的。
MAX522芯片内有2路8位电压缓冲输出D/A 转换器(DAC A和DAC B),8脚节省封装和DIP封装,DAC A端缓冲器工作电流可达5mA,DAC B端缓冲器工作电流可达500μA,MAX522工作在单向电压+2.7V~+5.5V.
MAX522具有3线串行接口,可直接与SPITM、QSPITM,MicrowireTM 兼容。它有一个16位输入移位寄存器,包含8位DAC输入数据和8位DAC选择和关断控制。在/CS的正边沿数据能够存入到DAC寄存器。
模数转换模块电路如图2所示。单片机的PB0端口接串行数据输入口DIN、PB1接片选信号
、PB2端口接时钟信号SCLK.选择DAC A作为输出,输出和参考电压输入端分别接上一个0.1μF的电容,提高电路输出稳定性。芯片的VDD与参考电压端均由5.12V稳压电路提供。

图2 模数转换及稳压电路
LM336集成电路是精密的5V稳压器,其工作相当于一个低温度系数的、动态电阻为0.2Ω的5V齐纳二极管,其中微调端(G)可以使基准电压和温度系数得到微调。通过调节可调电阻调节LM336的输出电压为5.12V.所以MAX522输出电压的分辨率为5.12/256=0.02V,也就是说MAX522数字输入量每增加1,电压就增加0.02V.由于电源输出电压范围为0~12V,步进精度为0.1V,则最大输入数据为120(二进制值为11110000),此时MAX522输出值为2.4V.即MAX522的输出电压在0~2.4V变化。
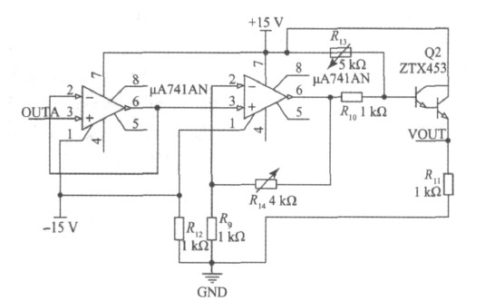
1.2 电压电流放大
由于MAX522输出的电压范围为0~2.4V,而要求的电压输出范围为0~12V,所以需要将MAX522输出放大5倍。同时,为了提高电源的驱动能力,在放大电路后面加入了一个射极输出器。
电压电流放大电路如图3所示。主要包括2个μA741高增益运算放大器组成的放大部分及三极管ZTX453组成的射极输出部分。第一级μA741AN 为负反馈缓冲电路,用以减小输出电阻并使放大频率频宽增大。第二级μA741ANA构成电压正向比例放大电路。放大后的电压信号接入射极输出器ZTX453,放大输出信号的电流。注意,此部分电路发热量比较大,需要再扩接散热片进行散热。

图3 电压电流放大电路。
1.3 VUSB接口
VUSB是用普通的通用AVR单片机,配以较高频率的晶振(12MHz或16MHz),模拟产生USB所需信号,从而模拟出标准的USB HID设备(鼠标、键盘、简单通信)的解决方案,构成一个低成本的USB设备。USB共有4根线,2根5V电源,两根差分信号线D+、D-.由于是低速设备,D-必须要有1.5kΩ的上拉电阻。
VUSB接口电路如图4所示,单片机的PD1和PD2通过68Ω的限流电阻分别接入标准USB接口的D-、D+.
需要注意的是D+必须接上单片机的外部中断0管脚,在此为了简化连接直接将PD2(INT0)接入作为其中的一根信号线使用。由于USB信号线的电压最大为3.6V,所以在D-和D+上分别并接了一个3.6V的稳压二极管。

图4 VUSB接口电路。
2 系统软件设计
软件设计包括下位机和上位机2部分。下位机主要负责接收上位机的设置电压值,并经过转换后输入到MAX522,从而输出设置电压。上位机则通过VUSB与下位机连接,并通过模拟的USB协议向下位机写入数据。
2.1 下位机软件
下位机软件流程图如图5所示。其中设备初始化包括单片机端口初始化、DAC初始化及VUSB端口初始化。在初始化之后,程序进入主循环,在其中加入了USB轮询函数usbPoll(),用来侦测USB事件。一旦侦测到上位机有USB通信请求时,usbdrv就会调用usbFunctionSetup()函数来处理请求。在此请求函数中接收上位机传来的数据并将此数据转换后写入MAX522数据端口,启动DAC输出电压。

图5 下位机软件流程。
设计中需注意以下几点:
1)单片机方面的VUSB 底层驱动函数使用AVRUSB,最新版本的AVR-USB为C语言编写并有详细的注释。开发平台为WinAVR.GCC项目文件夹中需包含驱动文件(usbdrv文件夹),并对usbconfig.h中的部分宏定义做一些修改。
#define USB_CFG_IOPORTNAME D//这个接口连接USB总线。当配置为"D"时,寄存器PORTD,PIND and DDRD将有效。
#define USB_CFG_DMINUS_BIT 1//位配置,是在USB_CFG_IOPORT 中连接USB D-的线。可以配置为接口的任何位。
#define USB_CFG_DPLUS_BIT 2//位配置,是在USB_CFG_IOPORT 中连接USB D+的线。也可以连接到任意口,但是注意D+一定要连接都中断口INT0
2)单片机在接收到读取数据命令时会自动调用usbFunctionSetup(uchar data[8]),在函数内把全局指针*usbMsgPtr指向所要发送的数据首地址,然后返回(函数返回值)所发送数据的长度就可以了。由于采用的是命令包方式传输数据,每次只能接收4个字节的有效数据,存储在data[2]~data[4]中。
3)初始化时需要将MAX522的输出置为关闭状态。
写入MAX522时首先写入8位控制字,然后写入8位DAC数据。
2.2 上位机软件
上位机用C# 语言进行编写,驱动采用一款名为LibUsbDotNet的开源USB上位机驱动库文件。此驱动库文件还提供了供。NET平台调用的USB接口函数。使用时需包含相应的动态链接库文件。
上位机软件主要包括显示设备连接状态、写入电压值及读取当前电压值等功能。上位机软件流程图如图6所示。

图6 上位机软件流程。
只有在总线请求为用户自定义类型(Vendor)时单片机才会调用usbFunctionSetup(uchar data[8])这个函数,所以传输数据是通过发送用户自定义类型的Setup数据包来实现的。读数据时设置此数据包为IN,同时写入需要读取的字节数。写入数据时设置数据包为OUT,4字节的有效数据则包含在所建立的8字节Setup数据包的data[2]~data[4]之中。
3 实验验证与分析
本数控直流稳压电源在使用之前需进行校零。在初始状态下,调节集成运放μA741的外接调零电阻使集成运放输出为0,调节射极输出器偏置电阻R13使输出电压为0.
在输出最大的情况下,调节输出集成运放的比例放大电阻R14,使得输出电压为12V.
校零之后将上位机设置电压值与实际输出电压进行对比实验,实验数据如表1所示。
表1 电压输出对比实验结果

所设计电压源实际输出值与设定值偏差较小,能够满足0~12V连续可调输出,步进值为0.1V的使用要求。
4 结 论
设计了一种以单片机为主,基于VUSB技术进行数据传输控制的数控直流稳压电源。输出电压值由单片机控制,步进调节方便,输出稳定。既可以作为单独的电源使用,也可以嵌入到其他需要步进电压模块的测试系统之中。
史海拾趣
|
北京市(京) 京A、京C、京E、京F、北京市(城区),京G 北京市(远郊区), 京B 出租车,京O警察 天津市(津) 津A、津B、津C、天津市 ,津E 出租车 上海市(沪) 沪A、沪B、沪D 上海市区,沪C 远郊区 重庆市(渝) 渝A 重庆市 ...… 查看全部问答> |
|
int t1,t2; printf(\"please input 1:\"); scanf(\"%d\\n\",&t1); switch(t1) { case 1:{printf(\"case1\\n\"); scanf(\"%d\",&t2);printf(\"t2=%d\\n\",t2); break;} } ------------------------------------------- 在屏幕上: 我输入1 ...… 查看全部问答> |
|
我想在单文档MFC里面实现可移动和停靠的工具栏(就和打开我的设备里面的工具栏一样,前面有2个竖杠),可是CE下CToolBar没有EnableDocking这个方法,请问下是怎么实现的? 还有一个问题,在设置工具栏图标的时候,我是通过下面代码实现的,其中有 ...… 查看全部问答> |
|
在调试中,我的AT命令是 AT^SICS=0,conType,GPRS0↙ //选择GPRS工作模式 AT^SICS=0,user,gprs↙ //用户名称 AT^SICS=0,passwd,gprs↙ //密码 AT^SICS=0,apn,cmnet↙ //网络运营商 AT^SISS=1,srvType,socket↙ //服务类型为socket ...… 查看全部问答> |
|
我在网上看到有人写CE的浏览器程序时,他的代码为: extern \"C\" DWORD __stdcall SetProcPermissions(DWORD); extern \"C\" DWORD __stdcall GetCurrentPermissions(); CWnd *pWnd = NULL; HWND hWnd; hWnd = ::FindWindow(NULL, _T(\"\\\ ...… 查看全部问答> |
|
各位大虾,请问怎么使2812的FSX频率和CLKX频率不同步,我现在能够调出FSX频率,但是CLKX频率与FSX频率一直同步,就是同升同降。可是所需的芯片要求他们两个不同步,该怎么设置呢?谢谢各位了!!… 查看全部问答> |
|
module demux( input clk_108m, input clk_27m, input[7:0] vin_data, output reg[7:0] vout_data_ch0, &n ...… 查看全部问答> |




