历史上的今天
今天是:2025年03月15日(星期六)
2020年03月15日 | labview串口接收数据_labview串口被动接收数据
2020-03-15 来源:elecfans
1.程序界面:

功能介绍:左边上方串口接收区,下方为串口字符发送区。右方为一个波形图表,在程序内部每次将串口发送过来的数据,以f%格式化,显示在波形图表上。
按钮介绍:从左至右依次,发送按钮;清除计数按钮;打开/关闭串口按钮;清除接收区数据;清除波形图表;保存波形;退出程序。
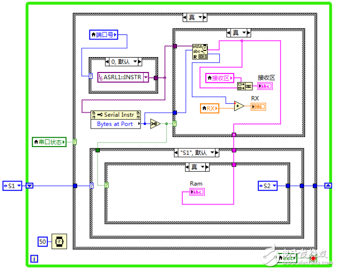
2.主程序框图:

主程序框图介绍:主程序框图主要由3个状态组成:程序的初始化,程序事件的响应,程序的退出。
状态Init:程序初始化,主要把OpenCom等按钮,串口状态,串口接收字符串,波形图标,TX/RX计数等控件,置为False或清零。初始化状态只执行一次,接下来就进入状态Event。
状态Event:程序事件响应,由一个事件结构构成,共需响应8个事件:Open/CloseCom按钮事件;串口号或波特率改变事件;发送按钮事件;清空计数按钮事件;清空接收区按钮事件;清空波形区按钮事件;保存波形按钮事件;菜单选择事件;退出按钮事件。如果在此状态,按下退出按钮,则进入状态Exit,否则程序将一直运行在此状态。
状态Exit:程序退出。退出前需关闭已打开的VISA句柄。
3.串口接收程序框图:

串口接收程序框图介绍:当串口状态为真时,调用串口属性节点”BytesatPort”,如果串口缓冲区有X字节的数据就接收X字节的数据。最后,用一个状态机来实现相邻两个字符串的判断。如果串口在相邻两个字符串之间接收时间大于50ms,则判断为两个独立的字符串;如果小于50ms,则自动拼接前后两个字符串。
4、labview串口被动接收数据
这里labview被动接收传感器发送来的数据,即在开发板获取传感器的数据来进行计算控制时,labview用来数据的采集。

这是labview串口配置和指令发送,指令发送用于主动发送再接收时,此处不需要用到该模块,直接将if结构置假即可,或者直接删除。这其中用到的CRC子vi主要是在输入指令不同时自己计算出校验位,如果程序始终只用到一个电机运行速度读取命令,可以直接手工计算并发送校验位。
下一篇:labview串口数据解析
史海拾趣
|
对范跑跑的讨论让我们对这个问题进行再次思考。作为教师,他真的应该以自己的生命为代价救孩子们吗? 我们可以先把范跑跑放一放,看看平时我们都为工作牺牲了什么。 在会计师事务所就职的瓦尼莎基本上每天都两三点才回家。这样坚持了三 ...… 查看全部问答> |
|
关注已久的电子管多用途板终于和大家见面了。本站将推出一系列洞洞板作品,已便大家交流。首先推出的一款作品是6F3胆牛耳放,这款作品大家看了一定很熟悉,他的电路和本站前期的PCL86电路完全相同,只是用管不同,电路元件参数稍有不同。由于在洞 ...… 查看全部问答> |
|
最近要做一个设计,心电数据采集后的远程发送部分,要求通过GPRS传输到计算机,老师说用手机或gprs模块都行,但我是一菜鸟,不懂怎麽用手机通过gprs远程传输数据到计算机?网上说的我都不明啊,现老师降低要就,只要我能把数据包通过gprs送到计算机 ...… 查看全部问答> |
|
我在EVC上写了一个小程序,cpu类型设为X86编译通过,但是不能在模拟器上执行,cpu类型设为ARM4后,编译出现如下错误: wjjpg.lib(wjjpg.dll) : fatal error LNK1112: module machine type \'X86\' conflicts with target machine type \'ARM\' wj ...… 查看全部问答> |
|
我用PB定制WinCE内核后,生成操作系统镜像时出现错误,错误信息如下: Error - cannot open input file E:\\WINCE500\\PBWorkspaces\\EP9315\\RelDir\\ep931x_ARMV4I_Debug\\postproc\\nlscfg.inf makeimg: FATAL ERROR: Command returned non-ze ...… 查看全部问答> |
|
今天看到一则关于时钟测试中的Fail原因分析”的博文(https://home.eeworld.com.cn/my/space.php?uid=169593&do=blog&id=40029),其中提到可以从测试方法、测试设备和被测设备三方面找线索,分析得很详细透彻。在测试设备方面,作者还提到可将 ...… 查看全部问答> |




