历史上的今天
今天是:2025年03月16日(星期日)
2020年03月16日 | STM32F407ZGT6芯片时钟系统模块介绍
2020-03-16 来源:eefocus
STM32F4时钟系统的知识在《STM32F4中文参考手册》第六章复位和时钟控制章节有非常详细的讲解,网上关于时钟系统的讲解也有很多,讲不出啥特色,时钟模块是芯片非常重要的组成部分,我们必然要提到时钟系统的知识。这些知识也不是什么原创,纯粹根据官方提供的中文参考手册和自己的应用心得来总结的,如有不合理之处望大家谅解。
STM32F4时钟树概述
众所周知,时钟系统是CPU的脉搏,就像人的心跳一样。所以时钟系统的重要性就不言而喻了。STM32F4的时钟系统比较复杂,不像简单的51单片机一个系统时钟就可以解决一切。于是有人要问,采用一个系统时钟不是很简单吗?为什么STM32要有多个时钟源呢?因为首先STM32本身非常复杂,外设非常的多,但是并不是所有外设都需要系统时钟这么高的频率,比如看门狗以及RTC只需要几十K的时钟即可。同一个电路,时钟越快功耗越大,同时抗电磁干扰能力也会越弱,所以对于较为复杂的MCU一般都是采取多时钟源的方法来解决这些问题。
首先让我们来看看STM32F4的时钟系统图:

在STM32F4中,有5个最重要的时钟源,为HSI、HSE、LSI、LSE、PLL。其中PLL实际是分为两个时钟源,分别为主PLL和专用PLL。从时钟频率来分可以分为高速时钟源和低速时钟源,在这5个中,HSI、HSE以及PLL是高速时钟;LSI和LSE是低速时钟。从来源可分为外部时钟源和内部时钟源,外部时钟源就是从外部通过接晶振的方式获取时钟源,其中HSE和LSE是外部时钟源,其他的是内部时钟源。下面我们看看STM32F4的这5个时钟源,我们讲解顺序是按图中蓝圈标示的顺序:
LSI是低速内部时钟,RC振荡器,频率为32kHz左右。供独立看门狗和自动唤醒单元使用;
LSE是低速外部时钟,接频率为32.768kHz的石英晶体。这个主要是RTC的时钟源;
HSE是高速外部时钟,可接石英/陶瓷谐振器,或者接外部时钟源,频率范围为4MHz~26MHz。HSE也可以直接做为系统时钟或者PLL的输入;
HSI是高速内部时钟,RC振荡器,频率为16MHz。可以直接作为系统时钟或者用作PLL输入;
PLL为锁相环倍频输出。STM32F4有两个PLL:
主PLL(PLL)由HSE或者HSI提供时钟信号,并具有两个不同的输出时钟。第一个输出PLLP用于生成高速的系统时钟(最高168MHz)。第二个输出PLLQ用于生成USB OTG FS的时钟(48MHz),随机数发生器的时钟和SDIO时钟。
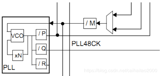
专用PLL(PLLI2S)用于生成精确时钟,从而在I2S接口实现高品质音频性能。这里我们着重看看主PLL时钟第一个高速时钟输出PLLP的计算方法。图2是主PLL的时钟图。

从图2可以看出。主PLL时钟的时钟源要先经过一个分频系数为M的分频器,然后经过倍频系数为N的倍频器出来之后还需要经过一个分频系数为P(第一个输出PLLP)或者Q(第二个输出PLLQ)的分频器分频之后,最后才生成最终的主PLL时钟。
假如我们的外部晶振选择25MHz。同时我们设置相应的分频器M=25,倍频器倍频系数N=336,分频器分频系数P=2,那么主PLL生成的第一个输出高速时钟PLLP为:
PLL=25MHz*N/(M*P)=25MHz*336/(25*2)=168MHz
如果我们选择HSE为PLL时钟源,同时SYSCLK时钟源为PLL,那么SYSCLK时钟为168MHz。这对于我们后面的实验都是采用这样的配置。
上面我们简要概括了STM32F4的时钟源,那么这5个时钟源是怎么给各个外设以及系统提供时钟的呢?这里我们选择一些比较常用的时钟知识来讲解。
图1中我们用A~G标示我们要讲解的地方。
A.这里是看门狗时钟输入。从图中可以看出,看门狗时钟源只能是低速的LSI时钟。
B.这里是RTC时钟源,从图上可以看出,RTC的时钟源可以选择LSI、LSE,以及HSE分频后的时钟,HSE分频系数为2~31。
C.这里是STM32F4输出时钟MCO1和MCO2。MCO1是向芯片的PA8引脚输出时钟。它有四个时钟来源分别为:HSI、LSE、HSE和PLL时钟。MCO2是向芯片的PC9输出时钟,它同样有四个时钟来源分别为:HSE、PLL、SYSCLK以及PLLI2S时钟。MCO输出时钟频率最大不超过100MHz。
D.这里是系统时钟。从图1可以看出,SYSCLK系统时钟来源有三个方面:HSI、HSE和PLL。在我们实际应用中,因为对时钟速度要求都比较高我们才会选用STM32F4这种级别的处理器,所以一般情况下,都是采用PLL作为SYSCLK时钟源。根据前面的计算公式,大家就可以算出你的系统的SYSCLK是多少。
E.这里我们指的是以太网PTP时钟,AHB时钟,APB2高速时钟,APB1低速时钟。这些时钟都是来源于SYSCLK系统时钟。其中以太网PTP时钟是使用系统时钟。AHB、APB2和APB1时钟是经过SYSCLK时钟分频得来。这里大家记住,AHB最大时钟为168MHz,APB2高速时钟最大频率为84MHz,而APB1低速时钟最大频率为42MHz。
F.这里是指I2S时钟源。从图1可以看出,I2S的时钟源来源于PLLI2S或者映射到I2S_CKIN引脚的外部时钟。I2S出于音质的考虑,对时钟精度要求很高。一般都是使用的是内部PLLI2SCLK。
G.这是STM32F4内部以太网MAC时钟的来源。对于MII接口来说,必须向外部PHY芯片提供25Mhz的时钟,这个时钟,可以由PHY芯片外接晶振,或者使用STM32F4的MCO输出来提供。然后,PHY芯片再给STM32F4提供ETH_MII_TX_CLK和ETH_MII_RX_CLK时钟。对于RMII接口来说,外部必须提供50MHz的时钟驱动PHY和STM32F4 ETH_RMII_REF_CLK,这个50MHz时钟可以来自PHY、有源晶振或者 STM32F4 的 MCO。我们的开发板使用的是RMII接口,使用PHY芯片提供50MHz时钟驱动STM32F4的ETH_RMII_REF_CLK。
H.这里是指外部PHY提供的USB OTG HS(60MHZ)时钟。
这里还需要说明一下,Cortex-M4系统定时器SysTick的时钟源可以是AHB时钟HCLK或HCLK的8分频。具体配置请参考Systick定时器配置,我们后面会详细讲解SysTick定时器的使用。
在以上的时钟输出中,有很多是带使能控制的,例如AHB总线时钟、内核时钟、各种APB1外设、APB2外设等等。当需要使用某模块时,记得一定要先使能对应的时钟。
STM32F4时钟初始化配置
上一小节我们对STM32F4时钟树进行了初步的讲解,接下来我们来讲解一下STM32F4的系统时钟配置。
STM32F4时钟系统初始化是在system_stm32f4xx.c中的SystemInit()函数中完成的。对于系统时钟关键寄存器设置主要是在SystemInit()函数中调用SetSysClock()函数来设置的。我们可以先看看SystemInit()函数体:
void SystemInit(void)
{
/* FPU settings ------------------------------------------------------------*/
#if (__FPU_PRESENT == 1) && (__FPU_USED == 1)
SCB->CPACR |= ((3UL << 10*2)|(3UL << 11*2)); /* set CP10 and CP11 Full Access */
#endif
/* Reset the RCC clock configuration to the default reset state ------------*/
/* Set HSION bit */
RCC->CR |= (uint32_t)0x00000001;
/* Reset CFGR register */
RCC->CFGR = 0x00000000;
/* Reset HSEON, CSSON and PLLON bits */
RCC->CR &= (uint32_t)0xFEF6FFFF;
/* Reset PLLCFGR register */
RCC->PLLCFGR = 0x24003010;
/* Reset HSEBYP bit */
RCC->CR &= (uint32_t)0xFFFBFFFF;
/* Disable all interrupts */
RCC->CIR = 0x00000000;
#if defined (DATA_IN_ExtSRAM) || defined (DATA_IN_ExtSDRAM)
SystemInit_ExtMemCtl();
#endif /* DATA_IN_ExtSRAM || DATA_IN_ExtSDRAM */
/* Configure the System clock source, PLL Multiplier and Divider factors,
AHB/APBx prescalers and Flash settings ----------------------------------*/
SetSysClock();
/* Configure the Vector Table location add offset address ------------------*/
#ifdef VECT_TAB_SRAM
SCB->VTOR = SRAM_BASE | VECT_TAB_OFFSET; /* Vector Table Relocation in Internal
SRAM */
#else
SCB->VTOR = FLASH_BASE | VECT_TAB_OFFSET; /* Vector Table Relocation in
Internal FLASH */
#endif
}
SystemInit()函数开始先进行浮点运算单元设置,然后是复位PLLCFGR、CFGR寄存器,同时通过设置CR寄存器的HSI时钟使能位来打开HSI时钟。默认情况下如果CFGR寄存器复位,那么是选择HSI作为系统时钟,这点大家可以查看RCC->CFGR寄存器的位描述最低2位可以得知,当低两位配置为00的时候(复位之后),会选择HSI振荡器为系统时钟;也就是说,调用SystemInit()函数之后,首先是选择HSI作为系统时钟。下面是RCC->CFGR寄存器的位1:0配置描述(CFGR寄存器详细描述请参考《STM32F4 中文参考手册》6.3.31 CFGR寄存器配置表)如下表1:

在设置完相关寄存器后,接下来SystemInit()函数内部会调用SetSysClock()函数。这个函数比较长,我们就把函数一些关键代码行截取出来给大家讲解一下。这里我们省略一些宏定义标识符值的判断而直接把针对STM32F407比较重要的内容贴出来:
static void SetSysClock(void)
{
__IO uint32_t StartUpCounter = 0, HSEStatus = 0;
/*使能HSE*/
RCC->CR |= ((uint32_t)RCC_CR_HSEON);
/* 等待HSE稳定*/
do
{
HSEStatus = RCC->CR & RCC_CR_HSERDY;
StartUpCounter++;
} while((HSEStatus == 0) && (StartUpCounter != HSE_STARTUP_TIMEOUT));
if ((RCC->CR & RCC_CR_HSERDY) != RESET)
{
HSEStatus = (uint32_t)0x01;
} else {
HSEStatus = (uint32_t)0x00;
}
if (HSEStatus == (uint32_t)0x01)
{
/* Select regulator voltage output Scale 1 mode */
RCC->APB1ENR |= RCC_APB1ENR_PWREN;
PWR->CR |= PWR_CR_VOS;
/* HCLK = SYSCLK / 1*/
RCC->CFGR |= RCC_CFGR_HPRE_DIV1;
/* PCLK2 = HCLK / 2*/
RCC->CFGR |= RCC_CFGR_PPRE2_DIV2;
/* PCLK1 = HCLK / 4*/
RCC->CFGR |= RCC_CFGR_PPRE1_DIV4;
/* Configure the main PLL */
RCC->PLLCFGR = PLL_M | (PLL_N << 6) | (((PLL_P >> 1) -1) << 16) |
(RCC_PLLCFGR_PLLSRC_HSE) | (PLL_Q << 24);
/* 使能主PLL*/
RCC->CR |= RCC_CR_PLLON;
/* 等待主PLL就绪 */
while((RCC->CR & RCC_CR_PLLRDY) == 0) {}
/* Configure Flash prefetch, Instruction cache, Data cache and wait state */
FLASH->ACR = FLASH_ACR_PRFTEN | FLASH_ACR_ICEN
|FLASH_ACR_DCEN |FLASH_ACR_LATENCY_5WS;
/* 设置主PLL时钟为系统时钟源 */
RCC->CFGR &= (uint32_t)((uint32_t)~(RCC_CFGR_SW));
RCC->CFGR |= RCC_CFGR_SW_PLL;
/* 等待设置稳定(主PLL作为系统时钟源) */
while ((RCC->CFGR & (uint32_t)RCC_CFGR_SWS ) != RCC_CFGR_SWS_PLL);
{}
}
else
{ /* If HSE fails to start-up, the application will have wrong clock
configuration. User can add here some code to deal with this error */
}
}
这段代码的大致流程是这样的:先使能外部时钟HSE,等待HSE稳定之后,配置AHB、APB1、APB2 时钟相关的分频因子,也就是相关外设的时钟。等待这些都配置完成之后,打开主PLL时钟,然后设置主PLL作为系统时钟SYSCLK时钟源。如果HSE不能达到就绪状态(比如外部晶振不能稳定或者没有外部晶振),那么依然会是HSI作为系统时钟。
在这里要特别提出来,在设置主PLL时钟的时候,会要设置一系列的分频系数和倍频系数参数。大家可以从SetSysClock()函数的这行代码看出:
RCC->PLLCFGR=PLL_M|(PLL_N<<6)|(((PLL_P>>1) -1) << 16) | (RCC_PLLCFGR_PLLSRC_HSE) | (PLL_Q << 24);
这些参数是通过宏定义标识符的值来设置的。默认的配置在System_stm32f4xx.c文件开头的地方配置。我们可以设置参数值如下:
#define PLL_M 25
#define PLL_Q 7
#define PLL_N 336
#define PLL_P 2
所以我们的主PLL时钟为:
PLL=8MHz*N/(M*P)=25MHz*336/(25*2)=168MHz
在开发过程中,我们可以通过调整这些值来设置我们的系统时钟。
这里还有个特别需要注意的地方,就是我们还要同步修改stm32f4xx.h中宏定义标识符HSE_VALUE 的值为我们的外部时钟:
#if !defined (HSE_VALUE)
#define HSE_VALUE ((uint32_t)25000000) /*!< Value of the External oscillator in Hz */
#endif /* HSE_VALUE */
这里默认固件库配置的是25000000,在实际开发过程中根据外接晶振时钟频率进行修改即可。
讲到这里,大家对SystemInit()函数的流程会有个比较清晰的理解。那么SystemInit()函数是怎么被系统调用的呢?SystemInit()是整个设置系统时钟的入口函数。这个函数对于我们使用ST提供的STM32F4固件库的话,这个过程设置是在启动文件startup_stm32f40_41xxx.s中间设置的,我们接下来看看启动文件中这段启动代码:
; Reset handler
Reset_Handler PROC
EXPORT Reset_Handler [WEAK]
IMPORT SystemInit
IMPORT __main
LDR R0, =SystemInit
BLX R0
LDR R0, =__main
BX R0
ENDP
这段代码的作用是在系统复位之后引导进入main()函数,同时在进入main()函数之前,首先要调用SystemInit()系统初始化函数完成系统时钟等相关配置。
最后我们总结一下SystemInit()函数中设置的系统时钟大小:
SYSCLK(系统时钟) =168MHz
AHB总线时钟(HCLK=SYSCLK) =168MHz
APB1总线时钟(PCLK1=SYSCLK/4) =42MHz
APB2总线时钟(PCLK2=SYSCLK/2) =84MHz
PLL主时钟 =168MHz
STM32F4时钟使能和配置
上小节我们讲解了系统复位之后调用SystemInit()函数之后相关时钟的默认配置。如果在系统初始化之后,我们还需要修改某些时钟源配置,或者我们要使能相关外设的时钟该怎么设置呢?这些设置实际是在RCC相关寄存器中配置的。因为RCC相关寄存器非常多,有兴趣的同学可以直接打开《STM32F4中文参考手册》6.3小节查看所有RCC相关寄存器的配置。所以这里我们不直接讲解寄存器配置,而是通过STM32F4标准固件库配置方法给大家讲解。
在STM32F4标准固件库里,时钟源的选择以及时钟使能等函数都是在RCC相关固件库文件stm32f4xx_rcc.h和stm32f4xx_rcc.c中声明和定义的。大家打开stm32f4xx_rcc.h文件可以看到文件开头有很多宏定义标识符,然后是一系列时钟配置和时钟使能函数申明。这些函数大致可以归结为三类,一类是外设时钟使能函数,一类是时钟源和分频因子配置函数,还有一类是外设复位函数。当然还有几个获取时钟源配置的函数。下面我们以几种常见的操作来简要介绍一下这些库函数的使用。
首先是时钟使能函数。时钟使能相关函数包括外设设置使能和时钟源使能两类。首先我们来看看外设时钟使能相关的函数:
void RCC_AHB1PeriphClockCmd(uint32_t RCC_AHB1Periph, FunctionalState NewState);
void RCC_AHB2PeriphClockCmd(uint32_t RCC_AHB2Periph, FunctionalState NewState);
void RCC_AHB3PeriphClockCmd(uint32_t RCC_AHB3Periph, FunctionalState NewState);
void RCC_APB1PeriphClockCmd(uint32_t RCC_APB1Periph, FunctionalState NewState);
void RCC_APB2PeriphClockCmd(uint32_t RCC_APB2Periph, FunctionalState NewState);
这里主要有5个外设时钟使能函数。5个函数分别用来使能5个总线下面挂载的外设时钟,这些总线分别为:AHB1总线,AHB2总线,AHB3总线,APB1总线以及APB2总线。要使能某个外设,调用对应的总线外设时钟使能函数即可。
这里我们要特别说明一下,STM32F4的外设在使用之前,必须对时钟进行使能,如果没有使能时钟,那么外设是无法正常工作的。对于哪个外设是挂载在哪个总线之下,虽然我们也可以查手册查询到,但是这里如果大家使用的是库函数的话,实际上是没有必要去查询手册的,这里我们给大家介绍一个小技巧。
比如我们要使能GPIOA,我们只需要在stm32f4xx_rcc.h头文件里面搜索GPIOA,就可以搜索到对应的时钟使能函数的第一个入口参数为RCC_AHB1Periph_GPIOA,从这个宏定义标识符一眼就可以看出,GPIOA是挂载在AHB1下面。同理,对于串口1我们可以搜索USART1,找到标识符为RCC_APB2Periph_USART1,那么很容易知道串口1是挂载在APB2之下。
如果我们要使能GPIOA,那么我们可以在头文件stm32f4xx_rcc.h里面查看到宏定义标识符RCC_AHB1Periph_GPIOA,顾名思义GPIOA是挂载在AHB1总线之下,所以,我们调用AHB1总线下外设时钟使能函数RCC_AHB1PeriphClockCmd即可。具体调用方式入如下:
RCC_AHB1PeriphClockCmd(RCC_AHB1Periph_GPIOA, ENABLE); //使能GPIOA时钟
同理,如果我们要使能串口1的时钟,那么我们调用的函数为:
void RCC_AHB2PeriphClockCmd(uint32_t RCC_AHB1Periph, FunctionalState NewState);
具体的调用方法是:
RCC_APB2PeriphClockCmd(RCC_APB2Periph_USART1, ENABLE);
还有一类时钟使能函数是时钟源使能函数,前面我们已经讲解过STM32F4有5大类时钟源。这里我们列出来几种重要的时钟源使能函数:
void RCC_HSICmd(FunctionalState NewState);
void RCC_LSICmd(FunctionalState NewState);
void RCC_PLLCmd(FunctionalState NewState);
void RCC_PLLI2SCmd(FunctionalState NewState);
void RCC_PLLSAICmd(FunctionalState NewState);
void RCC_RTCCLKCmd(FunctionalState NewState);
史海拾趣
|
自己现在正在做LCD的驱动,因为是第一次搞,没有什么经验,有如下问题:要想使用ti的图形驱动库,我们在要写那些底层的驱动,现在LCD可以刷屏了,但是怎么把下层的驱动和上层的API相结合???ti的图形驱动库里的那个tDisplay的结构里的那些指向画 ...… 查看全部问答> |
|
我有一个GPRS模块,连接PC的COM1,在超级终端上调试过,OK 现在希望能在VS2005中开发一个用GPRS上网的应用程序,在WM6模拟器上跑。 将模拟器的Serial Port0映射为COM1 这个应用程序能否通过Port0(COM1)与GPRS模块通信呢? 模拟器就可以通过GPR ...… 查看全部问答> |
|
各位前辈们 谁用过 sc32442这系列的芯片?很想知道这系列的不同型号有什么区别? 怎么命名的? 各位前辈们 你们谁用过 sc32442这系列的芯片?小弟要用这颗料做个手持设备 发现有很多型号 SC32442BL-33 SC32442B43-7080 SC32442B54 SC32442AL-43S SC32442AL-45 SC32442XL-31 SC32442X33-7080 SC32442X31-7080 SC32442AL-33 SC32442A4 ...… 查看全部问答> |
|
芯片ir34202,irf网站上没找到datasheet,百度上能搜到该芯片,盼望哪位仁兄帮忙发个datasheet,多谢~~~ 芯片ir34202,irf网站上没找到datasheet,百度上能搜到该芯片,盼望哪位仁兄帮忙发个datasheet,多谢~~~… 查看全部问答> |
|
硬件工程师或公司在研发或生产时,有些器件找不到,该怎么办? 特别是日本的一些公司,在中国的代理商很难找, 所以我建议大家将自己想要知道的 和已经知道的且可以告诉大家的讲出来吧 我现在想知道nichicon的全国各地的代理商 ...… 查看全部问答> |
|
LM3s8962 + vs1003 VS1003 特性: ●能解码 MPEG 1 和 MPEG2 音频 层 III(CBR+VBR+ABR);WMA 4.0/4.1/7/8/9 5-384kbps 所有流文WAV(PCM+IMA AD-PC ...… 查看全部问答> |




