历史上的今天
今天是:2025年03月24日(星期一)
2020年03月24日 | 技术文章—基于泰克MSO64的全新瞬态分析技术
2020-03-24 来源:EEworld
泰克新一代示波器MSO64采用全新TEK049平台,不仅实现了4通道同时打开时25GS/s的高采样率,而且实现了硬件12-bit高垂直分辨率。同时,由于采用了新型低噪声前端放大ASIC—TEK061,大大降低了噪声水平,在1mv/div时,实测的本底噪声RSM值只有58uV,远远低于市场同类示波器。这些特性都是MSO64频谱模式——Spectrum View获得高动态、低噪底的强有力保证。
近日Spectrum View又新增了RF_vs_Time Waveform测试功能,使用该功能可以分析信号的瞬态变化过程,包括信号幅度、频率和相位的瞬态变化趋势,因此通常将其称为信号的瞬态过程分析。典型的信号瞬态过程分析应用场景包括:脉冲信号包络及脉内调制分析、跳频信号分析、PLL频率锁定时间测试、RF开关切换时间测试、脉冲调制器上升时间测试、RF Module及模拟IQ调制器绝对时延测试等。本文将重点介绍瞬态分析功能在脉冲、跳频及PLL频率锁定时间测试中的应用。

图1. MSO64采用全新TEK049平台和超低噪声前端TEK061
瞬态过程分析基础
信号的瞬态过程分析,实际就是信号的三要素——幅度、频率和相位随时间的变化过程分析,不同的信号关注的参数不同,比如跳频信号尤为关注频率的变化规律,脉冲信号比较关注信号包络及其时间参数等。但无论关注什么参数,总要先得到幅度、频率和相位的波形。Spectrum View是如何得到这些波形的呢?
Spectrum View采用了图2所示的DDC (数字下变频)架构,经对原始采样点处理,可以得到信号的数字IQ数据,信号幅度、频率和相位特征均包含于IQ数据中。每一组IQ样点对应的幅度、频率和相位时,便可以得到它们随时间的变化趋势,从而完成信号瞬态过程的分析。

图2. 数字下变频后得到IQ数据
瞬态过程分析应用场景
(1) 脉冲及跳频信号测试
对于从事射频脉冲信号分析测试的工程师而言,通常都要测试脉冲的上升/下降时间、脉宽及周期等时间参数,以及脉内功率平均值及最大值。只有得到射频脉冲信号的包络后,才能更加方便地进行这些参数的测试。过去通常使用一个外部包络检波器,提取包络后再使用示波器测试。采用Spectrum View的瞬态分析功能,无需任何外部附件,即可轻松得到信号的包络,图3所示的“C1-M”曲线即为包络。
值得一提的是,示波器的自动测量功能也可以应用于时域包络,从而自动完成脉冲信号时间参数及功率参数的测试,而不再需要使用光标测试,从而提高了测试精度。现代雷达越来越多的采用脉冲压缩技术,以保证探测距离的同时,提高距离分辨率,其中以线性调频脉冲(chirp pulse)多见。线性调频脉冲信号的测试,除了要观测上述的时间和功率参数,还要对脉内的频率调制作解调分析,以检验调频带宽、调频斜率及线性度。在Spectrum View的瞬态模式下,可以完成解调分析,如图3所示的“C1-f”曲线,并支持测试结果的保存,以作进一步的分析。

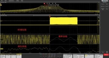
图3. RF Chirp Pulse的频谱、波形、包络、频率及相位曲线
类似地,Spectrum View还可以应用于跳频信号的分析,观测的依然是频率解调曲线。得到跳频图案后,可以进一步分析每个频点的驻留时间以及相邻频点之间的切换时间等参数。

图4. Spectrum View的瞬态模式可以直接解调出跳频图案
(2) PLL频率锁定时间测试
基于PLL技术的频率综合器应用极其广泛,无论是通信还是雷达系统中,PLL频综都是必不可少的。因为PLL频综具有非常高的频率稳定度,相噪性能非常优异,这些都是保证通信和雷达系统性能的重要因素。PLL是一个负反馈控制系统,图5给出了简要架构示意图,从闭环传输特性看,PLL具有一定的环路带 宽,这主要取决于环路上的低通滤波器——Loop filter。环路带宽不仅决定了输出信号的相噪性能,而且也决定了PLL锁定的速度。相噪性能和锁定速度是PLL频综开发工程师必须要折中考虑的两个参数,因此在调试阶段也是必测的两个参数。

图5. PLL频率综合器架构示意图
对于锁定时间的测试,传统测试方法是直接将PLL输出的射频信号馈入频谱仪,然后在zero span模式下设置触发观测射频信号的包络。但是这种方式有两个缺点:① 以触发位置为时间参考点,而PLL在触发时刻之前已经开始工作,无法准确标定锁定时间;② 由于这种方法是从包络上判定是否锁定完成,测试误差会很大。因为信号的包络与频谱仪设置的RBW关系很大,存在这样的情况——即使频率没有完全锁定,但是信号依然可以完全通过RBW filter,从而得到正常的包络信号。此时,标定的锁定时间会偏小,而不能正确反映PLL的性能。
使用Spectrum View的瞬态分析功能可以轻而易举地解决这个问题,测试连接如图6所示,待测PLL电路除了将射频输出连接至示波器之外,同时提供一路同步触发信号,以此作为时间基准。在瞬态分析模式下,调出Frequency_vs_Time波形,当频率锁定后,接近一条直线,观测在哪个时刻频率锁定成功 (比如,定义频率误差在标称频率的±5%以内即认为锁定成功),从而准确测试锁定时间。

图6. PLL频率锁定时间测试连接示意图

图7. PLL频率锁定时间实测结果
(3) 射频开关切换时间测试
作为射频电路中常用的器件,开关通常用于多个射频链路之间的切换,从而实现分时工作。比如智能手机基本都支持多种无线通信制式,各种制式之间的切换就是通过射频前端的开关实现的。这类射频开关为单刀多掷开关,通常除了关注开关的插损、隔离度、驻波比等参数外,还要关注开关的切换时间,以保证各个链路之间严格的时序关系。
如何测试开关的切换时间呢?图8给出了测试连接示意图,示波器是整个测试的核心设备,此外还需要一台信号源,用于给开关提供射频激励信号。测试过程中,信号源提供CW信号馈入开关,控制电路在控制开关切换的同时,也给示波器提供一路触发信号作为时间参考。为了准确测试切换时间,需要得到开关输出的射频信号的包络,在示波器侧通过比较外触发信号与包络信号之间的延迟,便可以确定切换时间。
示波器通常借助于外部的包络检波器测试信号包络,但是这会引入额外的时延,从而影响测试精度。相比之下,Spectrum View可以直接显示射频信号包络 (Magnitude_vs_Time),测试更准确、应用更方便。

图8. 射频开关切换时间测试连接示意图
(4) 脉冲调制器上升时间测试
脉冲调制器是脉冲体制雷达系统中的关键部件,可经外部控制产生具有快速上升/下降沿及高开关比的射频脉冲信号。脉冲调制器往往采用单刀单掷射频开关实现,其决定了能够产生的射频脉冲的上升/下降时间及开关比。实际应用中,往往希望能够产生边沿尽量快的射频脉冲,这样才能够生成更窄的脉冲,提高距离分辨率。
值得一提的是,虽然射频开关可以当做脉冲调制器,但是其上升时间并不是前面介绍的切换时间。开关的切换时间受限于其控制电路的响应时间,而上升时间则取决于开关支持的带宽。
脉冲调制器上升时间测试连接如图4所示,系统需要提供射频CW信号和用于控制调制器的基带脉冲信号。为了能够准确测试上升时间,推荐使用一台任意波信号发生器 (AWG) 产生基带脉冲信号,因为AWG的带宽足够大,所产生的脉冲信号上升时间远远小于脉冲调制器的上升时间。
CW信号经过脉冲调制器转换为射频脉冲信号,然后馈入示波器进行测试。在Spectrum View模式下,直接调出“Magnitude_vs_Time”,使用示波器的自动测量功能便可以精确测出10%~90%或者20%~80%的上升时间。

图9. 脉冲调制器上升时间测试连接示意图
(5) RF module绝对时延测试
在一些相参多通道应用场合,为了保证各通道之间的时间同步性,对通道上射频模块 / 部件的绝对时延提出了较高要求,比如功率放大器 、上下变频器、模拟IQ调制器等,因此需要对这些模块的绝对时延进行标定。
众所周知,矢量网络分析仪具有测试群时延 (Group delay) 的功能,但是群时延并不是绝对时延。只有当相频特性呈现理想线性关系时,群时延才是绝对时延。显然,这种理想器件是不存在的。而且实际测试中除了关注绝对时延,可能还会涉及到射频脉冲信号经过这类器件后的上升/下降时间等参数测试,因此,示波器是这类测试的理想选择。
绝对时延测试过程中,系统给待测件馈入一个射频脉冲信号,同时输出一路同步触发信号作为时间参考,在Spectrum View模式下调出脉冲信号的包络后,使用示波器的自动测量功能便可以确定绝对时延。对于高带宽应用场合,通道所采用的也都是宽带射频模块,为了能够测试这种场合下的参数,建议测试时也采用宽带信号,图10便采用了泰克公司的任意波信号发生器提供高带宽的线性调频脉冲信号。

图10. 射频模块绝对时延测试连接示意图
模拟IQ调制器的绝对时延测试,与上述测试方法类似,只是需要给待测件提供模拟I信号和Q信号,测试连接如图11所示。为了准确测试时延,依然采用射频脉冲信号。最简单的射频脉冲在脉内是恒定的载波,对应的基带IQ信号只有I路有信号,Q路信号为0。测试时建议采用线性调频脉冲信号,I和Q路均有信号,可以使得调制器的I和Q两个支路分别工作起来,以模拟其真实工作状态。
与功率放大器等射频模块的绝对时延测试类似,模拟IQ调制器的时延测试也需要时间基准信号,由图11中所示的任意波信号发生器提供。Spectrum View测出射频脉冲信号的包络后,使用自动测量功能便可以测出包络信号与基准信号之间的时间差,从而精确标定绝对时延,图12给出了模拟IQ调制器时延的实测结果。

图11. 模拟IQ调制器绝对时延测试连接示意图

图12. 模拟IQ调制器绝对时延实测结果
史海拾趣
|
请问在wince里怎样用wifi发送特定数据 有人说就是socket编程,我没想明白,难道系统会自动调用wifi? 还请各位前辈指点迷津!… 查看全部问答> |
|
想学习一下AD,打算仿真做一个数字电压表,测量0~5V输出0~255,通过数码管显示,AD用的0809,模拟输入采用一个1K滑动变阻器连接到IN0(不知道这种做法是否可行?)现在的问题是,改变滑动变阻器的值,数码管的值有变化,但是并不是有规律地增大或 ...… 查看全部问答> |
|
小弟在研究硬盘电机的驱动,我曾试过用小功率管9013,8050,8550等等来搭成达林顿管子,但是驱动电机的时候发热严重,而且明显有气无力...虽然能转...在网上找了很久,想用场效管IRF540N来驱动,但是不知道电路如何搭建...求各位高手,走过路过的能 ...… 查看全部问答> |
|
针对beaglebone 扩展板,进行Linux驱动的调试! 好久没有发帖子了!今天来分享一下针对beaglebone 扩展板,进行Linux驱动的调试吧! 第二次修正beaglebone板子的外围电路还是比较顺利的! 具体编译内核的过程就不在介绍了!论坛里有很多人写了这方面的教程,Ti官方的文档也提供了较为全面的编译 ...… 查看全部问答> |
|
都到这个点了,真的好瞌睡啊,希望这个文档能对初学的人带来帮助 我也是磕磕绊绊好几周才弄懂了整个开发的流程,希望初学的人来看 看我这篇文档,在开发中少走弯路,不走弯路 我是西安电子科技大学测控技术与仪器专业的学生,欢迎交流,共同进步 ...… 查看全部问答> |
|
晒设计方案+MDK5.0下新建STM32F429i工程步步入门 晒设计方案+MDK5.0下新建STM32F429i工程步步入门 环境说明:1 Keil uVision52 STM32F429I-Discovery_FW_V1.0.1 一 工作目录路径1 在STM32F429I-Discovery_FW_V1.0.1目录下新建自己的总工程文件夹”My_Projects”. 2 为第一个工程试验新建文件夹 ...… 查看全部问答> |




