历史上的今天
今天是:2025年03月31日(星期一)
2020年03月31日 | MSP430使用指南5 -> ICC中断控制器
2020-03-31 来源:eefocus
ICC,即Interrupt Compare Controller,中断比较控制器,作用便是设定中断优先级,同时通过比较中断优先级等实现中断的硬件嵌套。
首先普及一下MSP430的中断系统,大部分的MSP430 MCU中断优先级是不能设置的,也就是说对于每一个中断源的优先级是体现设定好的,不支持后期用户自动设置,因此可以说如果正在执行低优先级的程序,突然来了一个高的优先级中断,是可以打断低优先级的服务程序的,但是前提是进入低优先级中断服务程序时开启了全局中断即GIE。但是如果高优先级中断正在执行服务程序,来了一个低优先级的中断,那么只能等待高优先级中断服务程序执行完之后,才可以去执行低优先级的中断服务程序,这样也就是说不能灵活实现中断的嵌套。
ICC模块就是为了解决这个问题而出现的,即可以通过寄存器配置,来实现低优先级的中断打断高优先级的中断,这就需要比较电路了,ICC内部就是这个原理,内部结构如下图所示:
目前到2019年低为止,MSP430 MCU(16bit)只有四款含有ICC模块:MSP430FR3153,MSP430FR2155, MSP430FR2353, MSP430FR2355。

下面再简单的描述一下中断嵌套的含义,如下图所示,ISR2优先级高于ISR1,那么在正在只从ISR1程序时,遇到ISR2时,则会先把ISR1暂停一下,去执行ISR2,当ISR2执行完之后,返回再接着执行ISR1。

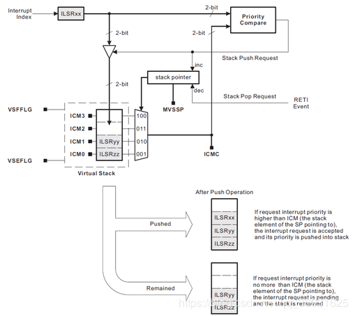
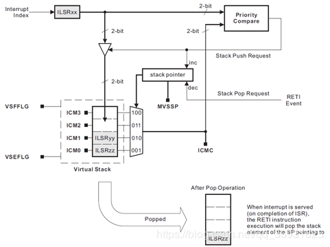
而MCU时如何实现去执行另一个程序,执行完之后再返回原本的点执行程序的呢?如下图所示,这个就类似与中断向量即堆栈,分为Push和Pop,首先当正在执行ISR1时,遇到了ISR2中断,那么MCU会把ISR1当前执行的程序地址推入堆栈保存起来,然后把ISR2的中断向量填入PC指针,去执行ISR2的程序,当ISR2程序执行完后,再从堆栈中读出当时保存的ISR1执行的程序地址,然后接着执行。
入栈如下图所示:

出栈如下图所示:

下面介绍一下ICC相关的寄存器,比较简单,因为你会发现,核心的两个寄存器,只有一位是读写的,其他都是只读寄存器,先附上所有寄存器的信息:

从上图可以看到,寄存器可以归为三个:ICCSC,ICCMVS,ICCILSRx。
ICCSC,ICC控制寄存器

你会发现,这个寄存器里,只有一位ICCEN(使能ICC功能寄存器)是支持读写操作的,其他的均为只读位,VSEFLG是堆栈标志位,可以通过观察此位的值来查看是否产生了ICC中断嵌套,因为出现嵌套的话,肯定会存在Push和Pop操作。
VSFLG位(这个User guide中标错了,应该是VSFLG而不是VSEFLG),这个是标注着ICCMVS寄存器中的MVSSP是否满了,也就是堆栈是否存满了。
ICMC则是当前比较的中断的设置优先级。(注意:这里的设置优先级不是默认的那个什么59 60之类的数,是通过ICCILSRx寄存器设定的,可以设定四个优先级,因为只有两位,具体见ICCILSRx寄存器配置)。
ICCMVS 可屏蔽中断堆栈寄存器


这个寄存器里面所有的位均为制度寄存器,其实就是存储着:当前堆栈了几个中断,然后ICM0-ICM3是比较位,也就是当前参与中断比较的这四位分别是谁而已。不需要用户设置,在调试中可能会使用。
ICCILSRx 中断优先级寄存器

ICCILSRx中断优先级寄存器有8个,每个寄存器里可以配置8个中断源,因此总共可以配置64个中断源,每个中断源对应那个资源的中断请查看每个芯片的datasheet,如下图所示是MSP430FR2355的中断源对应表:


OK,在功能和寄存器都描述完之后,我们来看一下使用过程中需要注意哪些点,或者说我们应该怎么正确的使用ICC资源。
下图是在Main函数中使用ICC的流程:

需要注意的是ICC使能和GIE使能的顺序即失能的顺序,即可以理解为,在使能或者失能ICC中断时,均要处于全局中断失能的状态下(即GIE=0),如下图所示,图中Disable ICC处有点错误,我已经标明:

另外为了保证ICC功能的稳定正常运行,强烈建议用户在进入中断服务程序后使能GIE中断,因为在执行一个中断服务程序时,需要打开整体的中断使能,这样才能允许其他中断产生,从而才不会阻挡中断嵌套的功能,流程如下图所示:

最后附上使能ICC和失能ICC的程序:
ICC使能 Enable ICC Code Example:
//---------------------------------------------------------------------------------------
// Initializing and Enabling ICC
//---------------------------------------------------------------------------------------
void ICC_init (void)
{
// disable global interrupt
__bic_SR_register(GIE);
// setting customized interrupt priorities.
ICCILSR0 = 0xFFFF;
ICCILSR1 = 0xFFFF;
ICCILSR2 = 0xFFFF;
ICCILSR3 = 0xFFFC;
// enable ICC module
ICCSC |= ICCEN;
// enable global interrupt
__bis_SR_register(GIE);
}
ICC失能 Disable ICC Code Example:
//---------------------------------------------------------------------------------------
// Disabling ICC
//---------------------------------------------------------------------------------------
void ICC_disable (void)
{
// disable global interrupt
__bic_SR_register(GIE);
// enable ICC module
ICCSC &= ~ICCEN;
// enable global interrupt
__bis_SR_register(GIE);
}
史海拾趣
|
1、功率( W ): 相对 1 瓦( Watts )的线性水准。例如,WiFi 无线网卡的发射功率通常为 0.036W ,或者说36mW 。 2、增益( dBm ):相对 1 毫瓦( milliwatt )的比例水准。例如 WiFi 无线网卡的发射 增益 为 15.56dBm 。 两种表达方式可以互相 ...… 查看全部问答> |
|
打开一个QuartusII工程后首先进行对其设置,如下图 Step1:Settings->EDA Tool Settings->Tool name选择ModelSim Step2:Tool name下的复选框选上,并在下面选择语言(VHDL或Verilog) Step3:在主菜单的Tools下选择Options...项 Step4:在如 ...… 查看全部问答> |
|
link后的信息为: 3 474 bytes of CODE memory 121 bytes of DATA memory (+ 21 absolute ) 1 796 bytes of CONST memory 烧录进去后 结果不正确 现象异常 用的是2K RAM 64K FLASH 是不是程序太大了?请教各位。… 查看全部问答> |
|
哪位大哥有单独AD9854的空板PCB啊,因为芯片自个有了!所以不要集成了芯片的模块(不要带有单片机集成在板子上),小弟想要购买一个板子。可加QQ:960071627… 查看全部问答> |
|
TQ2440 linux PDA 源码(adc,beep,button,colour,gps,led,输入法库) 这里提供的是TQ2440 linuxPDA源码,包括adc,beep,button,colour,gps,led,输入法库,需要的可以下载。广州天嵌提供学习源码,供嵌入式学习爱好者参考,授人以渔,共同学习。… 查看全部问答> |
|
看别人做的无线供电,你不羡慕么?、可是复杂的电路找不到的元器件是不是打消了你的DIY的心!!别灰心今天就教你做最简单的无线输电。所谓的无线充电是指利用电磁波感应原理进行充电的设备,原理类似于变压器。在发送和接收端各有一个线圈,发送端 ...… 查看全部问答> |
|
本帖最后由 dontium 于 2015-1-23 11:09 编辑 锤子手机的参数,相信大家都清楚了,采用4.95寸1080P屏幕,高通骁龙801 2.5GHz处理器,2G Ram,eMMC 5.0闪存,后置1300万像素摄像头(索尼IMX214),前置500万像素(OV5648),采用美国德州仪器发烧级 ...… 查看全部问答> |




