历史上的今天
今天是:2025年04月15日(星期二)
2020年04月15日 | S3C2440 ARM芯片时钟体系
2020-04-15 来源:eefocus


S3C2440A 中的时钟控制逻辑可以产生必须的时钟信号,包括 CPU 的 FCLK,AHB 总线外设的 HCLK 以及APB 总线外设的 PCLK。S3C2440A 包含两个锁相环(PLL):一个提供给 FCLK、HCLK 和 PCLK,另一个专用于USB 模块(48MHz)。
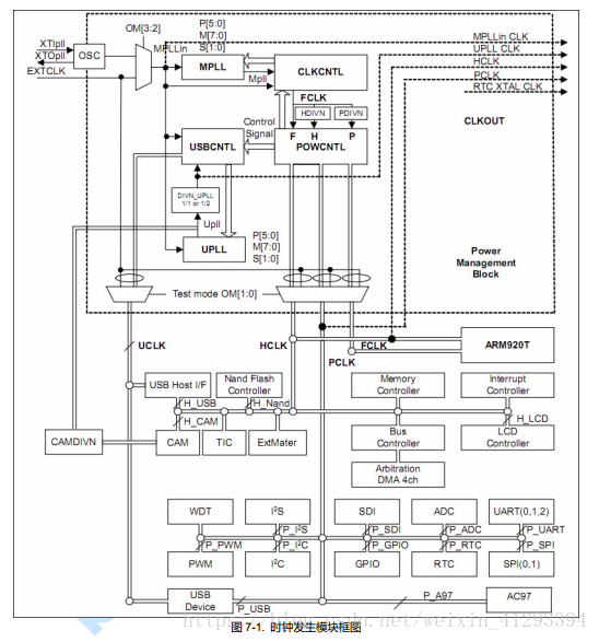
图 7-1 显示了时钟结构的方框图。主时钟源来自一个外部晶振(XTIpll)或外部时钟(EXTCLK)。时钟发生包含了一个连接到外部晶振的振荡器(震荡放大器),还含有 S3C2440A 所必须的两个用于产生高频率时钟的 PLL(锁相环)。
时钟源选择
表 7-1 显示了模式控制引脚(OM3 和 OM2)的组合关系的并为 S3C2440A 选择时钟源。nRESET 的上升沿时参考 OM3 和 OM2 引脚将 OM[3:2]的状态在内部锁定。
表 7-1. 引导启动(Boot-Up)时时钟源的选择
表 7-1. 引导启动(Boot-Up)时时钟源的选择


时钟控制逻辑
时钟控制逻辑决定使用的时钟源,即使用 PLL 时钟(Mpll)或直接使用外部时钟(XTIpll 或 EXTCLK)。当配置了PLL 为一个新频率值时,时钟控制逻辑先禁止 FCLK,直至使用 PLL 锁定时间使 PLL 稳定输出。时钟控制逻辑在上电复位时和从掉电模式中唤醒时同样是激活的。
上电复位(XTIpll)
上图显示了上电复位期间时钟行为顺序。晶振在若干毫秒内开始振荡。当在 OSC(XTIpll)时钟稳定后释放nRESET,PLL 开始按默认 PLL 配置运行。但是通常认为上电复位后的 PLL 是不稳定的,因此在软件重新配置PLLCON 寄存器之前 Fin 代替 Mpll(PLL 输出)直接提供给 FCLK。即使用户不希望在复位后改变 PLLCON 寄存器的默认值,用户还是应该用软件写入相同的值到 PLLCON 寄存器中。只有置 PLL 为一个新频率后,PLL 会开始锁定连续逼近新频率。可以在锁定时间后立即配置 FCLK 为 PLL 输出(Mpll)。
FCLK,HCLK 和 PCLK
FCLK 是提供给 ARM920T 的时钟。
HCLK 是提供给用于 ARM920T,存储器控制器,中断控制器,LCD 控制器,DMA 和 USB 主机模块的 AHB总线的时钟。
PCLK 是提供给用于外设如 WDT,IIS,I2C,PWM 定时器,MMC/SD 接口,ADC,UART,GPIO,RTC 和SPI 的 APB 总线的时钟。
S3C2440A 还支持对 FCLK、HCLK 和 PCLK 之间分频比例的选择。该比例由 CLKDIVN 控制寄存器中的 HDIVN和 PDIVN 所决定
1.锁定时间计数寄存器(LOCKTIME)(使用默认值)

2.PLL 控制寄存器(MPLLCON 和 UPLLCON) (用于设置FCLK与Fin的倍数)


MPLL 控制寄存器
Mpll = ( 2 × m × Fin ) / ( p × 2s )
m = ( MDIV + 8 ), p = ( PDIV + 2 ), s = SDIV
3.时钟分频控制(CLKDIVN)寄存器 (用于设置FCLK/HCLK/PCLK三者的比例)
史海拾趣
|
Please submit your Resume to China.Recruiting@lsi.com 1) Analog Design Engineer D ...… 查看全部问答> |
|
MAX1898电源管理芯片,要搭在面包板上,但是这个太小了,网上说的飞线方法根本不可能 实现,然后就是单独做个贴片转直插的PCB,老板娘开价40。。。。。 问题1 哪位好心大侠教导一下,有没有其它的方式把它稳当的焊住? 问题2 这个是什么型号的封 ...… 查看全部问答> |
|
1:你认为系统最难的是哪个部分2:你是怎么划分任务的3:任务间的同步你是怎么处理的 ucos大家都很熟悉,那么在使用过程中你遇到什么问题了,那么在这里大家可以一同讨论一下!基本上大多数人前期会把精力放到移植上,我认为在开始学习的时候不要 ...… 查看全部问答> |
|
VS2005/WinCE6.0/6410 定置WinCE内核时,LCD屏的大小(如:2.7寸,3.5寸,7寸, 320X240, 800X480)在什么地方设置 VS2005/WinCE6.0/6410 定置WinCE内核时,LCD屏的大小(如:2.7寸,3.5寸,7寸, 320X240, 800X480)在什么地方设置? 是在BSP中直接改代码吗?… 查看全部问答> |
|
我来报个名 公司:郑州弘毅电子技术有限公司 徐金荣 地址:郑州高新技术产业开发区玉兰街5号>邮编:450001电话:+86 (0371) 67998610传真:+86 (0371) 67998602网址:www.hongyiinc.com Email:MSN686@hotmail.com… 查看全部问答> |
|
看门狗定时器实际上是一个特殊的定时器,它的的功能是当程序运行发生故障时序时能使系统从新启动。其原理就是发生的故障的时间满足规定的定时时间后,产生一个非屏蔽中断,使系统的复位。这样当在调试程序或预计程序运行在某段内部可能瞬时发生时序 ...… 查看全部问答> |




