历史上的今天
今天是:2024年09月15日(星期日)
2020年09月15日 | 采用MSP430F413单片机进行电子纸驱动低功耗的设计
2020-09-15 来源:elecfans
1 引言
电子纸(ePaper)是新一代的显示装置,其对比度超高,超低功耗,超薄,而且可以任意弯曲折叠,柔韧性良好。MSP430系列单片机是美国德州仪器(TI)1996年开始推向市场的一种16位超低功耗的混合信号处理器(Mixed Signal Processor)。称之为混合信号处理器,主要是由于其针对实际应用需求,把许多模拟电路、数字电路和微处理器集成在一个芯片上,以提供“单片”解决方案。这里介绍新一代显示装置电子纸的硬件驱动与设计,介绍主控制器MSP430微处理器的主要功能,实现电子纸驱动配置的低功耗.给出电子纸显示模块相应的功能子程序。利用其内置的LCDRAM作为显示缓存,I/O模拟时序,充分利用MCU的资源并提高程序的可移植性.完成基于MSP430的电子纸驱动接口的设计方案。
2 电子纸硬件设计
主控制器MSP430F413单片机是一种超低功耗混合信号16位单片机系列,采用16位精简指令系统,125 ns指令周期,大部分指令在一个指令周期内完成,16位寄存器和常数发生器,发挥最高代码效率,而且片内含有硬件乘法器,大大节省运算时间。选用 MSP430F413型单片机,在线系统设计、开发调试及实际应用上都表现出与其他单片机非常明显的优势。
本设计采用E-INK公司段码式电子纸,如图1所示。电子纸是在两层透明软片间夹放带静电的有色小球,两种颜色颗粒、分别带正负不同静电,胶片外面加以正负电极,同性排斥、异性相吸,小球位置移动,点亮某段,图2为电子墨水微胶囊剖面图。电子纸真值表与静态显示液晶模块相类似,分SEG段与TopPlane段,当SEG段和TopPlane段存在一个电势差时,电子纸中的电子墨水就会移动,相应段就会点亮和熄灭。

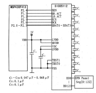
图3为系统硬件连接图,电子纸需要专门的驱动器方可驱动显示,本设计的电子纸驱动器件采用EPSON公司生产的S1C05112,S1C05112内置接口电路和驱动电子纸模块,采用3 V供电,便于与MCU通信。电子纸驱动模块分别与MCU的I/O 口连接。通过I/O模拟电子纸驱动模块时序图。

3 软件设计
软件部分采用模块化的设计思想,把程序化繁为简,便于程序的设计、调试及维护。程序设计中采用了宏定义,便于程序移植。南于电子纸每次显示都必须全部刷新,占用控制器的大部分内存资源,因此设计有效利用其LCD自带RAM。
3.1 电子纸驱动初始化
初始化内容包括电子纸DC-DC转换器设置,片选使能以及时钟信号的输入,为显示刷新做好充分准备,图4为通信时序图。上电顺序依次为LO_ACT.XCS,DD_ACT。


3.2 刷新显示电子纸
该函数读取LCDRAM中的数据,通过查询LCDRAM中的数据然后直接送到I/O端口,电子纸驱动器件获取显示数据后刷新电子纸。其相关程序代码如下:

3.3 低功耗设计
通过配置电子纸驱动的电源模块将其功耗降至最低,即拉低电子纸驱动的配置位DD_ACT和LO_ACT,电子纸驱动器件处于待机状态。此时电子纸仍可显示,包括掉电时。

4 功耗分析
表1是整个接口的功耗分析,将MCU和S1C05112分为工作和待机两个状态进行分析。

由表1可以看出,整个接口的总待机电流仅为0.2μA,在运算状态也只有240μA,在实际应用中显示刷新的频率不尽相同,240μA是系统工作的极限状态。
随着现代电子技术的发展,电子纸的应用出现急速扩大,应用于超市价格标签、在手机、电子书阅读器。电子纸已成为继液晶与OLED之后便携式电子装置使用的新型显示技术。
史海拾趣
|
急救警报手镯 在人潮涌动的海边玩耍,如果遇到危险,呼救的声音往往会被人声和海浪声淹没。即便有救生员在高塔上时刻监控,危险依旧难以避免。设计师便根据这一情况,推出了这款急救手镯。 … 查看全部问答> |
|
下面是启动的信息: VIVI bootloader 0.1.4 (chris@yangchu.com) (gcc version 2.95.3 20010315 (release) & ...… 查看全部问答> |
|
硬件资源: CPU :ATMEL AVR MEGA64 扩展存储:64kBYTE RAM 通信接口:GSM/GPRS模块,内嵌TCP/IP协议栈,与CPU通过RS232口连接 如有意承接, ...… 查看全部问答> |
|
大学毕业了 工作和嵌入式不相关 所以转让手中的2440开发板给需要的人 版型是mini2440 板子买的时候就标配256M nand flash 免除升级麻烦说句过来人的话给学习arm的人 现在很多新人都追求arm11 因为它可以跑And ...… 查看全部问答> |
|
有关MSP430 LaunchPad的文件资料都是在TI官网上都可以下载。如果你手头有这个板子或者即将有这款板子,我先推荐这两个资料是你初步学习的最好资料。经管都是英文,大家还是要慢慢地适应,学电子这一行都是国外的东西,看英文文档是最习以为常的。我 ...… 查看全部问答> |




