历史上的今天
今天是:2024年11月16日(星期六)
2020年11月16日 | 在轻度混合动力汽车中利用GaN实现双电池管理
2020-11-16 来源:电子产品世界
John Grabowski:安森美半导体电源方案部门的首席应用和市场工程师,部门位于美国密歇根州安阿伯市。John Grabowski于2007年加入安森美半导体,此前他曾在福特汽车公司研究实验室工作30年。他一直从事电路和软件设计,应用于电气、混合动力汽车和汽车动力总成系统。最近,他的团队积极推动将高功率半导体应用于汽车电子化。

引言
为应对气候变化,汽车减排降油耗势在必行。如今,许多国家/地区的法律强制要求汽车制造商做出这些改变。为实现这一目标,其中一种方式就是采用混合动力,即在汽油或柴油车辆的传动链中添加一个由第二个电池驱动的电动机。
传统的电子化采用一个高压电池,电压通常在300~400 V之间的,耦合至高性能电动机。这些“全混合动力”汽车可显著提高燃油效率,但也会大大增加成本和车身重量。而“插电式”混合动力汽车,即电池通过交流电源插座充电,也具有类似的缺点。
一种替代方案是“轻度混合动力汽车”(MHEV),它采用48 V小型电池驱动电动机,既可以实现更快的加速和更大的低端扭矩,同时仍能提高燃油经济性,并且只会适度提高成本和复杂度。轻度混合动力系统的优势备受广大消费者的青睐,据IHS Markit分析师预测,到2025年,48 V轻度混合动力汽车将占据混合动力汽车销量中的近50%。48 V系统的成本更低,因此也对汽车制造商极具吸引力。
增加了48 V锂离子电池意味着MHEV为双电压汽车,这也造成了其独有的设计挑战,主要在如何在管理电池充放电循环的同时维持系统效率。在本文中,我们将讨论这些挑战,并探讨使用汽车功率模块以及基于GaN技术的新型宽带隙晶体管能为功率转换器带来哪些益处。
1 48 V架构
最基本的混合动力系统(图1)包括电池、集成起动发电机 (ISG) 、48 V至12 V转换器以及1个或多个48 V负载,就如一个稳定系统。由于48 V轻度混合动力系统保留了12 V电池和多个12 V负载,所以这些系统将在可预见的未来继续采用双电压架构。

图1 48 V轻度混合动力系统
ISG负责车辆的动力供应、车辆启动以及制动期间的能源回收。
除了没有12 V交流发电机,系统的12 V电池部分保持原样。由于ICE中没有12 V电源发电机,因此需要使用双向转换器实现48 V系统与12 V系统之间的电源转换。
2 MHEV双向转换器工
该双向转换器具有多种工作模式。在车辆启动期间,ISG由48 V锂离子电池供电。如果48 V电池电量不足或无法提供足够的电力(例如,由于低温),转换器将在升压模式下工作,利用12 V电池提供额外的启动电流。通常情况下,发动机启动/停止功能将被禁止,直至所有系统均达到正常的工作温度,此时车辆将开始正常重新启动。
当车辆达到正常温度并正在行驶,但无需额外加速时,转换器将在降压模式下工作,以便使用48 V电池为12 V电池充电,并为12 V负载供电。当需要额外电力时,转换器将再次切换至升压模式,以便为ICE提供补充电力,降低燃油消耗和整体排放量。
3 转换器拓扑结构
48 V至12 V转换器通常具有(1~3) kW的宽功率范围。为了在此范围内保持高能效,多级交错式降压-升压转换器是最受欢迎的选择。
降压拓扑结构提供压降,在本例中为48 V至12 V的压降,而升压拓扑结构提供相反的功率转换。同步拓扑结构在2种模式下使电源开关在大部分时间内保持全开状态,从而提高转换器的总体效率。
多相交错式设计并联连接几个相同的转换器相位(单相示例详见图2),以此充当单个高功率转换器。在重载情况下,所有相位都工作,但在轻载期间,可使用电池断路开关关闭一些负载,从而降低损耗,提高效率。每个相位都会产生相位角略有不同的输出电流,从而减少了输出电容的纹波。使用交错式转换器,而非单个大型转换器,意味着每个相位的电流都更小,从而减少电源开关、导体和电感上的应力(图3)。

图2 双向转换器 - 单相

图3 交错式配置中的多相降压 - 升压转换器
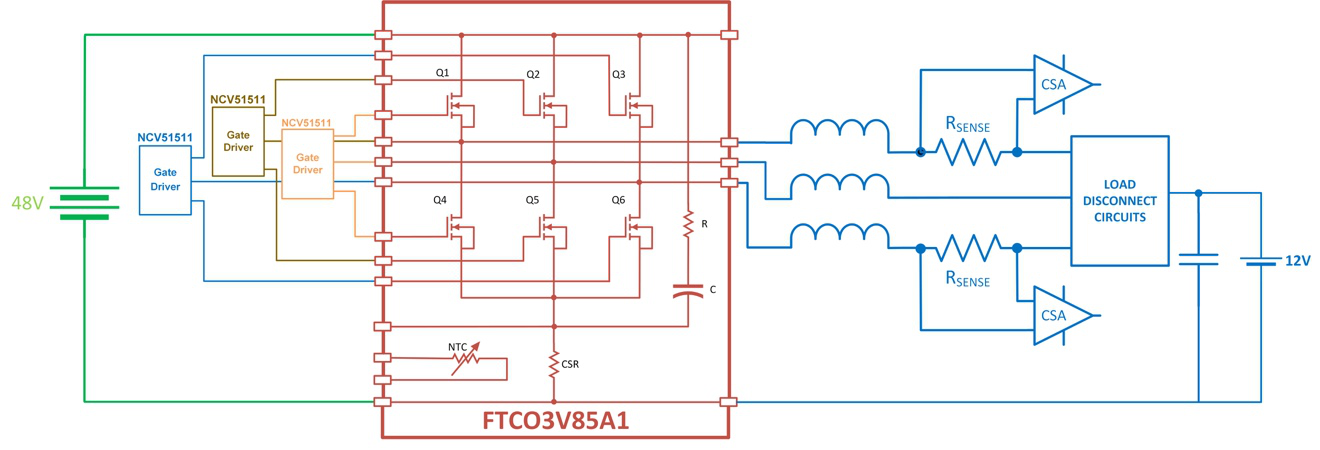
此类转换器中的主要模块包括电源断路开关、降压-升压半桥、电流感测级、主电感和负载断路开关。
同步降压-升压转换器实际上是将两个开关电路合并成单级电路。电源开关控制主能量转换元件(电感)中的电流流动。电感电流是需要控制的主要变量,因为它对确保出色的系统精度至关重要。
电感电流的方向决定了电源电流方向,从而决定了接收电流的电池。系统控制器通过生成适当的开关模式来确定电流方向(参见图4)。

图4 基本的降压-升压转换
4 转换器设计
表1中概述了所需的主要电路元件。电源断路级和负载断路级都可使用分立式MOSFET或集成式MOSFET功率模块。这些级的主要用途就是通过使用背靠背开关配置,将每个交错级的输入和输出分别与其他级以及48 V(源)和12 V(负载)电池隔离开来。由于这些MOSFET均在浮动电压电势下工作,每个器件均由具有高压侧驱动功能的栅极驱动器控制。MOSFET可能需要保持更长时间的导电性,因此必须能够100%及时导电。
表1 适用于双电压MHEV系统的降压-升压转换器主要功能模块
转换器级 | 元件 |
电源断路 | - 80 V/100 V沟槽型功率MOSFET - 高压侧栅极驱动器 |
同步降压/升压 | - 80 V/100 V沟槽型功率MOSFET或APM - 高压侧和低压侧栅极驱动器 - 功率电感 |
电流感应放大器 | - 电流感应放大器 - 分流电阻 |
负载断路 | - 40 V沟槽型功率MOSFET - 高压侧栅极驱动器 |
降压-升压级是转换器的核心,包含两个采用半桥配置且连接至功率电感的MOSFET器件。这些MOSFET必须由可单独封装或联合封装至双驱动器IC中的高压侧和低压侧栅极驱动器控制。或者,可使用小型汽车功率模块 (APM) (如图5中所示)实现该级。

图5 基于汽车功率模块的设计
安森美半导体的这款集成式功率模块采用符合AEC要求的小型封装,具有低热阻、低内部电阻和更高的EMI性能。该实现中未使用电源断路电路;对于个别的相位隔离,可以使用负载断路电路。
主功率电感存储每个转换器相位的能量,并将传输至任一电池。转换器控制器负责控制两个确定电流方向的主开关。为了使该级正常运行,必须准确地测量电流,以适当地调整主电感电流。最好使用基于分流电阻的电流感应放大器,因为其误差极低。
通过使用高精度分流电阻,我们可以测量非常小的差分电压,通常为几十或几百mV,而分流电压本身可以在0~48 V对地电压之间变化。这种巨大的差异意味着,放大器必须放大较小的差分信号,并提供较高的共模电压抑制比,同时能够耐受高达80 V的瞬变电压。因此,必须小心地选择3个放大器规格:
● 共模电压范围(越宽越好);
● 输入失调电压(越小越好);
● 共模抑制比(越高越好)。
在传统的运算放大器中,输入端电压限制在供电轨电压±0.6 V的范围内,因此大大限制了共模电压范围。近年来,专用的电流感应放大器提供了更大的共模电压范围,高达80 V。它们还提供高精度、低至10 µV的失调电压,能支持准确度高且快速的电流监控系统。
5 使用GaN的转换器设计
随着汽车应用对尺寸和效率的要求不断提高,宽带隙 (WBG) 器件(如安森美半导体的产品)成为标准硅器件的替代品。氮化镓 (GaN) 器件可以提高效率并缩小尺寸,同时降低系统总成本。
由于GaN器件可以显著降低开关损耗,因此使用GaN的降压转换器可实现数倍于典型硅功率晶体管的转换速度,从而最大限度地减少了频率范围内可能影响AM无线电接收的电磁干扰。此外,GaN晶体管不存在反向恢复损耗,因此不会在硬开关转换期间出现大电流尖峰和功率损耗。
6 总结
随着大量新型轻度混合动力汽车的普及,越来越多的汽车配备了48 V电池子系统,从而需要使用48 V至12 V转换器。虽然可以使用许多不同的转换器拓扑结构,但双向交错式同步降压/升压转换器由于其简单高效性而成为使用最广泛的结构。
该拓扑结构也可以设计为多个交错式相位,从而能够在较大的工作范围内实现高效率。这一点非常重要,因为12 V车辆负载会随着时间推移出现非常大的变化,即使转换器需要能够在最大负载条件下工作,但它却很少长时间保持在此负载条件下。当负载较轻时,转换器将关闭不必要的交错式相位,以降低损耗,保持高效。
史海拾趣
|
以下转自 越测越开心 的博客,其原文地址如下: http://forum.eet-cn.com/BLOG_ARTICLE_2634.HTM 本系列博文由泰克用户H3C北京公司常羽飞特别供稿 为什么要写《榨干你的示波器》这一个系列的博文,是因为偶然地发现了一些自己以前 ...… 查看全部问答> |
|
我使用的友坚的UT-6410开发板,linux内核版本是2.6.28,7英寸LCD。我使用友坚自带的MFC测试程序(他们不提供源代码)UT_MultiMedia_test_800_480,能正常解码。我到网上下载了Multimedia_DD,编译通过,拷贝在开发板上运行,出现“Size is too big to ...… 查看全部问答> |
|
我的毕业设计要使用单片机控制GPRS模块 把GPS接收机输出的数据传送到监控中心软件,可是网上看到GPRS只能连接到公网上,必须有固定IP。 可我在宿舍里只能有校园网,通过WAN微型端口PPPOE上网那种。在3322注册个动态域名还是不行,可能还得路由器 ...… 查看全部问答> |
|
如题, 我用的是wince6的系统,在PLATFORM\\SMDK6410\\SRC\\DRIVERS\\POWERCONTROL下, 有两个文件s3c6410_power_control.c、power_control.c, 生成的DLL是s3c6410_PwrCon.dll 请问这个驱动是做什么用的呢… 查看全部问答> |
|
uboot生成随机的MAC地址 R.wen 由于设备量产需要每台机器的MAC地址都不一样,所以我们给Uboot增加一个环境变量sysready,用来表示如果系统没有ready,就做一些额外的初始化工作,如生成一个随机的MAC地址,并保存 ...… 查看全部问答> |
|
MSP430 中使用定时器B产生的PWM 方波(F149芯片) 如何计算周期、占空比 这些又与哪些因素相关,是否与定时器采用的时钟源有关,这个又如何计算??使用TimerA定时器,增计数模式, 输出模式7—PWM复位/置位模式,其中的CRR0=512 这个“512”的PWM周期 到底怎么计算,实际是多长时间… 查看全部问答> |




