历史上的今天
今天是:2024年12月06日(星期五)
2020年12月06日 | 采用MSP430与CC2420芯片进行无线传感器网络节点的设计
2020-12-06 来源:elecfans
无线传感器网络是信息技术发展到一定阶段后出现的一种聚合传感器、嵌入式、现代网络以及无线通信、分布式信息处理等多种综合性的技术。传感器网络能够广泛用于军事、环境监测和预报、健康护理、智能家居、建筑物状态监控、复杂机械控制、城市交通、空间探索、大型车间和仓库管理,以及机场、大型工业园区的安全监测等领域。文中设计了一种无线传感器节点,硬件设计基于Moteiv方案,采用超低功耗单片机MSP430F1611作为数据处理芯片,以CC2420无线射频芯片作为收发芯片,并拥有JTAG以及其他扩展接口。通过硬件测试以及软件调试该节点符合设计指标。
1 系统概述
无线传感器网络由大量无线传感器节点组成,每个节点由传感器采集数据,数据处理芯片负责接收和处理传感器采集到的数据,通过无线射频芯片进行数据的无线传输与接收以及无线组网功能。USB接口可以作为电源以及编程接口,一线硅序列号可作为节点的唯一标识,Fla sh芯片用于存储数据,JTAG口用于调试与编程。

图1 系统框图
2 硬件设计
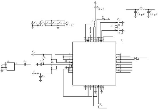
节点主要由6部分组成:电源单元、无线射频模块、传感器模块、USB通信模块和微处理器。
2.1 电源单元
传感器节点体积微小,通常携带能量有限的电池。能量供应模块在无线传感器节点中至关重要,为传感器节点各部分提供能量。需要长时间数据采集的传感器有的需要太阳能等方式来维持节点的正常运转。节点的各部分也需要精心设计。节点微处理器的工作电压为1.8~3.6 V,无线射频芯片工作电压为2.1~3.6 V,Flash供电电压为2.7~3.6 V,USB转换芯片由USB供电。因此电源可以选用3 V纽扣电池供电,有效减少了节点的大小。另外USB也可以作为供电源,同时作为编程电源,电源单元如图2所示。LC滤波单元对交流电具有较好的滤波效果,同时又不会降低直流输出电压。低压差的稳压器ADP3339保证了电源较好的稳压性。

图2 电源单元
2.2 无线射频模块
节点中的无线收发机,采用Chipcon公司推出的一款兼容2.4GHz IEEE 802.15.4的无线收发芯片CC2420.它基于Chipeon公司的Smart RF03技术,使用0.18μm CMOS工艺生产,具有较高的集成度。该芯片体积小、功耗低,具有完全集成的压控振荡器,只需天线、16 MHz晶体等少量外围电路就能在2.4GHz频段上工作。CC2420采用O-QPSK调制方式;超低电流消耗,接收灵敏度可达到-94dBm,抗邻道干扰能力强,其选择性和敏感性指数超过了IEEE 802.15.4标准的要求,可确保短距离通信的有效性和可靠性。利用此芯片开发的无线通信设备支持数据传输速率高达250 kbit·s-1,可实现多点对多点的快速组网。

图3 无线射频模块
图3中无线射频模块的外围电路采用CC2420手册提供的典型应用电路的器件数值,这样保证了芯片能工作在正常状态。另外为达到最优性能,必须使用电源去耦,去耦电容和电源过滤的设置和大小对于在应用中获得最优性能起着关键作用,TI提供一个紧凑的参考设计,必须严格按照该设计进行。同时增加数字、模拟电源采用电容滤波。CC2420需要一个16 MHz的参考时钟用于传输速率为250 kbit·s-1的数据收发,参考时钟可以来自外部时钟源,也可以由内部晶体振荡器产生,这里采用内部晶体振荡器产生的方式。天线阻抗匹配至关重要,为获得较好的发射功率,在原有基础上对部分电容、电感进行了适当的调整。CC2420与微控制器的通信通过4线SPI总线实现(SI、SO、SCLK、CSn),通过控制FIFO和FIFOP管脚接口状态可以使芯片工作在发射或接收模式,另外CCA用于空闲信道评估,SFD用于控制时钟或定时信息的输入。
2.3 传感器模块
传感器是无线传感器节点的数据采集单元,可以根据实际需要选用不同的传感器,节点采用温度、湿度传感器SHT11.SHT11是一款将温度、湿度传感器、信号放大调理器、A/D转换器和总线接口集成于一个芯片上的单片全校准数据输出传感器,它可以直接提供温度在-40~120℃范围内且分辨率为14 bit的数字输出和湿度在0~100%RH范围内且分辨率为12 bit的数字输出。传感器及外围模块如图4所示。

图4 传感器模块
SHT11电源供电要求为2.4~5.5V,电源和时钟信号均由微处理器提供,数据线管脚三态输出,因此需要外界一个上拉电阻将信号拉高。
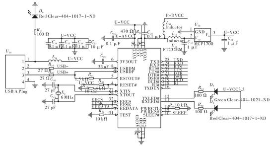
2.4 USB通信模块
无线传感器网络由大量节点组成,这些节点按一定协议将采集的数据进行融合、传输,最终将数据传送到个人电脑上进行处理和观察,同时节点工作需要将特定的程序写入Flash中。目前个人电脑最常用的接口为USB,而微处理器使用USART接口,为实现两种接口之间转换,节点使用FT232BM芯片作为转换芯片。FT232BM是一种单片USB到异步串口转换芯片,支持全握手和调制解调接口信号,在TTL级数据传输速度范围为300 bit·s-1~3 Mbit·s-1.芯片通过USB总线供电,工作电压为4.35~5.25 V,采用外部6 MHz时钟。USB PID、序列号和产品信息可以保存在外部EEPROM中。USB通信模块接口如图5所示。

图5 USB通信模块
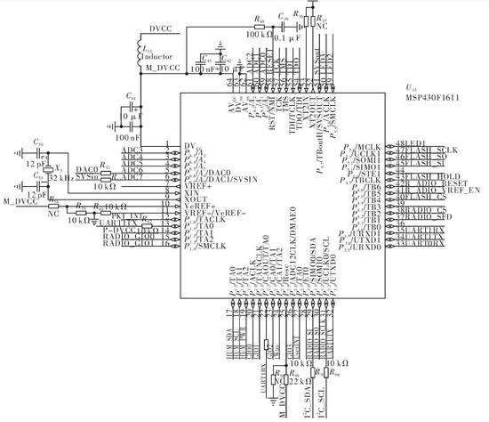
2.5 微处理器模块
微处理器是无线传感器节点的核心,传感器数据的数据处理,串行口以及无线模块的传输与控制均需要微处理器的参与。节点微处理器TI公司的16为超低功耗MSP430F1611.该微处理器工作电压为1.8~3.6 V,在RAM数据保持方式下耗电仅为0.2μA,在激活工作1 MHz的情况下为330μA,可以工作在5中低功耗模式,唤醒时间<6μm.Flash大小为48 kB,RAM大小为10 kB.芯片内部有16位定时器Timer_A和Timer_B具有捕获/比较功能;大量的捕获/比较寄存器可用于事件计数、时序发生等;多功能串口(USART)可以实现异步、同步和I2C串行通信,可以方便地实现多级通信的应用;具有较多的I/O端口,最多达6×8条I/O口线,P1、P2口还可以接收外部上升或下降沿的中断输入;12位A/D转换器有较高的转换速率,最高可达200 kbit·s-1,能满足大多数数据采集的应用。微处理器模块如图6所示。温度湿度传感器连接P1口5、6、7管脚,无线模块SPI接在P3口1、2、3和P4.4管脚,USB通信模块数据线连接到P3口6、7管脚。其他管脚分别用于控制和扩展接口。外部晶振大小为32MHz。

图6 微处理器模块
2.6 电路板设计
电路板根据不同的标准有不同的分类,在设计中大多数根据板的数目分类,在电气连接关系复杂的电路板设计中,双面板难以满足电路布线的要求,这时就必须考虑使用多层板。本节点采用4层板,顶层主要是USB模块和无线模块,底层为微处理器模块,内部层为电源层和地层。设计结果如图7所示。

图7 节点PCB布局
节点实物如图8所示。

图8 节点实物图
3 设计验证
3.1 无线模块验证
为对设计的节点功能进行验证,首先使用IAR集成开发环境编写CC2420的测试程序,通过JTAG将程序烧入Flash,经过检测,射频部分较好地满足了预期。芯片工作频带范围为2.4~2.48 GHz,发射功率为0 dBm.经过频谱仪和频率计验证设计符合要求,验证结果如图9所示。

图9 射频模块验证
3.2 传感器和USB转换模块验证
TinyOS是UC Berkeley开发的开放源代码操作系统,专为嵌入式无线传感器设计,操作系统基于构件的架构使得快速更新成为可能,而这又减小了受传感器网络存储器限制的代码长度。TinyOS的构件包括网络协议、分布式服务器、传感器驱动及数据识别工具。其良好的电源管理源于事件驱动执行模型,该模型也允许时序安排具有灵活性。因此对于整个无线传感器网络的验证采用TinyOS操作系统,设计为两个节点,节点A负责采集温度湿度数据,然后将采集到的数据发送到另一个节点B,节点B接收到数据后,通过USB将数据传输到个人电脑,并将该数据通过图表显示,如图10所示。

图10 传感器数据
4 结束语
文中所设计的一种无线传感器节点,硬件设计基于Moteiv方案,采用超低功耗单片机MSP430F1611作为数据处理芯片,以CC2420无线射频芯片为收发芯片,并拥有JTAG以及其他扩展接回,通过硬件测式以及软件调成该节点符合设计指标。
史海拾趣
|
C64X DSP EDMA小结 (1)EDMA概要 ①EDMA数据传输有两种发起方式: CPU发起的EMDA数据传输(非同步方式):需要传输时,CPU设置ESR寄存器的相应位为1 ...… 查看全部问答> |
|
#include #define uchar unsigned char #define uint unsigned int unsigned char a ,flag,i; void init() { TMOD=0X20; TH1=0XFD; ...… 查看全部问答> |
|
最近因为工作需要,要开发一个多口GPRS猫发送彩信的工作。 在这里请教搞过相关开发的大侠,可以考虑酬金问题邮件地址199184796@qq.com 实现内容: 在软件中实现ppp拨号连接 本人已经完成mms的内容所有主要是关于如何实现TCPIP协议… 查看全部问答> |
|
PCIe DMA、Nand Flash、DRAM、RocketIO/SRIO、SERDES NAND FLASH Controller IP Core标准NAND FLASH Controller标准NAND FLASH控制器 我是一位在职者(北京),专业从事FPGA接口设计,有较多的空余时间,对FPGA有比较丰富的项目经验(6年)。熟练使用Xilinx/Altera FPGA,熟悉NAND FLASH接口时序 ...… 查看全部问答> |
|
我们知道一款功能强大的单片机会有众多的寄存器来操作这些强大的外设和内部设备,430也是如此,因为强大所以内部结构复杂,所以TI给每个外设起名字的时候已经考虑到这些问题了,实际上所有的单片机设计商都在头文件里给寄存器起了易于记忆的名字, ...… 查看全部问答> |




