历史上的今天
今天是:2024年12月08日(星期日)
2020年12月08日 | STM32——SPI接口
2020-12-08 来源:elecfans
一、SPI协议【SerialPeripheral Interface】
串行外围设备接口,是一种高速全双工的通信总线。在ADC/LCD等与MCU间通信。
1、SPI信号线
SPI 包含 4 条总线,SPI 总线包含 4 条总线,分别为SS 、SCK、MOSI、MISO。
(1)SS(SlaveSelect):片选信号线,当有多个 SPI 设备与 MCU 相连时,每个设备的这个片选信号线是与 MCU 单独的引脚相连的,而其他的 SCK、MOSI、MISO 线则为多个设备并联到相同的 SPI 总线上,低电平有效。
(2)SCK (Serial Clock):时钟信号线,由主通信设备产生,不同的设备支持的时钟频率不一样,如 STM32 的 SPI 时钟频率最大为 f PCLK /2。
(3)MOSI (Master Output, Slave Input):主设备输出 / 从设备输入引脚。主机的数据从这条信号线输出,从机由这条信号线读入数据,即这条线上数据的方向为主机到从机。
(4)MISO(Master Input, Slave Output):主设备输入 / 从设备输出引脚。主机从这条信号线读入数据,从机的数据则由这条信号线输出,即在这条线上数据的方向为从机到主机。
2、SPI模式
根据 SPI 时钟极性(CPOL)和时钟相位(CPHA) 配置的不同,分为 4 种 SPI 模式。时钟极性是指 SPI 通信设备处于空闲状态时(也可以认为这是 SPI 通信开始时,即SS 为低电平时),SCK 信号线的电平信号。CPOL=0 时, SCK 在空闲状态时为低电平,CPOL=1 时则相反。时钟相位是指数据采样的时刻,当 CPHA=0 时,MOSI 或 MISO 数据线上的信号将会在 SCK 时钟线的奇数边沿被采样。当 CPHA=1 时,数据线在 SCK 的偶数边沿采样。

首先,由主机把片选信号线SS 拉低,意为主机输出,在SS 被拉低的时刻,SCK 分为两种情况,若我们设置为 CPOL=0,则 SCK 时序在这个时刻为低电平,若设置为 CPOL=1,则 SCK 在这个时刻为高电平。采样时刻都是在 SCK 的奇数边沿(注意奇数边沿有时为下降沿,有时为上升沿)。
CPHA=1时,数据信号的采样时刻为偶数边沿。
二、SPI特性及架构
(1)单次传输可选择为 8 或 16 位。
(2)波特率预分频系数(最大为 fPCLK/2) 。
(3)时钟极性(CPOL)和相位(CPHA)可编程设置 。
(4)数据顺序的传输顺序可进行编程选择,MSB 在前或 LSB 在前。
(5)可触发中断的专用发送和接收标志。
(6)可以使用 DMA 进行数据传输操作。
1、SPI架构

MISO 数据线接收到的信号经移位寄存器处理后把数据转移到接收缓冲区,然后这个数据就可以由我们的软件从接收缓冲区读出了。
当要发送数据时,我们把数据写入发送缓冲区,硬件将会把它用移位寄存器处理后输出到 MOSI 数据线。
SCK 的时钟信号则由波特率发生器产生,我们可以通过波特率控制位(BR)来控制它输出的波特率。
控制寄存器 CR1 掌管着主控制电路,STM32 的 SPI 模块的协议设置(时钟极性、相位等)就是由它来制定的。而控制寄存器 CR2 则用于设置各种中断使能。
最后为 NSS 引脚,这个引脚扮演着 SPI 协议中的SS 片选信号线的角色,如果我们把 NSS 引脚配置为硬件自动控制,SPI 模块能够自动判别它能否成为 SPI 的主机,或自动进入 SPI 从机模式。但实际上我们用得更多的是由软件控制某些 GPIO 引脚单独作为SS信号,这个 GPIO 引脚可以随便选择。
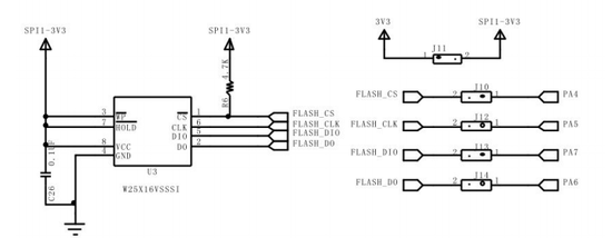
三、SPI接口读取Flash
各信号线相应连接到 Flash(型号 :W25X16/W25Q16)的 CS、CLK、DO 和 DIO 线,实现SPI 通信,对 Flash进行读写,其中 W25X16 和 W25Q16 在程序上不同的地方是 FLASH 的ID 不一样。
读取 Flash 的 ID 信息,写入数据,并读取出来进行校验,通过串口打印写入与读取出来的数据,输出测试结果。

不同的设备都会相应的有不同的指令,如 EEPROM 中会把第一个数据解释为存储矩阵的地址(实质就是指令)。而 Flash 则定义了更多的指令,有写指令、读指令、读ID 指令等。
SPI-FLASH通信:
(1)配置 I/O端口,使能 GPIO。
(2)根据将要进行通信器件的 SPI模式,配置 STM32的 SPI,使能 SPI时钟。
(3)配置好 SPI后,根据各种 Flash定义的命令控制对它的读写。
注意在写操作前要先进行存储扇区的擦除操作,擦除操作前也要先发出“写使能”命令
1、 main.c
int main(void)
{
/* 配置串口 1 为:115200 8-N-1 */
USART1_Config();
printf("rn 这是一个 2M 串行 flash(W25X16)实验 rn");
/* 2M 串行 flash W25Q16 初始化 */
SPI_FLASH_Init();
/* Get SPI Flash Device ID */
DeviceID = SPI_FLASH_ReadDeviceID();
Delay( 200 );
/* Get SPI Flash ID */
FlashID = SPI_FLASH_ReadID();
printf("rn FlashID is 0x%X, Manufacturer Device ID is 0x%Xrn", FlashID, DeviceID);
/* Check the SPI Flash ID */
if (FlashID == sFLASH_ID) /* #define sFLASH_ID 0xEF3015 */
{
printf("rn 检测到串行 flash W25X16 !rn");
SPI_FLASH_SectorErase(FLASH_SectorToErase);
SPI_FLASH_BufferWrite(Tx_Buffer, FLASH_WriteAddress, BufferSize);
printf("rn 写入的数据为:%s rt", Tx_Buffer);
SPI_FLASH_BufferRead(Rx_Buffer, FLASH_ReadAddress, BufferSize);
printf("rn 读出的数据为:%s rn", Tx_Buffer);
/* 检查写入的数据与读出的数据是否相等 */
TransferStatus1 = Buffercmp(Tx_Buffer, Rx_Buffer, BufferSize);
if ( PASSED == TransferStatus1 )
{
printf("rn 2M 串行 flash(W25X16)测试成功!nr");
}
else
{
printf("rn 2M 串行 flash(W25X16)测试失败!nr");
}
}// if (FlashID == sFLASH_ID)
else
{
printf("rn 获取不到 W25X16 ID!nr");
}
SPI_Flash_PowerDown();
while (1);
}
(1)调用 USART1Confi g() 初始化串口。
(2)调用 SPI_FLASH_Init() 初始化 SPI 模块。
(3)调用 SPI_FLASH_ReadDeviceID() 读取 Flash 器件生产厂商的 ID 信息。
(4)调用 SPI_FLASH_ReadID() 读取 Flash 器件的设备 ID 信息
(5)若读取得的ID正确, 则调用 SPI_FLASH_SectorErase()把 Flash 的内 容擦除,擦除后调用SPI_FLASH_BufferWrite() 向Flash 写入数据,然后再调用SPI_FLASH_BufferRead()从刚刚写入的地址中读出数据。最后调用 Buffercmp() 函数对写入的数据与读取的数据进行比较,若写入的数据与读出的数据相同,则把标志变量TransferStatus1 赋值为 PASSED(自定义的枚举变量)。
(6)最后调用 SPI_Flash_PowerDown()函数关闭 Flash 设备的电源,因为数据写入到Flash 后并不会因断电而丢失,我们在使用它时才重新开启 Flash 的电源
2、SPI初始化
#define SPI_FLASH_CS_HIGH() GPIO_SetBits(GPIOA, GPIO_Pin_4)
#define SPI_FLASH_CS_LOW() GPIO_ResetBits(GPIOA, GPIO_Pin_4)
void SPI_FLASH_Init(void)
{
SPI_InitTypeDef SPI_InitStructure;
GPIO_InitTypeDef GPIO_InitStructure;
RCC_APB2PeriphClockCmd(RCC_APB2Periph_GPIOA | RCC_APB2Periph_GPIOD, ENABLE);
RCC_APB2PeriphClockCmd(RCC_APB2Periph_SPI1, ENABLE);
/* SCK */
GPIO_InitStructure.GPIO_Pin = GPIO_Pin_5;
GPIO_InitStructure.GPIO_Speed = GPIO_Speed_50MHz;
GPIO_InitStructure.GPIO_Mode = GPIO_Mode_AF_PP;
GPIO_Init(GPIOA, &GPIO_InitStructure);
/* MISO */
GPIO_InitStructure.GPIO_Pin = GPIO_Pin_6;
GPIO_Init(GPIOA, &GPIO_InitStructure);
/* MOS */
GPIO_InitStructure.GPIO_Pin = GPIO_Pin_7;
GPIO_Init(GPIOA, &GPIO_InitStructure);
/* CS */
GPIO_InitStructure.GPIO_Pin = GPIO_Pin_4;
GPIO_InitStructure.GPIO_Mode = GPIO_Mode_Out_PP;
GPIO_Init(GPIOA, &GPIO_InitStructure);
SPI_FLASH_CS_HIGH();
SPI_InitStructure.SPI_Direction = SPI_Direction_2Lines_FullDuplex;
SPI_InitStructure.SPI_Mode = SPI_Mode_Master;
SPI_InitStructure.SPI_DataSize = SPI_DataSize_8b;
SPI_InitStructure.SPI_CPOL = SPI_CPOL_High;
SPI_InitStructure.SPI_CPHA = SPI_CPHA_2Edge;
SPI_InitStructure.SPI_NSS = SPI_NSS_Soft;
SPI_InitStructure.SPI_BaudRatePrescaler = SPI_BaudRatePrescaler_4;
SPI_InitStructure.SPI_FirstBit = SPI_FirstBit_MSB;
SPI_InitStructure.SPI_CRCPolynomial = 7;
SPI_Init(SPI1, &SPI_InitStructure);
SPI_Cmd(SPI1, ENABLE);
}
(1)SPI_Mode :主机模式(SPI_Mode_Master)或从机模式(SPI_Mode_Slave),这两个模式的最大区别为 SPI 的 SCK 信号线的时序,SCK 的时序是由通信中的主机产生的。若被配置为从机模式,STM32 的 SPI 模块将接受外来的 SCK 信号。
(2)SPI_DataSize : SPI 每次通信的数据大小(称为数据帧)为 8 位还是 16 位。
(3)SPI_CPOL 和 SPI_CPHA :配置SPI的时钟极性(CPOL)和时钟相位CPHA),这两个配置影响到 SPI 的通信模式,该设置要符合将要互相通信的设备的要求。CPOL 分别可以取 SPI_CPOL_High(SPI 通信空闲时 SCK 为高电平)和SPI_CPOL_Low(SPI 通信空闲时 SCK 为低电平)。CPHA 则可以取 SPI_CPHA_1Edge(在 SCK 的奇数边沿采集数据) 和 SPI_CPHA_2Edge(在 SCK偶数边沿采集数据)。
(4)SPI_NSS :配置NSS引脚的使用模式,硬件模式(SPI_NSS_Hard)与软件模式(SPI_NSS_Soft),在硬件模式中的 SPI 片选信号由硬件自动产生,而软件模式则需要我们亲自把相应的 GPIO 端口拉高或置低产生非片选和片选信号。如果外界条件允许,硬件模式还会自动将 STM32 的 SPI 设置为主机。我们使用软件模式,向这个成员赋值为 SPI_NSS_Soft。
(5)SPI_BaudRatePrescaler:本成员设置波特率分频值,分频后的时钟即为 SPI 的 SCK信号线的时钟频率。这个成员参数可设置为 f PCLK 的 2、4、6、8、16、32、64、128、256 分频。赋值为 SPI_BaudRatePrescaler_4,即 f PCLK 的 4 分频。
(6)SPI_FirstBit:所有串行的通信协议都会有 MSB 先行(高位数据在前)还是 LSB先行(低位数据在前)的问题,而 STM32 的 SPI 模块可以通过这个结构体成员,对这个特性编程控制。据 Flash 的通信时序,我们向这个成员赋值为MSB先行(SPI_FirstBit_MSB)。
(7)SPI_CRCPolynomial:这是 SPI 的 CRC 校验中的多项式,若我们使用 CRC 校验时,就使用这个成员的参数(多项式)来计算 CRC 的值。由于本实验的 Flash 不支持 CRC校验,所以我们向这个结构体成员赋值为 7 实际上是没有意义的。
配置完这些结构体成员后,我们要调用 SPI_Init() 函数把这些参数写入寄存器中,实现SPI 的初始化,然后调用 SPI_Cmd() 来使能 SPI1。
2、读FLASH的ID
#define Dummy_Byte 0xFF
u8 SPI_FLASH_SendByte(u8 byte)
{
// 等待发送数据寄存器清空
while (SPI_I2S_GetFlagStatus(SPI1,SPI_I2S_FLAG_TXE) == RESET);
SPI_I2S_SendData(SPI1, byte); // 向从机发送数据
while (SPI_I2S_GetFlagStatus(SPI1,SPI_I2S_FLAG_RXNE) == RESET); // 等待接收数据寄存器非空
return SPI_I2S_ReceiveData(SPI1); // 获取接收寄存器中的数据
}
u32 SPI_FLASH_ReadDeviceID(void)
{
u32 Temp = 0;
SPI_FLASH_CS_LOW();
SPI_FLASH_SendByte(W25X_DeviceID);
SPI_FLASH_SendByte(Dummy_Byte);
SPI_FLASH_SendByte(Dummy_Byte);
SPI_FLASH_SendByte(Dummy_Byte);
Temp = SPI_FLASH_SendByte(Dummy_Byte);
SPI_FLASH_CS_HIGH();
return Temp;
}
3、读取厂商ID
u32 SPI_FLASH_ReadID(void)
{
u32 Temp = 0, Temp0 = 0, Temp1 = 0, Temp2 = 0;
SPI_FLASH_CS_LOW();
SPI_FLASH_SendByte(W25X_JedecDeviceID); // 0x9F
Temp0 = SPI_FLASH_SendByte(Dummy_Byte);
Temp1 = SPI_FLASH_SendByte(Dummy_Byte);
Temp2 = SPI_FLASH_SendByte(Dummy_Byte);
SPI_FLASH_CS_HIGH();
Temp = (Temp0 << 16) | (Temp1 << 8) | Temp2;
return Temp;
}
4、擦除FLASH内容
void SPI_FLASH_WriteEnable(void)
{
SPI_FLASH_CS_LOW();
SPI_FLASH_SendByte(W25X_WriteEnable); // 06H
SPI_FLASH_CS_HIGH();
}
void SPI_FLASH_WaitForWriteEnd(void)
{
u8 FLASH_Status = 0;
SPI_FLASH_CS_LOW();
SPI_FLASH_SendByte(W25X_ReadStatusReg); // 05H
do
{
FLASH_Status = SPI_FLASH_SendByte(Dummy_Byte);
}
while ((FLASH_Status & WIP_Flag) == SET);
SPI_FLASH_CS_HIGH();
}
void SPI_FLASH_SectorErase(u32 SectorAddr)
{
SPI_FLASH_WriteEnable();
SPI_FLASH_WaitForWriteEnd();
SPI_FLASH_CS_LOW();
SPI_FLASH_SendByte(W25X_SectorErase); // 20H
SPI_FLASH_SendByte((SectorAddr & 0xFF0000) >> 16);
SPI_FLASH_SendByte((SectorAddr & 0xFF00) >> 8);
SPI_FLASH_SendByte(SectorAddr & 0xFF);
SPI_FLASH_CS_HIGH();
SPI_FLASH_WaitForWriteEnd();
}
5、向Flash写数据——分页
void SPI_FLASH_PageWrite(u8* pBuffer, u32 WriteAddr, u16 NumByteToWrite)
{
SPI_FLASH_WriteEnable();
SPI_FLASH_CS_LOW();
SPI_FLASH_SendByte(W25X_PageProgram); // 02H
SPI_FLASH_SendByte((WriteAddr & 0xFF0000) >> 16);
SPI_FLASH_SendByte((WriteAddr & 0xFF00) >> 8);
SPI_FLASH_SendByte(WriteAddr & 0xFF);
if(NumByteToWrite > SPI_FLASH_PerWritePageSize)
{
NumByteToWrite = SPI_FLASH_PerWritePageSize;
}
while (NumByteToWrite--)
{
SPI_FLASH_SendByte(*pBuffer);
pBuffer++;
}
SPI_FLASH_CS_HIGH();
SPI_FLASH_WaitForWriteEnd();
}
void SPI_FLASH_BufferWrite(u8* pBuffer, u32 WriteAddr, u16 NumByteToWrite)
上一篇:STM32——I2C
下一篇:STM32——系统滴答定时器
史海拾趣
|
在柯维博士的《高效能人士7个习惯》中,他提出一个有趣的观点:任何创造实际是经过2个层次,一次是“心智的创造”,另一次才是“实际的创造”。其中心智的创造尤为重要,因为它是创新的源头和起始,难度更大,更为难能可贵。心理学家马斯洛也指出, ...… 查看全部问答> |
|
#include<pic.h>void main(void){ANSEL=0x00;TRISIO=0x00000000; GPIO=0xff;GIE=1;while(1){}}问题: 为啥我的单片机管脚没有输出?… 查看全部问答> |
|
RT-Thread MIPS分支连载:MIPS32的异常与中断 本篇说的是MIPS的异常与中断。异常与中断可能很多人不是太明白这两者的含义:异常,是指计算机在执行程序的过程中,当出现异常情况或特殊请求时,计算机停止现行程序的运行,转而对这些异常情况或特殊请求的处理。中断,是异常的一种,通常指的是由 ...… 查看全部问答> |
|
【问TI】LM3S系列基本上是10位ADC,与别的厂家的12位的ADC差点那?优越在什么地方? LM3S系列基本上是10位ADC,与别的厂家的12位的ADC差点那?优越在什么地方?看了个帖子说LM3S虽然ADC是10位的,但是精度非常高。专家给介绍下!… 查看全部问答> |
|
试了两款LM3S8962和LM3S9B96,问题都一样。LM3S系列能够将程序下载到内存,然后修改PC指针,在内存中运行,这样调试程序下载速度比较快,也减少了flash的读写次数,这是背景。除了一些大的程序,我都是在内存中调试,简称RAM RUN,大家可以翻翻我以 ...… 查看全部问答> |
|
2011仪器器件清单分析(全)——决战2011全国大学生电子设计竞赛 本帖最后由 paulhyde 于 2014-9-15 09:27 编辑 决战2011全国大学生电子设计竞赛——仪器器件清单分析 格式好乱……原文可以在附件中下载!另外,有同学转载我没有意见,但烦请注明出处! 2009 2011 1.基本仪器清单 20MHz普通示波器(双通道, ...… 查看全部问答> |




