历史上的今天
今天是:2024年12月17日(星期二)
2020年12月17日 | 电路图天天读(27):采用指纹识别的防盗遥控器电路设计
2020-12-17 来源:elecfans
设计一种适用于多种门禁场合下的防盗遥控器,具有活体指纹识别、射频无线遥控、无线加密数据传输、无线加密指令控制等功能。系统以16位MSP430F12X处理器为数据处理和控制核心,提高了系统的智能化水平和控制能力。
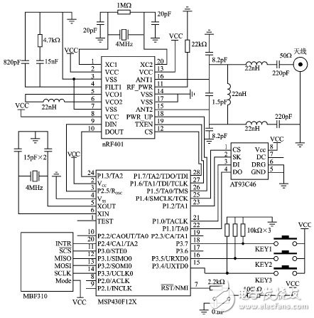
防盗遥控发射器模块
刮擦式活体指纹识别防盗遥控器分为防盗遥控发射器和防盗遥控接收器两部分。防盗遥控发射器由使用者随身携带,防盗遥控接收器安放在要保护的门禁设备里。防盗遥控发射器以MSP430F12X处理器为核心,对刮擦式活体指纹传感器MBF310、无线发射/接收芯片nRF401、参数配置芯片 AT93C46等进行工作状态配置,包括指纹数据读取、指纹数据和加密数据无线发射,以及控制指令的无线发射等。
AT93C46中保存有256位的参数配置数据,用于对发射的数据进行加密运算;nRF401工作在无线发射模式。MBF310选用SPI工作模式和MSP430F12X处理器的SPI总线相连,MSP430F12X通过SPI总线对MBF310传感器进行工作状态初始化,配置为使能FIFO中断的SPI模式。当手指在MBF310上滑过时,MBF310采集指纹数据并存到FIFO缓冲区内;当FIFO缓冲区满时产生一中断信号,MSP430F12X处理器收到FIFO缓冲区满中断信号后立即通过SPI总线读取MBF310采集的指纹数据;并把读取的指纹数据和AT93C46 内的配置字进行“或”运算加密,把加密好的数据通过nRF401发射出去,从而实现指纹的采集,指纹数据的读取、加密和无线发射,以及控制指令的无线发射等功能。防盗遥控发射器的电路连接图如图1所示。

图1 防盗遥控发射器的电路连接图
防盗遥控接收器模块
防盗遥控接收器由MSP430F12X处理器、无线发射/接收芯片nRF401、参数配置芯片AT93C46、指纹模板存储器FM24C64、按键和指示灯等硬件组成。当防盗遥控接收器正常工作时,MSP430F12X处理器选择nRF401为无线接收模式,以适时接收防盗遥控发射器发射的数据和指令。当接收到指纹数据时,MSP430F12X处理器用AT93C46内的256位配置字对接收到的加密指纹进行解码,得到防盗遥控发射器内的 MBF310采集到的真实活体指纹数据。然后把解码后的指纹数据与指纹模板存储器FM24C64内预存的指纹模板数据进行比对,如果比对结果为真,表明得到合法身份验证,那么防盗遥控接收器可以接收防盗遥控发射器的控制指令(防盗遥控发射器上按键设定的指令),否则不响应防盗遥控发射器发射的指令数据。防盗遥控接收器按键用于建立指纹模板,指示灯指示防盗遥控接收器的当前工作状态。输出端口1~6是根据遥控指令产生的输出控制信号。防盗遥控接收器的电路连接图如图2所示。

图2 防盗遥控接收器的电路连接图
本文设计的防盗遥控发射器采用了刮擦式活体指纹识别芯片MBF310,属于第二代指纹识别技术,有效克服了第一代指纹识别技术识别率低、识别橡胶模塑指纹等缺点和不足,提高了安全等级和正确识别率。nRF401无线收发芯片,采用FSK技术,遥控距离可达800 m。防盗遥控发射器和防盗遥控接收器中,AT93C46是编解码配置芯片,存有256位的编解码数据。遥控发射器发射数据时采用256位编码加密算法,可以防止遥控发射的数据被截获破解以及遥控发射器被仿制,只有遥控发射器和遥控接收器的编解码数据相同时,才能进行遥控操作,提高了安全等级。防盗遥控接收器中的指纹模板存储器采用了8 KB的高速铁电存储器FM24C64,可以无故障读写1 010次,掉电情况下保持数据10年不丢失。遥控发射器和接收器以超低功耗16位处理器MSP430F12X为数据处理和控制核心,提高了数据运算速度和系统的智能化程度,降低了功耗。
史海拾趣
|
西安博华机电股份有限公司推出了电子式制动防抱系统(ABS),已批量生产并与国内大型汽车制造企业100余种车型提供ABS匹配供应。公司目前已开发投产的产品包括:制动防抱死系统(ABS)、气压盘式制动器、电涡流缓冲器等。其中适用大中型客车和货车的 ...… 查看全部问答> |
|
目录: 第1章 晶体二极管 1.1 半导体物理基础知识 1.2 PN结 1.3 晶体二极管电路的分析方法 1.4 晶体二极管的应用 1.5 其它二极管 习题 附录 PSPICE电路分析 第2章 晶体三极管 2.1 放大模式下晶体三极管的工作 ...… 查看全部问答> |
|
基于51的双机容错系统,使用小车模拟月球车,使用两片以上的51机控制小车的运动,多片51间协调工作,当其中一片51机出现故障,另一片51可以自动工作,达到双机热备份。 程序 + 论文 感觉分少我再给。 ouy ...… 查看全部问答> |
|
Using fully differential op amps as attenuators Part 3 本帖最后由 dontium 于 2015-1-23 13:38 编辑 Using fully differential op amps as attenuators Part 3 … 查看全部问答> |
|
在设计多张电路图时,会用到Placeport,在生成网络表时,在Net identifier Scope选项中选择:Net Labels and Ports Global。… 查看全部问答> |
|
我用的是STM3210E的Virtual_COM_Port的例程修改的一个发送数据的程序用while循环测试传输速率为什么电脑接收到的数据只有几K啊我是新手,请各位大虾指教… 查看全部问答> |




