历史上的今天
今天是:2024年12月18日(星期三)
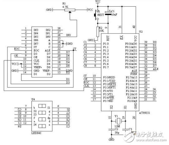
2020年12月18日 | 单片机数字电压表设计方案(二)
2020-12-18 来源:elecfans
利用单片机AT89S51与ADC0809设计一个数字电压表,能够测量0-5V之间的直流电压值,四位数码显示,但要求使用的元器件数目最少。
电路原理图

系统板上硬件连线
a)把“单片机系统”区域中的P1.0-P1.7与“动态数码显示”区域中的ABCDEFGH端口用8芯排线连接。
b)把“单片机系统”区域中的P2.0-P2.7与“动态数码显示”区域中的S1S2S3S4S5S6S7S8端口用8芯排线连接。
c)把“单片机系统”区域中的P3.0与“模数转换模块”区域中的ST端子用导线相连接。
d)把“单片机系统”区域中的P3.1与“模数转换模块”区域中的OE端子用导线相连接。
e)把“单片机系统”区域中的P3.2与“模数转换模块”区域中的EOC端子用导线相连接。
f)把“单片机系统”区域中的P3.3与“模数转换模块”区域中的CLK端子用导线相连接。
g)把“模数转换模块”区域中的A2A1A0端子用导线连接到“电源模块”区域中的GND端子上。
h)把“模数转换模块”区域中的IN0端子用导线连接到“三路可调电压模块”区域中的VR1端子上。
i)把“单片机系统”区域中的P0.0-P0.7用8芯排线连接到“模数转换模块”区域中的D0D1D2D3D4D5D6D7端子上。
上一篇:单片机数字电压表设计方案(一)
下一篇:单片机数字密码锁
史海拾趣
|
电源装置是电力电子技术应用的一个重要领域,其中高频开关式直流稳压电源由于具有效率高、体积小、重量轻等突出优点,而得到了广泛应用。本文详细介绍一种电流控制型开关电源,以低成本的UC3842 PWM 控制芯片为核心构成的多路输出的开关电源设计电 ...… 查看全部问答> |
|
本帖最后由 paulhyde 于 2014-9-15 09:35 编辑 请教各位: 电烙铁使用一段时间之后,电烙铁头的温度就达不到要求的温度. 请问这是什么原因?那应该如何保养呢? … 查看全部问答> |
|
wince6.0 流驱动无法加载,getLastError = 55,怎么办? 问题如下: 我是接手别人的活,流驱动开发人员已走,据他说驱动是可以用的,流驱动是在wince4.2下编译成的dll。 我现在用wince6.0 、C#开发。修改bib、reg文件,编译内核,用veiwbin查看,我需要的dll已包含在nk.bin内。 但我测试 ...… 查看全部问答> |
|
添加Display驱动,修改后编译没有错,最后也可以生成镜像,但是下到板子里去后没有显示,我做的移植是最小内核,加过一个测试进程,内核可以跑起来,看过一个高人{wogoyixikexie@gliet(注意转载请标明原创作者)}的移植笔记,在此引用下: 但是打 ...… 查看全部问答> |
|
刚刚开始学习VxWorks,看文档的时候有个问题一直有些迷惑。 文档上面说VxWorks既定义了VxWorks接口,你也可以使用VxWorks的POSIX扩展。 (You can also use POSIX real-time extensions with VxWorks.) 我搞不太懂,这是什么意思?比如说我要新 ...… 查看全部问答> |
|
EP3C80 : BGA封装, 484 PIN , 内核电压1.2V , PLL电源2.5V, IO 电源3.3V; EP3C80 为主CPU, EP3C80同时外挂ARM7 和DSP . EP3C80 分别以异步总线的方式与ARM7 和DSP连接. 这样一个架构的主板,居然出现一个问题,ARM7 和DSP工作不正 ...… 查看全部问答> |




