历史上的今天
今天是:2024年12月22日(星期日)
2020年12月22日 | 基于MSP430F148的土基智能测斜仪
2020-12-22 来源:elecfans
测斜仪是一种测定钻孔倾角、方位角和土体侧移及沉降的仪器,在实际工程施工当中有着重要作用。施工中对位移的监测是研究环境影响的主要手段。目前大多数测斜仪采用传统单片机作为控制CPU。由于传统单片机运行速度慢,内部资源少,并且由于测斜仪数据采集系统是一种便携式设备,一般是由蓄电池供电,因此对系统功耗有较高的要求。
针对传统单片机在测斜领域应用的缺点和不足,本文所设计的测斜仪系统采用16位超低功耗单片机MSP430Fl48作为控制CPU,具有运行速度快、功耗低、电路简单等优点,非常适合倾角测量等各种功耗要求较高的场合,其在低功耗方面的优越之处,是传统单片机不可比拟的,其内部自带的12位A/D转换器和DMA控制单元分别用于系统采样电路和数据传输部分,使得系统的硬件电路更加集成化、小型化。
1 系统硬件总体设计
测斜仪本质上是一个数据采集、处理系统。采用主从式控制结构,上位机为PC机,下位机为MSP430控制器。系统的主要部分主要由PC机、传感器信号采样处理电路、以TI公司MSP430F148为核心的MSP430控制器、其他外围电路构成。图1为该系统总体结构框图。

1.1 电源模块
系统采用3.3 V供电,考虑到系统低功耗的特点,要求电源具有稳压功能,因此系统电源采用Maxim公司的MAX8902B。MAX8902B能提供0.6~5.3 V的输出电压,并且输出噪声低,能很好满足测斜仪系统的要求。MAX8902B的工作电路为TT提供的典型工作电路。
1.2 电池电量检测模块
系统内部有电池电量检测模块,如图2所示。通过LM339A比较蓄电池电压和基准电压,当蓄电池电压过低时报警提示以防由于电量缺失造成的系统不稳定。

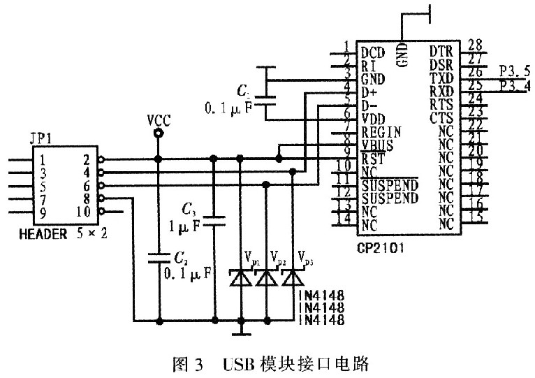
1.3 USB模块
采用CP2101实现USB-UART转换。CP2101内置有与计算机通信的USB协议,工作时在计算机上产生一个虚拟COM端口,用户就可以按照通用串行口的控制方式使用该COM端口。通过CP210l可以简单实现UART到USB间的桥接,从而为系统增加USB通信接口,而原来开发的串口应用程序则无需大改动。CP2l01的外围电路非常简单,只要接2只去耦电容即可。只需将其引脚TXD和RXD分别连接至MSP430F148的P3.5和P3.4即可实现与单片机的连接,如图3所示。

2 系统软件设计
软件设计由上位机(地面监控和数据处理系统)和下位机(井下数据采集系统)2部分组成。上位机软件主要和下位机通信,方便实现数据传输、处理、计算和打印等功能。下位机软件用于配合数据的采集、存储和传输。
2.1 下位机软件设计
下位机主要完成对被测孔的即时采集和定时采集2种功能。通过定时采集某个时间段内某些时刻该孔的数据,很方便了解被测孔的土体垂直位移趋势,为判断建筑物的倾斜程度提供重要的参考依据。对于某些敏感区域,为了更好的了解该区域实时的垂直位移状态,可对其进行测斜数据的实时采集。
下位机软件主要包括传感器采集、串口通信和主处理等模块。其中,传感器采集模块主要完成对被测孔倾斜数据的采集。由单片机通过自带的A/D采集模块对传感器的信号进行采集,可以同时采集8路模拟信号,并通过定时器B控制采集的频率。也直接将A/D数据寄存器的值赋给全局变量,通过全局变量实现与主程序进行数据的交互。模拟量采集功能主要采用定时器中断服务子程序实现,采样频率由定时器控制。在定时器中断中通过设置A/D的控制寄存器启动A/D转换。串口通信模块完成与上位机的通信功能,从而将采集到的数据传送到上位机进行处理。当接收到上位机发送的命令数据时,通过中断标志位的置位,进入中断服务子程序中完成对命令数据的接收。当进行采集数据的发送时,通过不断地查询发送标志位的状态来判断本次字节的发送是否成功,只有当标志位改变时,再将下一个字节的数据送入发送缓冲区,从而最大程度避免发送时的数据堵塞或错误。主处理模块主要完成系统的初始化和各子程序的循环协调工作。系统在初始化后进入循环处理过程,在循环过程中主处理程序通过模拟量采集模块获得被测孔的倾斜数据,并根据所接收到的上位机命令,在设定的时间段内或实时的将采集的某几个孔或某几个传感器的数据通过串口通信模块发送至上位机。

下位机的主程序流程如图4所示。下位机程序上电初始化后就进入了状态检测阶段,根据不同参变量的数值进入相应的状态处理程序。
2.2 上位机软件
上位机软件的设计在整个系统的作用至关重要。为了方便井下设备与PC机的通信和数据的处理和打印,并且能很好实时监控整个系统的运行状况,上位机程序是在Delphi平台上利用MSComm控件完成的。上位机设定的参数主要包括定时或即时采集、孔号、通信端口、累积起点等。当系统开始采集,利用MSComm控件通过串口将这些参数按字符形式依次发送给单片机。为了正确接收和还原单片机采集的数据,并绘制出土体垂直位移深度曲线。上位机采用MSComm控件中的OnComm事件捕获接收到的数据,并利用Delphi中的TChart控件和TlJneSeries控件将接收的数据绘制成深度曲线在PC机上显示。
3 试验结果分析

图5为某一时刻经单片机采集传感器数据并传送到PC机显示的土体垂直位移深度曲线。图5直观显示出中本次测量中随着深度变化,土体垂直位移的变化情况。
4 结束语
本系统利用MSP430F148单片机作为控制核心,通过自行设计的外围电路,实现了对土基位移的测量和监控。上位机中利用MSComm控件和Delphi的绘图功能,将土体垂直位移深度的变化情况以曲线的形式实时绘制。该系统具有成本低廉、携带方便、耗电量低、使用方便等优点。在现代化施工监测中具有很好的应用潜力。
史海拾趣
|
我在BOOTROM中使用FTP SERVER的功能来加载vxworks映像(大小也只1414KB)中遇到加载映像耗时很久的问题。 在FTP SERVER的LOG窗口显示如下: [L 0077] 05/27/10 09:41:31 Connection accepted from 192.168.4.245 [C 0077] 05/27/10 09:41:31 Co ...… 查看全部问答> |
|
我的机子装不了eVC4,安装到配置wince platform manager 4.0 时,就死机了 重启后就出现未识别的硬件和硬件安装向导, 提示什么虚拟PC的 只要安装也就卡机了. 这是怎么回事? 我电脑是SP3的,台式机一样的系统都安装得好好的… 查看全部问答> |
|
Virtual Audio Driver Volume(wave) Control(虚拟声卡波形音量控制)? 关于:Virtual Audio Driver Volume(wave) Control(虚拟声卡波形音量控制) 请教: 1. 如果要利用虚拟声卡控制从上层APP发送过来的Wave Stream Volume,是应该通过PortCtrl.sys控制呢还是采用别的方法控制? 每种方法的流程应该是什么样的呢 ...… 查看全部问答> |
|
VB中,sItem = Split(s, \",\") CString s; CString sItem[13]; byte pItem; byte p1, p2; s += \",\"; p1 = 0; pItem = 0; for (p2 = 0; p2 < s.GetLength(); p2++) { if (s.GetAt(p2) == \',\') &nb ...… 查看全部问答> |
|
这组图片是三个星期以前拍的,回来之后就马不停蹄的赶项目进度,推迟到现在才发上来。本人拍照水平很菜,加上展品放在玻璃柜里面,拍出来相片实在一般般,大家将就一下。 对这次展会的总体印象是规格高,规模大,在一定程度上反映出了中国物联网 ...… 查看全部问答> |
|
LED恒流驱动芯片及系统应用方案内容:1)LED光源的工作原理;2)LED恒流源低压大电流驱动芯片及典型应用;3)LED恒流源非隔离驱动芯片及典型应用;4)LED恒流源隔离驱动芯片及典型应用; 5)LED灯具可控硅调光方案;6)LED日光灯驱动电源方案;7)L ...… 查看全部问答> |




