历史上的今天
今天是:2025年01月15日(星期三)
2021年01月15日 | 关于51单片机不能正常起振的原因
2021-01-15 来源:eefocus
如何确定晶振正常起振?
1、判断方法很多,用示波器看波形是最直接的,用数字万用表的电压档测电压也行,因晶振波形的占空比为50%,所以测得的平均电压为1/2Vcc左右,对于51单片机,在使用外置程序存储器的时候还可以测PSEN引脚或P0口引脚的电压或波形,只有晶振电路正常工作,那些引脚才会有信号输出,但现在很少采用片外扩展存储器,所以测晶体两端的电压或波形即可,只是晶振电路设计不良时,测试设备的引入有可能导致停振。
2、晶体两端的电压差不是平均电压差,虽然事实上因外电路的影响,晶体两端的电压可能会有差别,但这不是判断晶振是否起振的依据,也不是晶振电路正常工作的条件。至于一高一低没有工作是指一端为Vcc或接近Vcc,另一端为0或接近0,这时晶振电路当然没有起振,否则50%的占空比势将平均电压拉到1/2Vcc左右,但这么表达是不确切的,搞技术应该尽量定量精确描述。
3、听声音判断晶振是否起振不可靠,晶体的振荡频率远超人耳能够听见的频率上限,有时能够听到反而是有问题的,说明晶体质量不佳,更多的时候,正常工作的晶体是不会发出任何人耳能听到的声音的,有时声音来自外电路元件
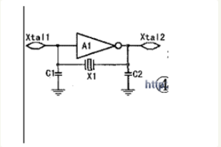
4、单片机的两个信号输入脚一个是19脚(XTAL1)一个是18脚(XTAL2)对应单片机内部的电路是高增益放大器,当外面接晶振的时候,19脚对应高增益放大器的输入端,18脚对应高增益放大器的输出端,所以你测量的时候应该是高增益输出端有信号也就是18脚
51单片机振荡电路?
在MCS-51单片机片内有一个高增益的反相放大器,反相放大器的输入端为XTAL1,输出端为XTAL2,由该放大器构成的振荡电路和时钟电路一起构成了单片机的时钟方式。根据硬件电路的不同,单片机的时钟连接方式可分为内部时钟方式和外部时钟方式,如图2.11所示

(a)内部方式时钟电路 (b)外接时钟电路

内部时钟原理图 (就是一个自激振荡电路)
在内部方式时钟电路中,必须在XTAL1和XTAL2引脚两端跨接石英晶体振荡器和两个微调电容构成振荡电路,通常C1和C2一般取30pF,晶振的频率取值在1.2MHz~12MHz之间。对于外接时钟电路,要求XTAL1接地,XTAL2脚接外部时钟,对于外部时钟信号并无特殊要求,只要保证一定的脉冲宽度,时钟频率低于12MHz即可。
晶体振荡器的振荡信号从XTAL2端送入内部时钟电路,它将该振荡信号二分频,产生一个两相时钟信号P1和P2供单片机使用。时钟信号的周期称为状态时间S,它是振荡周期的2倍,P1信号在每个状态的前半周期有效,在每个状态的后半周期P2信号有效。CPU就是以两相时钟P1和P2为基本节拍协调单片机各部分有效工作的。
史海拾趣
|
1概述 AD8132是一种低成本的具有单输入或差模输入和差模输出的放大器,它可用电阻来控制增益。AD8132有其独特的内部反馈,可以调整输出增益。当AD8132工作在10MHz时,可以保持- 68dB的相位平衡,还可以抑制谐波,并能有效降低电磁辐射,这一点是 ...… 查看全部问答> |
|
DSP 驱动的解决方案向此前不可能抵达的地区提供主线路 VoIP 服务 日前,德州仪器 (TI) 宣布宽带无线接入技术的领先供应商 SOMA Networks Inc. 在其 SOMAport™ 300 无线宽带网关调制解调器与 SOMA 宏基站中采用 TI TMS320C5509A 数字信号处 ...… 查看全部问答> |
|
《FPGA三国志》(八)Cyclone,Stratix,Vertex Cyclone 的出现和FPGA的市场定位和产品定位 好的技术是需要, 但是有效的市场定位和销售策略也要跟上。 在2002年左右, 为了更好服务各种不同市场的需要。 而且当时的DSP市场仍然不太明朗, 有的观望, 也有大力投入。 而且也有两种不同的策略。 ...… 查看全部问答> |
|
各位高手发表一下自己的见解啊。 问题如下: 我主板目前搭载一块集成网卡,但我我想避免该集成网卡驱动程序或者应用检测到,我该怎么做?? 1 bios里面禁用是否可以达到目的? 2 直接把集成网卡芯片从主板上取下来行不行 ...… 查看全部问答> |
|
我在静态文本控件上如果用MoveTo, LineTo画的话,正常显示,但是如果用SetPixel却不显示,这是为什么? 我重载了CStatic类,在OnPaint中: CPaintDC dc(this); memDC.CreateCompatibleDC(&dc) ; memBitmap.CreateCompat ...… 查看全部问答> |
|
internal error:in function:unknown diagnostic:unexpected exception p0:1 p1:0 我该怎么办?… 查看全部问答> |




