历史上的今天
今天是:2025年01月17日(星期五)
2021年01月17日 | 基于AT89S51单片机最小系统制作
2021-01-17 来源:eefocus
一、 确定任务
开发单片机最小系统
二、任务分析:
该系统具有的功能:
(1)具有2位LED数码管显示功能。
(2)具有八路发光二极管显示各种流水灯。
(3)可以完成各种奏乐,报警等发声音类实验。
(4)具有复位功能。
三、功能分析
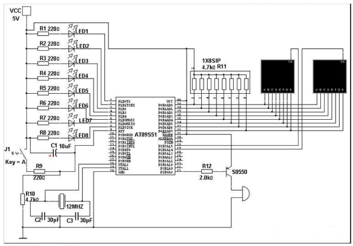
(1)两位LED数码管显示功能,我们可以利用单片机的P0口接两个数码管来现这个功能;
(2)八路发光二极管显示可以利用P1口接八个发光二极管实现这个功能;
(3)各种奏乐、报警等发声功能可以采用P2.0这个引脚接一蜂鸣器来实现。
(4)利用单片机的第9脚可以设计成复位系统,我们采用按键复位;利用单片机的18、19脚可以设计成时钟电路,我们利用单片机的内部振荡方式设计的。
四、设计框图

五、硬件电路设计
根据本系统的功能,和单片机的工作条件,我们设计出下面的电路图。

六、元件清单的确定
数码管:共阴极2只(分立)
电解电容:10UF的一只
30PF的电容2只
220欧的电阻9只
4.7K的电阻一只
1.2K的电阻一只
4.7K的排阻一只,
12MHZ的晶振一只
有源5V蜂名器一只
AT89S51单片机一片
常开按钮开关1只
紧锁座一只(方便芯取下来的,绿色的)
发光二极管(5MM红色)8只
万能板电路版15*17CM
S8550三极管一只
4.5V电池盒一只,导线若干。
七、硬件电路的焊接
按照原理图把上面的元件焊接好,详细步骤省略。
八、相关程序编写
针对上面的电路原理图,设计出本系统的详细功能:
(1)、第一个发光二极管点亮,同时数码管显示“1”。
(2)、第二个发光二极管点亮,同时数码管显示“2”。
(3)、依次类推到第八个发光二极管点亮,同时数码管显示“8”。
以上出现的是流水灯的效果
(4)、所有的发光二极管灭了,同时数码管现实“0”。
(5)、数码管显示“1”。
(6)、数码管显示“2、……”直到“9、A、B、C、D、E、F、Y”。
(7)、蜂鸣器发出九声报警声后重复上面所有步骤。
(8)程序如下:
ORG 0000H;伪指令,定义下面的程序代码(机器代码)从地址为0000H的单元存放。
LJMP START;跳转到标号为START的地方去执行。
ORG 0030H;伪指令,定义下面的程序代码(机器代码)从地址为0030H的单元存放。
START:MOV P1,#0FEH ;点亮第一个发光二极管。
CLR P2.7 ;送低电平到第一个数码管,开启数码管。
CLR P2.6 ;送低电平到第二个数码管,开启数码管。
MOV P0,#06H;让数码管显示“1” 。
LCALL DELAY;调用延时子程序,起到延时的目的。
MOV P1,#0FDH;点亮第二个发光二极管。
MOV P0,#5bH;让数码管显示“2” 。
LCALL DELAY;调用延时子程序,起到延时的目的。
MOV P1,#0FBH;点亮第三个发光二极管。
MOV P0,#4fH;让数码管显示“3” 。
LCALL DELAY;调用延时子程序,起到延时的目的。
MOV P1,#0F7H;点亮第四个发光二极管。
MOV P0,#66H;让数码管显示“4” 。
LCALL DELAY;调用延时子程序,起到延时的目的。
MOV P1,#0EFH;点亮第五个发光二极管。
MOV P0,#6dH;让数码管显示“5” 。
LCALL DELAY;调用延时子程序,起到延时的目的。
MOV P1,#0DFH;点亮第六个发光二极管。
MOV P0,#7dH;让数码管显示“6” 。
LCALL DELAY;调用延时子程序,起到延时的目的。
MOV P1,#0BFH;点亮第七个发光二极管。
MOV P0,#07H;让数码管显示“7” 。
LCALL DELAY;调用延时子程序,起到延时的目的。
MOV P1,#7FH;点亮第八个发光二极管。
MOV P0,#7fH;让数码管显示“8” 。
LCALL DELAY;调用延时子程序,起到延时的目的。
MOV P1,#00H;灭了所有的发光二极管。
MOV P0,#3FH;让数码管显示“0” 。
LCALL DELAY;调用延时子程序,起到延时的目的。
MOV P0,#06H;让数码管显示“1” 。
LCALL DELAY;调用延时子程序,起到延时的目的。
MOV P0,#5bH;让数码管显示“2” 。
LCALL DELAY;调用延时子程序,起到延时的目的。
MOV P0,#4fH;让数码管显示“3” 。
LCALL DELAY;调用延时子程序,起到延时的目的。
MOV P0,#66H;让数码管显示“4” 。
LCALL DELAY;调用延时子程序,起到延时的目的。
MOV P0,#6dH;让数码管显示“5” 。
LCALL DELAY;调用延时子程序,起到延时的目的。
MOV P0,#7dH;让数码管显示“6” 。
LCALL DELAY;调用延时子程序,起到延时的目的。
MOV P0,#07H;让数码管显示“7” 。
LCALL DELAY;调用延时子程序,起到延时的目的。
MOV P0,#7fH;让数码管显示“8” 。
LCALL DELAY;调用延时子程序,起到延时的目的。
MOV P0,#6fH;让数码管显示“9” 。
LCALL DELAY;调用延时子程序,起到延时的目的。
MOV R4,#9;送蜂鸣器的报警次数。
LOOP:SETB P2.0;不发声
LCALL DELAY;调用延时子程序,起到延时的目的。
CLR P2.0;发声。
LCALL DELAY;调用延时子程序,起到延时的目的。
DJNZ R4,LOOP;发声九次后向下执行。
SETB P2.0;关闭发声
LJMP START;跳转到标号为START处执行,循环本程序。
DELAY:MOV R7,#200;这是延时子程序。
D1:MOV R6,#200
D2:MOV R5,#200
D3:DJNZ R5,D3
DJNZ R6,D2
DJNZ R7,D1
RET;延时子程序返回指令。
END;结束伪指令。
九、利用KEIL C51 软件对上面的程序进行调试和编译,产生*.HEX文件,以便用编程器写入单片机芯片中。
十、编程器的使用:用编程器把电脑里生成的*.HEX文件写到芯片中。
十一、产品调试:通上4.5V(三节电池)的电源,可以调试本系统,如果没有错误就可以正常工作了。
下一篇:51单片机复位电路原理介绍
史海拾趣
|
软件开发工程师 5人 任职资格: 1、 大学本科及以上学历,光信息科学与技术、光通信等相关专业; 2、 熟练掌握C/C++编程语言及主流的工具平台; 3、 熟练掌握windows编程; 4、 2年以上软件工程经验、数据库开发 ...… 查看全部问答> |
|
关于PROTEUS,在PROTEUS里面由汇编语言生成".HEX"文件 最近一直在使用PROTEUS.但是如果使用PROTEUS本身来编译"ASM"文件,怎么老说不能生成".OBJ"文件,用的是AVR单片机. 软件装的应该没问题的. 谢谢!头都大了!… 查看全部问答> |
|
语音: 井下考勤室到了,请您下车 地面井口到,请您下车 15号煤水平到了,请您下车 620水平到了,请您下车 695水平到了,请您下车 前方来车请注意安全 正在行车严禁行人 这些都可以用WT588D来做,而且电路设计简单,灵活性强,用客可以随 ...… 查看全部问答> |
|
adc12位转换用的是 多通道序列关键的初始化为:ADC12CTL0 = ADC12ON+SHT0_2+REFON+REF2_5V; ADC12CTL1 = ADC12SSEL_1+SHP+CONSEQ_1; ADC12MCTL0 = INCH_0+SREF_1; ADC12MCTL1 = INCH_1+ SREF_1+EOS ; 主程序里头相关的程序while (1){ADC12CTL0 | ...… 查看全部问答> |
|
和大家请教一个问题,就是当螺线圈通过直流电是,可以通过毕奥—萨伐尔定律计算产生的磁场,当通过变电流或者是交流电时,不知应该怎么计算,产生的磁场是什么样子呢?谢谢大家~~~… 查看全部问答> |




