历史上的今天
今天是:2025年01月20日(星期一)
2021年01月20日 | 基于电力载波的智能校园节电系统研究
2021-01-20 来源:eefocus
简介:介绍一种基于51单片机的电力线载波技术的校园节电控制系统的工作原理和结构。直序扩频半双工异步调制解调器PL2102载波芯片,通过电力线载波应用系统实现教室电灯的管理和控制,给出用PL2102对电灯进行控制的基本原理、软硬件实现方法及其设计原理图。
引言
目前我校校园的照明系统仍在沿用简单的人工控制方式。这无疑不利于照明节电,常常存在忘记关灯等现象,浪费严重,而且灯具数量、照明耗电等难以量化管理。故有必要进行照明用电控制方式的革新,采用先进的数字化、网络化的控制方式可以从根本上杜绝无谓的浪费,而且可以规范照明用电的管理。
电力线载波通信技术是电力系统特有的一种通信技术,它是指利用电力线网络作为传输媒介,实现数据传递和信息交换的一种技术。它为用户提供数字化社区服务和电子商务,提供高速因特网访问服务、话音服务,可实现家庭办公和远程家电控制,还可实现防火、防盗、防有毒气体泄漏。电力线载波模块是电力线载波通信的核心部件和硬件基础,它使实现数据、语音、视频和电力传输的“四网合一”成为可能。
1 系统的工作原理
本系统主要由三个部分组成:上位机、主机、从机。由PC作为上位机,对整个系统起到监视和控制的作用。主机由一个单片机系统和载波通信模块组成。从机由单片机、通信模块和一些外围设备组成,如一些A/D采样单元、地址编码单元。
主机通过电力线载波的串行通信方式对从机进行监控。一个通信数据包由8字节数据组成:第1、第2字节是主机标识;第3字节是命令;第4、5字节是从机地址;第6~8字节为数据。主机采用广播方式发送命令数据,从机收到通信包后进行数据分析:一是识别主机是否是自己的上级主机;二是识别从机地址是否是自己的地址;只有在全部确认无误后从机才执行命令和相应的操作。
从机直接监控电灯的状态,通过电力线载波接收电路接收来自主机的指令,并执行相应的操作,完成对电流、电压、温度的采样处理,判断电灯是否工作正常,并根据数据分析判断路灯的工作状态是否正常。如果工作状态异常,就执行相应的操作,保护电灯,并把数据和警告发送给主机。

图1 载波收发电路结构
2 硬件电路的设计
2.1 主要器件的选择和相关的性能
PL2102是专为电力线通信网络设计的半双工异步调制解调器,仅由单一的+5 V电源供电,有一个外部的接口电路与电力线耦合。PL2102除具备基本的通信控制功能外,还内置了5种常用的功能电路如可数字频率校正的实时钟电路、32字节SRAM、电压监测、看门狗定时器及复位电路。它们通过标准的I2C总线接口与外部的微处理器相连,其中实时时钟与32字节SRAM在主电源掉电的情况下,可由3 V备用电池供电继续保持工作。PL2102是特别针对中国电力网恶劣的环境所研制开发的低压电力线载波通信芯片。由于采用了直接序列扩频、数字信号处理、直接数字频率合成等新技术,并采用大规模数字/模拟混合0.35 μm CMOS工艺制作,所以在抗干扰及抗衰落性能以及国内外同类产品性价比等方面有着出众的表现。
STC89C52是一种低功耗、高性能CMOS 8位微控制器,具有 8 KB在系统可编程Flash存储器。在单芯片上,拥有灵巧的8位CPU和在系统可编程Flash,使得STC89C52为众多嵌入式控制应用系统提供高灵活、超有效的解决方案。STC89C52具有以下标准功能:8 KB Flash、512字节RAM、32位I/O口线、看门狗定时器、4 KB EEPROM、MAX810复位电路、3个16位定时器/计数器、一个6向量2级中断结构、全双工串行口。另外 STC89C52可降至0 Hz静态逻辑操作,支持2种软件可选择节电模式。空闲模式下,CPU停止工作,允许RAM、定时器/计数器、串口、中断继续工作。掉电保护方式下,RAM内容被保存,振荡器被冻结,单片机一切工作停止,直到下一个中断或硬件复位为止。最高运作频率为35 MHz,6T/12T可选。

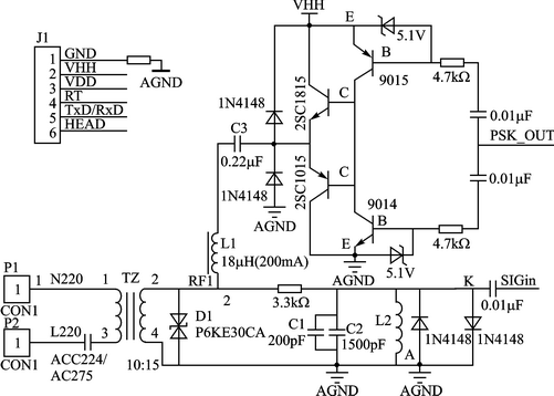
图2 载波电路原理图
2.2 电路设计
电力线载波电路的设计主要分为两个部分:电力载波信号接收电路和发送电路,如图1所示。
载波接收和发射原理如图2所示。接收信号部分:D1主要用于箝位,以防止过大的浪涌电流;C1、C2和L2并联谐振工作在f=120 KHz,具有对120 KHz信号的选频作用,对输入的微小信号进行放大,从而提高接收输出灵敏度。发射信号部分:发射回路电容C3、电感L1(18μH/200 mA)用于调整发射电流和波形,减小C3和增大L1将减小发射电流和改善波形;反之,将增大发射电流和波形失真情况。由于线圈的带载能力一定,调整C3和L1将影响线圈的发射功率和自身功耗。4个晶体管逐级放大,4个二极管起保护作用。发射电压VHH影响发射功率的大小,随着发射电压的下降,发射功率也下降,发射电压越高晶体管的自身功耗越大,一般发射电压选10~18 V。
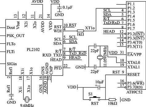
数据处理及控制电路如图3所示。当PL2102收到的载波信号经内部电路处理后,它将解调出数据位信息,并经RXD_TXD引脚输出,同时HEAD引脚同步输出低电平。当STC89C52的INT0产生中断并接收位后,会根据预定格式合成相应的指令信息;同时根据指令中所规定的时间设置来修改开关灯时间及开灯的比例,并执行开关灯的操作等。另外,它还将在开灯后监控电流、温度等参数,以便在严重超标时执行保护措施,同时及时给主机发送故障原因信息。

图3 数据处理及控制电路
3 软件设计
3.1 载波部分软件设计
系统软件采用C语言编写,并全部采用模块化编程。该部分的软件编程中,如何接收并发送载波信号是重点。图4给出了载波通信接收流程,图5是载波通信发送流程。

图4 载波通信接收流程
3.2 单片机与上位机通信部分设计
单片机采用中断的方式与PC通信,通过设置UART中断控制寄存器的中断控制位使能该中断。单片机数据发送程序流程图如图6所示。
上位机程序在Visual Basic 6.0(VB)环境下开发。VB支持面向对象的程序设计,具有结构化的事件驱动编程模式,并可以使用无限扩增的控件。利用VB可以使用3种方法完成串口通信:第一种是用VB提供的具有强大功能的通信控件;第二种方法是调用Windows API函数,使用Windows提供的通信函数编写移植性强的应用程序;第三种是利用文件的输入/输出完成,该方法简单易行,但有一定的局限性。
本系统采用第一种方法进行上位机程序开发,即应用VB提供的通信控件MSComm,文件名为MSCOMM.VBX。该控件具有完善的串口数据发送和接收功能,可对串口状态及串行通信的信息格式和协议进行设置。通过此控件,PC机可利用串行口与其他设备实现轻松连接,简单高效地实现设备之间的通信。

图5 载波通信发送流程

4 系统测试与运行
为了能更好地对整个系统进行验证,在校园教室内进行了系统的现场安装实验。根据现场的实际运行情况来看,系统能够按照所设计的思路进行正常的工作。经过近一年的运行测试,系统工作正常,能耗降低近30%。
当然,在现场实验过程中也遇到了很多需要改进的问题,例如:如何跨变压器进行载波通信;如何提高数据的传输距离;如何在硬件上改善短路后造成的整个线路故障;如何检测照明灯是否损坏等等。
结语
本文主要研究了电力线载波通信技术以及其在校园照明节电控制系统中的应用。通过设计载波通信模块及各控制器的硬件、通信协议、系统软件及上位机管理软件,利用现有的低压输电网传送信号,并将其应用于照明控制系统、系统既提高了管理效率,又节约了能源,减少了电费支出,还延长了灯具的使用寿命,具有很好的应用前景。
史海拾趣
|
DOS 微软一开始选用了派特森的Q-DOS “QUICK AND DISK OPERATING SYSTEM ”为基础然后再扩充功能而成 MS-DOS,主要是采用由IBM 提供的使用8088 微处理器的计算机作开发平台,它是以16 字节单人单工操作系统,特别适合一些功能简单 ...… 查看全部问答> |
|
专家好: 我的PDA前两天在公司测试部门发现,按键进入深度休眠后,不能马上按键唤醒,只有等5~6秒(大约值)后才能马上唤醒 我的按键休眠是设置的GPIO0,唤醒源也是GPIO0 具体的设置如下: &nbs ...… 查看全部问答> |
|
Windows Embedded CE 6.0帮助文档中介绍,Establishing a Modem Connection的流程如下: lineInitializeEx ↓ lineOpen ↓ lineMakeCall ↓ lineGetMessage & ...… 查看全部问答> |
|
我写了两段不同的verilog代码来实现同一个功能,现在我想比较哪个代码在FPGA上跑的更快,我在Quartus II里如何看出来呢,请各位指导我一下,谢谢。… 查看全部问答> |




