历史上的今天
今天是:2025年01月26日(星期日)
2021年01月26日 | 基于51单片机的舵机控制
2021-01-26 来源:eefocus
简介:基于单片机的舵机控制方法具有简单、精度高、成本低、体积小的特点,并可根据不同的舵机数量加以灵活应用
在机器人机电控制统中,舵机控制效果是性能的重要影响因素 舵机可以在微机电系统和航模中作为基本的输出执行机构,其简单的控制和输出使得单片机系统非常容易与之接口。
基于单片机的舵机控制方法具有简单、精度高、成本低、体积小的特点,并可根据不同的舵机数量加以灵活应用
在机器人机电控制系统中,舵机控制效果是性能的重要影响因素 舵机可以在微机电系统和航模中作为基本的输出执行机构,其简单的控制和输出使得单片机系统非常容易与之接口
舵机是一种位置伺服的驱动器,适用于那些需要角度不断变化并可以保持的控制系统 其工作原理是:控制信号由接收机的通道进入信号调制芯片,获得直流偏置电压 它内部有一个基准电路,产生周期为20ms,宽度为1.5ms的基准信号,将获得的直流偏置电压与电位器的电压比较,获得电压差输出 最后,电压差的正负输出到电机驱动芯片决定电机的正反转 当电机转速一定时,通过级联减速齿轮带动电位器旋转,使得电压差为0,电机停止转动 舵机的控制信号是PWM信号,利用占空比的变化改变舵机的位置 一般舵机的控制要求如图1所示

图1 舵机的控制要求
单片机实现舵机转角控制
可以使用FPGA、模拟电路、单片机来产生舵机的控制信号,但FPGA成本高且电路复杂 对于脉宽调制信号的脉宽变换,常用的一种方法是采用调制信号获取有源滤波后的直流电压,但是需要50Hz(周期是20ms)的信号,这对运放器件的选择有较高要求,从电路体积和功耗考虑也不易采用 5mV以上的控制电压的变化就会引起舵机的抖动,对于机载的测控系统而言,电源和其他器件的信号噪声都远大于5mV,所以滤波电路的精度难以达到舵机的控制精度要求
也可以用单片机作为舵机的控制单元,使PWM信号的脉冲宽度实现微秒级的变化,从而提高舵机的转角精度 单片机完成控制算法,再将计算结果转化为 PWM信号输出到舵机,由于单片机系统是一个数字系统,其控制信号的变化完全依靠硬件计数,所以受外界干扰较小,整个系统工作可靠
单片机系统实现对舵机输出转角的控制,必须首先完成两个任务:首先是产生基本的PWM周期信号,本设计是产生20ms的周期信号;其次是脉宽的调整,即单片机模拟PWM信号的输出,并且调整占空比 当系统中只需要实现一个舵机的控制,采用的控制方式是改变单片机的一个定时器中断的初值,将20ms分为两次中断执行,一次短定时中断和一次长定时中断 这样既节省了硬件电路,也减少了软件开销,控制系统工作效率和控制精度都很高
具体的设计过程:
例如想让舵机转向左极限的角度,它的正脉冲为2ms,则负脉冲为20ms-2ms=18ms,所以开始时在控制口发送高电平,然后设置定时器在2ms后发生中断,中断发生后,在中断程序里将控制口改为低电平,并将中断时间改为18ms,再过18ms进入下一次定时中断,再将控制口改为高电平,并将定时器初值改为2ms,等待下次中断到来,如此往复实现PWM信号输出到舵机 用修改定时器中断初值的方法巧妙形成了脉冲信号,调整时间段的宽度便可使伺服机灵活运动
为保证软件在定时中断里采集其他信号,并且使发生PWM信号的程序不影响中断程序的运行(如果这些程序所占用时间过长,有可能会发生中断程序还未结束,下次中断又到来的后果),所以需要将采集信号的函数放在长定时中断过程中执行,也就是说每经过两次中断执行一次这些程序,执行的周期还是20ms 软件流程如图2所示

图2 产生PWM信号的软件流程
如果系统中需要控制几个舵机的准确转动,可以用单片机和计数器进行脉冲计数产生PWM信号
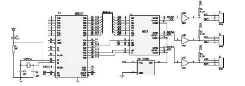
脉冲计数可以利用51单片机的内部计数器来实现,但是从软件系统的稳定性和程序结构的合适性看,宜使用外部的计数器,还可以提高CPU的工作效率 实验后从精度上考虑,对于FUTABA系列的接收机,当采用1MHz的外部晶振时,其控制电压幅值的变化为0.6mV,而且不会出现误差积累,可以满足控制舵机的要求 最后考虑数字系统的离散误差,经估算误差的范围在±0.3%内,所以采用单片机和8253、8254这样的计数器芯片的PWM信号产生电路是可靠的 图3是硬件连接图

图3 PWA信号的计数和输出电路
基于8253产生PWM信号的程序主要包括三方面内容:一是定义8253寄存器的地址,二是控制字的写入,三是数据的写入 软件流程如图4所示,具体代码如下
//关键程序及注释:
//定时器T0中断,向8253发送控制字和数据
void T0Int() interrupt 1
{
TH0 = 0xB1;
TL0 = 0xE0; //20ms的时钟基准
//先写入控制字,再写入计数值
SERVO0 = 0x30; //选择计数器0,写入控制字
PWM0 = BUF0L; //先写低,后写高
PWM0 = BUF0H;
SERVO1 = 0x70; //选择计数器1,写入控制字
PWM1 = BUF1L;
PWM1 = BUF1H;
SERVO2 = 0xB0; //选择计数器2,写入控制字
PWM2 = BUF2L;
PWM2 = BUF2H;
}

图4 基于8253产生PWA信号的软件流程
当系统的主要工作任务就是控制多舵机的工作,并且使用的舵机工作周期均为20ms时,要求硬件产生的多路PWM波的周期也相同 使用51单片机的内部定时器产生脉冲计数,一般工作正脉冲宽度小于周期的1/8,这样可以在1个周期内分时启动各路PWM波的上升沿,再利用定时器中断T0确定各路PWM波的输出宽度,定时器中断T1控制20ms的基准时间
第1次定时器中断T0按20ms的 1/8设置初值,并设置输出I/O口,第1次T0定时中断响应后,将当前输出I/O口对应的引脚输出置高电平,设置该路输出正脉冲宽度,并启动第2次定时器中断,输出I/O口指向下一个输出口 第2次定时器定时时间结束后,将当前输出引脚置低电平,设置此中断周期为20ms的1/8减去正脉冲的时间,此路 PWM信号在该周期中输出完毕,往复输出 在每次循环的第16次(2×8=16)中断实行关定时中断T0的操作,最后就可以实现8路舵机控制信号的输出
也可以采用外部计数器进行多路舵机的控制,但是因为常见的8253、8254芯片都只有3个计数器,所以当系统需要产生多路PWM信号时,使用上述方法可以减少电路,降低成本,也可以达到较高的精度 调试时注意到由于程序中脉冲宽度的调整是靠调整定时器的初值,中断程序也被分成了8个状态周期,并且需要严格的周期循环,而且运行其他中断程序代码的时间需要严格把握
在实际应用中,采用51单片机简单方便地实现了舵机控制需要的PWM信号 对机器人舵机控制的测试表明,舵机控制系统工作稳定,PWM占空比 (0.5~2.5ms 的正脉冲宽度)和舵机的转角(-90°~90°)线性度较好
上一篇:51单片机IO口的输入输出方式
下一篇:电热锅炉温度控制器的设计
史海拾趣
|
我有一个WINDOWS MOBILE的PDA,用的三星CPU,有高手能把这个系统改成WINCE.NET么?当然是要付费的,价钱商量. 我有一个WINDOWS MOBILE的PDA,用的三星CPU,有高手能把这个系统改成WINCE.NET么?当然是要付费的,价钱商量. 联系我QQ:86163938 MSN:myfm3a@hotmail.com 急… 查看全部问答> |
|
DirectDraw和DirectShow如何协调,正十分迷茫中 我开发一个游戏,采取独占模式,想在DIRECTDRAWSURFACE表面开辟一块区域用于播放视频,现在是没有办法看见视频播放的画面, 但是如果我把DirectDraw相关的代码去掉,只保留播放视频的代码,视频是能够正常播放的。另外请教高手知道如何使用MediaPl ...… 查看全部问答> |
|
一、变频恒压供水的特点1. 节能,可以实现节电20%-40%,能实现绿色用电。2. 占地面积小,投入少,效率高。3. 配置灵活,自动化程度高,功能齐全,灵活可靠。4. 运行合理,由于是软起和软停,不但可以消除水锤效应,而且电机轴 ...… 查看全部问答> |
|
购买或者黑金FPGA开发板换购ARM开发板,野火,神舟均可,多退少补。 我的FPGA板子是今年4月份在黑金官方淘宝店买的 RMB399 换购野火开发板或者神舟开发板。 不愿换购的话。 RMB 270 收野火(+液晶+jlink) RMB 200收神舟(+液晶+jlink) 可以的话 加QQ 411101807 这个论坛不常上,请直接加QQ,学生党,非诚 ...… 查看全部问答> |
|
MSP430G2开发板 ,LaunchPad实验板 元件 学习 TPS77301DGK品牌TI封装MSOP8 MSP430G2开发板 ,LaunchPad实验板 元件 学习 TPS77301DGK品牌TI封装MSOP8 大概:TPS77301DGK升降压稳压管复位IC供应小结 1.5-- 5.5v 常用的电源电压监督员(中职),或重置输出电压。 可能相关 :当前级接上高阻抗的后级它主要提供适切的输出电压 ...… 查看全部问答> |




