历史上的今天
今天是:2025年01月29日(星期三)
2021年01月29日 | 新日本无线和多摩川精机共同开发励磁放大器
2021-01-29 来源:EEWORLD
新日本无线新开发的用于检测混合动力汽车和电动汽车驱动轴和旋转轴旋转角度的低压驱动旋转变压器(角度传感器)励磁放大器NJU7870已经开始提供样片,该放大器可简化励磁电路设计,实现实装电路板和ECU※1小型化、轻量化以及提高产品可靠性。
※1 ECU : Electronic Control Unit(电子控制单元)
【概要】
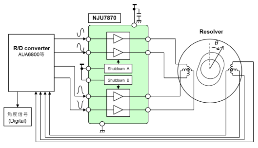
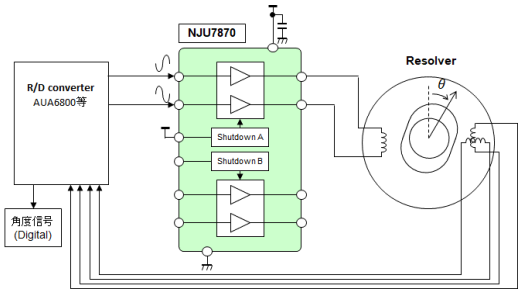
混合动力汽车和电动汽车等环保型汽车上必不可少的驱动电机要求高精度角度检测和高安全性,于是用于检测驱动轴和旋转轴角度的旋转变压器(角度传感器)则发挥着重要作用。在旋转变压器系统里,需要把检测到的旋转变压器信号转变为数字信号的R/D转换器和给旋转变压器提供励磁信号的励磁电路。
在旋转变压器、R/D转换器产品上拥有高市场份额和市场绩效的多摩川精机携手新日本无线共同合作开发高性能的旋转变压器系统,于是就开发出了这款旋转变压器励磁放大器NJU7870产品。
【产品特点】
1.最适合旋转变压器励磁的电压输入和电流输出励磁电路大幅度减少了设计负担
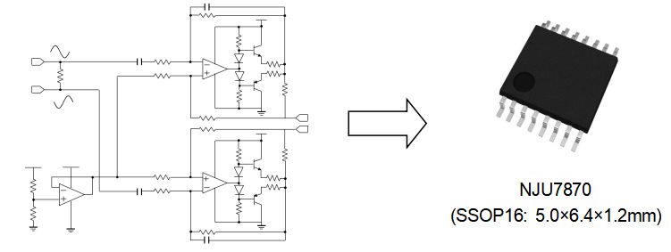
以往的分立元件构成,在构筑电压输入和电流输出(电流控制方式)励磁电路时,旋转变压器是电感负载,增加了电路设计的复杂性,常有简单计算和实际测量不合等问题存在。要想得到希望的特性,需要耗费许多设计精力。NJU7870集成了差分电压输入和差分电流输出的励磁电路,能够实现最适合驱动旋转变压器的电路特性。只需输入所希望得到的电流大小的差分电压信号就行,是款使用起来非常简单顺手的好产品,解决了以往分立元件电路设计的难题,大幅度减少了设计工时。

NJU7870励磁电路(由差分电压输入和差分电流输出构成)
2.采用了2路励磁电路,能对应多种旋转变压器系统
NJU7870搭载了2路差分电压输入和差分电流输出电路。可在外部控制各路工作,形成1相励磁或2相励磁方式,可和各种旋转变压器组合使用。另外,实现了在分立构成时难以做到的各相的高精度特性匹配,特别是2相励磁方式的旋转变压器系统,有助于电机旋转角度检测的高性能化。
电路构成例

2相励磁2相输出方式

1相励磁2相输出方式
3.采用小型封装SSOP16,最少外接元件,实现电路板小型化
NJU7870采用了小型封装SSOP16,外接元件只需连接电源端子的电容器。与以往的分立电路构成相比,大幅度缩减了实装面积。(比以往分立电路构成缩减90%:本公司调查结果)。

分立电路构成和NJU7870封装尺寸
【产品性能】
●工作电压 (2.4V to 5.5V)
●差分电压输入和差分电流输出
●跨导 (13.5mAP/VPP typ)
●工作温度范围 (Topr= -40ºC to +125ºC)
●消耗电流 (4mA typ.)
●内置过热关断电路
●内置外部控制关断功能
●封装 (SSOP16)
【应用】
●角度传感器(旋转变压器励磁电路)
【产品外观图】

【样片/生产计划】
●样片 已经开始提供
●量产 计划从2021年4月开始
史海拾趣
|
VerilogHDL assignment warning at <location>: truncated value with size <number> to match size of target (<number>原因:在HDL设计中对目标的位数进行了设定,如:reg[4:0] a;而默认为32位,将位数裁定到合适的大小措施:如果结果正确 ...… 查看全部问答> |
|
请教给位大仙,我已经把wince系统扩展,可以下载并运行40M以内的NK。 然而当NK超过40M之后,依照同样的方式仍然可以下载NK到NANDFLASH中,但是系统启动的过程中停住,不明白原因,希望大仙们指教。 是 ...… 查看全部问答> |
|
我想开发一个WINCE.NET下能控制伺服电机的应用软件,我有一块PC上用的PCI 4轴伺服控制卡(研华的)。用什么方法能在WINCE.NET 下用起来。有没有在WINCE下专用的伺服控制卡。望各位前辈回答小辈。谢谢了。… 查看全部问答> |
|
host: os:win2k+sp4 network adapter:Realtek RTL8139(A)-based PCI Fast Ethernet Adapter tornado 2.2 and vxworks 5.5 (TDK-14621-ZC-01) BSPs Drivers (TDK-14621-ZC-01) RamDiskNT v1.5.0 AMD pcnet x86 END Driver for VxWorks(v ...… 查看全部问答> |
|
符合以下大多数条件即可(薪水十分不错,工作地点:深圳) 联系方式:msn:chenhuanwanted@hotmail.com Essential Duties & Responsibilities: • Administration and management of the SW development team, ...… 查看全部问答> |
|
大家好,我用F149做异步串口传送程序,用U1传送口,传送一系列数组,希望大家帮我看一下程序是不是正确。 为什么我在IAR中加入了,UCOS不能生成文件呢?程序如下: #include <msp430x14x.h> #define ANUM 11 static char TAX[ANUM]={0x ...… 查看全部问答> |
|
作者:赵思潇 来源:EEWOLRD “梦想的产品已经开始发货了。”赛灵思全球高级副总裁,亚太区执行总裁汤立人先生在发布会上激动地宣布,“我们在6年前开始规划这样一款产品,3 ...… 查看全部问答> |




