历史上的今天
今天是:2025年01月31日(星期五)
2021年01月31日 | 基于软开关技术的PWM变频调速系统
2021-01-31 来源:eefocus
简介:软开关电力电子技术利用在零电压(零电流)条件下控制开关器件的导通和关断,从而在理论上实现了开关器件的零损耗。介绍一个基于软开关技术的 PWM 变频调速系统。利用8051单片机组成控制系统,来控制 IGBT 的导通和关断。在主电路中,采用辅助二极管谐振极 PWM 逆变器来实现软开关技术。
1引言
PWM(脉宽调制)功率变换技术省去了庞大笨重的工频变压器,减小了装置的体积重量,提高了电源的功率密度与整机效率。然而,在硬开关状态下工作的PWM变换器,随着开关频率的上升,一方面开关管的开关损耗会成比例地上升,使电路效率降低,处理功率的能力减小;另一方面,会产生严重的电磁干扰(EMI)。
由于功率开关管并不是理想开关,开通和关断都需要一定时间,在这段时间里,在开关管两端电压(或电流)减小的同时,通过的电流(或电压)上升,形成电压和电流波形的交叠,从而产生了开关损耗。本文介绍一种采用软开关技术的PWM变频调速系统,使开关损耗大幅减小。
2软开关技术的优点
所谓软开关通常是指零电压开关ZVS(zerovoltageswitching)和零电流开关ZCS(zerocurrentswitchingz)或近似零电压开关与零电流开关。
硬开关过程是通过突变的开关过程中断功率流完成能量的变换过程;而软开关过程是通过电感L和电容C的谐振,使开关器件中电流(或电压)按正弦或准正弦规律变化,当电流自然过零时器件关断;当电压降到零时,器件导通。开关器件在零电压或零电流条件下完成导通与关断的过程,使器件的开关损耗理论上为零。
软开关技术的应用,在理论上使开关管的开关损耗为零,从而可以使开关频率进一步提高,使电力电子变换器具有更高的效率,更高的功率密度,体积、重量大大减小,具有更高的可靠性;并可有效地减小电能变换装置引起的电磁污染(EMI)和环境污染(噪声等)。
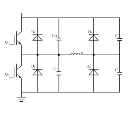
3ADRPI变换桥臂的拓扑结构及工作原理
辅助二极管变换极逆变器(ADRPI)拓扑结构见图1。若定义电路中Q1导通、Q2截止为“1”状态,而Q2导通、Q1截止为“0”状态,则这种变换桥臂的基本工作原理是:

图1 ADRPI一条变换臂的拓扑结构图
(1)设电路的初始状态为“1”状态,即Q1导通、Q2截止,极电压VC2由于箝位二极管Dc的作用被箝位在电源电压Vin,电感电流iL为稳定正值,电感电压VL等于零,这时的电感L作为能量储存元件而存在。这个状态的持续时间由系统的PWM调制策略所决定。
(2)当电路需从“1”状态变为“0”状态时,在缓冲电容CC1的作用下关断Q1,电感电流iL通过二极管D2续流,电感L与电容C2谐振。当iL由正值变为负值时,Q2在零电压条件下自然导通。当VC2谐振到零时,二极管Dfw导通,VC2被箍位在零值,iL保持为稳定负值,VL为零,电路保持在“0”状态。
(3)当PWM调制要求电路从“0”状态变回到“1”状态时,在缓冲电容CC2的作用下关断Q2,iL通过二极管D1续流,L与电容C1谐振。当iL由负值变为正值时,Q1在零电压条件下自然导通。当VC2谐振到Vin时,二极管Dc导通,VC2被箝位到电源电压Vin,iL保持为稳定正值,VL为零,电路回到“1”状态。
从以上ADRPI变换桥臂的工作过程可看出,开关次序Q1D2Q2D1,给所有开关器件提供了最优越的开关环境。在Q1、Q2的导通过程中,通过带有零电压检测的基极驱动电路检测横跨开关器件两端的电压,以保证当二极管D1或D2停止导电后,Q1或Q2迅速自然导通,这样就基本上消除了器件的导通损耗。而且在这个过程中并不需要使用快速二极管,二极管D1、D2在通过其上的电流为零后自然关断。Q1、Q2的关断过程是在缓冲电容CC1、CC2的作用下完成的。在Q1、Q2关断的瞬间,其上电压为零,而后,其上的dv/dt将受到CC1、CC2的限制,这样就完全排除了在关断过程中大电流和高电压同时存在的可能,从而极大地减少了关断损耗。二极管Dfw和Dc也具有非常良好的工作环境,其上的dv/dt被谐振电容所限制,而关断时的di/dt又被电感L所限制。
在这种零电压开关模式下工作的大功率开关管,只有在横跨其两端电压为零时才能导通,这意味着同一桥臂的另一开关此时承受着全部电压,即已经关断。因此这种技术从根本上排除了由于直通而造成电源短路的可能,使逆变桥臂的工作具有很高的可靠性。图1所示拓扑结构又称为结实型变换桥臂(ruggedinvertleg)。
使用一条结实型桥臂,可使稳定的直流电源变为可调节的直流电源,输出电压随着占空比的变化从零电压变化到电源电压,并且允许功率反向流动,这种电源可用于两象限的直流传动控制。使用两条结实型桥臂,可构成一单相交流电源,这种逆变器理论上对负载功率因数没有任何限制,因此可用于不间断电源或单相交流传动控制系统。
我们在主电路中使用三条结实型桥臂构成三相交流逆变器,这种逆变器可对具有任意功率因数的三相不平衡负载供电,可用于三相交流传动控制系统。
4控制电路和系统应用软件的设计
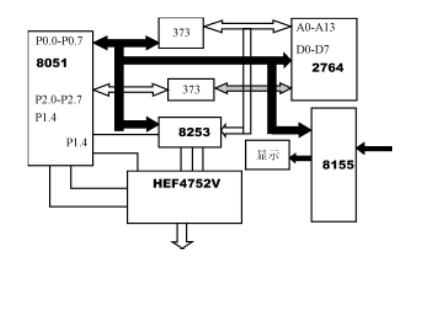
41系统控制电路
系统控制电路如图2所示。

图2 系统控制电路原理图
系统控制电路以8051单片机为中央单元,与825316位可编程计数/定时器、8155可编程RAM、I/O口扩展芯片及EPROM等组成HEF4752V的支持电路。
8051主要完成控制工作,向8253送时间常数和控制字。8253的三个计数器分别生成HEF4752V所需的fvct、ffct、frct和foct。8155用于扩展I/O口,接受控制字,给定各切换点的开关频率值。
鉴于本系统对精度要求不高,控制系统采用开环控制。利用PWMIC,使控制系统的软硬件设计较为简单,而且,本系统具有良好的保护功能和检测功能,系统输出的电压波形中谐波次数也很高,极易滤除。
HEF4752共分8个载波区段,载波频率比N=15、21、30、42、60、84、120、168,载波频率比与输出频率的关系见表1。对应每个载波频率比区段,FCT计数器送出2N个δi数据供脉宽调制用。在相同的载波频率比N下,fvct越高,则调幅比a越小,使输出电压越低。这样,就得到了经双边调制的某相输出信号。当载波频率比N与fvct确定以后,一个周期中调制值δi的变化规律也就相应确定。
表1 载波频率比与输出频率的关系

HEF4752输出SPWM波的频率f是由FCT时钟计数器经3360分频后得到的。而开关频率fr则是FCT计数器经与载波频率比N的8个值对应的8组分频器分频后得到。这8组分频器分频数分别是224(对应N=15)、160、112、80、56、40、28、20(对应N=168)。必须根据开关器件容许的开关频率来限制最高开关频率frmax。
在频率比变化点附近,为了避免不稳定,设置了频率比重叠区。
IGBT是电压驱动,对驱动电路的要求比较高,一般有分立元件构成的驱动电路和集成化专用驱动电路。本系统采用HL402具有先降栅压、后软关断的双重短路保护功能的芯片。其性能更好,整机的可靠性更高及体积更小。
42系统应用软件的设计
在系统应用软件的设计过程中,本系统采用了如下措施:
(1)HEF4752各端口的连接
HEF4752的三个时钟输入,由8253的三个计数器输出,计数器的“0”号输出端,接到HEF4752的FCT时钟输入端;计数器的“1”号输出端接到HEF4752V的OCT和RCT时钟输入端;计数器的“3”号输出端接到HEF4752的VCT时钟输入端。
(2)8253的时间常数
8253的计数时钟为2MHz,得到三个通道的时间常数为
0#ffct0012H
1#frct、foct0007H
2#fvct0008H
在程序中,我们规定控制方式字如表2所示。
表2 控制方式字内容

8051从8155读入控制方式字及输出频率,向8253送入相应的时间常数,按控制方式字提供的控制方式来控制。当系统没有接到中断信号的时候,仍按以前的方式输出,当系统接到中断信号时,8051会重新读入控制方式字和给定频率,改变输出状态。
史海拾趣
|
用L3M ARM AD输入电压范围为0-3.3V,而ARM片内基准电压为3V,如何解决? 用L3M系列ARM的AD输入电压范围为0-3.3V,而ARM的片内基准电压为3V,有什么好方法?… 查看全部问答> |
|
近来在Inltel Atom平台N270上想搭配640x480 单6bit LVDS Panel,来实现CRT+LVDS双显功能,但发现Intel发布IGMA VGA驱动安装后,Panel不会显示,因此现想借助Intel IEGD9.1.1开发环境定制IEGD驱动,因此现想请各位好友告知哪里有IEGD9.1.1安装包,来 ...… 查看全部问答> |
|
我用的是2440,之前通过uart口与手机模块进行通信,从而可以上网和打电话,现在想将原来的手机模块换成一款只有usb接口的,但是该手机模块可以作为串口设备被识别,我想在ce上实现上网和打电话,不知道该怎么做呢?有没有高手指点下,感觉没有方向 ...… 查看全部问答> |
|
我想实现一个功能,就是用一个单片机(如:AVR的),一个flash闪存芯片(容量大的,类似U盘上的那种),我想让单片机通过I/O接口读取放在flash芯片上的命令数据(一个2进制的文件?),然后经过单片机的CPU处理,执行命令,完成指定动作。目的:( ...… 查看全部问答> |
|
原来用的小屏一切正常,触摸响应很快,现在使用了大屏,触摸响应很慢,采样次数下降了很多,这是怎么回事?? ps:大屏的触摸屏是好的,在linux下测试正常。wince下触摸优先级119… 查看全部问答> |
|
见到一个帖子中关于写管脚“~0”用1代替说不行,有见到一个帖子说“~0”用1代替说行,那究竟行还是不行,这里给出完满的答案。 ============================================================ 看看函数原型 void GPIOPinWrite(unsigned long u ...… 查看全部问答> |




