历史上的今天
今天是:2025年02月01日(星期六)
2021年02月01日 | 555内部电路结构与万用表测试555芯片的性能
2021-02-01 来源:elecfans
首先介绍下555的内部电路结构,如下,其中,三极管起控制作用,A1为反向比较器,A2为同向比较器,比较器的基准电压由电源电压+Vcc及内部电阻的分压比决定。RS触发器具有复位控制功能,可控制三极管的导通与截止。

555内部电路
》》》》触摸开关电路

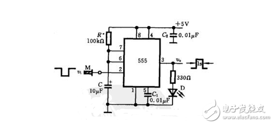
555组成单稳态触发器可以用作触摸开关,电路如下,其中M为触摸金属片或者导线,无触发脉冲输入时,555的输出V0为“0”,发光二极管D不亮。当用手触摸金属片M时。相当于端口2输入一个负脉冲,555的内部比较器A2翻转,使输出V0变为高电平“1”,发光二极管亮,直至电容C上的电压充到Vc=2Vcc/3为止。二极管亮的时间Tp=1.1RC=1.1s。下图中电路可用于触摸报警,触摸报时,触摸控制等,电路输出信号的高低电平与数字逻辑电平兼容。图中,C1为高频滤波电容,以保持2Vcc/3的基准电压稳定,一般取0.01uF, C2用来滤波电源电流跳变引入的高频干扰,一般取0.01uF ~0.1uF.
》》》》分频电路

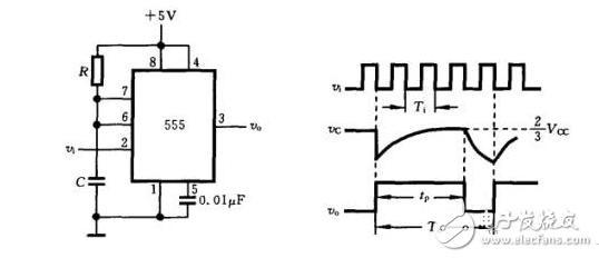
由555组成的单稳态触发器可以构成分屏系数很大的分频电路,如下图,设输入信号Vi 为一列脉冲串,第一个负脉冲触发2端后,输出V0变为高电平,电容C开始充电,如果RC》》TI ,由于Vc 未达到2Vcc/3, V0将一直保持为高电平,T截止。这段时间内,输入负脉冲不起作用。当Vc 达到2Vcc/3时,输出V0很快变为低电平,下一个负脉冲来到,输出又跳为高电平,电容C开始充电,如此周而复始。
输出脉冲延迟时间tp=1.1RC 输出脉冲周期T0=NTI
分频系数N主要由延迟时间tp决定,由于RC时间常数可以取得很大,故可获得很大的分频系数。
》》》》两级定时器

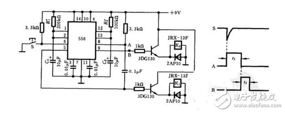
如下是由一片556(双555)组成的两级定时器电路,第一级定时器被开关S触发时产生延迟脉冲A驱动继电器K1, A的延迟时间 t1 = ~1.1 R1xC 1
A 脉冲结束时产生的负跳变又触发第二级定时器,产生延时脉冲B,驱动继电器K2 ,B 的延迟时间 t2= ~ 1.1R2xC2
这样,每触发一次开关S,可自动完成继电器K1和K2的启动与复位,因此该电路可以实现时序操作及控制。
万用表测试555芯片性能
1.555芯片静态功耗的测试

555时基电路简称555,是一个用途甚广的电路。下面介绍用万用表对555时基电路的测试方法。
图1所示为万用表对555静态功耗的测试电路。 所谓静态功耗,就是指电路无负载时的功耗。在这里,用万用表的直流电压50 V档测出UCC值(按厂家测试条件Ucc=15 V),再用万用表的直流电流10 mA档串入电源与555的⑧脚之间,测得的数值即为静态电流,用静态电流乘以电源电压即为静态功耗。通常,静态电流小于8 mA为合格。
2.555芯片的输出电平测试方法
测试方法如图2所示。

在555的输出端接万用表(将量程开关拨至直流电压50 V档)。断开开关S时,555的③脚输出高电平,万用表测得其值大于14 V;闭合s时,555的③脚输出低电平(0 V)。
3.555芯片输出电流的测试
测试电路如图3所示。

在555的②脚加一个低于Ucc/3(即1/3&TImes;15 V=5 V)的低电位,也可用一只阻值为100 kQ的电阻器将555的②脚与①脚碰一下,这时万用表显示的即为输出电流;然后还用这只电阻器, 将555的⑥脚与⑧脚碰一下,若此时万用表的显示为零,则表明555时基电路可靠截止。进行以上操作时,将万用表的量程开关拨至电流1000 mA档。
上一篇:万用表怎么判断电位器的好坏
史海拾趣
|
将手机和PC机用USB相连: 当先将未开机的手机用USB线连到PC上,再打开手机时,从PC上向手机发送AT指令,手机能向PC返回OK;可是当先将手机开机,再将手机用USB线连接到PC机时,从PC上向手机发送AT指令,手机却不能向PC返回任何东西。不知以上是什么 ...… 查看全部问答> |
|
我打开了一个WordPad(它是由好几个窗口组合在一起的),用触摸笔点一下,输入编辑窗口就获得了键盘光标,即输入焦点,但是我用在EVC中用GetFocus函数去获取键盘光标所在窗口的句柄为0? 我用GetForegroundWindow函数获得的是键盘光标所在窗口的父 ...… 查看全部问答> |
|
usb host stack外包给了一家公司做,主要包括Audio class, Mass storage class, HID class driver。想请教如何进行验收,如何进行验收测试?… 查看全部问答> |
|
我在使用KeiluVision2时,编译时出现Tool path not defined:bad or missing\'C:\\Documents and Settings\\Administrator\\桌面\\新建文件佳\\TOOLS.INT\' ,(其中OOLS.INT文件和UV2文件夹在刚解压时在同一个新建的文件夹里),我想知道这是怎么 ...… 查看全部问答> |
|
请教关于lpIssueInterruptTransfer()函数的问题,高手来指导啊,谢谢! readerExtension->hIntTransfer = (*(readerExtension->pUsbFuncs)->lpIssueInterruptTransfer) (readerExtension->hPipeInt, ...… 查看全部问答> |
|
大家好?WIN2000下,以太网网络,双网卡热备份,也就是一个网卡坏了,另一个冗余网卡热切换,两个网卡同一个IP地址,实现方案是什么?使用哪些工具,技术?代码是什么?我的QQ:270996889 E-MAIL:SDTZ_ZZ@126.COM,热切期待您的回复.谢谢!… 查看全部问答> |
|
香主,STM32芯片对打静电时出现的死机现象,CPU进入了什么状 对于通过光耦到CPU管脚的开关量输入输出接口,打静电8000V,CPU会出现死机想象,有时候过上1~2分钟CPU会被看门狗复位活过来,有时候就彻底死了。 先讨论被看门狗救活的情况: 为什么会1~2分钟CPU才活 ...… 查看全部问答> |
|
把STM32的Flash分成两部分,0x0800 0000开始20K称为boot层,其它空间为CTRL层。boot主要功能是利用USB去升级CTRL的程序。同样CTRL也用到USB,USB部分代码全部相同,只是中断向量表不一样。这样在boot层有一次USB枚举,然后断开USB设备,在以ct ...… 查看全部问答> |




