历史上的今天
今天是:2025年02月01日(星期六)
2020年02月01日 | MSP430F5529 默认时钟频率(1.05MHz)的来源探究
2020-02-01 来源:eefocus
相信很多小伙伴跟我一样好奇 MSP430FF5529的 初始时钟是哪里来的,是多少
接下来我和大家一起分析一下!
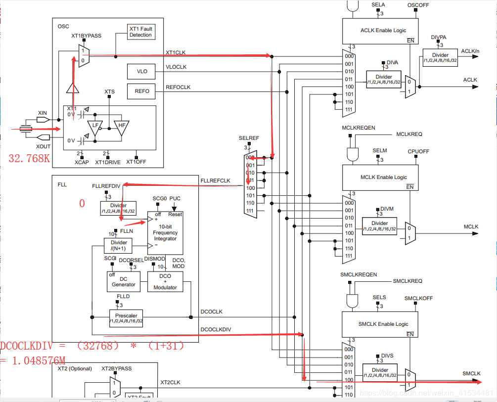
首先我认为比较可疑的是 那些默认的参数,一些Reset值不是0的参数 十分的可疑,我们着重的看看他想表达什么意思

我查找UCSCTL这个寄存器的第一个值是UCSCTL1 的DCOSEL位 这一位是2 在芯片的Datesheet里面我找到了这个,貌似是没什么太大的用处。

接下来一个比较让人感兴趣的寄存器就是这个

FLLD = 1 这个好理解

接下来 有意思的来了 : FLLN = 0x1F = 31

这是书册里面 很重要的一个公式! 暂且先不说作用,我们现在先追溯一下我们的时钟是从哪里来的

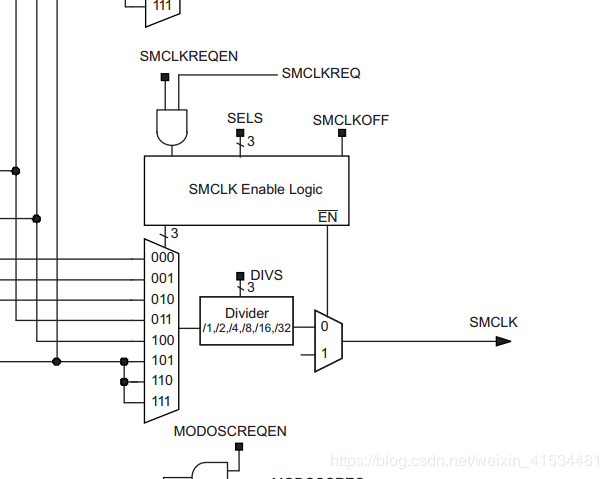
如图 我需要看一下时钟选择的默认值

我找到了这里 这个位是默认是0 说明输出的SMCLK是 直接从上一级输出来的没有经过分频! 我们继续找上一级是哪里来的这个没有被分频的时钟 接下来我们找到了这个寄存器

SELS =4H 这说明 SMCLK来自未经分频的DCOCLKDIV
到了这一步 我们就应该去找这个DCOCLKDIV了 他是DCOCLK经过分频得到的
FLLD = 1

从这个公式 我们可以退出来 Fdcoclkdiv = (31+1)*F (fllrefclk) 继续反向找

接下来是FLLREFDIV

这一位默认是0 不分频 然后就是FLLREFCLK

这边我们发现是选择的是XTALCLK 至此 应该已经明了了 系统的时钟来自于

外部的 32.768KHz 的RTC时钟!!

这几乎跟我们测得一样!
史海拾趣
|
//=============头文件=========== #include //chip----ATMEGA64 #include #include #include #include //========================================== void init_timer0(void); void init_uart0(void); vo ...… 查看全部问答> |
|
#ifndef __TARGET_H 这个(__TARGET_H)与文件名有没有关系 #define __TARGET_H 这句也不清楚啊,应该后面有个常量吧? #ifdef __cplusplus extern \"C\" {&nbs ...… 查看全部问答> |
|
在2440的板子上,HGO160160的液晶,8位数据线,1位地址线,1个复位,1个片选,还有读写信号线,本人刚接触WINCE不久,以前是用单片机控制的,WINCE控制这个的硬件部分完成了,主要是软件部分的驱动设计问题,我没有WINDOWS编程基础,所以感觉很难, ...… 查看全部问答> |
|
qt-embedded-3.3.8在s32410开发板上的移植问题? 最近在2410开发板上移植qt-embedded-3.3.8,交叉编译步骤如下:arm-linux-cross-2.95.3.tar.bz2在/usr/local/arm/2.95.3已装好,并且环境变量也配置好!第一步.tar jxvf qt-x11-free-3.3.8.tar.bz2mv qt-x11-free-3.3.8 qtx11cd qtx11export QTDIR= ...… 查看全部问答> |
|
请教各位前辈:泰克的老款二手频率计,1.3G, 1PPM,400元值得收么? 如题,卖家说机器里面看着非常新,功能正常,没用到贴片件。从用的元器件看是97年出的。指标比国产便宜的机器还好很多,频率范围不太大但也够用了。 问问各位高人还值得收吗?先谢了!… 查看全部问答> |
|
我初学msp的c,写了个小程序,程序如下: /********************************************************************************************\\ 文件名:chushi.c 描述:MSP430框架程序。程序为MSP430F149编写,此处为简单的MSP程序,为初始学习 ...… 查看全部问答> |
|
replyreload += \',\' + 1330758;下面提供TI的电管理解决方案2012最新版本(中英)值得收藏!主要内容包括新兴的电源应用,如:太阳能充电,混合动力汽车电池管理,能力收集,无线电源等最新技术应用。以及电池充电管理,电池电量检测,电池认证等 ...… 查看全部问答> |




