历史上的今天
今天是:2025年02月09日(星期日)
2021年02月09日 | 面向高温极端环境的高可靠精密数据采集与控制平台
2021-02-09 来源:EEWORLD
作者:Jeff Watson和Maithil Pachchigar
简介
在许多恶劣环境系统中,一个不断增长的趋势是高精密电子器件离高温区域越来越近。这一趋势背后有多个推动因素,在能源勘探、航空航天、汽车、重工业和其他终端应用中都有体现。1 例如,在能源勘探领域,环境温度增幅为深度的函数,相关设备的典型工作温度为175°C及以上。受尺寸和功率限制,有源冷却不太实际,热对流非常有限。在其他系统中,需要把传感器和信号调理节点置于高温区域附近,比如发动机、刹车系统或高功率能源转换电子器件,以提高系统的整体可靠性或降低成本。
从历史上来看,工程师要为这些应用设计出可靠的高性能电子器件是非常困难的事,因为市场上缺少制造商为这些工作条件生产指定的组件。幸运的是,近年来出现了越来越多的(IC和无源)组件,制造商指定的工作温度高达175°C及以上。另外,最近的参考设计也偏重于性能,将部分这些组件在信号链子系统中结合起来,实现精密数据采集,以使系统设计师能更快地采用相关技术(如CN-0365),并帮助他们降低设计风险、缩短上市时间。但在此之前,在高温精密数据采集方面,距离特性良好、广泛可用的全功能平台还存在一些差距。
在本文中,我们将介绍一种新型高温精密数据采集与处理平台,其工作温度高达200°C。该平台包括一个高温电路组件,以及一个数据采集前端和微控制器、优化的固件、数据采集与分析软件、源代码、设计文件、材料清单和测试报告。该平台适合参考设计、快速原型制作和高温仪器仪表系统实验室测试。电路组件的尺寸和结构均经过特别设计,可兼容石油天然气仪器仪表的尺寸要求,但也可作为其他高温应用的基础。
硬件架构概述
油气勘探中使用的仪器仪表(也称为井下工具)与许多精密数据采集与控制平台类似,但对性能和可靠性有着具体的要求,可以作为本参考平台的案例进行研究。在该应用中,系统来自各类传感器的信号采样,以收集与周围地质构造相关的信息。这些传感器可能是电极、线圈、压电传感器或其他传感器。加速度计、磁力计和陀螺仪可以提供有关钻柱的倾角和转速信息。这些传感器中有一些的带宽要求极低,其他传感器则能提供音频频率范围内或以上的信息。需要使用多个采集通道,还必须在高温(一般为175°C及以上)下维持高精度。另外,这些仪器仪表中很大一部分采用电池供电,或者可用电能有限,因此,必须具有低功耗和多个工作模式的特点,以实现功耗优化。
在有关电子系统的要求以外,井下应用还存在机械上的限制,可能决定着电子组件的尺寸,也可能会影响组件的封装和选择。对于后一个问题,我们将在后面各节里详细讨论,目前要注意的是,这一段的电路组件一般对电路板宽度有限制。必须将电子组件放在钻探作业中使用的管状压力容器中,因此其长宽比具有狭长的特点。这种形状上的特点限制了可用组件的尺寸和密度,也可能限制组件布局和信号路由的分割方式,结果可能对高精度电子器件的性能造成影响,因此,要特别注意布局和其他封装设计细节。图2所示为一种典型尺寸、装在一个管状压力容器里的电路组件(透明,顶部),装上电路板后管状压力容器的横截面(底部)。
本文讨论的可靠参考设计平台基于CN-0365模拟前端参考设计,其目的是为基于高温低功耗微控制器的精密数据采集和控制解决方案奠定基础,使其符合众多井下仪器仪表和其他高温电子器件的要求。基于AD7981模数SAR转换器,该参考设计展现了一种全功能的系统,带2个高速同步采样通道和8个额外的多路复用通道,可满足广泛的井下工具的数据采集需求(共10个通道)。该模拟前端通过SPI端口接入来自联盟合作伙伴Vorago Technologies和Petromar Technologies的VA10800 ARM® Cortex®-M0。该设计是不断壮大的ADI高温应用产品和解决方案生态系统里的最新成员。

图1.高温参考平台。
采集后,可以在本地处理数据,也可通过UART或可选的RS-485通信接口传输出去。电路板上的其他配套组件(包括内存、时钟、电源和无源器件)均为各自供应商指定的、支持高工作温度的器件,经验证,这些组件能在200°C或以上的温度下可靠地工作。图1和图2所示为该高温参考平台的实际电路板图和高层次功能框图。图2所示电路板展示的是井下电路板布局和尺寸,约长11.4英寸、宽1.1英寸。

图2.井下电子组件尺寸。
CN-0365应用笔记中全面地介绍了该平台精密数据采集通道的设计问题。3 该设计是这个平台上的三个ADC输入的基础,不过,为了满足电路板尺寸要求,使平台能在最高200°C的温度下可靠地工作,主要在无源元件选择方面进行了一些调整和优化。参考采集通道电路如图4所示。有2个能在高采样速率下工作的数字多路复用通道,每一个都含有一个完整的数据采集通道(与CN-0365类似)。还有一个模拟多路复用通道,其在输入之前添加了一个ADG798多路复用器,并针对低吞吐量输入进行了优化。R1和R3为U1的同相输入提供1.25 V偏置电压,防止其在断开时或者取消选择多路复用器时,浮动至模拟输入的供电轨。可以更改R8和R9,以提高U1的增益。R4、R7和C1是抗混叠滤波器,但也可以将它们重新配置为衰减器或交替滤波器配置。R5、R6和C4构成ADC驱动器与ADC输入之间的RC滤波器,该滤波器的作用是限制到达ADC输入的带外噪声量,并衰减来自ADC输入开关电容的反冲电压。4

图3.高温参考平台功能框图。

图4.ADC驱动器配置。
设计该平台就是为了利用AD7981 ADC的多个关键特性。这款16位、600 kSPS转换器能提高超过85 dB的典型SINAD以及±0.6 LSB的典型INL,其中,基准电压源为2.5V且无丢码。采用5 V基准电压源时,可以实现90 dB以上的SINAD,但在本平台中,为了维持与较低电压系统的兼容性,我们没有选择这一规格。由于ADC内核在转换周期之间会自动进入省电状态,因此,ADC的功耗会随吞吐量自动线性变化。在使用低采样速率的转换器时,这样做可以实现节能。
软件概述
固件
平台的固件基于FreeRTOS操作系统制成,可以方便地集成任务,如数据处理和其他通信。我们对代码进行了优化,以便非多路复用通道0和1能高效地完成快速ADC转换,多路复用通道2到9的转换耗时低至10 μs。转换结果可以在本地处理,也可以2 Mbps的速率从UART通道中传输出去。转换结果缓冲器的大小为16 kB(8k次采样结果),既可在多个通道之间共享,也可专门供一个通道使用。该固件以开源格式提供,最终用户可以对其进行定制,还可将其作为最终应用的基础。
数据采集与分析软件
图5所示为数据采集与分析软件,基于.NET接口设计,电源组件通过一个USBUART-TTL电平转换器。借助定义明确的协议,可以与硬件(包括控制和数据流)进行通信。数据可以在突发模式下采集数据,也可连续采集。另外纳入了数据分析功能,以在时域和频域分析与验证SNR、THD和SINAD(如FFT)。也可将数据记录到文件(如导出到Excel),以便存储起来或者在其他应用中进行处理。就如固件一样,我们免费提供了数据采集软件的源代码,最终用户可以进行定制。

图5.数据采集与分析软件。
高温构造
本参考平台采用适合在200°C条件下工作的组件和其他材料制成。平台上使用的所有组件均为各自制造商指定的高温工作组件(另有说明时除外),并且全球经销商网络已经开始大量供货。全部BOM、PCB布局图和装配图纸都随参考设计包免费提供。
电容
用C0G或NP0电介质电容进行小容值的滤波器和去耦。这些电介质电容的温度系数表现极其平坦,一般而言,其对屈曲应力的耐受性更好。5 为使RC滤波器具有高Q、低温度系数,并且在变化电压下具有稳定的电气特性,建议使用C0G或NP0型电容。我们用小尺寸0805或以上陶瓷器件减小了组件与PCB之间的CTE失配。出于大量存储需要,我们选择了高温钽电容,并在尺寸与ESR之间进行了平衡。
电阻
设计主体部分采用薄膜SMT电阻(汽车级PATT系列),市场上货源充足。另外,根据设计需要,针对特定值和尺寸选择了部分厚膜SMT电阻。
连接器
电路板连接着一个额定温度为200°C的Micro-D,后者常用于高可靠性行业。为了减少信号串扰,我们对连接器外壳进行了特别处理,将其接地至组件中的PCB。对于要求最高信号完整性和最低串扰的应用,则要采用高温专业连接器(或者无连接器)和同轴或屏蔽平衡输入,以减少串扰。
PCB设计和布局
在井下应用中宜选择狭长形的PCB,因为这些应用里的电路板必须符合钻孔和耐压壳限制要求。选择的电路板材料是一种耐高温无卤聚酰亚胺。指定电路板厚度为0.093英寸而非0.062英寸的标准厚度,因为这样可以增加刚度和平坦度。
采用镍金表面处理,其中镍提供一个壁垒,可防止金属间增生,金则为接头焊接提供一个良好的表面。
对于选择的0.093英寸电路板厚度,典型的四层堆叠中有一个约13密耳的铜隔离层和一个60密耳的大内核。如果是六层结构,则隔离层一般厚9.5密耳和28密耳。为此,我们采用了六层设计,这样就可以在每个信号层设置一个接地层,从而改善噪声性能。
电源和数字通信信号馈入一个连接器,模拟信号则馈入反向连接器。这样就可以在数字域与模拟域之间实现良好的隔离和信号流。地的分割设在电路板中间,电源滤波则设于分隔处附近。尽量减少与分隔层相交的数字控制线路,采用串联端接以减少数字噪声耦合。用铜网络接线在一个点把数字和模拟接地层焊接起来,为驱动源提供一个低阻抗回路。
多路复用器控制信号与模拟部分长度相同,但其敷设路径与关键模拟信号路径隔开。在实践中,这些多路复用控制线路会与采集数据测量同步改变,从而最大限度地减少了串扰效应。
焊接
选择Sn95/Sb05是为了在200°C的工作温度下提供足够高的熔点(>230°C),同时还考虑了良好的操作性和装配工厂的现有加工能力。
电路板安装
我们在这块电路板上提供安装柱是出于方便考虑,其仅适用于基准测试或实验室环境,不适合强冲击和强震动环境。如果要用于强冲击和强震动环境,可以先用环氧树脂把组件固定在电路板上。对于IDC接头等脆弱组件,可以采用密封方式或者从装配件中移除。在井下或其他恶劣环境中,典型安装方式是采用导轨安装系统,用柔性抗冲击安装垫圈把整个电路板固定起来。也可以把装配件完全密封起来并装入安装硬件中,然后把安装硬件固定到底盘或外壳上。
有关相关器件的更多信息,请参阅《面向高温电子应用的低功耗数据采集解决方案》一文。2
性能测试结果
我们对多块电路板进行了广泛的测试,以评估其在工作温度范围内的典型性能;同时还在200°C环境温度下浸泡了200小时,以便测定装配工艺和电路板的可靠性。
交流和直流信号链性能是基于SAR ADC的精密数据采集系统的一项关键精度指标。当ADC以600 kSPS的速率运行并且工作温度为200°C时,鲁棒的比率式平台的串扰性能可达–100 dB以上,最大失调漂移达±60 mV。对于交流测试,用一个1 kHz的低失真音作为输入信号,并用+5 VDC/–2.5 VDC模拟电源为电路板供电。图6所示为该信号音在400 kSPS下的FFT及频谱分析计算结果。在200°C下,SNR优于84 dB,THD达–96 dB。图7所示为SNR和SINAD,图8所示为采用同一输入音时,非多路复用通道在工作温度范围内的THD。

图6.200°C下的FFT及频谱分析结果。

图7.工作温度范围内的SNR和SINAD。

图8.工作温度范围内的THD。
我们测量了模拟和数字供电轨在工作温度范围内的功耗,结果如图9所示。室温下的总功耗为155 mW,200°C下则增至225 mW。3.3 V供电轨上的功耗由以全时钟速率运行的微控制器和一个精密震荡器为主。我们为转换器设定的突发采样速率为每秒8192个样本。

图9.2.5 V、3 V和5 V供电轨的功耗
有关额外参数的测试结果请参阅参考平台,其额定参数指标符合200°C工作温度要求。
应用示例
油气勘探、航空航天和重工业领域的多种应用通过加速度计实现定向和震动检测。搭载模拟输入的加速度计具有最高的精度,而且非常灵活,能根据应用需要调节传感器输出。
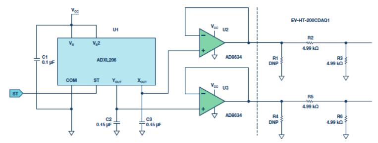
ADXL206是一款完整的精密型低功耗双轴iMEMS®加速度计,可用于高温环境。其范围为±5 g,带宽范围为0.5 Hz至2.5 kHz。ADXL206的输出以½ VCC为中心,与VCC成比率。如果ADXL206和EV-HT-200CDAQ1共用VCC(在连接器上提供),则可以用多路复用器S7通道上的VCC基准电压源清零直流失调和电源漂移。图10为一个示例电路。必须按½的比例因子对ADXL206的信号范围(0 V至5 V)进行调节,使其与精密数据采集系统0 V至2.5 V的范围相拟合。具体方法是,先缓冲输出,然后使用数据采集系统内部的衰减器。C2和C3设定ADXL206的带宽;图9中的例子所示带宽为33 Hz。低带宽应用可以使用多路复用器输入;要实现最高的带宽和精度,可以使用两个非多路复用输入通道。
小结
本文介绍了一种新的、高度集成的鲁棒型精密数据采集参考平台,EV-HT-200CDAQ1,该平台经过测定,其参数指标符合200°C工作温度要求。借助该平台,高温电子系统设计师可以在原型制作和评估中使用最先进的组件,从而缩短开发时间和上市时间。有关该平台的更多信息(包括整个设计包和软件),请点击此处。

图10.高温加速度计与EV-HT-200CDAQ1的接口。
参考文献
1 Jeff Watson和Gustavo Castro,“高温电子设备对设计和可靠性带来挑战”,模拟对话,第46卷第4期,2012年4月。
2 Jeff Watson和Maithil Pachchigar,“面向高温应用的低功耗数据采集解决方案”,模拟对话,第49卷第3期,2015年8月。
3 CN-0365:面向高温环境的16位、600 kSPS、低功耗数据采集系统,ADI公司,2015年6月。
4 Alan Walsh,“面向精密SAR模数转换器的前端放大器和RC滤波器设计”,模拟对话,第46卷第4期,2012年12月。
5 John L. Evans、James R. Thompson、Mark Christopher、Peter Jacobsen和R. Wayne Johnson,“不断变化的汽车环境:高温电子设备”,《IEEE电源电子会刊》,第27卷第3期,2004年7月。
Jeff Watson [ jeff.watson@analog.com]是ADI公司仪器仪表市场部战略营销经理,主要负责精密电子测试和测量以及高温应用。加入ADI公司之前,他是地下石油和天然气仪器仪表行业以及非公路用车仪器仪表/控制行业的一名设计工程师。他拥有宾州州立大学的电气工程学士和硕士学位。
Maithil Pachchigar [maithil.pachchigar@analog.com]是ADI公司麻萨诸塞州威明顿市仪器仪表与精密技术业务部门的应用工程师。2010年加入ADI公司以来,他致力于仪器仪表、工业和医疗健康行业的精密转换器产品组合工作和客户支持。自2005年以来,Maithil一直在半导体行业工作,并已独立及合作发表多篇技术文章。Maithil于2003年获印度S.V.国家技术学院电子工程学学士学位,2006年获圣何塞州立大学的电气工程硕士学位,2010年获硅谷大学MBA学位。
史海拾趣
|
请问各位前辈,在搭建485通讯网络的时候,选取的芯片用MAX485和MAX487有啥区别,我查了下。好像MAX485最多的节点数是32个,而MAX487是128个,是不是这样的啊!他们的管脚都是相同的。… 查看全部问答> |
|
怎样将rhapsody的构造型符号由'?'改为'<<>>'? 1.rhapsody中,在object struct diagram里创建一个类,指定构造型后,为什么出现了?号而不是号?比如是?task?而不是。7.0和7.4版本都如此,请问怎么解决这一问题 2.怎么创建一个behavior类型的构造型呢?新建一stereotype后,可选的构造型选项里面 ...… 查看全部问答> |
|
各位XDJM,最近公司想搞基于Windows CE的嵌入式开发,小弟在Microsoft官网在线安装成功,机子上也安装了Microsoft Visual Studio 2005,但不知道如何启动Windows CE,如何进行下一步程序开发,工程部署,望哪位大侠不吝赐教!… 查看全部问答> |
|
下载NK.BIN文件时报校验和出错,如下所示。换了一块FLASH,该FLASH有几个坏块,请问与FLASH有没关系? 我用前一块FLASH下载是正常的 Download BIN file information: ----------------------------------------------------- [0]: Base Add ...… 查看全部问答> |
|
为什么H-JTAG可以检测到CPU 而SJF2440检测不到 H-JTAG可以检测到CPU 而SJF2440检测不到,提示no cpu is delected 确定驱动已经安装完成 … 查看全部问答> |
|
产品价格:¥550.00咨询电话:0755-25504951 25638952 25532557购买配置: · STM103V100-II开发板1块 · 单色LCD显示屏 1块 · 交叉串口线 1条 · USB线 1条& ...… 查看全部问答> |




