历史上的今天
今天是:2025年03月03日(星期一)
2021年03月03日 | 新颖蓝牙技术的LED点阵屏设计
2021-03-03 来源:eefocus
0 引言
本文设计一种内容更新便捷、可扩展、低价格的点阵LED 文字显示屏。降低成本的途径是①用几乎人人都有的手机的蓝牙数据传输功能进行LED 显示内容的更新,免去专业上位机软件和控制卡的成本,操作也更简单;②单次显示内容在5 ~ 30 个汉字或英文字母,因为显示内容较少,就可实现扩展电路的简单化。
1 系统设计方案
1. 1 系统组成
系统由带蓝牙功能的智能手机和LED 显示屏组成。其中,LED 显示屏由单片机、LED 点阵模块、字库芯片、蓝牙接收模块、5V 开关电源和3.3V 稳压电路组成,如图1 所示。系统工作过程是: 用户通过智能手机的记事本编辑“数据”,并经无线蓝牙发送到显示屏上的蓝牙接收模块。主控单片机读取蓝牙接收模块接收的“数据”并进行处理。“数据”由“控制命令”和“显示内容”构成,两部分数据用自定义特征符分隔开。“控制命令”用于对显示屏的亮度、显示内容移动速度和移动方向进行设置; 而单片机根据收到的“显示内容”的字符代码在字库芯片中找到相应的32 字节显示代码送点阵屏显示。

图1 系统组成
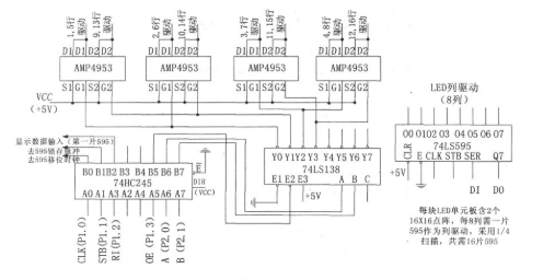
1. 2 LED 点阵屏工作原理
LED 点阵显示屏可按显示需要由若干块每块LED 单元板拼接而成。通用LED 单元板由2 位16 &TImes; 16 点阵LED 构成,尺寸为160* 320mm2.单元板的工作原理如下。
每板有16 行32 列,数据的显示采用传统的行列式扫描方式。通常为了减小闪烁,提高扫描速度,采用1 /4 扫描,即把16 行分为4 个4 行,每次同时选通4 个4 行中的同序对应行,这样扫描4 次即可完成16 行的扫描显示。其中列控制由74HC595承担,每块单元板上有16 片,每片分别控制4 行8 列的点阵小单元。行控制是由1 片译码器74LS138 承担,每次使单元板的4 个4 行的同序对应行选通。为了保证正常的电流驱动( 亮度) ,74LS138 的输出经AMP4593 驱动放大。每块单元板有4 片,每片分别驱动4 行。16 片74HC595 接成级联方式,由于每4 行32 列需4 片74HC595, 16 行32 列就是16 片。设第一个4 行的4 片74HC595 序号为1、2、3、4,第二个4 行的4 片74HC595 序号为5、6、7、8,依次类推。每一片的数据输出端接到下一片的输入端,数据从第1 片的输入端串行输入,在移位脉冲的作用下一位一位依序移入,经过8 &TImes; 16 个脉冲,最先移入的数据位移到了第16 片的最低位( 也是该片的输出端) ,所有数据都移入后,就可显示一板完整的内容,按此规律即可进行显示的软件设计。如果显示的字数多,拼接的LED 单元板就多,显示一屏完整内容所需的移位脉冲就多。这种显示方式要求主控单片机有较高的指令执行速度,否则就会有闪烁感。点阵单元板原理图如图2 所示。

图2 点阵单元板原理图
2 系统主要模块的选择和电路设计
2. 1 主控芯片
2. 1. 1 芯片选择
为了满足LED 显示屏的显示及多板的扩展,要求系统主控单片机有较快的运行速度; 较大的存储空间用于存储显示数据,因此选用美国silicon 公司的C8051F410.该芯片是一款高性能产品,FTQP - 32 封装( 9mm* 9mm) 大大减小了体积; 由于采用了精简指令结构,使得每个机器周期仅需一个时钟周期,运算速度快大大加快,如果使用片内24. 5MHz 的内部时钟,其运行速度大约是普通8051 单片机工作在12MHz 时钟时的24 倍; 芯片内部资源丰富,自带看门狗,通过JTAG 接口连接调试器,可方便硬件在线调试; 芯片内含UART、SPI、I2C 等通信接口,方便与外围芯片连接; 4 个定时器/计数器使编程更方便; 自带的16K/32KFLASH,可存储大约1K 个汉字。
史海拾趣
|
求助,在5502中SDRAM的写入过程要用210ns,如何提升速度 在TMS320VC5502中,对SDRAM写操作,居然要210ns,简直无法干活,请教前辈,怎样解决这个问题?我对EMIF的相关寄存器进行设置,如WRITE SETUP 、WRITE STROBE 、WRITE HOLD ,对写操作消耗时间一点都没变化,很郁闷呀,在论坛上有说这是5502本身问题 ...… 查看全部问答> |
|
在定制WinCE操作系统的时候,我想添加对C#的支持。可是选项中有 .NET Compact Framework 2.0 跟 .NET Compact Framework 2.0-headless两个选择项目。 请问各位大侠,两个有什么不同呢? 还有就是我刚开始添加的是前者,编 ...… 查看全部问答> |
|
我是上海一大学软件工程专业的09届应届生,本科,不是很会说话。 在学校里学的是单片机开发之类的(偏软件 C语言),接触过ARM+Wince之类的嵌入式软件的开发。(其实学校里嵌入式软件方面的课基本就没有,都是我凭着兴趣自学的)单片机的水平达到自 ...… 查看全部问答> |
|
#include void main(void) { WDTCTL=WDT_ADLY_1000;//设置看门狗定时时间1000ms IE1|=WDTIE; //WDT使能 P5DIR|=0x02; //P5.1输出 P5OUT=0X02; _EINT();//中断 ...… 查看全部问答> |




