历史上的今天
今天是:2025年03月03日(星期一)
2021年03月03日 | 单片机显示原理(LCD1602)
2021-03-03 来源:eefocus
一.接口
LCD1602是很多单片机爱好者较早接触的字符型液晶显示器,它的主控芯片是HD44780或者其它兼容芯片。与此相仿的是LCD12864液晶显示器,它是一种图形点阵显示器,能显示的内容比LCD1602要丰富得多,除了普通字符外,还可以显示点阵图案,带有汉字库的还可以显示汉字,它的并行驱动方式与LCD1602相差无几,所以,在这里花点时间是值得的。
一般来说,LCD1602有16条引脚,据说还有14条引脚的,与16脚的相比缺少了背光电源A(15脚)和地线K(16脚)。这块LCD1602的型号是HJ1602A,是绘晶科技公司的产品,它有16条引脚。如图1所示:

图1
再来一张它的背面的,如图2所示:
图2
它的16条引脚定义如下:
引脚号 | 符号 | 引脚说明 | 引脚号 | 符号 | 引脚说明 |
1 | VSS | 电源地 | 9 | D2 | 数据端口 |
2 | VDD | 电源正极 | 10 | D3 | 数据端口 |
3 | VO | 偏压信号 | 11 | D4 | 数据端口 |
4 | RS | 命令/数据 | 12 | D5 | 数据端口 |
5 | RW | 读/写 | 13 | D6 | 数据端口 |
6 | E | 使能 | 14 | D7 | 数据端口 |
7 | D0 | 数据端口 | 15 | A | 背光正极 |
8 | D1 | 数据端口 | 16 | K | 背光负极 |
对这个表的说明:
1. VSS接电源地。
2. VDD接+5V。
3. VO是液晶显示的偏压信号,可接10K的3296精密电位器。或同样阻值的RM065/RM063蓝白可调电阻。见图3。
4. RS是命令/数据选择引脚,接单片机的一个I/O,当RS为低电平时,选择命令;当RS为高电平时,选择数据。
5. RW是读/写选择引脚,接单片机的一个I/O,当RW为低电平时,向LCD1602写入命令或数据;当RW为高电平时,从LCD1602读取状态或数据。如果不需要进行读取操作,可以直接将其接VSS。
6. E,执行命令的使能引脚,接单片机的一个I/O。
7. D0—D7,并行数据输入/输出引脚,可接单片机的P0—P3任意的8个I/O口。如果接P0口,P0口应该接4.7K—10K的上拉电阻。如果是4线并行驱动,只须接4个I/O口。
8. A背光正极,可接一个10—47欧的限流电阻到VDD。
9. K背光负极,接VSS。见图4所示。
二.基本操作
LCD1602的基本操作分为四种:
1. 读状态:输入RS=0,RW=1,E=高脉冲。输出:D0—D7为状态字。
2. 读数据:输入RS=1,RW=1,E=高脉冲。输出:D0—D7为数据。
3. 写命令:输入RS=0,RW=0,E=高脉冲。输出:无。
4. 写数据:输入RS=1,RW=0,E=高脉冲。输出:无。
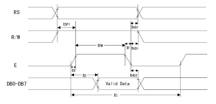
读操作时序图(如图5):
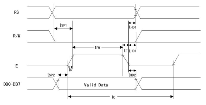
写操作时序图(如图6):
时序时间参数(如图7):
三.DDRAM、CGROM和CGRAM
DDRAM(Display Data RAM)就是显示数据RAM,用来寄存待显示的字符代码。共80个字节,其地址和屏幕的对应关系如下(如图8):
DDRAM相当于计算机的显存,我们为了在屏幕上显示字符,就把字符代码送入显存,这样该字符就可以显示在屏幕上了。同样LCD1602共有80个字节的显存,即DDRAM。但LCD1602的显示屏幕只有16×2大小,因此,并不是所有写入DDRAM的字符代码都能在屏幕上显示出来,只有写在上图所示范围内的字符才可以显示出来,写在范围外的字符不能显示出来。这样,我们在程序中可以利用下面的“光标或显示移动指令”使字符慢慢移动到可见的显示范围内,看到字符的移动效果。
前面说了,为了在液晶屏幕上显示字符,就把字符代码送入DDRAM。例如,如果想在屏幕左上角显示字符‘A’,那么就把字符‘A’的字符代码41H写入DDRAM的00H地址处即可。至于怎么写入,后面会有说明。那么为什么把字符代码写入DDRAM,就可以在相应位置显示这个代码的字符呢?我们知道,LCD1602是一种字符点阵显示器,为了显示一种字符的字形,必须要有这个字符的字模数据,什么叫字符的字模数据,看看下面的这个图就明白了(如图9)。
上图的左边就是字符‘A’的字模数据,右边就是将左边数据用“○”代表0,用“■”代表1。从而显示出‘A’这个字形。从下面的图可以看出,字符‘A’的高4位是0100,低4位是0001,合在一起就是01000001b,即41H。它恰好与该字符的ASCII码一致,这样就给了我们很大的方便,我们可以在PC上使用P2=‘A’这样的语法。编译后,正好是这个字符的字符代码。
在LCD1602模块上固化了字模存储器,就是CGROM和CGRAM,HD44780内置了192个常用字符的字模,存于字符产生器CGROM(Character Generator ROM)中,另外还有8个允许用户自定义的字符产生RAM,称为CGRAM(Character Generator RAM)。下图(如图12)说明了CGROM和CGRAM与字符的对应关系。从ROM和RAM的名字我们也可以知道,ROM是早已固化在LCD1602模块中的,只能读取;而RAM是可读写的。也就是说,如果只需要在屏幕上显示已存在于CGROM中的字符,那么只须在DDRAM中写入它的字符代码就可以了;但如果要显示CGROM中没有的字符,比如摄氏温标的符号,那么就只有先在CGRAM中定义,然后再在DDRAM中写入这个自定义字符的字符代码即可。和CGROM中固化的字符不同,CGRAM中本身没有字符,所以要在DDRAM中写入某个CGROM不存在的字符,必须在CGRAM中先定义后使用。程序退出后CGRAM中定义的字符也不复存在,下次使用时,必须重新定义。
上面这个图(如图10)说明的是5×8点阵和5×10点阵字符的字形和光标的位置。先来说5×8点阵,它有8行5列。那么定义这样一个字符需要8个字节,每个字节的前3个位没有被使用。例如,定义摄氏温标的符号{0x10,0x06,0x09,0x08,0x08,0x09,0x06,0x00}。
上面这个图(如图11)说明的是设置CGRAM地址指令。从这个指令的格式中我们可以看出,它共有aaaaaa这6位,一共可以表示64个地址,即64个字节。一个5×8点阵字符共占用8个字节,那么这64个字节一共可以自定义8个字符。也就是说,上面这个图的6位地址中的DB5DB4DB3用来表示8个自定义的字符,DB2DB1DB0用来表示每个字符的8个字节。这DB5DB4DB3所表示的8个自定义字符(0--7)就是要写入DDRAM中的字符代码。我们知道,在CGRAM中只能定义8个自定义字符,也就是只有0—7这8个字符代码,但在下面的这个表(如图12)中一共有16个字符代码(××××0000b--××××1111b)。实际上,如图所示,它只能表示8个自定义字符 (××××0000b=××××1000b, ××××0001b=××××1001b……依次类推)。也就是说,写入DDRAM中的字符代码0和字符代码8是同一个自定义字符。 5×10点阵每个字符共占用16个字节的空间,所以CGRAM中只能定义4个这样的自定义字符。
那么如何在CGRAM中自定义字符呢?在上面的介绍中,我们知道有一个设置CGRAM地址指令,同写DDRAM指令相似,只须设置好某个自定义字符的字模数据,然后按照上面介绍的方法,设置好CGRAM地址,依次写入这个字模数据即可。我们在后面的例子中再进行说明。
四.LCD1602指令
1.工作方式设置指令(如图13)
×:不关心,也就是说这个位是0或1都可以,一般取0。
DL:设置数据接口位数。
DL=1:8位数据接口(D7—D0)。
DL=0:4位数据接口(D7—D4)。
N=0:一行显示。
N=1:两行显示。
F=0:5×8点阵字符。
F=1:5×10点阵字符。
说明:因为是写指令字,所以RS和RW都是0。LCD1602只能用并行方式驱动,不能用串行方式驱动。而并行方式又可以选择8位数据接口或4位数据接口。这里我们选择8位数据接口(D7—D0)。我们的设置是8位数据接口,两行显示,5×8点阵,即0b00111000也就是0x38。(注意:NF是10或11的效果是一样的,都是两行5×8点阵。因为它不能以两行5×10点阵方式进行显示,换句话说,这里用0x38或0x3c是一样的)。
2.显示开关控制指令(如图14)
D=1:显示开,D=0:显示关。
C=1:光标显示,C=0:光标不显示。
B=1:光标闪烁,B=0:光标不闪烁。
说明:这里的设置是显示开,不显示光标,光标不闪烁,设置字为0x0c。
3.进入模式设置指令(如图15、16)
I/D=1:写入新数据后光标右移。
I/D=0:写入新数据后光标左移。
S=1:显示移动。
S=0:显示不移动。
说明:这里的设置是0x06。
4.光标或显示移动指令(如图17、18)
说明:在需要进行整屏移动时,这个指令非常有用,可以实现屏幕的滚动显示效果。初始化时不使用这个指令。
5.清屏指令(如图19)
说明:清除屏幕显示内容。光标返回屏幕左上角。执行这个指令时需要一定时间。
6.光标归位指令(如图20)
图20
说明:光标返回屏幕左上角,它不改变屏幕显示内容。
7.设置CGRAM地址指令(如图21)
说明:这个指令在上面已经介绍过。用法在后面例子中说明。
8.设置DDRAM地址指令(如图22)
说明:这个指令用于设置DDRAM地址。在对DDRAM进行读写之前,首先要设置DDRAM地址,然后才能进行读写。前面我们说过,DDRAM就是LCD1602的显示存储器。我们要在它上面进行显示,就要把要显示的字符写入DDRAM。同样,我们想知道DDRAM某个地址上有什么字符,也要先设置DDRAM地址,然后将它读出到单片机。
9.读忙信号和地址计数器AC(如图23)
说明:这个指令用来读取LCD1602状态。对于单片机来说,LCD1602属于慢速设备。当单片机向其发送一个指令后,它将去执行这个指令。这时如果单片机再次发送下一条指令,由于LCD1602速度较慢,前一条指令还未执行完毕,它将不接受这新的指令,导致新的指令丢失。因此这条读忙指令可以用来判断LCD1602是否忙,能否接收单片机发来的指令。当BF=1,表示LCD1602正忙,不能接受单片机的指令;当BF=0,表示LCD1602空闲,可以接收单片机的指令。RS=0,表示是指令;RW=1,表示是读取。这条指令还有一个副产品:即可以得到地址记数器AC的值(address counter)。LCD1602维护了一个地址计数器AC,用来记录下一次读写CGRAM或DDRAM的位置。需要强调的是:这条指令我一次也没有执行成功。很多网友似乎也是这样。好在我们有另外的办法,也就是延时。通过查看每条指令的执行时间,再经过一些试验,可以确定指令的延时。这样就可以在上一条指令执行完毕后再执行下一条指令了。
10.写数据到CGRAM或DDRAM指令(如图24)
说明:RS=1,数据;RW=0,写。指令执行时,要在DB7—DB0上先设置好要写入的数据,然后执行写命令。
11.从CGRAM或DDRAM读数据指令(如图25)
说明:RS=1,数据;RW=1,读。先设置好CGRAM或DDRAM的地址,然后执行读取命令。数据就被读入后DB7—DB0。
五.实例
下面我们就以一个实例来结束这篇文章。先介绍一下背景:单片机最小系统(扩充了外部RAM 62256)。采用STC89C52RC,晶振22.1184MHZ。以5×8点阵,16×2行,8位数据端口。首先在第一行显示“I love MCU!”,第二行显示“LCD1602 Test!”。延时一段时间,清屏。然后在第一行显示自定义字符:摄氏温标标志。第二行显示圆周率(pai)标志。再延时一段时间,清屏。最后在第一行显示“Welcome to my blog!”,显示方式是从屏幕右面移入,左面移出。周而复始(如图26)。
1 #ifndef __ZHANGTYPE_H__
2 #define __ZHANGTYPE_H__
3
4 #define uint8 unsigned char
5 #define uint16 unsigned short int
6 #define uint32 unsigned long int
7 #define int8 signed char
8 #define int16 signed short int
9 #define int32 signed long int
10 #define uint64 unsigned long long int
11 #define int64 signed long long int
12
13 #endif
14 //File2
15
16 #ifndef __FUN_H__
17 #define __FUN_H__
18 #include "ZhangType.h"
19 #include
20 void Delay(uint16 time);
21 #endif
22 //File3
23
24 #include "fun.h"
25 void Delay(uint16 time)
26 {
27 while(time--);
28 }
29 //File4
30
31 #ifndef __1602_H__
32 #define __1602_H__
33
34 #include
35 #include "ZhangType.h" //变量类型
36 #include "fun.h" //常用函数
37
38 #define SETMODE 0x38 //16*2显示,5*7点阵,8位数据接口
39 #define DISOPEN 0x0C //显示开,不显示光标,光标不闪烁
40 #define DISMODE 0x06 //读写字符后地址加1,屏显不移动
41 #define SETADDR 0x80 //设置数据地址指针初始值
42 #define CLEAR 0x01 //清屏,数据指针清零
43 #define RET 0x02 //回车,数据指针清零
44 #define PORT P2 //I/O口
45
46 sbit RS = P1^0;
47 sbit RW = P1^1;
48 sbit E = P1^2;
49
50 void Init1602(void); //初始化1602
51 void Write1602_Com(uint8 com); //写命令
52 void Write1602_Dat(uint8 dat); //写数据
53 void CheckBusy(void); //检查忙
54 void Write1602_One_Dat(uint8 X,uint8 Y,uint8 dat); //写一个数据
55 void Write1602_Str(uint8 addr,uint8 length,uint8 *pbuf); //写一个数据串
56 #endif//
57 //File5
58
59 #include "1602.h"
60
61 void Write1602_Com(uint8 com)
62 {
63 E=0;
64 RS=0; //命令
65 Delay(50); //延时
66 RW=0; //写
67 Delay(50);
68 PORT=com; //端口赋值
69 Delay(50);
70 E=1; //高脉冲
71 Delay(50);
72 E=0;
73 }
74
75 void Write1602_Dat(uint8 dat)
76 {
77 E=0;
78 RS=1; //数据
79 Delay(50); //延时
80 RW=0; //写
81 Delay(50);
82 PORT=dat; //端口赋值
83 Delay(50);
84 E=1; //高脉冲
85 Delay(50);
86 E=0;
87 }
88
89 void CheckBusy(void)
90 {
91 uint8 temp;
92 RS=0; //命令
93 RW=1; //读
94 E=0;
95 while(1)
96 {
97 PORT=0xFF; //端口为输入
98 E=1; //高脉冲
99 temp=PORT;
下一篇:单片机提高ADC精度总结
史海拾趣
|
本帖最后由 paulhyde 于 2014-9-15 02:54 编辑 包括测试程序,原理图,是买的一块开发板上给的。 [ 本帖最后由 chbaaic 于 2008-10-30 11:52 编辑 ] … 查看全部问答> |
|
百利通公司总部设在硅谷,是Nasdaq上市公司,在晶体振荡器领域位居世界前十大。百利通公司在香港和美国都设有研发中心,拥有一批经验丰富的专业设计人员。随着产品线的扩充和区域市场的成熟,先后在台湾、香港、上海设立公司,凭借其遍布全球的销售 ...… 查看全部问答> |
|
采用生物识别技术的门禁系统在安防行业应用已经越来越多,包括银行、监狱、部队等单位已经采用生物识别的门禁系统来加强其管理的安全性和使用的方便性。由于生物识别技术已经开始达到大规模的应用水平,包括产品价格、品质和技术都已经相对成熟 ...… 查看全部问答> |
|
大家好: 请教大家一个问题: 在微软window mobile 的windows media player下的右软键菜单下添加一个菜单项,该怎么添加? 微软是否提供相应的接口? 有谁知道 ...… 查看全部问答> |
|
程序大概这样的,一个试图列表里显示了CF卡中所有的文件,鼠标焦点可以放在文件上,但现在想做一个选取功能,就是,当鼠标单击了一个文件就能直接或按另一个按钮读出他的名字,这样好去CF卡中查找这个文件并对这个文件操作。问题是,怎么读出文件的 ...… 查看全部问答> |
|
公司名称: Carrier Access 公司网址: http://www.carrieraccess.com 电子邮箱: lshi@carrieraccess.com,简历请注明信息出处 工作地点: 上海 外语要求: 英文良好 简历接收方式: 英文及中文 学历: 本科以上 职位描述: -Candidates will ha ...… 查看全部问答> |
|
void FloatToByte(float floatNum,unsigned char* byteArry){ char* pchar=(char*)&floatNum; for(int i=0;i<sizeof(float);i++) { &nb ...… 查看全部问答> |





























