历史上的今天
今天是:2025年03月04日(星期二)
2021年03月04日 | 放大电路的故障检测方法
2021-03-04 来源:elecfans
1、测量电压法
选择万用表电压挡合适量程(这里选择电压20V挡),黑表笔接地,红表笔依次接到晶体管的基极、发射极和集电极。然后分别得到三个电压,即Ub、Ue和Uc,用这三个电压与正常值比较,通过分析推断,确定故障元器件。
有时需要测量Uce和Ube,用黑表笔接发射极,红表笔接集电极,测得的结果为Uce(Uce=Uc-Ue);用黑表笔接发射极,红表笔接基极,测得的值为Ube(Ube=Ub-Ue)。用所测得的结果与正常值比较,推断出损坏元器件。对电路的检测一般用测量电压法,几乎不用测量电流法。
故障判断方法如下:
1)假设Rb1开路,则晶体管基极没有偏置电压,即Ub=0,由此引起Ue=0,Ie=Ic=0,Uce=24V(电源电压)。当用万用表检测到Ub=0,而VCC=24V时,就可以毫无疑问地判定Rb1开路。
2)假设Rb2开路,则Ib通路发生改变,为VCC→Rb1→b-e结→Re→地,基极电流必然增大。此时Ic将增大,晶体管饱和(c-e结内阻很小,Uce低于0.1V)。Uc=Ue=7.2V,晶体管必然发热严重。
3)假设Rc开路,Rc开路不会影响到Ub,只会造成Ic=0,理论上Uc为0V,但在测量电压时,晶体管的b-c结通过万用表的内阻正向导通,测得与Ub约相等的电压,实际测量的值等于Ub。若Ue正常,可断定Rc开路。
4)假设Re开路,也不会影响Ub,因Ib=0,Ie=Ic=0,Uc=VCC,Ue=Ub。实际测量的结果如果是这些值,就说明Re开路。
5)假设晶体管的b-e结击穿短路(Ube=0V),则Ub=正常值(5.6V),Ue=Ub,Uc=VCC;若b-e结断路,则Ib=0,Ub正常,Ue=Ub,Uc=VCC。
6)假设晶体管的c-e结击穿短路,不影响Ub和Ue,造成Uce=0V,Uc=Ue=7.5V(即Rc与Re的串联分压值);若c-e结开路,Ub、Ue正常,Uc=VCC。
通过对Ub、Uc、Ue测量,用这三个数据与正常值比较,可分析推断出损坏元器件。在许多电路中,在Rb1和Re上还并接了电容器。电容器开路不影响直流偏置,但可能会影响到信号的耦合,使信号的幅度减小、放大量不够或者产生干扰等。若是电容器漏电或击穿短路,故障情况与上述电阻损坏情况相似。
2、模拟检测法
模拟检测法就是人为地给电路加一个信号,检查电路是否正常的一种检查方法。模拟检测法的原理:短路b-e结,使Ib人为地等于0,Ic也就等于0,晶体管截止,Uc升高到电源电压值。
具体检测方法:在检测Uc电压的同时,瞬间短路晶体管的b-e结,观察Uc是否变化,若变化,则电路正常;否则该电路有故障。
3、测量电阻法
测量电阻法是用万用表电阻挡依次检查各个电阻以及晶体管是否正常。这种方法因不通电,检查时比较安全。但因电路中还并接有其他元器件,所测电阻值往往不准确,实际测得的值偏小,有时需要拆下元器件的一只引脚,才能测出实际值。
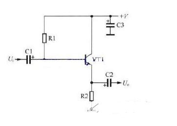
放大电路的故障分析方法
如图所示的电路为例,说明共集电极放大器电路的故障分析方法。

提示:共集电极放大器电路中的三极管集电极接直流工作电压+v端,在测量三极管集电极直流工作电压时要注意这一点,以免产生错误的判断。
关于这一共集电极放大器电路的故障分析说明如下:
1、当电阻R1开路时,VT1集电极电压等于+v,与电路工作正常时相同,但是集电极电流等于零;电阻R1发生其他故障时,VT1集电极直流电压都等于+v,这是因为共集电极放大器电路中的三极管没有集电极负载电阻,这一点与共发射极放大器电路不同,应引起注意。
2、当R2开路时,VT1没有直流工作电流;当R2短路时,VT1发射极电压为零(这一点与共发射极放大器电路相同),但是没有交流信号输出,这一点与共发射极放大器电路不相同。
上一篇:单向晶闸管的正负极判断
下一篇:PNP与NPN晶体管的检测方法
史海拾趣
|
普通的正余弦编码器具备一对正交的sin,cos 1Vp-p信号,相当于方波信号的增量式编码器的AB正交信号,每圈会重复许许多多个信号周期,比如2048等;以及一个窄幅的对称三角波Index信号,相当于增量式编码器的Z信号,一圈一般出现一个;这种正余弦编码 ...… 查看全部问答> |
|
关于DSP2812Mv2的板子上的CY7C37064VP100 看见DSP2812Mv2的板子上的CY7C37064VP100对CS8900的地址线译码了, 但是你们板子上配套的例程上面只有关于CS8900 I/O模式操作的实验,开发中却想用8900的menory模式操作! 但是控制menory模式的MEMR,ME ...… 查看全部问答> |
|
本帖最后由 qwqwqw2088 于 2014-1-14 12:02 编辑 前几天,论坛网友提到一个TI的芯片TPS5430这个芯片,典型的so-8封装。有点奇葩的是这颗芯片9个脚,中间有漏出来的焊盘。当时给的建议是,这样的芯片可以用其他类似的封装修改而来 (htt ...… 查看全部问答> |




