历史上的今天
今天是:2025年03月05日(星期三)
2021年03月05日 | 采用MSP430F449设计的电子血压计
2021-03-05 来源:eefocus
随着生活水平的不断提高以及城市老龄化比例的提高,医疗电子设备的家庭化逐渐成为了趋势。其中家用电子血压计就是典型的家庭医疗检测设备之一。目前血压计大致上可分为两种:一是水银式血压计,其优点为数值稳定,其缺点为无法一个人自行操作,必须专业医护人员操作,且肉眼观察误差极大,主观性强,体积较大不易携带。二是电子式血压计,其优点为:使用简易,可一人独自操作;测量值便于记录,体积轻巧便于携带。电子式血压计具备了诸多优点,越来越受到普通家庭的欢迎。本文介绍了以MSP430F449为控制核心,辅以BP01型压力传感器与MCU之间模拟信号处理电路以及LCD显示、语音提示,实现家用电子血压计的设计。
血压测量原理
血压的概念就是血液流经血管壁时的压力。由心脏出来的血液,需要有推力,才能绕行身体一周,心脏就是借着不停的收缩、放松,将血液推送前进。血压有两种,一是收缩压:是当心脏收缩将血液打到血管所测得的血压,另一是舒张压:是心脏在不收缩所测得的压力。当袖带的压力等于血压时,血液开始可以流通而产生所谓的袖带声,这时候表现为收缩压,从这一刻开始做记录,直到最后袖带声音消失的时候,记录此点即为舒张压。
电子血压计工作原理
系统框图如图1所示。系统由恒流源、压力传感器、放大电路、带通滤波、二次放大、血压脉冲触发、液晶驱动器、键盘语音电路和单片机组成。

单片机主要原理为:PWM输出控制气泵充气漏气调整袖带内气压;一路ADC采样袖带内气压直流分量以便取得收缩压和舒张压;一路ADC采样袖带内气压交流分量经分析计算后确定收缩压和舒张压的瞬态时间位置;接收血压脉冲信号触发ADC工作;将计算出的收缩压和舒张压结果输出至LCD显示并进行数值的语音提示。
硬件设计
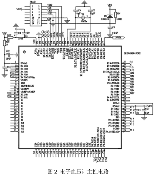
1 MSP430FF449D单片机主控电路
本系统主控电路如图2所示,主要由MSP430F449芯片、JTAG接口电路、时钟发生电路、时钟输出电路、复位电路、PWM波输出电路、供电电路等组成。其中JTAG用于下载和调试程序,PWM波输出电路用于控制气泵。当测量血压时,先充气至200mmHg高,再慢慢以每秒约下降5mmHg的速度放气。实现自动测量血压。

2 血压传感电路
如图3所示,本电路采用BP01型压力传感器和运放MAX4472。BP01型压力传感器是为检测血压而专门设计的,主要用于便携式电子血压计。它采用精密厚膜陶瓷芯片和尼龙塑料封装,具有高线性、低噪声和外界应力小的特点;采用内部标定和温度补偿方式,提高了测量精度、稳定性和重复性,在全量程范围内,精度为±1%、零点失调不大于±300μV。MAX4472是MAXIM公司的一款集成了四个运算放大器的低功耗放大芯片。本系统中内部集成运放A接恒流源,为压力传感器提供恒定的电流,运放B和运放C,运放D组成差分输入、单端输出放大电路,直接输入ADC0监视血压直流分量。

3 滤波和放大电路
如图4所示,电路由滤波和放大两部分组成。其中MAX267是MAXIM公司出产的一个集成滤波器,可以构成低通、带通、高通、等多种方式,使用灵活,性能远远优于采用集成运放组成的滤波电路。

MAX4471是MAXIM公司的一款低功耗的放大器。MAX9028是MAXIM公司的一个低功耗的比较器。滤波电路采用MAX267构成带通滤波器(允许0.8~38Hz的信号通过),滤掉信号中的直流成分和电源以及皮肤与袖带摩擦的高频噪声和工频干扰,然后经过MAX4471进行进一步放大,得到单片机匹配的电压信号,进入ADC2,监视血压的交流分量。同时该信号通过低功耗比较器MAX9028转换成脉冲信号,触发ADC1工作。
4 日历时钟和存储电路
如图5所示,由EEPROM24C256和日历时钟芯片PCF8563组成。24C256是一款低电压、串行接口,容量为256K的存储器,用于存储测量的血压值。PCF8563是PHILIPS公司推出的一款工业级内含I2C总线的具有极低功耗的多功能时钟/日历芯片。用于提供测量血压时的时间和日期,以便于以后进行查询使用。方便于使用者对自己一段时间的血压有个清晰的记忆。实用性强,克服了一些电子血压计的不足。

5 键盘和显示电路
如图6所示,由键盘电路和液晶显示电路两部分组成。液晶显示电路采用ZJM12864BSBD,这是一款低功耗的点阵图形式LCD,显示格式为128点(列)×64点(行),具有多功能指令,很容易与MPU相连。其中键盘电路采用独立式按键,有7个按键,分别为测量、mmHg/kPa转换、记忆、设置、上翻、下翻、删除。可以进行日历时钟的设置,进行报警参数的设置,进行血压的测量值的存取和删除等功能。LCD可以显示收缩压,舒张压,当前的时间和日历;在查询状态时可以实现以往测量血压的日期、时间、测量值,同时可以通过软件编程实现历史数据的图形化显示(例如画出血压波动曲线),方便直观。

6 语音报压和报警电路
本电路如图7所示,主要由集成语音芯片ISD2560组成。ISD2560是Winbond公司生产的一款具有较强功能的语音录放芯片,是一种永久记忆型语音录放电路,录音时间为60s,可重复录放10万次。该芯片采用多电平直接模拟量存储专利技术,能够非常真实、自然地再现语音。通过事先录制好的声音,实现血压测量值的自动声音提示,如果血压高出正常血压的上下限值,还会发挥报警,提醒使用者就医。

4 结语
电子血压计具有小型化、低功耗、智能化程度高的优点,在使用上有便携和易操作的特点,从而呈现出家用化的趋势。本文给出了完整的携带式电子血压计硬件设计方案,并基于MSP430F449为控制核心辅以压力传感器和外围的模拟电路以及LCD 驱动芯片实现了电子血压计的设计。此设计用的芯片大部分都是低功耗的芯片,便于使用电池供电。同时设计实现了人性化,智能化的要求,就像一个家庭护士,对与高血压患者以及中老年人来说十分方便,可以转化为实际产品,故有较高的实用价值。
史海拾趣
|
最近为了解决透明图片的问题,用到了IImage.draw方法,但是发现这个方法奇慢,绘制一个320x480的png图片,需要150毫秒左右,请问应该怎么解决这个问题,如果不用IImage接口.那么如何解决透明图片的显示问题?… 查看全部问答> |
|
这个是我的面试题(软件方向),由于我硬件知识薄弱,面试官允许我搜集资料后再回答。 应该是入门或者典型的概念 (老式的)数据地址和指令地址共用同一条总线时,cpu和内存的连接关系或者要注意什么特点? 也许是问如何区分开数据和指令的 公 ...… 查看全部问答> |
|
Zstack学习经验点滴:AF_DataRequest数据包发送 AF_DataRequest数据包发送。这个函数是AF框架下的数据包发送请求,函数逐步构造一个应用层的数据包,然后调用下APS层函数APSDE_DataReq发送数据包。函数操作过程如下:1)检验源端点是否有效。2)检验目标地址是否广播地址,如果地址和模式有冲突 ...… 查看全部问答> |
|
请问谁有msp430f169的datasheet 啊 要有详细的各个模块的寄存器的操作 比如I2C模块 我记得是有这么一份datasheet的 我在网上找了很多 都没有找到 万般无奈下请各位帮下忙 有的请上传一份 不胜感激… 查看全部问答> |




