历史上的今天
今天是:2025年03月08日(星期六)
2021年03月08日 | 低功耗半主动式水质传感电子标签设计
2021-03-08 来源:eefocus
引言
传统的水质检测以人工采集为多。随着信息化与数字化技术的发展,基于ZigBee无线技术与GPRS通信技术的水质检测方案已逐渐被应用和实践;然而这些方案工作量大,节点电池需要定期更换,收发信息有时还需要收费,导致成本提高。本文将射频识别(RFID)技术和低频唤醒技术相结合,设计了一款操作方便的低电耗、低成本的半主动式水质传感电子标签,实现对水温、溶解氧、电导率、浊度、PH值等水质数据的采集、存储与通信。与主动式电子标签相比,功耗更低;与被动式电子标签相比,通信距离更远。
1 硬件设计方案
1.1 硬件系统结构
半主动式电子标签的硬件系统主要分为控制模块、低频唤醒模块、无线发射模块、传感器模块和电源模块。系统结构如图1所示,由MSP430F149单片机作为主控芯片,系统平时处于休眠状态,当在一定范围内通过AS3933低频唤醒模块被低频信号唤醒时,则处于工作状态。数据采集模块由传感器组和信号调理电路组成,实现对水温、溶解氧、电导率、浊度、PH值等数据的采集和处理。采集到的数据通过无线发射模块CC1150实现与阅读器的通信。

1.2 MSP430F149主控芯片
电子标签的主控芯片选择TI公司推出的16位超低功耗、具有精简指令集的MSP430F149单片机。此系列单片机电源电压为1.8~3.6 V,内部集成一个8通道12位模数转换器,两通道串行通信接口,多达60 KB Flash ROM和2 KB RAM。图3无线发射电路共有1种活动模式(AM)和5种低功耗模式(LPM0~LPM4)。在1 MHz的时钟条件下运行时,芯片的电流最低在165 μA左右;在实时时钟模式下,可达2.5 μA;在RAM保持模式下,最低可达0.1 μA。
1.3 低频唤醒模块
低频唤醒模块以奥地利微电子公司生产的超低功耗低频接收芯片AS3933为核心。AS3933在休眠模式下,最大工作电流为0.2 μA;接收模式下,最大工作电流为6.7 μA;工作电压为3 V。内部集成3个天线可以自由调节的接收信号通道,接收频率范围广泛,为15~150 kHz。支持可编程16位或32位曼彻斯特唤醒码,支持可编程数据速率和带时钟恢复的曼彻斯特解码。低频唤醒电路如图2所示,MSP430F149通过SPI接口配置AS3933的工作方式,唤醒引脚WAKE与MSP430F149的P0口相连,解码时钟引脚CL_DAT和数据引脚DAT与MSP430F149的P1口相连。

1.4 无线发射模块
无线发射模块以TI公司生产的低功耗单片UHF无线发射器CC1150为核心。CC1150工作电压为1.8~3.6 V,发射功率10 dB下最大电流消耗为26 mA,支持300~348 MHz、400~464 MHz和800~928 MHz三个频段的UHF信号发送,支持曼彻斯特编码和ASK、OOK等多种调制方式。无线发射电路如图3所示,MSP430F149通过SPI接口将采集的水质数据写入CC1150的数据缓冲区,采用3 V电压经过滤波电路后为芯片供电,信号通过平衡不平衡转换电路和π型网络由天线发射出去。

1.5 信号采集模块
信号采集模块由传感器组和信号调理电路组成。传感器组采用美国Global Water公司生产的WQ101型温度传感器、WQ201型PH值传感器、WQ301型电导率传感器、WQ401型溶解氧传感器和WQ700型浊度传感器。WQ系列传感器具有精度高,准确性、可靠性强及成本低等特点。信号调理电路用于实现由各种传感器输出的非标准信号向标准信号的转变,以便于单片机进行数据的运算处理。如图4所示,采用LM358型运算放大器构成前级同相放大电路和后级差分放大电路,并通过调节电路中的相关电位器达到信号调理的目的。

1.6 电源模块
电子标签选择干电池供电。由于各模块所需的电源电压不同,故设计了电源转换模块。主要包括实现5 V转3 V电压的MCP1612同步降压稳压变换电路,以及实现5 V转3.3 V电压的TLV11173.3低压差线性稳压电路,如图5所示。

2 软件设计方案
2.1 软件系统结构
系统软件主要由初始化程序、休眠设置程序、低频唤醒程序和无线发射程序组成。主程序流程如图6所示,初始化MSP430F149单片机及其外部设备后,首先进入休眠状态并打开中断。当接收到低频唤醒中断时,MSP430F149单片机解析并匹配低频数据,匹配完成后通过传感器探头进行水质数据采集,转换盒存储,再通过无线发射模块向阅读器发送数据,从而完成一次完整的水质数据的采集。

2.2 无线收发模块设置
CC1150无线发射模块通过TI公司推出的SmartRF studio软件进行最优寄存器评定和性能测评。设置界面如图7所示,调制模式选择ASK/OOK,晶振频率选择27 MHz,基准频率选择315 MHz。键入后,软件会自动把基准频率修定为314.999 725 MHz,右侧的Register View会给出相关寄存器的数据。

2.3 低频唤醒程序
AS3933低频唤醒程序流程如图8所示。当电子标签工作时,由阅读器发送低频信号,AS3933接收到由曼彻斯特编码构成的唤醒接收数据后,唤醒引脚WAKE产生高电平,通过P0口唤醒MSP430F149。MSP430F149通过捕捉时钟管CL_DAT的上升沿中断和读取数据引脚DAT的电平状态,完成12字节低频数据的接收,整个低频唤醒过程约为0.2 s。

3 实验结果及分析
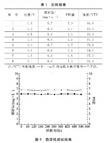
笔者对调试好的标签进行了室外的实际测试,于2013年12月28日14:00对南京林业大学紫湖溪进行了水质监测,采集数据如表1所列。经测试,电子标签的低频唤醒距离在3.5 m左右,在休眠状态下电流仅为45 μA,低频唤醒后的工作电流为250 μA,达到了低功耗的要求。
鉴于溶解氧和PH值在短时间内不会有大幅度的改变,为了验证电子标签工作的稳定性,对一个检测点的溶解氧和PH值进行了间隔为60 s的10次采集,并将数据录入Origin软件进行线性拟合,结果如图9所示。分别为溶解氧在6.0 mg/L和PH在6.8上下略微浮动的近似直线,最大偏差分别在0.2mg/L和0.1以内,满足稳定性要求。

结语
笔者从硬件和软件两方面详细介绍了半主动式水质传感电子标签的设计方案。以低功耗要求为前提,以射频识别技术和低频唤醒技术为理论基础,将低功耗芯片MSP430F149与低频唤醒芯片AS3933和CC1150无线发射模块相结合,完成了低功耗水质传感标签的设计、调试和实验,取得了准确、稳定的采集结果和良好的通信效果。
史海拾趣
|
突然那个方块状零件冒出火花,有三个接角..然后指示灯就不能亮了.只要一加热这个零件就过热..把手柄都烫化了...请问这是什么零件叫什么??为什么么会突然烧掉???… 查看全部问答> |
|
摘要:介绍了一种以8XC196MC为内核的逆变电源系统。其逆变控制系统实现了全数字操作。逆变部分的SPWM控制脉冲波形完全由8XC196MC单片机生成,使用IR2130实现对功率管的驱动和保护,频率电压可由数码管显示,可用串口与上位机进行通讯.该系统硬件电路简 ...… 查看全部问答> |
|
我想从事驱动开发,可是不知道如何入门?从事驱动开发需要那些方面的知识?驱动开发的学习体系是什么?请大家推荐几本好书(国外程序员写的),几个驱动开发的好论坛或者邮件列表,谢谢。… 查看全部问答> |
|
The process of changing an EXE or DLL program file after it has been loaded to reflect the actual load address is called “fixing up”. 哪位朋友能帮我解释下这个fix up的意思么? 还有这样一句: kernel.dll is also ‘fixed up’ by ...… 查看全部问答> |
|
单片机程序调试黑宝书(别人的资料) 与大家共享,希望对大家有益。 1.1 你离高手有多远? 首先我必须放下架子,因为本文的读者中很大一部分在不久的将来都会超越我。而且我也 100%不能自诩为高手,我不过是比本文的部分读者碰的钉子多些罢 ...… 查看全部问答> |
|
富士通铁电存储器MB85RS64试用心得 多年前就已知铁电存储器的存在,对他的特点也没在意,觉得和其他存储器差不多;看到富士通FRAM免费申请赛心得 赢大礼的活动,何不参加其中,既能增加对铁电存储器的认识、增强产品设计选 ...… 查看全部问答> |
|
wince5.0和linux都没问题。。。。。。我按照飞凌提供的手册,eboot.nb0飞凌提供的是wince5.0的。NK.bin是wince6.0的。。。。。。。。结果烧写后启动白屏然后断电重启后bootload都要重新烧写,每次都这样。。。有人知道什么问题吗,谢了… 查看全部问答> |




