历史上的今天
今天是:2025年03月08日(星期六)
2021年03月08日 | 基于MSP430单片机的高精度电子天平设计
2021-03-08 来源:eefocus
引言
随着现代电子技术和微电脑技术的迅速发展,应用到天平领域,出现了电子天平。从上世纪七十年代末期出现世界上第一台电子天平起,短短三十几年中,发展出了各种规格,门类齐全的系列电子天平,广泛应用于各行各业的质量计量。
我国电子天平的发展,紧随国际发达国家之后,于上世纪八十年代初期开始,现已形成规模化生产并广泛应用到国内各领域,同时也部分出口世界上许多国家。
电子天平具有数字显示,直接读数、快速称量、重量轻、操作简便,抗干扰能力强等特点,并采用了微机技术使得智能化、多功能,可与打印机、计算机相联机进行在线测量,数据统计分析等,使电子天平具有机械天平无法比拟的优点,因此应用范围越来越广泛。
本设计的电子天平采用高性能单片微处理器控制,确保称量结果的高精确度和高稳定性。附有标准的RS-232接口输出,可直接连接打印机、计算机等外部设备,广泛适用于工农业,学校,科研等单位,作物质质量的快速测定。
硬件设计
本系统由液晶显示、键盘输入、前置放大、MCU、报警输出、ISP下载、RS-232接口和电源等几部分组成,如图1所示。

MCU
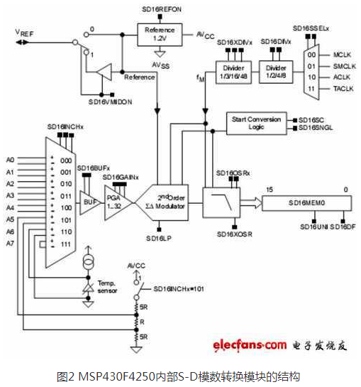
本系统中采用的是TI公司最新发布的一款MSP430系列单片机MSP430F4250。该款单片机和以往的型号的最大区别就是内部集成了16位S-D模数转换模块(图2)。

S- D模数转换模块和传统的模数转换器不同,它是采用过采样技术对信号进行采样,然后通过数字滤波器进行滤波得到最终的转换结果。所以在启动模数转换器之前要设定过采样率。这个芯片内部模数转换模块过采样率可选32~1024。过采样率越大,滤波效果越好,但是响应速度越慢。本设计的电子天平要求测量结果精确稳定,对系统响应速度要求不高,所以设置为最大过采样率1024。
内部PGA(可编程放大器)放大倍数设置不同,则系统的灵敏度也不同,但是放大倍数越大,信噪比越小。在本设计中选择设置为放大倍数等于1,以达到最高的转换精度。
为了进一步提高转换的稳定性,减小温度变化引起的转换误差。在实际应用中,我们通过检测内部温度传感器来补偿温度漂移,取得了很好的效果。
LCD
本设计使用专用的电子天平液晶显示模块,相比通用型液晶显示模块显示信息丰富而有针对性,而且由于功能简单、生产量大,同时具有价格便宜的优点。
专用型液晶显示模块采用了存储单元和显示单元一一对应的显示方式,对于单片机来说,只要在相应的存储单元写入“1”或“0”就会点亮或熄灭相应的显示单元,操作非常简单。液晶模块和单片机的接口为串行方式,由一根数据线和读写信号线组成。由于MSP430F4250没有读写信号线,所以用I/O口来控制读写时序,同样非常方便。
前置放大
前置放大电路使保证测量精度的关键部分,在本设计中采用了仪器放大器的基本电路,用两个OP07组成,如图3所示。

OP07 为低零漂的运算放大器,价格便宜。本电路关键是R13和R14这两个电阻需要精确的匹配。在装配过程中R13和R14使用了精度为0.1%的精密电阻,再加上人工的精确匹配,使本电路的漂移和共模抑制比都能达到很高的标准。同时输出的信号再经过RC网络的滤波传送到A/D转换器的输入端,可以确保测量信号的稳定。在实际使用中也确认了这一点。
软件设计
本设计使用C语言编程,编译调试工具使用IAR的EW430 3.30a,高效地完成了本电子天平的程序设计。
结语
以内部带16位S-D模数转换器的单片机MSP430F4250为核心组成的电子天平,省去了独立的S-D模数转换器,降低了产品的成本,同时又能够达到足够的精度。采用本设计的电子天平已经投入正式生产,在当前竞争激烈的市场上,凭借良好的性能价格比,取得了很好的经济效益。
参考文献:
1. 沈建华、杨艳琴、翟晓曙,“MSP430系列16位超低功耗单片机原理与应用”,清华大学出版社,2004.11.
2. 胡大可,“MSP430系列单片机C语言程序设计与开发”, 北京航空航天大学出版社,2005.1.
3. “MSP430F42x0 mixed signal micro controller datasheet”,Texas Instruments Incorporated,2005
4. “MSP430x4xx Family User‘s Guide (Rev. E)“, Texas Instruments Incorporated,2005
5. ”MSP430x2xx Family User’s Guide Extract, “Texas Instruments Incorporated,2005
史海拾趣
|
3G Android移动开发名家大讲堂(12月19日Google北京总部 作为目前最流行的Linux开源平台,Google公司的Android手机操作系统,在2007年11月推出后,即受到了广大技术爱好者的普遍关注。凭借其开放性和优异性,Android平台在发展的过程中也得到了包括大手机厂商和著名移动运营商在内的业界的广泛支持。目前 ...… 查看全部问答> |
|
之前看过许多文档都是讲如何连到http/ftp这种的 可现在想实现一个两机间传输文件的程序 功能类似adhoc file transfer这种 希望各位大虾不吝赐教 谢谢!!… 查看全部问答> |
|
买的一本叫《Windows CE设备驱动及BSP开发指南》的书今天终于到了(速度还行,三天就到了),大概的翻了翻,着重看了看我这几天在看的BSP这一块,发现这本书还不错,一个星期摸索的问题看了一下书就明白了,而且书是今年6月出版的,内容比较新,在 ...… 查看全部问答> |
|
http://topic.eeworld.net/u/20090220/17/0618432f-cc0b-4e4e-91fa-a55e5ce8856d.html 之前的发错版块了,重发一下! 之前发过帖子,也在网上下过代码,几经修改之后, 终于可以读取HID设备的相关描述符等信息 也可以读取到HID设备发送给主机 ...… 查看全部问答> |
|
lpc2214引脚默认状态是什么,此时ad转换到底能不能用? 管脚连接模块可以使所选管脚具有1 个以上的功能。配置寄存器控制多路开关来连接 管脚与片内外设。 外设在激活和任何相关中断使能之前必须连接到适当的管脚。任何使能的外设功能如 果没有映射到相关的管脚,则被认为是无效的。 当管脚只选择一个 ...… 查看全部问答> |
|
如题,希望有类似的程序或经验朋友指导一下,本人刚学这个不久。 除了分报谢也没有什么特别的东东,如果是深圳的朋友倒可以一起吃个饭,交个朋友,拜个师也行… 查看全部问答> |




