历史上的今天
今天是:2025年03月08日(星期六)
2021年03月08日 | 基于MSP430的LED应急照明控制器的设计
2021-03-08 来源:eefocus
1 系统设计
重要建筑内消防应急电源EPS配备比较齐全,功率大,常作为消防电梯、报警系统、烟雾排风机系统的供电系统,因此,可作为常规、应急照明两用LED节能照明系的电源,而汽油发电机组只作为长时间停电时EPS系统电能消耗殆尽时的补充。根据系统设计的需求,结合实际情况,系统框图如图1所示。

系统包括EPS电源组件、LED照明系统和控制室内控制系统组成。EPS电源系统是系统的备用电源部分,主要功能是电能储存和电源切换;LED照明系统主要由整流滤波电路、LED驱动电路、LED灯组组成。LED恒流源电路是提供LED灯组恒定电流的驱动部分,同时还包含了有线、无线接口部分,接收来自控制室内的控制信号,调节LED灯的亮度。控制室内的控制系统包括操作面板,处理器MCU部分,以及有线、无线接口,主要是人机交互和调光控制命令输出。
2 控制器硬件设计
控制器主要安装在控制室内,通过有线、无线的方式检测每盏LED灯的工作状态,同时用按键操作来远程控制LED灯工作在低功耗、节能、应急3种工作模式、特殊场合下有远程关断操作。

以MSP430单片机为控制核心设计了系统控发送和接收端装置,如图2所示。控制器发送端主要安装在控制室内,通过操作面板实现人机交互,而接收端连接恒流源,接收发送端的控制命令,发出不同占空比的PWM信号,控制恒流源调节LED灯组,驱动LED工作在不同的状态。

CC2500是一种单片2.4 GHz收发器,通过SPI接口与MCU建立联系,MCU在开始要完成对CC2500寄存器的配置,其读写时序如图3所示。首先设置IOCFG2,IOCFG0.TX发送字节个数,包长度,发射功率等寄存器,完成对CC2500的初始化。
3 控制器软件设计
系统软件的设计主要是MSP430F2249内部的初始化和射频芯片CC2500寄存器的设置以及发射、接受数据的读写操作。调用SimpliciTI协议栈中的BSP,MRFI,NWK,NWK APPLI CATION,其中BSP是最基础的板级硬件,MCU初始化CC2500函数以及LED、按键操作函数;MRFI是属于射频接口层,提供射频芯片的选择,射频芯片的配置参数,射频芯片的驱动以及通信接口,NWK和NWK_APPLICATION是网络层和网络应用层,属于SimpliciTI协议栈的内容,包括网络的建立,网络地址的分配,网络数据帧结构、数据消息队列,数据消息处理,网络通信安全加密等一系列复杂机制,通过简单的函数调用实现了基本的硬件操作。无线收发器发送端和接收端的软件设计流程图如图4所示。

在接收端,通过开启内部定时器Timer_B,根据接受到的不同数据,调整Timer_B的计时周期,通过普通I/O口置数、复位达到输出不同占空比10%、50%、90%,使LED灯工作在低功耗、节能、应急3种工作模式。
发送端MSP430单片机向CC2500传输数据的子程序代码为:

其中msg为发送缓冲区,SMPL_Send为发送数据函数,一旦发送成功,返回SMPL_SUCCESS。
接收端调用simpliciTI协议函数,接受CC2500缓存数据的代码为:

其中msg为接收缓冲区,SMPL_Reeeive为接收数据函数,一旦接收成功,返回SMPL_SUCCESS。
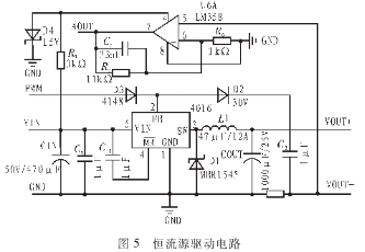
4 恒流源驱动器设计
恒流源驱动器由集成运放7LM358和电源芯片8XL4016组成,如图5所示。XL4016是一个180 kHz的固定频率PWM降压DC-DC转换器,8 A电流负载,36VDC输入,输出电压值由二极管D2确定为30 V,这就限制了LED灯的串联个数。由于发光LED灯的压降每个为3.3 V,这就使得输出电压最高为3.3x9=29.7 V,基于冗余性的考虑,系统采用8个LED串联输出,即3.3×8=26.4 V。

系统采用数模转换器DAC7611,用于输出恒定的参考电压。上电后,单片机调节其输入对应数值,使DAC761输出值AOUT=1.25 V,驱动器的负载为:

由于RCS精度不足,使得输出电流与设定值3 A之间存在一定的偏差。通常情况下,调节RCS的大小,即可调节恒流源的电流。但是如果LED灯组某一个或者多个LED老化或者出现故障,就需要系统检测到并自动调节恒流源的电流,因此就需要单片机读入反馈值,调节AOUT。1 W的LED压降大约3.3 V,电流300 mA,因此有

同理可得A1~A7都为0.2 V,这就是调节AOUT的依据,一旦某个LED灯出现损坏,则整串LED都将停止工作,此时
Ao=IloadRCS=0.1 V (3)
此时,MCU读取调节Ao反馈值,调节AOUT为1 V,使Iload=2.7 A,从而保证剩下的灯亮度保持恒定。
5 结论
该系统能够为车间、候车厅、体育场馆,会议厅等大跨度空间提供一套照明解决方案,能够实现常规、应急照明的自动切换,为确保重要的生产、经营、比赛、演出、会议、办公、直播等活动的正常进行。系统具有灵活、节能、使用寿命长的特点。以MSP430为控制核心的无线控制器能够实现50 m跨度空间的无线调光,使其工作在常规、节能、应急3种模式下。
史海拾趣
|
你是不是公司里的“好好人”?如果一味地讨好他人,你便会失去他人的尊重 每个公司都会有好好人,他们对于所有人都笑眯眯,对于所有人的要求都不会说“NO”。如果你是新进入公司的员工,可能刚开始要得到其他同事的信任,需要讨好别人,当然这 ...… 查看全部问答> |
|
第二次世界大战中英国发明的空中探测雷达对于探测飞机、火箭等目标所作出的重大贡献早已家喻户晓。但是近二十年来将雷达用于探测地下目标的技术获得了长足的发展。要探测的地下目标很多,包括金属、文物、地下水,天然气,尸体以及地下任何有断层或 ...… 查看全部问答> |
|
1, Caution! All external camera interface IOs must not be combined with any other GPIO or bi-directional ports. 上面这句话,好像是所有camera 外部IO接口不能与其他GPIO及双向口“结合”的意思,此处 ...… 查看全部问答> |
|
新建工程文件 仿真的时候出现 错误 target voltage seems to be below operating range for this device family. Make sure the target is powered on and try again 试过好几次啦 都是这样 望高人指点啊 … 查看全部问答> |
|
最近遇到个问题,就是在ISE中新建dcm或pll 的architecture wizard时,一直新建不了,提示 ERROR:sim - Failed to generate \'dcm\'. Architecture Wizard process returned with an error. Wrote CGP file ...… 查看全部问答> |
|
rs485工作速率100Kbps以上,rs232工作速率1.2kbps以上。主要包含分频模块、数据提取模块、串行输出模块。如果可以的话可以帮忙再做一下时序仿真不?一周以内作出可以用的一定重谢。。。… 查看全部问答> |




