历史上的今天
今天是:2024年09月07日(星期六)
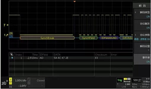
2021年09月07日 | ZDS2022示波器百集实操视频之41:LIN协议触发与解码
2021-09-07 来源:eefocus
LIN作为一种常用的汽车网络协议,也被列为ZDS2022示波器完全免费开放的协议之一,今天我们就来看下ZDS2022示波器是如何对LIN协议进行触发与解码的吧。
向示波器输入LIN协议信号,按下【Trigger】键,将触发方式设为普通触发,触发类型设为LIN,按下协议参数,设置正确的触发源与波特率,其中ZDS2022的LIN协议也支持波特率自定义的设置,用户可根据自己的需要进行波特率设置,触发模式包含同步间隔、同步场、ID场和数据序列4种模式,选中同步间隔模式,此时,波形已准确触发在同步间隔处,如何判断触发位置是否准确呢?

图1 LIN协议触发与解码
对LIN协议进行解码!按下【Decode】键,将解码类型设为LIN,开启协议触发,为了保证对完整帧进行有效解码,按下【Horiz】键,将储存深度设为112Mpts,将时基调大,可在解码环境下对协议触发位置清晰地观察,打开事件表,查看解码事件,ZDS2022示波器将LIN协议的触发与解码巧妙地联系了起来,用起来真得很方便!
史海拾趣
|
;P ;P !从本网站挪过来的资料! 为了响应小杰关于FPGA入门资料编写号召,特此发此贴,提供下载。 书还没看,感觉还不错,要求FPGA有点入门的。 关于学习FPGA,首先是自己有开发板,然后,就是自己给自己立一个项目练习。这样自己会编写代码。 ...… 查看全部问答> |
|
在eboot中也不能使用物理地址直接访问内存。而使用的是虚拟地址。 我的6410版,RAM从128M升级到256M之后,系统一直没有搞定,在eboot中测试内存发现, 我映射了一段并不存在的内存到0x96000000,在eboot中写了一个循环读写,如下: for (i = 0; ...… 查看全部问答> |
|
注册表项[HKEY_LOCAL_MACHINE\SOFTWARE\Apps]下有许多子项,如何将它们一一读出? 在WinCE上, 注册表项 [HKEY_LOCAL_MACHINE\\SOFTWARE\\Apps]下有许多子项, 如何将它们一一读出?… 查看全部问答> |
|
LCD 驱动程序上有一个DUMMY (RGB_DUMMY) 的东西,它起什么作用呀? LCD 驱动程序上有一个DUMMY (RGB_DUMMY) 的东西,它起什么作用呀? 三星6410(或BSP上)有这个东西吗? 如何设置它?… 查看全部问答> |
|
MTK6225 手机开发板(含源代码) 有诚意者请联系 Qq:296662705 硬件特性: 1、 CPU:mtk6225 2、 TFLASH 卡接口 3、 176X220 2.6寸TFT LCD,最高支持320*240*16的TFT LCD 4、 4线触摸屏接口 5、 双声道音频输出 6、 一个Camera 130万像素 ...… 查看全部问答> |




