历史上的今天
今天是:2024年09月07日(星期六)
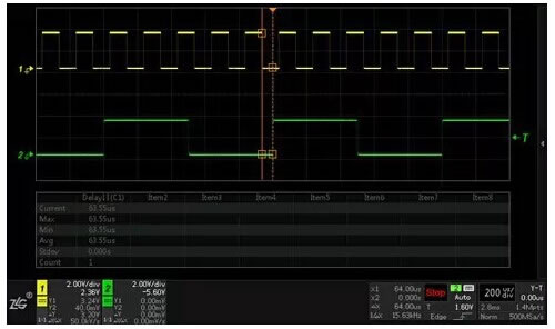
2021年09月07日 | ZDS2022示波器百集实操视频之44:延迟测量
2021-09-07 来源:eefocus
大家好,前几期视频中,我们已经分享了ZDS2022示波器延迟触发的功能,将指定延迟时间的指定边沿准确触发了出来,事实上,ZDS2022示波器具有51种参数的测量统计功能,其中就包含延迟边沿的测量,那就来看看延迟测量到底是怎么回事吧?
按下【Measure】键,选中测量项选择软键,在界面上可看到51种测量参数,旋转旋钮B可在时间范畴内找到延迟,延迟共分为4种类型,我们旋转旋钮B选中其中的下降沿对上升沿,长按旋钮B可看到该参数的具体信息,下降沿到上升沿的延迟是指从最接近于屏幕中央通道1的下降沿与通道2的上升沿在波形中等阈值处的时间差,我们对屏幕上两路波形进行下降沿对上升沿的延迟测量,返回到主界面,测量结果已经自动显示出来,按下【Cursor】键,开启光标测量,可见光标测量与自动测量结果近似相等!
ZDS2022示波器拥有51种参数测量、统计功能,其中的延迟测量,您清楚了吗?

图1 延迟参数的帮助信息

图2 延迟测量
史海拾趣
|
wince下用IImagingFactory将rgb565的bmp转成jpg IImagingFactory将rgb555的bmp数据保存成jpg文件时是成功的,rgb565的话就会出错,是不是不支持565格式?… 查看全部问答> |
|
这两天在分析当前案子的媒体播放器为什么播放部分文件会非常的不流畅。 发个帖子大家一起讨论下。集中下大家在调试wince下媒体播放器播放媒体文件不流畅的原因 我先说下这里的问题 1. 系统基于ARM 9 + WINCE 5.O + MPU屏 320*240 2. 播放器测试 ...… 查看全部问答> |
|
最近由于项目需要,得做2440上的电源管理,之前没有做过,所以出现了不少问题,现将过程中出现的主要问题及其解决方法列出如下: 1、系统睡眠与唤醒,拿到普通的代码,出现的问题经常是进入睡眠后,GPIO唤醒总是导致系统重新启动,其实这是因为没有 ...… 查看全部问答> |
|
我是ARM初学者,现在用STR71x系列的,谁能给我STR71x与NANDFlash三星K9F2808UOC后者相关的NANDFlash连接的的方法和 ...… 查看全部问答> |
|
——招专业人才,上一览英才 应届大学毕业生是社会的一个特殊群体,是指接受过大学教育的人,作为社会新技术、新思想的前沿群体、国家培养的高级专业人才。一直以专业知识强、综合素质高、有理想、有激情、发展潜力大、可塑性强而著称,应届毕业 ...… 查看全部问答> |
|
圆点博士小四轴飞行器(完全开源)之-如何通过无线下载STM32固件教程 圆点博士小四轴飞行器(完全开源)之-如何通过无线下载STM32固件教程 第一步:预先给小四轴刷入固件:fwh_mb_notfor_bl.hex。(该固件文件可以直接从官网下载。该固件的说明文件如下) ============================================= modify in 2 ...… 查看全部问答> |




