历史上的今天
今天是:2024年09月10日(星期二)
2021年09月10日 | ZDS2022示波器百集实操视频之64:PS/2协议解码
2021-09-10 来源:eefocus
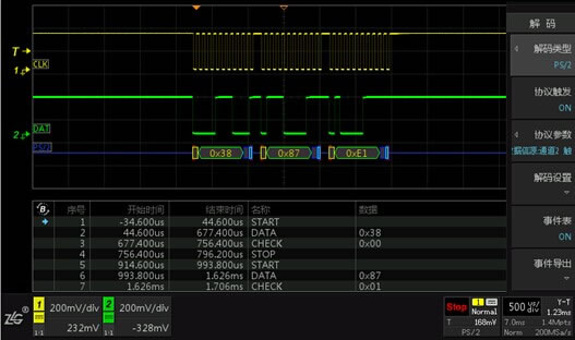
大家好,我们日常生活中使用的PS/2接口的键盘和鼠标所遵循的协议即所谓的PS/2协议,ZDS2022示波器免费为您提供了PS/2协议的触发与解码,您知道如何进行解码操作吗?
按下【Decode】键,将解码类型设为PS/2,打开协议触发,按下协议软键,可看到总线设置和触发设置,设置时钟信源为通道1,数据信源设为通道2,由于之前开启了协议触发,故在这里可对触发进行相关设置,触发模式包括起始位和数据两种,我们设置起始位触发,数据传输方向可发向主机,也可发向从机,我们设为发向主机。

图1 PS/2协议解码
返回到主界面,PS/2协议已经有效解码,打开事件表,旋转旋钮B可对所有解码事件进行查看,在停止状态下,ZDS2022示波器还支持对协议 解码 分析事件表导出功能!
史海拾趣
|
急问:MP3电路原理图!请教高手,帮我分析下这个MP3原理图中各个组成部分的原理、处理器的功能。 http://blog.ednchina.com/Upload/Blog/2007/3/30/826adf84-7829-4de7-8065-2149d80d0c85.jpg 请高手帮我分析下这个MP3原理图中各个组成部分的原理、处理器的功能。 谢谢!… 查看全部问答> |
|
求助Could not find file 'C:\WINCE500\PBWorkspaces\e\RelDir\Geode_x86_Release\MyDri Could not find file \'C:\\WINCE500\\PBWorkspaces\\e\\RelDir\\Geode_x86_Release\\MyDriver.exe\' on disk 在生成操作系统镜像的时候出现的问题 怎么解决啊 是编译的过程中出现的问题 … 查看全部问答> |
|
弱弱的问一个问题,Windows中的WinInet API在Window Mobile中能用吗? 例如HttpSendRequest、InternetReadFile之类的函数。 如果不可以,是否手机就不能通过http协议请求某个服务器的数据?… 查看全部问答> |
|
我的2812芯片flash写入了一次之后,就没办法写了怎么回事的?CCS连接之后点on-chip flash programmer,对话框全是灰色的,只有一个onlock按钮可以点,但是点了之后弹出unlock failed,CCS提示解锁失败,设备锁定。 但是上次烧写的时候我并没有改动 ...… 查看全部问答> |
|
在移植mtd-utils时遇到个问题,就是使用nandwrite写入文件系统的映像(jffs2格式)时,出现:Unknown flash (not normal NAND)错误,通过查看源码,这个错误是在程序中检测flash的页面大小处打印的, /* Make sure device page sizes are val ...… 查看全部问答> |
|
我正在学DSP,有几个问题: 关于C5416 外扩的FLASH型号该怎么选择,做音频处理的话,一般用什么型号的FLASH? C5416如何跟FLASH连接? 如何读取数据及存储数据? 希望和各位DSP的大牛们能帮帮我,非常感谢!… 查看全部问答> |
|
本人刚开始学uCOS系统,现在有一块S3C44B0X的板子,想把uCOS移植进去,于是在网上找了一些基于S3C44B0X的uCOS源码,但是不知道如何运用编译器把源码处理,自然也就不知道怎么把内核系统烧进板子,现在不知道如何下手,而且在网上找的资料都没有运用 ...… 查看全部问答> |
|
Pca采集的问题: 单片机C8051F120 我用Pca采集脉冲传感器个数,为什么进入单片机只有一个脉冲,而采集出来的是很多个呢?? Pca初始化: PCA0L = 0x00; PCA0H = 0x00; &nb ...… 查看全部问答> |




