历史上的今天
今天是:2024年09月15日(星期日)
2021年09月15日 | jz2440裸机开发与分析:内存控制器3之时序图分析
2021-09-15 来源:eefocus
根据前两节课,我们明白不同内存类设备与2440的连接
2440与NOR flash的连接图



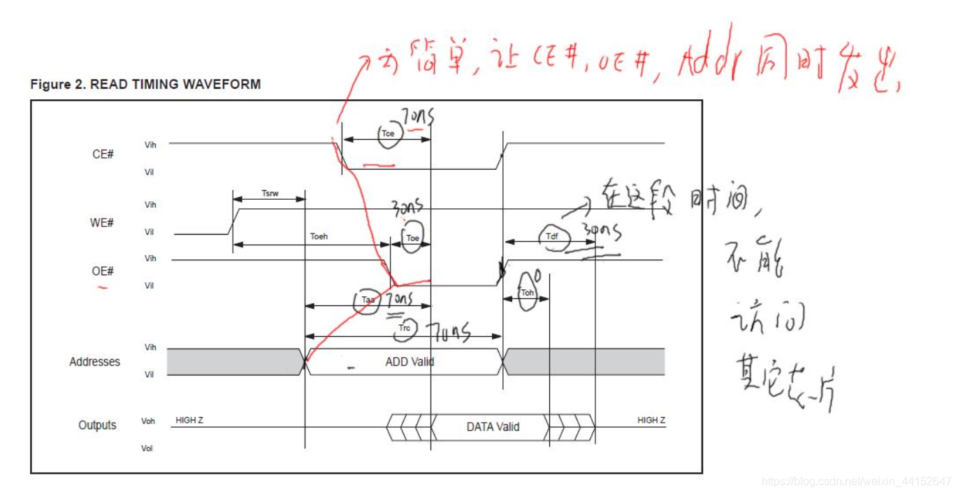
由上图NOR flash 读的时序图可知,Taa即当输出地址的70ns之后数据有效;Tce即当CE处于低电平大于70ns之后数据有效;Toe即当OE处于低电平大于30ns之后数据有效;Trc即为读周期的时间为70ns;Tdf即为OE和CE处于高电平大于30ns之后,数据输出稳定;综上,我们要让2440同时发出CE,OE,addr信号。

寄存器的配置:


综上,通过配置寄存器BANKCON0使其发出可以满足控制NOR flash读的时序
代码
init.c
#include "s3c2440_soc.h"
void bank0_tacc_set(int val)
{
BANKCON0 = val << 8;
}
init.h
#ifndef _INIT_H
#define _INIT_H
void bank0_tacc_set(int val);
#endif
main.c
#include "s3c2440_soc.h"
#include "uart.h"
#include "init.h"
int main(void)
{
unsigned char c;
uart0_init();
puts("Enter the Tacc val: nr");
while(1)
{
c = getchar();
putchar(c);
if (c >= '0' && c <= '7')
{
bank0_tacc_set(c - '0');
led_test();
}
else
{
puts("Error, val should between 0~7nr");
puts("Enter the Tacc val: nr");
}
}
return 0;
}
史海拾趣
|
我想找些V型MEMS热微执行器在实际应用中有关[url=https://bbs.eeworld.com.cn/thread-75155-1-1.html]驱动[/url]力和[url=https://bbs.eeworld.com.cn/thread-75155-1-1.html]驱动[/url]位移的具体数据,网上一直没找到,在这希望各位帮帮忙,谢谢 ...… 查看全部问答> |
|
DSP+BUILDER与VHDL混合设计方法实现DDS信号源 本帖最后由 paulhyde 于 2014-9-15 08:55 编辑 DSP+BUILDER与VHDL混合设计方法实现DDS信号源 … 查看全部问答> |
|
我用MSP430的spi口控制cc1100。数据已经写到spi口的缓冲区内。请问怎么知道数据应经通过cc1100发送出去? void main(void) { INT8U txBuffer[4]; &nbs ...… 查看全部问答> |
|
特意设计了一款MJ经典造型的帽子台灯,将MJ表演时常带的帽子作为台灯灯罩,内置,而巧妙之处在于就是倾斜帽子的角度,将帽子向上掀起台灯就会亮起,相反将帽子向下压台灯就会熄灭。 加上这款LED科技的星光浴缸Nirvana,能使你洗 ...… 查看全部问答> |
|
TI目前提供了书序库下载,配合CCS使用。16位的MCU毕竟是有其性能上限的,目前的这个库提供的浮点计算可以提高26倍的计算性能(来自介绍说明)。 不过还没有验证过,但是数学库的提供明显更方便使用了。 目前仅支持:5系列、6系列和FRAM系列,附件 ...… 查看全部问答> |
|
「ADI模拟大学堂」DSP/嵌入式系统设计的基础(2013.6.6) replyreload += \',\' + 1483173;「ADI模拟大学堂」DSP/嵌入式系统设计的基础(2013.6.6) (每日一份资料) 从今天开始,「ADI模拟大学堂」开始每天更新一份资料,资料更新目录在后面,希望大家支持。希望能获得大家的回帖,我也不用做回复可见。 ...… 查看全部问答> |




