历史上的今天
今天是:2024年09月24日(星期二)
2021年09月24日 | 测量脉冲个数时,为何测量结果跟波形中实际的个数不同?
2021-09-24 来源:eefocus
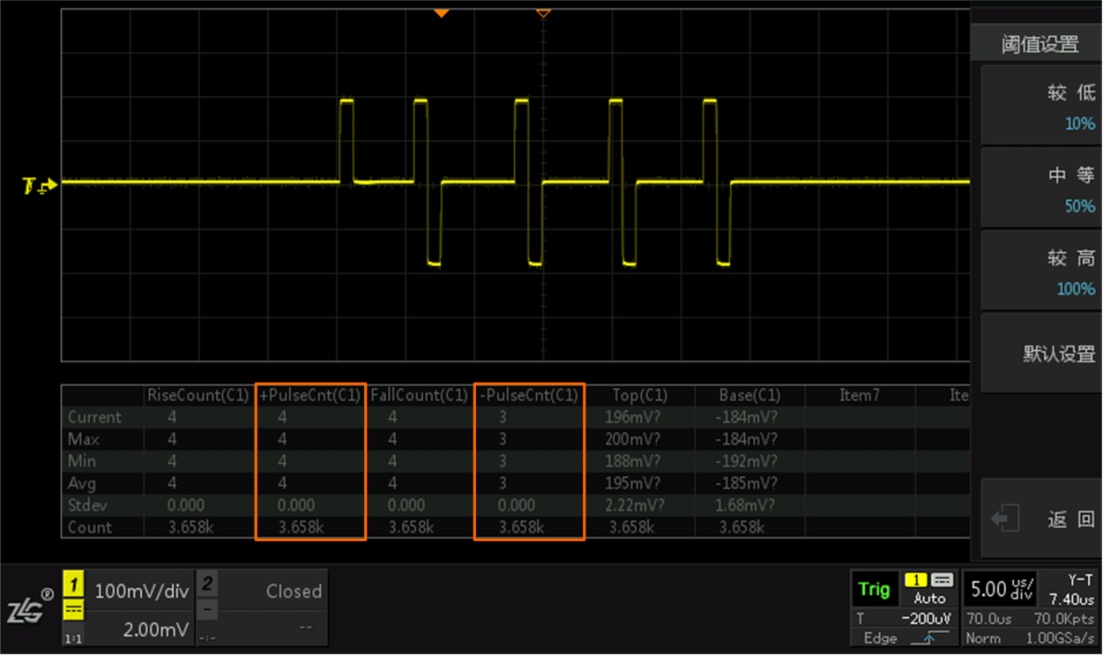
如图7.4所示,被测波形有5个正脉冲,4个负脉冲,可是测量结果却显示4个正脉冲,3个负脉冲,这是为什么?

图7.4默认正负脉冲测量统计
7.6.1原因分析
事实上,当涉及到对上升/下降时间或是脉宽的参数进行测量统计时,必须对阈值进行相关设置。其中,中等阈值会影响脉冲个数、脉冲宽度和占空比等参数,而较低和较高阈值则共同决定了上升时间、下降时间和斜率等测量参数,如图7.5所示。阈值设置适用于所有信号通道,也适用于搜索功能。 在ZDS2022示波器里,较低阈值、中等阈值、较高阈值分别默认为10%、50%、90%。

图7.6默认正负脉冲个数测量说明
由图7.6中可知,当直接选中正负脉冲个数统计时,此时默认设置中等阈值为50%。电平显示与中等阈值(TH与TL表示中等阈值的迟滞范围)的关系:
当波形高于TH时,统计脉冲电平显示为1;
当波形低于TL时,统计脉冲电平显示为0;
如图7.6中所示,左边的第一个正脉冲高于默认TH,故可显示为电平1;此时由于第二个正脉冲也高于TH,故电平仍显示为电平1(此时的统计已丢掉了一个正脉冲),直到第一个负脉冲出现,波形低于TL,电平0才显示,即此时只统计到了一个正脉冲;当到检测到第三个正脉冲时,此时负脉冲个数统计为1,以此类推,最终测量统计结果如图7.6中示意图所示,出现了4个正脉冲,3个负脉冲的结果。
由该统计过程看来,测量方法是没有问题的,只是由于没有正确地对阈值进行设置,造成了不正确的测量结果。
7.6.2正确的测量方法
1.测量正脉冲个数
图7.6中个数统计结果显示不对的根本原因是因为在统计左边第二个正脉冲之前,并没有波形低于TL,故第一个正脉冲与第二个正脉冲共同显示为一个电平1,所以为了得到正确的测量结果,在第一个正脉冲与第二个正脉冲之间应该是有 波形低于TL的,这样才能统计出两个正脉冲个数,故此将中等阈值向上调,如图7.7所示。

图7.7中等阈值适当上调
2.测量负脉冲个数
将中等阈值适当下调,如图7.8所示,统计原理与正脉冲统计相同,负脉冲的下降沿波形低于TL,上升沿波形高于TH,以此类推,每一个负脉冲都能准确统计。当然,此时只针对负脉冲统计,正脉冲个数的统计无参考价值。

图7.8中等阈值适当下调
史海拾趣
|
在VS2005+PB6.0的编译环境下调试HelloCE程序出错 提示 “WM_HIBERNATE”:未声明的标识符 代码如下: //====================================================================== // HelloCE - A simple application for Windows CE // // Written for the book Programming Windows CE // ...… 查看全部问答> |
|
pic16f877 通过编程仿真 由Sim-Emu 6.01 Configurator v2.1 写入手机号码的相关参数后得到: 一张十合一的可以自动切换imsi的sim卡 这个卡可以用于iphone 这个网址可以提供相应的知识准备 http://www.weiphone.com/viewthread.php?tid=4272& ...… 查看全部问答> |
|
本帖最后由 paulhyde 于 2014-9-15 09:20 编辑 我的LCD1602是三个控制线的即:RS,RW,E 在论坛里本来有这个显示例程,但我下进我的LCD1602后不显,后来我从网上找到一个觉得不错特来分享 原地址:… 查看全部问答> |
|
msp430超值系列的单片机 达利尔官方只要6块钱。 然后它有28到32个引脚。资源也丰富 更重要的是,它支持两线仿真 我很想买几块,就是运费要20,舍不得。不知道别的地方有卖的吗? … 查看全部问答> |
|
LED照明具有节能、环保、长寿命、易控制、免维护等特点。然而颇具讽刺意味的是,我们常常听闻由于LED驱动电源本身的寿命直接拖累LED照明灯具变得并不“长寿”,极大地增加了维护/使用成本;或者驱动电源的效率不高导致LED照明灯具的能效转换比并不 ...… 查看全部问答> |
|
大家好,本人是PIC单片机新手,但是我很勤奋,我买的ND118-877APIC实验开发板,里面有实例,但是没有源代码,本人自己写代码大家一起交流,希望能陆续写下去,本人QQ476857290 希望大家学习指导。本节学习 8位独立按键蜂鸣器提示 ...… 查看全部问答> |
|
stm32串口通信支持地址唤醒,但是地址位只有4位,也就是说最多连接16个..在很多情况下都不够用。 除此以外还有其他问题,比如,对于1号地址,接收的数据必须以0x81开头,但是如果给2号地址发送: 82 05 05 81 02 02 那么一号机就会收到81 02 02. ...… 查看全部问答> |




