历史上的今天
今天是:2024年09月30日(星期一)
2021年09月30日 | 高频小毛刺的测量与刷新率有什么关系?
2021-09-30 来源:eefocus
所谓高频小毛刺噪声,是指在波形上面看到的那些乱的小细线。
在测试时,像一些刷新率低的示波器,如泰克1000系列的示波器,由于刷新率低,采集叠加的帧数不够,所以能看到少数的杂乱小细线。而一些刷新率较高的示波器,像ZDS2022(刷新率高达33万帧/秒),和安捷伦的MSO3000系列示波器(刷新率最高1M帧/秒),因为采集叠加的波形帧很多,此时无数的杂乱小细线叠加在一起就形成了整条淡淡的线甚至是一片分不清的波形(而不是少数的杂乱小细线)。因为杂乱小细线在主波形上下等概率分布,当叠加次数少时(刷新率低),能看到杂乱小细线;而当叠加次数高时(刷新率高),无数小细线叠加在一起就成了整条线或者一片波形。
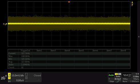
通过增加【触发释抑】的时间可降低波形刷新率。如图1.2、图1.3所示是不同波形刷新率观测到的小毛刺。

图1.2低波形刷新率(700帧/秒)

图1.3高刷新率(117,000帧/秒)
上一篇:如何实现两台示波器同步测量?
下一篇:何为“真正意义”的参数测量统计
史海拾趣
|
谢耘,1963 年生,清华大学电子工程系博士,神州数码副总裁兼首席技术官。曾任联想科技发展有限公司副总经理, 中科院计算技术研究所副所长,联想研究院副院长,神州数码软件公司总经理。… 查看全部问答> |
|
一、现有状况分析 不觉新人来到我们研发已近一年,这一年里,同一批人员,有的已经很快适应了环境,经过自己的努力和付出,能为研发工作独挡一面,成为某一方面的小专家;有的尽管前期不太适应,但是通过指导和修正,业已慢慢进入了工作状态,相信 ...… 查看全部问答> |
|
关于OEMInit()中调用NandFlash总是编译不通过问题 RT,项目中需要显示开机LOGO,BootLoader中显示图片过后,lanch os的时候,屏幕的图片消失,所以决定在OEMInit中添加显示LOGO函数。由于图片数据是放在flash里制定的区域的,所以说要调用flash的读写函数,来完成这个功能。我在OEMInit中直接调用Bo ...… 查看全部问答> |
|
各位大侠 我的问题是 板上 5 个按键 5 个数码管 由于电路中没法加电容 我在按键时 采用延时防抖 可是 这样出现了 程序以为是连续按键 这样产生了 程序 连续运行 和 延时时 数码管黑掉 ...… 查看全部问答> |




