历史上的今天
今天是:2024年10月13日(星期日)
2021年10月13日 | 高压差分探头测试实例分析
2021-10-13 来源:eefocus
探头的种类很多,其中高压差分探头在开关电源应用中十分广泛,然而很多工程师对差分探头的理解不是很深刻,市场上差分探头生产厂家也不少,性能指标各不相同,甚至相差甚远,造成测出的波形也不尽相同,工程师无法看到正确波形。下面PRBTEK给大家讲述高压差分探头测试实例分析及使用技巧。
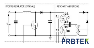
首先我们先来了解差分信号。差分信号是互相参考,而不是参考接地的信号。例如,图1开关电源中半桥上下开关管(Q1,Q2管)中电压信号;图2多相电源系统中电压信号,以上信号在本质上是“漂浮”在地之上。

图1开关电源中的开关管上的差分信号

图2 多相电源系统中的差分信号
高压差分探头测试实例分析
1、差分探头测试半桥电路中MOS管的DS极间电压
以下是利用DP6130测试半桥电路上下管DS波形实例:

差分探头测试上下管DS极间电压系统

探头测试点

上下管DS波形
以上实例说明,差分探头满足浮地测量的需要和普通示波器通道间隔离的需求。这里需要说明:上下管的DS电压一般几百V以上,一般差分探头测量问题都不大,但是如果测到的波形尖峰很大,用户需要考虑是否是差分探头本身造成的,如果差分探头的畸变指标设计的不好,可能会导致尖峰过高现象的发生。
在实际测试中,遇到过示波器通道间延时不一样,这也是客户需要考虑的问题,特别是上下管波形对比时,如果示波器的不同通道的延时相差很大,工程师必须考虑进去,一般相同型号的差分探头延时相差不大,都是几个ns的差别。
2、差分探头测试半桥电路中MOS管的GS极间驱动电压
以下是利用DP6130测试上下管GS波形实例:

差分探头测试半桥电路上下管GS极间电压系统

测试点特写

桥电路上下管 GS 波形
3、差分探头CMRR的实例分析
还是以上面的测试平台为例,将差分探头的红黑夹子短接,同时勾住上管的G极,理论上差分探头的输出应该为零,而实际上不可能,原因就在于,被测点对地有很高的共模电压,接近480V,而差分探头的共模抑制能力有限,那么就会有输出,输出越大,证明差分探头的CMRR能力越差。

测试共模能力的演示系统(红黑探夹同时勾住上管 G 或者S 极)

共模能力测试点特写

上管共模输出波形通过以上图片可以看出,由于差分探头的共模能力有限,共模信号的输出峰峰值有 2.64V,会影响实际的驱动波形测量,图上的尖峰影响高频部分,其它部分影响低频部分。现在我们来仔细分析驱动波形,请看下图上管驱动波形图片分析:

上管驱动波形分析(在共模电压情况下)
以上图片可以看出,DP6130 测量驱动波形,波形失真还是比较小的,原因在于 CMRR 指标是比较高。DP6130 差分探头驱动波形时,示波器是每格 5V,而根据共模信号波形可知,共模信号输出的峰峰值只有 2.64V,所以实测到的驱动波形几乎看不到波形的失真,基本达到应用要求。市场上各个厂家的 CMRR 能力不尽相同,大家可以用该种方法判断探头的共模抑制比能力,同时让你能够准确判断你测试出的驱动波形是否接近实际值。
上一篇:电源波纹测量小心探头的接地环路
史海拾趣
|
今天看到XILINX 的新闻,感觉XILINX 就是这样快! 今天看到XILINX 的新闻,感觉XILINX 就是这样快! XILINX 隆重推出新一代7系列FPGA 7系列FPGA——面向下一代大批量或超高端产品所设计的业内最低功耗器件。新型7系列 ...… 查看全部问答> |
|
一ADC程序在LM3S618中可正常运行,但移植到LM3S1627上就不好用?请问LM3S1627的ADC如何使用? 在618中ADC的引脚没有其它复用功能,不用配置。而在LM3S1627中ADC引脚与GPIO复用,上电默认状态为GPIO所以在使用ADC时,必须先使能GPIO模块,然后再将 ...… 查看全部问答> |
|
最近在调试触摸屏驱动,但遇到了一个奇怪的问题,问题描述如下: 开机后,可以实现触摸功能,也可以实现校准功能。但是,除最顶栏处的菜单栏和最低处的任务栏,其他地方均可以正常点击,这两处 ...… 查看全部问答> |
|
在STR710,有CPM_BASE_ADDRESS EQU 0xA0000040,但是在芯片手册里并没有它的定义,不知道这个值是哪里来的? 在STR710,有CPM_BASE_ADDRESS EQU 0xA0000040,但是在芯片手册里并没有它的定义,不知道这个值是哪里来的?… 查看全部问答> |
|
我用AF_DataRequest函数发送数据,用IEEE地址进行单播,协调器给他下一层的节点可以发送数据,但是在下一层的节点就收不到数据了。radius是AF_DEFAULT_RADIUS,options一开始用0,后来改为AF_DISCV_ROUTE、AF_DISCV_ROUTE | AF_SKIP_ROUTING,都不 ...… 查看全部问答> |
|
德州仪器MSP430驱动程序库是一个使用高级抽象语言的易于使用的API,它提供了简单的函数调用以使能,配置和使用各种MSP430外设接口!完全开源的MSP430驱动程序库内装在MSP430Ware软件和文档套件中,一并提供给客户使用。 $(\'swf_Q1n\').innerHTML= ...… 查看全部问答> |




