历史上的今天
今天是:2024年10月15日(星期二)
2021年10月15日 | 基于51单片机的电子万年历设计
2021-10-15 来源:eefocus
硬件方案
随着生活和工作的繁忙,人们在获知时间的同时,对于与人们生活和工作息息相关的信息也不可缺少,比如:温度,日期等;多功能电子时钟的诞生,很好解决了这一问题,它在显示时间的同时,又显示了温度、日期、时间等诸多功能于一身。
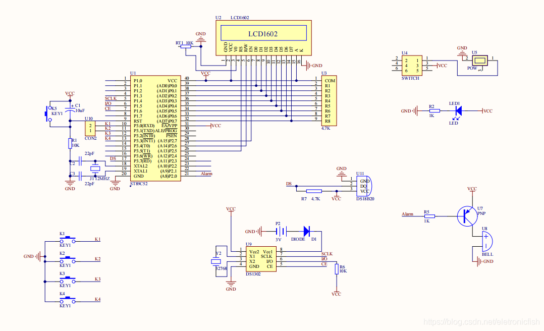
硬件主要由51单片机+最小系统+LCD液晶显示电路+DS1302时钟电路+蜂鸣器提示音电路+DS18B20温度采集电路+按键电路;

二.设计功能
(1)本采用STC89C51/52RC(与AT89S51/52、AT89C51/52通用)单片机作为主控制器;
(2)时钟芯片采用DS1302,温度传感器采用DS18B20;
(3)有一组闹钟和阴历显示功能,有闰年补偿,可以准确及正确的显示时间等信息。
(4)可以显示年、月、日、时、分、秒、星期、温度、农历和闹钟设定。
(5)电路上的纽扣电池可在掉电后给时钟芯片供电,重上电后不用重新调时。
三.设计原理图
(1)原理图主要采用AD软件进行设计,如图:

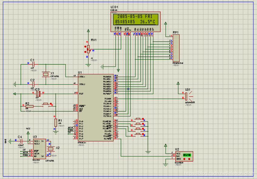
(2)Protues仿真图如下:

软件设计
(1)程序流程图

(2)主程序源码
......
//-------------------------------
void init(void) //定时器、计数器设置函数
{
TMOD=0x11; //指定定时/计数器的工作方式为3
TH0=0; //定时器T0的高四位=0
TL0=0; //定时器T0的低四位=0
TH1=0x3C;
TL1=0xB0;
EA=1; //系统允许有开放的中断
ET0=1; //允许T0中断
ET1=1;
// IT1=1;
// IT0=0;
PT1=1;
PT0=0;
TR0=1; //开启中断,启动定时器
TR1=0;
}
void InitialTimer2(void)
{
T2CON = 0x00; //16 Bit Auto-Reload Mode
TH2 = RCAP2H = 0x3C; //重装值,初始值 TL2 = RCAP2L = 0x18;
TL2 = RCAP2L = 0xB0;
ET2=1; //定时器 2 中断允许
TR2 = 0; //定时器 2 启动
}
//*******************主函数**************************
//***************************************************
void main()
{
ds1302_init(); //调用DS1302时钟的初始化子函数
init(); //调用定时计数器的设置子函数
lcd_init(); //调用液晶屏初始化子函数
InitialTimer2();
led=1; //关闭LCD的背光电源
while(1) //无限循环下面的语句:
{
keyscan(); //调用键盘扫描子函数
led=led1;
}
}
下一篇:基于51单片机的交通灯设计
史海拾趣
|
为什么现在这个论坛总限制我发帖的分数?????????? 为什么现在这个论坛总限制我发帖的分数?????????? 为什么现在这个论坛总限制我发帖的分数??????????… 查看全部问答> |
|
P80《自己动手写操作系统》里面有这句话“两次从高特权级到低特权级,一次从低特权级到高特权级” 只有P78有个由ring0到ring3 ,是从高特权级到低特权级。 另外一次从高特权级到低特权级,一次从低特权级到高特权级,怎么没有看到啊?… 查看全部问答> |
|
在单PowerPC(CK5)上 做了PCI采集系统 DMA传输成功 但在4 powerpc(DY4)主板上 DMA传输不成功 是什么原因 ???DMA 的主从设置问题吗????… 查看全部问答> |
|
我见天看了AD转换,但是不会写程序。不知道怎么做,希望大家给个简单的程序,只要叫AD的变化,在数码管上显示就可以了。谢谢啊。p1^1控制io。 p3^2控制out。p1^0 .控制/cs(低电平有效)。… 查看全部问答> |
|
各位大侠。快点救救小弟啊·! 非常谢谢啊!!!!关于红外线的 我用89c51解码。显示到1602上去 但是解码的过程中,显示code一直改变一定时间后不变 为什么呢。能不能按下按键。就能在段时间内读出code并且不做改变 红外线遥控器的按键是不是不能一直按着的。 谢谢大家了,比较急 … 查看全部问答> |
|
最近对DSP很感兴趣,所以发些资料,希望大家有好的资料也都共享出来,这样才能有技术的提升!~ 资料为开发板原理图,程序,说明文档!~有兴趣的话我们也可以组织DIY一下!~ [ 本帖最后由 wanghongyang 于 2011-2-13 10:36 编辑 ]… 查看全部问答> |
|
本帖最后由 paulhyde 于 2014-9-15 08:59 编辑 对于竞赛用的模块,是要自己买芯片回来自己做板子,还是直接在淘宝上买商品化的模块,回来只管算法就好了... 请教参加过国赛和有经验的大牛们....或者哪能查到相关规定.... … 查看全部问答> |




