历史上的今天
今天是:2024年10月18日(星期五)
2021年10月18日 | STM32时钟树分析
2021-10-18 来源:eefocus
1 STM32总线
首先,说点不靠谱的,APB和AHB总线,我个人感觉这个类似于个人PC系统里的北桥和南桥总线。
南桥总线上挂接的都是鼠标、键盘这些慢速的设备,北桥上挂接显卡等高速设备。南桥频率低,北桥频率高。另外,南桥最后也要接到北桥上。
这些感觉都类似于APB和AHB。
AHB,是Advanced High performance Bus的缩写,译作高级高性能总线,这是一种“系统总线”。
AHB主要用于高性能模块(如CPU、DMA和DSP等)之间的连接。AHB 系统由主模块、从模块和基础结构(Infrastructure)3部分组成,整个AHB总线上的传输都由主模块发出,由从模块负责回应。
APB,是Advanced Peripheral Bus的缩写,这是一种外围总线。
APB主要用于低带宽的周边外设之间的连接,例如UART、1284等,它的总线架构不像 AHB支持多个主模块,在APB里面唯一的主模块就是APB 桥。再往下,APB2负责AD,I/O,高级TIM,串口1;APB1负责DA,USB,SPI,I2C,CAN,串口2345,普通TIM。
这两者都是总线,符合AMBA规范。
ARM公司推出的AMBA片上总线受到了广大IP开发商和SoC系统集成者的青睐,已成为一种流行的工业标准片上结构。AMBA规范主要包括了AHB(Advanced High performance Bus)系统总线和APB(Advanced Peripheral Bus)外围总线。
2 STM32F1时钟系统
2.1 STM32F1时钟源
在STM32F1中,有五个时钟源,为HSI、HSE、LSI、LSE、PLL。
①HSI: High Speed Internal 是高速内部时钟,RC振荡器,频率为8MHz。
②HSE: High Speed External 是高速外部时钟,可接石英/陶瓷谐振器,或者接外部时钟源,频率范围为4MHz~16MHz。
③LSI: Low Speed Internal 是低速内部时钟,RC振荡器,频率为40kHz。
④LSE: Low Speed External是低速外部时钟,接频率为32.768kHz的石英晶体。
⑤PLL: Phase Lock Loop 为锁相环倍频输出,其时钟输入源可选择为HSI/2、HSE或者HSE/2。倍频可选择为2~16倍,但是其输出频率最大不得超过72MHz。
用户可通过多个预分频器配置AHB总线、高速APB2总线和低速APB1总线的频率。
AHB和APB2域的最大频率是72MHZ。
APB1域的最大允许频率是36MHZ。
SDIO接口的时钟频率固定为HCLK/2。
40kHz的LSI供独立看门狗IWDG使用,另外它还可以被选择为实时时钟RTC的时钟源。
另外,实时时钟RTC的时钟源还可以选择LSE,或者是HSE的128分频。
RTC的时钟源通过RTCSEL[1:0]来选择。
STM32中有一个全速功能的USB模块,其串行接口引擎需要一个频率为48MHz的时钟源。该时钟源只能从PLL输出端获取,可以选择为1.5分频或者1分频,也就是,当需要使用USB模块时,PLL必须使能,并且时钟频率配置为48MHz或72MHz。
另外,STM32还可以选择一个PLL输出的2分频、HSI、HSE、或者系统时钟SYSCLK 输出到MCO脚(PA8)上。
系统时钟SYSCLK,是供STM32中绝大部分部件工作的时钟源,它可选择为PLL输出、HSI或者HSE,(一般程序中采用PLL倍频到72Mhz)在选择时钟源前注意要判断目标时钟源是否已经稳定振荡。Max=72MHz,它分为2路:
(1)1路送给I2S2、I2S3使用的I2S2CLK,I2S3CLK;
(2)另外1路通过AHB分频器分频(1/2/4/8/16/64/128/256/512)分频后送给以下8大模块使用:
① 送给SDIO使用的SDIOCLK时钟。
② 送给FSMC使用的FSMCCLK时钟。
③ 送给AHB总线、内核、内存和DMA使用的HCLK时钟。
④ 通过8分频后送给Cortex的系统定时器时钟(SysTick)。
⑤ 直接送给Cortex的空闲运行时钟FCLK。
⑥ 送给APB1分频器。APB1分频器可选择1、2、4、8、16分频,其输出一路供APB1外设使用(PCLK1,最大频率36MHz),另一路送给定时器(Timer2-7)2、3、4倍频器使用。该倍频器可选择1或者2倍频,时钟输出供定时器2、3、4、5、6、7使用。
⑦ 送给APB2分频器。APB2分频器可选择1、2、4、8、16分频,其输出一路供APB2外设使用(PCLK2,最大频率72MHz),另一路送给定时器(Timer1、Timer8)1、2倍频器使用。该倍频器可选择1或者2倍频,时钟输出供定时器1和定时器8使用。另外,APB2分频器还有一路输出供ADC分频器使用,分频后得到ADCCLK时钟送给ADC模块使用。ADC分频器可选择为2、4、6、8分频。
⑧ 2分频后送给SDIO AHB接口使用(HCLK/2)。
2.2 时钟输出的使能控制
在以上的时钟输出中有很多是带使能控制的,如AHB总线时钟、内核时钟、各种APB1外设、APB2外设等。
当需要使用某模块时,必需先使能对应的时钟。需要注意的是定时器的倍频器,当APB的分频为1时,它的倍频值为1,否则它的倍频值就为2。
连接在APB1(低速外设)上的设备有:电源接口、备份接口、CAN、USB、I2C1、I2C2、UART2、UART3、SPI2、窗口看门狗、 Timer2、Timer3、Timer4。注意USB模块虽然需要一个单独的48MHz时钟信号,但它应该不是供USB模块工作的时钟,而只是提供给串行接口引擎(SIE)使用的时钟。USB模块工作的时钟应该是由APB1提供的。
连接在APB2(高速外设)上的设备有:GPIO_A-E、USART1、ADC1、ADC2、ADC3、TIM1、TIM8、SPI1、AFIO

使用HSE时钟,程序设置时钟参数流程:
1、将RCC寄存器重新设置为默认值 RCC_DeInit;
2、打开外部高速时钟晶振HSE RCC_HSEConfig(RCC_HSE_ON);
3、等待外部高速时钟晶振工作 HSEStartUpStatus = RCC_WaitForHSEStartUp();
4、设置AHB时钟 RCC_HCLKConfig;
5、设置高速AHB时钟 RCC_PCLK2Config;
6、设置低速速AHB时钟 RCC_PCLK1Config;
7、设置PLL RCC_PLLConfig;
8、打开PLL RCC_PLLCmd(ENABLE);
9、等待PLL工作 while(RCC_GetFlagStatus(RCC_FLAG_PLLRDY) == RESET)
10、设置系统时钟 RCC_SYSCLKConfig;
11、判断是否PLL是系统时钟 while(RCC_GetSYSCLKSource() != 0x08)
12、打开要使用的外设时钟 RCC_APB2PeriphClockCmd()/RCC_APB1PeriphClockCmd()
下面是STM32软件固件库的程序中对RCC的配置函数(使用外部8MHz晶振)
void RCC_Configuration(void)
{
RCC_DeInit();
RCC_HSEConfig(RCC_HSE_ON); //RCC_HSE_ON——HSE晶振打开(ON)
HSEStartUpStatus = RCC_WaitForHSEStartUp();
if(HSEStartUpStatus == SUCCESS) //SUCCESS:HSE晶振稳定且就绪
{
RCC_HCLKConfig(RCC_SYSCLK_Div1); //RCC_SYSCLK_Div1——AHB时钟 = 系统时钟
RCC_PCLK2Config(RCC_HCLK_Div1); //RCC_HCLK_Div1——APB2时钟 = HCLK
RCC_PCLK1Config(RCC_HCLK_Div2); //RCC_HCLK_Div2——APB1时钟 = HCLK / 2
FLASH_SetLatency(FLASH_Latency_2); //FLASH_Latency_2 2延时周期
FLASH_PrefetchBufferCmd(FLASH_PrefetchBuffer_Enable); // 预取指缓存使能
RCC_PLLConfig(RCC_PLLSource_HSE_Div1, RCC_PLLMul_9);
// PLL的输入时钟 = HSE时钟频率;RCC_PLLMul_9——PLL输入时钟x 9
RCC_PLLCmd(ENABLE);
while(RCC_GetFlagStatus(RCC_FLAG_PLLRDY) == RESET) ;
RCC_SYSCLKConfig(RCC_SYSCLKSource_PLLCLK);
//RCC_SYSCLKSource_PLLCLK——选择PLL作为系统时钟
while(RCC_GetSYSCLKSource() != 0x08); //0x08:PLL作为系统时钟
}
RCC_APB2PeriphClockCmd(RCC_APB2Periph_GPIOA | RCC_APB2Periph_GPIOB | RCC_APB2Periph_GPIOC , ENABLE);
//RCC_APB2Periph_GPIOA GPIOA时钟
//RCC_APB2Periph_GPIOB GPIOB时钟
//RCC_APB2Periph_GPIOC GPIOC时钟
//RCC_APB2Periph_GPIOD GPIOD时钟
}
3 STM32F4时钟系统
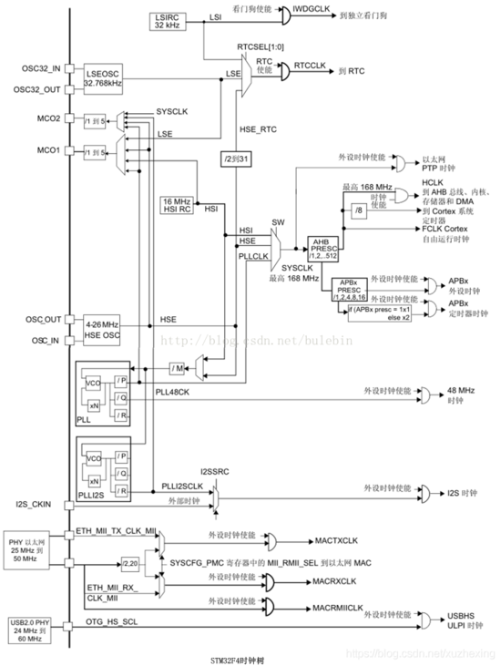
3.1 STM32F4时钟树
下图是STM32F4系列的时钟树。 
STM32的时钟源主要有:内部时钟、外部时钟、锁相环倍频输出时钟。内部时钟、外部时钟又分为告诉时钟、低速时钟。锁相环倍频输出时钟又主PLL时钟、PLLI2S时钟。具体如下图所示。
1、LSI低速内部时钟:由内部RC振荡器产生,频率为32kHz。如图区域①;
2、HSI高速内部时钟:由内部RC振荡器产生,频率为16MHz。如图区域②;
3、LSE低速外部时钟:一般由外部晶振提供,频率为32.768kHz。如图区域③;
4、HSE低速外部时钟:一般由外部晶振提供,频率为4~26MHz。如图区域④;
5、主PLL时钟:由HSE或HSI提供。如图区域⑤;
6、PLLI2S时钟:由HSE或HSI提供。如图区域⑥;
3.2 时钟的流向
我们已经知道了各个时钟源的输入,那么有了输入的时钟源,各个时钟源又是分别输出给哪些外设工作。我们分别从时钟源输入处开始,根据走线和结点,寻找到相应的输出。对应编号如下图中所示。
1、LSI低速内部时钟:供给独立看门狗⑴、实时时钟RTC⑵
2、HSI高速内部时钟:供给系统时钟⑸、时钟输出1MCO1⑷、主PLL时钟⑹、PLLI2S时钟⑺
3、LSE低速外部时钟:供给实时时钟RTC⑵、时钟输出1MCO1⑷
4、HSE低速外部时钟:供给系统时钟⑸、实时时钟RTC⑵、主PLL时钟⑹、PLLI2S时钟⑺、时钟输出1MCO1⑷、时钟输出2MCO2⑶
5、主PLL时钟:供给系统时钟⑸、外设时钟⑻、时钟输出1MCO1⑷、时钟输出2MCO2⑶
6、PLLI2S时钟::供给I2S时钟⑼、时钟输出1MCO1⑷、时钟输出2MCO2⑶

HSI、HSE、主PLL时钟都可以供给系统时钟⑸,STM32的很多外设是挂载在AHB、APB总线桥上的,这些外设的时钟又是怎么样的,这就和系统时钟的流向有关了,系统时钟的流向分析如下:
1、供给时钟输出2MCO2⑶
2、供给以太网PTP时钟⑽
3、经AHBPRESC预分频器⑾后:HCLK到AHB总线、内核、存储器和DMA⒁,到Cortex系统定时器⒂,自由运行时钟⒃
4、经AHBPRESC预分频器⑾、APBxPRESC预分频器⑿后:供给APBx外设时钟⒄
5、经AHBPRESC预分频器⑾、APBxPRESC预分频器后⑿,再经倍频条件判断⒀处理后:供给APBx定时器时钟⒅
3.3 ST固件库中提供的PLL配置函数
voidRCC_PLLConfig(uint32_tRCC_PLLSource,uint32_tPLLM,uint32_tPLLN,uint32_tPLLP,uint32_tPLLQ);
RCC_PLLSource为PLL的时钟源选择, 可选择为RCC_PLLSource_HSE或者RCC_PLLSource_HSI.
这里的PLLM, PLLN, PLLP, PLLQ便指的是上述的几个分频器的分频因子.
并且这些分频因子取值是有限制如下:
2 <= PLLQ <= 15
2 <= PLLM <= 63
192 <= PLLN <= 432
PLLP 只能是2, 4, 6, 8其中之一.
其中PLLN就是PLL的倍频倍数N.
并且, PLL之后得到的频率不得超过器件的限制频率.
举个实际的例子, 外部晶振为8MHz, 我们想让CPU运行于168MHz, 该怎么配置?
因为PLLM最小只能是2, 所以选择PLLM为2.
这里8MHz的HSE被PLLM二分频后只有4MHz了.
PLLP最小也只能是2, 我们所需要的SYSCK为168MHz, 所以从VCO出来的频率为168 * 2 = 336MHz.
则倍频倍数N为336 / 4 = 84, 所以PLLN为84.
PLLQ是USB OGT FS的时钟, 固定为48MHz, 所以预分频因子为336 / 48 =7.
则PLL配置函数应该为:
RCC_PLLConfig(RCC_PLLSource_HSE,2,84,2,7);
当然只使用这一句就不可能让PLL工作的, 还需要配合其它配置才行.
4 用多个时钟源、分层控制时钟的好处
1、一个外设有多个时钟源:可以根据需要选择相应频率的时钟源。
2、分层、分开控制外设时钟:使得各个外设的时钟都是可控的,各个外设有对应的时钟控制开关,实际应用过程根据需要开启相应外设时钟,不需要的外设时钟不开启,可以降低功耗。
上一篇:STM32系统时钟树分析
下一篇:看懂时钟树——掌握系统时钟配置
史海拾趣
|
本帖最后由 paulhyde 于 2014-9-15 09:49 编辑 本人对毕业设计部分等不是很熟,故毕业设计部分诚邀一位版主加入,希望可以引领大家一起进行毕业设计的讨论,共同把电子设计大赛/毕业设计版块做好,有意向的请在下面跟贴说明!谢谢! … 查看全部问答> |
|
在中断程序中没一个采样周期都会从外设采集到一个数据readbuf[0],该数据中存在毛刺,毛刺可认为是连续两次采样结果之差的绝对值大于一个阈值N,N为宏定义的一个数。但如果连续M次都出现这样的大数则认为是有效数字,M也为宏定义。 由于单片机资源 ...… 查看全部问答> |
|
我遇到了一个很棘手的问题。我先在VS2005上开发了一个sp程序。是wtl的工程。后往EVC上移植03的版本。编译都能过,但是一到真机上就说是“无效的wince应用程序”,我确定的是环境,sdk没问题。但是问题出在哪里了?郁闷中。。。请高手指点。谢谢… 查看全部问答> |
|
华硕 A6Jc A6Q23Jc-SL 8299 元 华硕 A6Jc A6Q23Jc-SL 主要性能CPU类型 Intel 酷睿双核 T2300(1.66GHz) 最高主频 1.66GHz 前端总线 667MHz 二级缓存 2048KB 迅驰技术 迅驰III(Na ...… 查看全部问答> |
|
我想使用PDT传输,将FPGA内FIFO里的数据传送到DSP CE0外扩的SDRAM里,但是就是读不到数据,SDRAM里的数据全变成了一个值,不知道问题出在哪里,有没有朋友做过这方面的啊? 我写的代码如下: #include #include #include #include #inc ...… 查看全部问答> |
|
计划用9B96+TLC320AIC3254实现MP3与音频记录的功能,要外扩一块1G以上的NAND FLASH。各位能不能推荐一块用得比较多的,最好能有驱动代码的NAND FLASH? 型号,大小,价格什么的,越详细越好,谢谢。。… 查看全部问答> |
|
急急急,ccs里面没有430ware 安装文件里面有430ware 的example,但是就是关联不到GUI上去,在welcome里面不显示430ware,不知道为什么,求大神相救 [ 本帖最后由 同并流加 于 2013-4-26 12:01 编辑 ]… 查看全部问答> |
|
【求助】瑞萨MCU抽风了,Error(E1002016) : Illegal status from Microcontroller. 本帖最后由 paulhyde 于 2014-9-15 03:28 编辑 怎么破,求解,折腾一晚上了,是不是悲剧了呢?写好的程序下不进去也调试不了 … 查看全部问答> |




