历史上的今天
今天是:2024年11月09日(星期六)
2021年11月09日 | 干货 | 低压电池监控器进入高压电动汽车
2021-11-09 来源:作者:Christopher Gobok ADI 公司混合信号产品部门的高级产品营销工程师
电动汽车
如果您尚未驾驶过电动汽车(EV),包括混合动力电动汽车(HEV)、插电式混合动力汽车(PHEV)和全电动汽车,那么很可能您就快要开上了。里程焦虑已成为过去。现在,您可以帮助保护环境,而不必担心陷在其中。世界各地的政府都提供了慷慨的财政激励措施以抵消电动汽车的高价,希望能够引导消费者不购买内燃机(ICE)汽车。有些政府已采取措施强制汽车制造商制造和销售电动汽车,希望市场最终由电动汽车主导,而有些政府则制定了更明确的目标。例如,德国已经努力推动在2030年之前禁止ICE汽车。
在汽车的大部分历史中,创新一直聚焦于提供舒适的用户体验,提高ICE的燃油燃烧效率,以及使排放物更清洁。然而,ICE汽车的最近创新的绝大部分是电子技术进步的直接结果,包括底盘系统、动力传动系统、自动驾驶和高级驾驶员辅助系统(ADAS)、信息娱乐和安全系统的改进。EV的许多电子系统与ICE车辆相同,当然还有传动系统本身。根据Micron Technology的数据,电动汽车价值中的电子部分高达75%,随着半导体技术持续发展,导致各种电子模块和子系统的成本不断降低,该部分的价值会越来越高。甚至非传统的汽车玩家,例如Intel®,也要分一杯羹。
毫不奇怪,在电动汽车的所有电子子系统中,制造商和消费者都特别关注电动汽车的心脏——电池系统。电池系统包括可充电电池本身——锂离子(Li-Ion)电池是当前主流——及电池管理系统(BMS),后者旨在较大程度地提高电池使用率和安全性。ADI公司的BMS解决方案是电池监控的主流产品。ADI公司通过丰富的智能BMS IC产品系列来提升新一代EV BMS设计,LTC2949 EV电池组监控器是其最新产品。
BMS监控
BMS的主要功能是监控电池状态,对电动汽车而言,就是监视超大电池组或电池堆。BMS通常监控单个电芯和电池组的电压、电流、温度、荷电状态(SOC)、健康状态(SOH)及其他相关功能,例如冷却液流量。BMS除了具有明显的安全和性能优势外,精确监控这些参数一般还能带来更好的驾驶体验,让驾驶员充分了解电池实时状况。
为了获致成效,BMS测量电路(例如新型LTC2949电池组监控器)必须精准快速,具有高共模电压抑制能力,功耗低,并能与其他器件安全通信。EV BMS的其他任务包括:将能量回收到电池组中(即再生制动),平衡电芯,保护电池组免受危险电压、电流和温度水平的影响,以及与其他子系统(如充电器、负载、热管理、紧急关停)通信。
汽车制造商使用多种BMS监视拓扑来满足其对准确性、可靠性、易制造性、成本和功耗的需求。例如,图1所示的分布式拓扑具有以下突出特点:通过本地智能实现高精度,串联电池组提供高可制造性,以及通过低功耗SPI和isoSPI™接口进行IC间通信,实现低功耗和高可靠性。
其中,LTC2949用于低端电流检测配置,isoSPI通信线路与底部的电池监视器LTC6811-1并行。为了提高可靠性,可以将第二个isoSPI收发器连接到电池组的顶部,创建一个支持双向通信的环形拓扑,从而实现双通道通信方案。与SPI主控制器的隔离通信通过LTC6820 isoSPI转SPI信号转换器实现。ADI公司的可堆叠LTC681x系列多节电池监控器可用于测量多达6、12、15或18节串联电芯各自的电压,而单个LTC2949用于测量总电池堆参数。LTC681x和LTC2949共同构成一个全面的EV BMS监控解决方案;对有些人来说,该电路的更熟悉名称是BMS模拟前端(AFE)。

图1.采用LTC6811-1和LTC2949的分布式EV BMS监控拓扑。
LTC2949专为EV设计,是一款高精度电流、电压、温度、电荷、功率、电能计量器件。通过测量这些关键参数,系统设计人员就有了必要的数据来计算整个电池堆的实时SOC和SOH以及其他品质因数。图2给出了用在高边电流检测配置中的LTC2949的框图。这里,LTC2949采用可调浮动拓扑,因而能够监视电压非常高的电池堆,而不受其自身的14.5 V电压额定值的束缚。LTC2949的电源通过LT8301隔离反激式转换器提供,VCC连接到电池正极。

图2.高边电流检测配置中LTC2949浮动EV电池监控器的典型连接。LTC2949的电源由LT8301反激式转换器提供,VCC连接到电池正极。
超越模拟
驾驶员会喜欢LTC2949的数字输出和精度,而系统设计人员会喜欢LTC2949的模拟性能以及将其无缝集成到几乎所有EV BMS中的能力。LTC2949的核心是五个轨到轨、低失调、Σ-Δ ADC,可确保精确测量电压。在这五个ADC中,两个20位ADC可用来测量两个检测电阻上的电压(如图2所示),并以令人吃惊的0.3%精度推断出流过两个独立电源轨的电流。LTC2949具有小于1 µV的失调电压,而且能提供异常高的动态范围。同样,电池堆的总电压测量可达18位和0.4%的精度。两个专用功率ADC检测分流和电池堆电压输入,产生精度为0.9%的功率读数。最后一个15位ADC可用来测量多达12个辅助电压,方便与外部温度传感器或电阻分压器一起使用。利用内置多路复用器,LTC2949可在12个缓冲输入的任何一对之间以0.4%的精度执行差分轨到轨电压测量。
为了简化设置,LTC2949的五个ADC形成三个数据采集通道。每个通道可以根据应用需要配置为两种速度之一,如表1所示。例如,可以使用两个通道监视单个分流电阻:一个通道用于慢速(100 ms)高精度电流、功率、电荷和电能测量;另一个用于快速(782μs)电流快照,与电池堆电压测量同步,以进行阻抗跟踪或预充电测量。或者,两个独立通道监视两个不同大小的分流电阻(同样如图2所示),使得用户可以平衡每个分流电阻的精度和功率损耗。同时,第三个辅助通道可以对可选的缓冲输入进行快速测量,或者对两个可配置输入(堆电压、芯片温度、电源电压和基准电压)进行自动轮循(RR)测量。
表1.LTC2949三个数据采集通道的配置选项

当LTC2949的三个数据采集通道中的任何一个被配置为快速模式(782μs转换时间和15位分辨率)时,LTC2949可以将其电池堆电压和电流测量与任何LTC681x多节电池监控器的电池电压测量同步,以推断出单个电芯的阻抗、寿命和SOH。有了这些信息,就可以评估电池堆寿命,因为最弱的电芯最终决定整个电池堆的SOH。
SOH是在电池(或电池堆)生命周期的某一时刻对其状况(相对于新电池)的测量,因此使用精确的EV BMS监控器很重要,这不仅是为了最大程度地延长行驶里程,也是为了最大程度地减少电池意外故障。说到电池寿命,LTC2949在开启时仅消耗16 mA电流,而在睡眠时仅消耗8 µA电流。
数字优势
LTC2949的数字特性包括一个过采样乘法器和累加器,产生18位的功率值和48位的电能与电荷值,报告最小值和最大值以及基于用户自定义限值的警报。这就免除了BMS控制器和总线不断轮询LTC2949以获得电压和电流数据的任务,而且免除了基于结果执行计算的额外任务。LTC2949以过采样ADC时钟速率(预抽取滤波器)进行功率采样,而不是乘以平均值,故而在电流和电压变化远超其转换速率的情况下可以准确测量功率,信号频率最高可达50kHz。
LTC2949跟踪电流、电压、功率和温度数据的最小值和最大值,所以总线和主机可以将时钟周期花在其他任务上,而不用持续轮询LTC2949。除了检测并存储最小值和最大值之外,LTC2949还可以在超出用户自定义阈值时发出警报,这同样会免除主机控制器和总线的轮询任务。在提供指定的电能或电荷量之后,或者经过预设的时间量之后,LTC2949也能产生溢出警报。
为确保监控精度,LTC2949提供了多个可编程增益校正因子来补偿测量器件的容差:两个校正因子用于分流电阻、一个电池分压器和四个多路复用输入。这些校正因子可以存储在外部EEPROM中,支持通过模块化方法对电池组进行出厂校准。此外,LTC2949可以线性化最多两个外部NTC热敏电阻的温度读数,即通过求解带可编程系数的Steinhart-Hart方程;这些读数随后可用于对分流电阻读数进行自动温度补偿。通过持续补偿容差和温度影响,不仅可以提高监测精度,而且可以使用成本较低的外部器件。
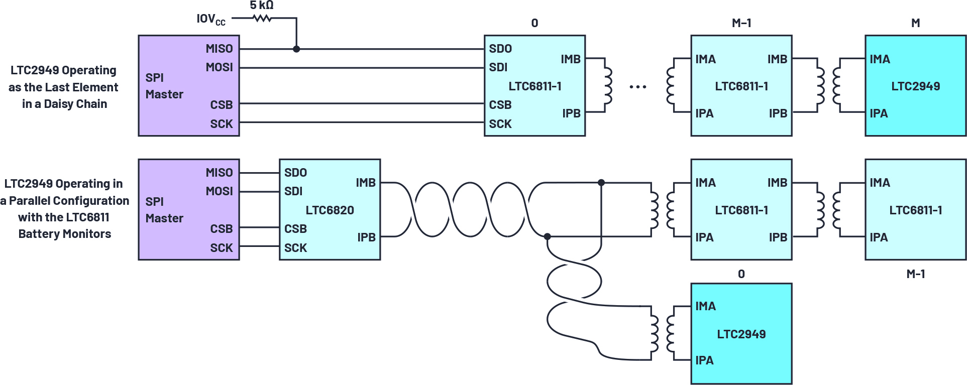
LTC2949上有一个标准SPI接口用于直接连接MCU。另外还有ADI公司专有的isoSPI接口。isoSPI对标准芯片级SPI的物理层进行了调适,以充分发挥经济高效的分布式电池组架构的潜力。isoSPI针对高电压和高噪声系统而设计,可在长达100米的电缆上提供高达1 Mbps的安全可靠的信息传输,仅使用单根双绞线电缆和简单的脉冲变压器。isoSPI还比其他板载隔离解决方案便宜。图3显示了LTC2949如何利用isoSPI,其与LTC6811-1一起用作菊花链或可寻址并行配置中的最后一个元件。

图3.LTC2949 isoSPI配置
结论
电动汽车渐成主流,大规模应用的拐点已经到来。为了保持竞争力,系统设计人员需要密切关注电池和BMS技术,这些技术会深刻影响终端用户的体验。LTC2949是ADI公司在BMS监控领域的最新尝试,它能轻松应对多种电池堆监控拓扑和配置。在几乎任何电压和任何电流水平下,LTC2949都能实现高性能、安全、灵活、可靠的电池管理系统。通过准确读取电流、电压、功率、电能、电荷、温度和时间,可以立即获得对电池SOH和SOC的精确评估。LTC2949除具有强大的模拟能力外,还能对可用数字输出进行高速处理。关键的最小值、最大值和警报可以测量、计算并通过鲁棒的isoSPI接口报告给LTC2949。因此,对主机资源、总线设计和测试以及软件设计的要求得以降低。该器件的一些数字特性包括乘法器、累加器、最小值/最大值寄存器、可配置的警报以及外部器件容差/温度补偿。LTC2949设计为独立工作或与任何LTC681x多节电池监控器配合使用,在满足严格的AEC-Q100准则和ISO 26262安全标准的同时,满足了对下一代EV BMS的迫切需求。
史海拾趣
|
印度2005年的模拟电路市场规模达2.21亿美元,今年将猛增35%,达3亿美元,比业界先前的预期增长了50%以上。 印度半导体产业协会称,印度2007年的模拟电路销售额将再增长40%,达4.27亿美元,一直到2010年都会保持快速增长,到那时该市场将达到近1 ...… 查看全部问答> |
|
请教一下,PCB中的焊盘跟过孔在应用上有什么区别啊?焊盘的中间必须有一个过孔吗?画PCB图自制元件时要加贴片的焊盘用工具栏里的焊盘把中间的过孔去掉呢还是自己随便画个方形呢?请高手指点一下啊!谢谢了!… 查看全部问答> |
|
各位大哥,请帮我看看这个 IC 卡(SLE4442卡)问题啊?谢谢 1: 向 IC 卡里写数据 是不是必须通过效验了才能写啊? 2: 效验 到底是效验什么东西? 是密码,还是? 3: 假设有人自己做个写卡器, 想卡里写个很大的数据, 然后做到您的读卡器里读 这样,就不行了 怎么防止这样的情况啊 是不是在卡里 ...… 查看全部问答> |
|
我在淘宝上购买了2家店各2片AD835,购入价为48元1片,在使用其模拟乘法器实现幅度调制(AM)时完全按照手册所列示例搭建电路,但都无法实现,W出来的信号始终的0V,1、4脚载波用10KHZ、1VPP,8脚调制信号用500HZ、1VPP,网上也有类似的问题,但不知 ...… 查看全部问答> |
|
STM32 都带有库和例程,但实际应用中还是需要修改的,需要修改的大致如下: 1. 修改头文件,选择器件类型。 2. 修改器件工作频率。 3. 修改时钟配置。 4. 选择时钟,与外部完全一致。 5. 其他修改, ...… 查看全部问答> |




