历史上的今天
今天是:2024年12月03日(星期二)
2021年12月03日 | 51单片机并行接口P0~P3
2021-12-03 来源:eefocus
前言
学习51单片机,IO口可以说是重中之重,在应用设计中应该理解,计算机内部是由数字电路组成的,只存在TTL电平,高电平3.5V~5V和低电平0V对应数字1和0,外设的状态输入要通过电路转换成高低电平,计算机才能识别。根据外设的需要的电平输出1或0,这就是程序控制外设的核心。
根据外设的需要的电平输出1或0,这就是程序控制外设的核心。
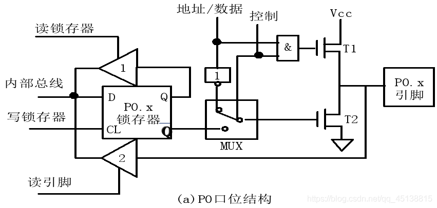
一、并行接口P0
① 并口与数据存储器统一编址,作为数据存储器的特殊功能寄存器来访问,寄存器名分别为:P0、P1、P2、P3;
② P0、P1、P2、P3各对应8位双向I/O口,每个端口可以按字节输入或输出,也可以按位进行输入或输出,四个口共32根口线,用作位控制十分方便;
③ P0、P1、P2、P3均可作准双向I/O口用,同时在单片机扩展外部存储器时,P0口还可作低8位地址和数据总线,P2口还可作高8位地址总线,P3口还具有第二特殊功能;
④ P0、P1、P2、P3均由锁存器、输出驱动电路和输入缓冲器组成,P0口能带8个TTL电路;P1、P2、P3口负载能力为4个TTL电路。
(1)P0口
P0口的字节地址为80H,位地址为80H~87H。
P0口是漏极开路的准双向口或做为低8位地址/数据总线口

P0口作为地址/数据总线
P0口用于低8位地址/数据复用总线时,可用于扩展外部程序存储器和外部数据存储器。
1. 输出地址和数据时,控制线=1,MUX与地址和数据总线相连,锁存器和引脚断开,锁存器的值不影响引脚电平;
2. 输入数据时,控制线=0,MUX与锁存器相连,此时CPU将自动向P0口输出0FFH,T1和T2均关断,输出驱动电路由于处于高阻状态,不影响输入。

(2)、P0口作为通用I/O口


注意:对P0口操作时,写P0口时写锁存器和写引脚是一致的,其实质都是写锁存器;但在读P0口时,读锁存器和读引脚就不一样了,因为锁存器和引脚的值有时是不同的。
读引脚操作称读引脚指令 例:MOV A,P0
读锁存器操作称读-修改-写指令 例:ANL P0,A
(注:以上同适合P1、P2、P3口)
二、并行接口P1
P1口的字节地址为90H,位地址为90H~97H。
P1口是带上拉电阻的8位准双向I/O口


三、并行接口P2
P2口的字节地址为A0H,位地址为A0H~A7H。


1、P2口用于高8位地址总线时,可用于扩展外部程序存储器和外部数据存储器。 输出地址时,MUX与地址总线相连,锁存器和引脚断开,锁存器的值不影响引脚电平。
2、当P2口做通用I/O口时,多路开关MUX接锁存器;内部有上拉电阻。
用于输出:输出1时,引脚为高电平,输出0时,引脚为低电平;
用于输入:由于输入时T不能影响输入,故T必须截止,因此作输入时,要人为的将P2的锁存器置1(所以称为准双向I/O口)
应当注意:当P2口的几位作地址线使用时,剩下的P2口线不能作I/O口线使用。
四、并行接口P3


P3口的第二特殊功能引脚分配:
P3.0-(10脚)RXD:串行数据接收端
P3.1-(11脚)TXD:串行数据发送端
P3.2-(12脚)INT0:外部中断0请求端,低电平有效
P3.3-(13脚)INT1:外部中断1请求端,低电平有效
P3.4-(14脚)T0:定时计数器0外部时钟输入端
P3.5-(15脚)T1:定时计数器1外部时钟输入端
P3.6-(16脚)WR:外部数据存储器写选通信号,低电平有效
P3.7-(17脚)RD:外部数据存储器读选通信号,低电平有效
归纳四个并行口使用的注意事项如下:
1.如果单片机内部有程序存贮器,不需要扩展外部存贮器和I/O接口,单片机的四组口均可做I/O口用。
2.四组口在做输入口使用时,均应先对其写“1”,以避免误读。
3.P0口做I/O口使用时应外接10K的上拉电阻,其它口则可不必。
4.P2可某几根线作地址使用时,剩下的线不能作I/O口线使用。
5.P3口的某些口线作第二功能时,剩下的口线可以单独作I/O口线使用。
史海拾趣
|
如果按价格/重量来计算,CPU要比黄金还贵得多。几乎所有的人都知道CPU主要是以硅为为原料制成的。而硅是地球上多得无法计数的元素了(如果我高中的化学知识没有记错硅应该是排名第二的)是什么魔力使这种最不值钱的东西变成炙手可热的宝物的呢?是 ...… 查看全部问答> |
|
windows mobile添加短信的语音朗读扩展功能-如何获得短信接收信息 我这边实现了语音朗读的功能,现在需要给短信加载上这个扩展功能,即当接收到短信后,会立即语音朗读出短信的内容 问题:windows mobile下目前使用微软自带短信功能,无代码,需要自己获取接收短信消息并提取其内容播放 我这边查看资料,斟测短信 ...… 查看全部问答> |
|
客户提出电池状态反应太慢(指充电器插拔“控制面板->电源”下的状态变化): 插入充电器显示为“正在充电”,拔出充电器显示为“主电池”,充电完成显示“外部”。 因为上层是调用驱动的BatteryPDDGetStatus函数去获得状态结构体,所以这部分驱 ...… 查看全部问答> |
|
2410能通过dma把数据从dreq存储到usb host吗? 我菜鸟,2410通过dma从外部芯片fifo中取得数据 因为是裸奔,没操作系统,所以网卡估计用不上了,原还打算通过网卡传输出去的。。。 我想能不能插个u盘,然后arm控制dma将数据从外部芯片fifo传输到u盘里?或者sdram随便某个地方? 谢谢啊qq;6425 ...… 查看全部问答> |
|
--将1khz的标准信号std_clk分成周期为2秒的占空比为50%的CE输出LIBRARY IEEE;USE IEEE.STD_LOGIC_1164.ALL;ENTITY freq_division_1 IS PORT(std_clk,reset:IN STD_LOGIC; &nb ...… 查看全部问答> |
|
有大牛总结示波器探头注意事项,, 经常会遇到一些朋友和我抱怨示波器的探头怎么这么爱坏啊?有没有什么结实一点的,好一点的探头啊?不是道大家是否也又遇到平时探头经常损坏的问题?其实,探头本身是属于耗材的,一般探头的损坏来源于两个地方: ...… 查看全部问答> |




