历史上的今天
今天是:2024年12月29日(星期日)
2021年12月29日 | 设计低静态电流 (Iq) 汽车电池反向保护系统的 3 种方法
2021-12-29 来源:elecfans
车辆中电子电路数量不断增加,使得需要消耗的电池电量也随之大幅增长。为了支持遥控免钥进入和安全等功能,即使在汽车停车或熄火时,电池也要持续供电。
由于所有车辆都使用有限的电池供电,因此必须找到一种方法,一方面能增加更多功能(尤其是在设计汽车前端电源系统时),同时又不会显著增加耗电量。是否需要符合严格的电磁兼容性 (EMC) 标准(例如,国际标准化组织的 ISO7637 和德国汽车制造商制定的LV 124标准),直接影响前端电池反向保护系统的整体设计。一些原始设备制造商将车辆处于停车状态时的总电流消耗规定为:在 12V 电池供电系统中每个电子控制单元 (ECU) 低于100µA,在 24V 电池供电系统中低于500µA。
在本文中,我将介绍设计低静态电流 (IQ) 汽车电池反向保护系统的三种方法。
使用 T15 作为点火或唤醒信号
设计低 IQ 电池反向保护系统的第一种方法是使用T15 作为点火或唤醒信号。T15 是一个接线端子,当车辆点火开关关闭时,它会与电池断开连接。使用 T15 作为外部唤醒信号是一种在睡眠或活动模式下运行 ECU 的传统方法。图 1 为一个示例。

图 1:使用 T15 作为唤醒信号的汽车 ECU 中的电池反向保护
当点火开关打开时,T15 会连接到电池电压 (VBATT) 电位,从而使理想二极管的使能引脚处于逻辑高电平。处于有源模式下的理想二极管控制器,在启用电荷泵、控制和场效应晶体管 (FET) 驱动器电路的同时,主动控制外部 FET 以实现理想二极管运行。当车辆停车时,T15 降至 0V,理想二极管控制器利用关断状态做出响应,这会导致电荷泵和控制块关闭,从而使 IQ 消耗低于3µA。在这种工作模式下,外部 FET 关闭,FET 的体二极管形成正向传导路径,为负载供电。该方案需要额外向 ECU 接线。
使用系统的 MCU 和 CAN 唤醒信号
第二种方法是使用系统的微控制器 (MCU) 和控制器局域网 (CAN) 唤醒。在很多情况下,系统的通信通道使低 IQ 关断模式成为可能。图 2 为使用这种方法的示例系统设计。

图 2:使用 MCU 和 CAN 唤醒信号实现使能控制的低 IQ 电池反向保护
车辆中的 CAN 收发器将消息从通信总线转换到各自的控制器(通常是 MCU)。收发器可以通过发出进入待机模式直到被唤醒的命令,来指示何时不需要相关功能。此时中继消息指示控制器会传递将系统置于低功耗状态的指令,其实现方式是使理想二极管控制器的使能信号处于逻辑低电平。借助更先进的收发器和系统基础芯片,一个器件可以处理此过程的多种功能,并过渡到低功耗状态或进行唤醒。
该方案需要来自 MCU 的内部控制信号(通过 CAN 控制)。
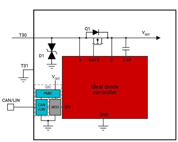
使用常开理想二极管控制器
第三种方法是使用常开理想二极管控制器。大家可以想象一下这个不需要控制信号即可进入低功耗状态的系统设计。在这种设计中,无需额外进行接线也无需依赖系统软件,即可使理想二极管控制器始终处于启用状态,即使在睡眠模式下也是如此。这种类型的系统设计可以使用低 IQ 理想二极管控制器来实现,例如 LM74720-Q1、LM74721-Q1 或 LM74722-Q1,如图 3 所示。这些器件集成了所有必要的控制块,用于符合 EMC 标准的电池反向保护设计,并集成了用于驱动高侧外部 MOSFET 的升压稳压器,从而使正常运行期间的 IQ 为27µA。

图 3:使用不带外部使能控制的常开低 IQ 理想二极管控制器实现电池反向保护
这些理想二极管控制器支持具有有源整流的电池反向保护,以及采用背对背 FET 拓扑的负载断开 FET 控制,以在系统故障(例如过压事件)期间保护下游,如图 4 所示。

图 4:使用 LM74720-Q1 的 24V 汽车 ECU 中的电池反向保护
借助可调节过压保护功能,您可以使用 50V 额定下游滤波电容器(而非 80V 至 100V 额定电容器)和 40V 额定直流/直流转换器(而非 65V 额定转换器)进行基于 24V 汽车电池输入的系统设计。
LM74720-Q1 和 LM74721-Q1 提供0.45µs反向电流的快速响应比较器和1.9µs正向电流的快速响应比较器,以及强大的 30mA 升压稳压器,以在高达 100kHz 频率的汽车交流叠加测试中支持和实现灵活而高效的有源整流。LM74722-Q1 的整流速度比 LM74720-Q1 和 LM74721-Q1 器件快两倍,正向比较器响应电流为 0.8µs,可实现高达 200KHz 的有源整流频率。LM74721-Q1 具有集成漏源电压 (VDS) 钳位,可实现无瞬态电压抑制器 (TVS) 的电池反向保护设计,从而使系统解决方案更加紧凑。
结语
借助 LM74720-Q1、LM74721-Q1 和 LM74722-Q1 低 IQ 常开理想二极管控制器,您能够设计汽车电池反向保护系统,而无需外部使能控制。这些理想二极管控制器具有低 IQ、背对背 FET 驱动能力和过压保护特性,因此在设计中可以使用具有较低额定电压的电容器等下游组件,并且可以为空间受限的 ECU 减小印刷电路板的尺寸。
史海拾趣
|
要求:按下开关灯亮,断开开关灯灭。 我用switch语句,按下开关灯亮了,可断开开关灯就是不灭,我改了n次了它还是不灭,我已经拿它没办法了,求哥哥们给个C语言的程序,谢谢! 比如:按k1,led1亮;按k2,led2与led3亮;按 ...… 查看全部问答> |
|
I2C_IOControl 传一个数组出来,老不成功,郁闷死了 BOOL I2C_IOControl( DWORD context, DWORD code, BYTE *pInBuffer, DWORD inSize, BYTE *pOutBuffer, DWORD outSize, DWORD *pOutSize ) 里面定义了一个BYTE *str;然后给他空间,也 ...… 查看全部问答> |
|
有没有哪位高人用过OK2440开发板?小弟我刚开始学习,遇到很奇怪的问题,就是使用DNW的USB下载内核文件nk.bin或者nk.nb0时,一直提示checksum error!MEM:1502 DN:200 Invalid BIN file signature!24,d0,24,6c,af,d0,24 &nbs ...… 查看全部问答> |
|
CE5下怎么基于现有BSP复制出一个新的BSP(名称不同),并且能够在新BSP上建立新的CE工程,要些改什么地方? CE5下怎么基于现有BSP复制出一个新的BSP(名称不同),并且能够在新BSP上建立新的CE工程,要些改什么地方?… 查看全部问答> |
|
访问允许异常(section permission fault) Hi,Dear all, 我在使用Hms30c7202过程中遇到一个难题,我使用的内核是2.6.13.4,大多数能够正常启动运行,个别出现不能启动情况。打印DEBUG信息,非正常设备启动失败,打印: Kernel panic - not syncing: No init found. Try passi ...… 查看全部问答> |
|
从网上找了个sqlite3.exe,就这一个文件, 直接双击,就是sqlite> 在网上查了一下,建库有好多的方法,什么$,sqlite3 xxx.db等, 执行就报sql error。 直接create table .....OK。 insert .......OK。 .exit以后再打开sqlite3.exe时,刚才建 ...… 查看全部问答> |
|
我在PB4.2下定制WINCE,build时出现1个错误,系统提示参考WINCE420目录下的build.err文件,文件的内容如下: Starting sysgen phase for project ( common ) Found localized resources for Languages ( 0404 0407 040C 0410 0411 0412 0413 041 ...… 查看全部问答> |




