历史上的今天
今天是:2024年12月31日(星期二)
2021年12月31日 | 记一次ST-LINK维修及刷固件过程
2021-12-31 来源:eefocus
以前网上买了一个ST-LINK烧写器,用了一段时间突然烧不了程序了。就扔那没管,今天无意中翻了出来打算拆开看看里面都有什么东西,结果拆开后发现只有一个STM32F103C8T6单片机,其他的基本没有什么东西了。

直接将USB口这个塑料用螺丝刀撬开,就可以直接将外壳抽出来了。
正面

背面

背面沾了一块双面泡沫胶带。
这个ST-LINK插上电脑后,电脑识别不了,重新安装驱动也不行,怀疑是单片机里面的程序损坏了。于是想着先重新烧写一下程序试试。上面的四个孔用万用表量了之后,分别是3.3V、SWCLK、GND、SWIO,是程序烧写口。手头有 J-LINK烧写器,刚好可以给这个片子重新刷一下程序。由于上面的四个孔间距太小,不方便烧写,于是用线引出来,焊接上排针。

直接用J-link烧写器连接上焊接的插针

由于这几个口的顺序和J-LINK烧写口的顺序不一样,于是中间加了四根杜邦线,将端口一一对应上。然后随便找了一个程序下载,发现程序下载不进去,于是尝试直接擦除芯片,也擦除不掉。看来芯片是被保护了,看来只能换单片机了。于是将上面的STM32F103C8T6单片机拆下了,重新换一个新的上去。具体过程就不说了。
换上新片子后,用J-LINK下载程序,程序可以正常下载。下面只要找一个 ST-LINK的固件烧进去,应该就好了。于是在网上搜索ST-LINK的固件。终于找了一个可以用的。ST-LINK固件下载地址 https://download.csdn.net/download/lifuzi/12089184?utm_source=iteye
下载好之后使用J-LINK烧写器给ST-LINK下载固件。

固件下载成功后,将ST-LINK插到电脑USB口上,然后安装ST-LINK的驱动。

电脑是64位系统,直接双击第一个文件安装,驱动安装完成后,可以在电脑设备管理器中看到ST-LINk了

看来固件刷成功了。
下面打开ST-LINK的升级软件,给固件升一下级。

点击Connect按钮,连接ST-LINK。

我这个已经升过级了,可以看到现在的版本是V2.J35.S7,比底下提示的版本高。所以这里就不升级了,如果需要升级直接点YSE按钮就行了。
固件升级成功后,打开keil工程看看能不能给STM32的片子下载程序。

如果 ST-LINK的版本过低,打开keil,选择下载器为ST-LINK的时候,keil也会提示给 ST-LINK升级,所以上面的升级步骤也可以不用做。
下来下载程序

程序下载成功,单片机上的LED灯正常闪烁。

下来在试试给STM8单片机下载程序。

LED灯正常闪烁,程序下载成功。

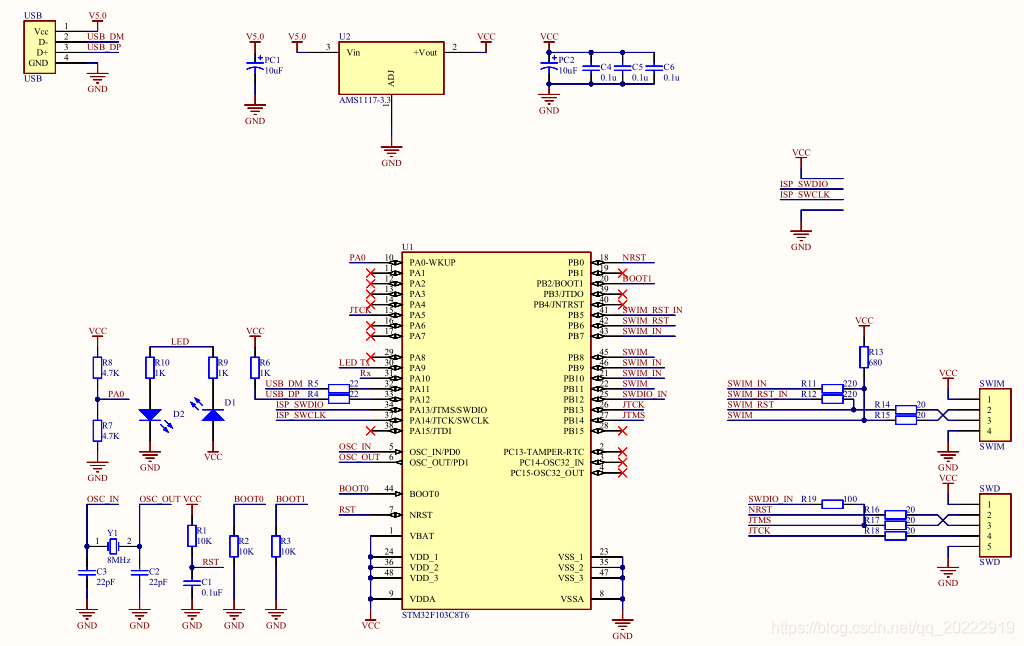
此时 ST-LINK已经可以正常使用了。最后附上ST-LINK的原理图,以后就可以自己做烧写器了。
史海拾趣
|
转载:ouravr 在2007年全国电子设计大赛的F题中,我们考虑到直流电机负载情况,认为所选电机在设计的工作模式下不会产生大于3安的电流,因此,放弃MOS管搭建H桥的常见方法,转而使用298直接驱动电机。我们采用了Ouravr邮购部购买的伺服电机,并对编 ...… 查看全部问答> |
|
目录: 第一篇 模拟电路 实验一 常用电子仪器的使用 实验二 单级低频放大器的设计、安装与调试 实验三 集成运算放大器及其应用 实验四 OTL低频功率放大器 实验五 音频功率放大器的设计、安装与调试 实验六 集成稳压电源 实验七 LC振荡器 ...… 查看全部问答> |
|
电阻是有功率限制的,假若一个50R的电阻是1/8W,那么加在他两端的电压最大不能超过2.5V,此时流过的电流为0.05A,即50mA。那么一个电路要求的输入电阻必须是50R,输入电压却超过了2.5V。而你只能选1/8W电阻,那么可以像下面这样办! ...… 查看全部问答> |
|
mini2440 ov9650 wince6.0 应用程序 采集图像花屏!!~~~~求高手解答 int rc = 0; HANDLE hCam = CreateFile (TEXT(\"CIS1:\"), GENERIC_WRITE | GENERIC_READ, 0, NULL, OPEN_EXISTING, 0, NULL); //打开设备句柄 if (hCam == IN ...… 查看全部问答> |
|
谁知道嵌入式精简TCP/IP协议有多大要用多大的flash/ram来存储,是不是单片机上有这个协议就可以实现网络通信了啊? 如果不行还需要什么啊?… 查看全部问答> |
|
本帖最后由 jameswangsynnex 于 2015-3-3 20:04 编辑 当今绚丽多彩的家电市场,产品最受关注的卖点莫过于“智能”、“人性化”、“全自动”等。从用户的角度来看,能配上如此美名的产品,应该是用户只需按触一个“START”开关,不论具体应用的对象 ...… 查看全部问答> |
|
芯片MSP430F47197 SD16_A进行7路采样,32768晶振,OSR256,采样频率fs=32768*32/256=4096/s 采样的交流电压频率为50HZ,我的理解是每秒可采集4096个数据,而交流电每秒有50个周期, 理论上我每个周期的交流电可采集到4096/50=82个数据左右。 &n ...… 查看全部问答> |




