历史上的今天
今天是:2026年03月03日(星期二)
2023年03月03日 | STM32G0技术详解 _ USB Type-C的物理接口
2023-03-03 来源:jdzj
USB的再次演变
USB从最早的数据传输到它能够提供5V 500mA的电流能力,现在新的一次演变从数据接口演变为利用数据接口提供电源的主要设备。
USB Type-C有几个突出的特点:
1、 支持正反插,提高了系统的灵活性;
2、 提供更多电力,USB Power Delivery最多可提供100W。也就是5V 20A的提供能力;
3、 支持更多协议,比如DP接口、HDMI接口、VGA等等;
4、 速度更快,USB 3.1的速度可以达到10 Gbps。
USB Type-C和USB Power Delivery
计算机可以完全用一个端口来掌握所有的功能

USB Type-C提高了用户体验并且有助于保护环境,提供了新型、令人兴奋的主机和器件外形,其尺寸、工业设计和样式都是重要因素,与现有的USB主机和器件硅解决方案无缝对接,提高了连接USB器件的简易性,侧重于最大限度地减少用户对插头和线缆方向的困惑。

物理接口介绍
引脚功能

Type-C配置处理
Type-C插座、插头和线,在连接的时候,它包含一系列的配置处理过程,它的主要目的是检测是一个DFP连接还是一个UFP连接和管理VBUS。
配置过程:
SRC to SINK插入或者拔出检测;
插入的正反方向检测;
初始化电源(SRC-SINK)和建立数据关系。
USB-C线上下拉电阻

USB-C ADAPTER上下拉电阻

供电端通过Rp的阻值来告诉sink端自己的默认供电电流:


Type-C信号介绍

USB Type-C口的角色定义
数据角色:DFP,是下行接口,相当于以前的主机端;
UFP,是上行接口,相当于以前的device;
电源角色:SOURCE,是纯供电方,会给sink进行供电;
SINK,是纯耗电方;
DRP,是双重角色的可供电设备,既可以是SOURCE,也可以是SINK。
数据角色和电源角色之间是交叉的,可以通过USB PD动态切换角色。
SOURCE到SINK连接



SINK
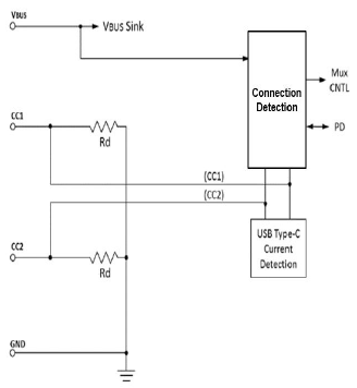
SINK必须有两个下拉电阻(Rd)分别连接到两条CC脚上;
SINK通过检查到VBUS来确定一个SOURCE的连接;
SINK通过CC脚上的上拉电阻来建立和检查一个正确的高速USB数据路径(正反向);
如果SINK支持PD和/或者VDM,需要CC通讯。

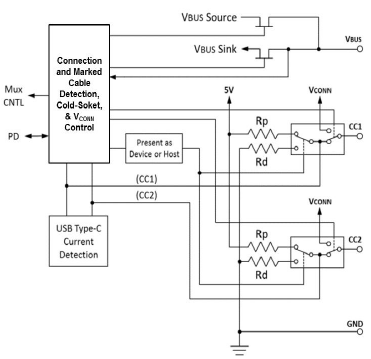
SOURCE
SOURCE必须有两个上拉电阻(Rp)分别连接到两条CC脚上,并且同时监测SINK;
SOURCE源在CC1和CC2上提供上拉电阻,并监控两者以检测SINK。在任何一个引脚上存在一个下拉电阻(Rd)表明正在连接一个SINK。Rp的值表示主机支持的初始USB Type-C当前级别;
SOURCE用CC pin下拉特性来检测和建立高速USB数据路径的正确路由,并确定哪个CC pin用于提供VCONN;
一旦检测到SINK,SOURCE将启用VBUS和VCONN;
SOURCE可以动态的调节Rp的值,来告诉SINK可以改变USB Type-C电流;
SOURCE应该实时监控Rd,一旦SINK断开,应该立刻断开已供电源;
如果SOURCE支持PD和/或者VDM,需要CC通讯。

DRP
在VBUS中启用/禁用电源,最初在DFP模式中禁用VBUS;
在建立一个特定的稳定状态之前,DRP在将自身暴露为DFP和UFP之间交替进行;
当DRP作为一个DFP呈现时,它遵循DFP的操作来检测一个附加的UFP,如果检测到UFP,它将应用VBUS,VCONN,并继续作为DFP进行操作;
当DRP作为UFP呈现时,它会监视VBUS以检测它是否与DFP相连,如果检测到DFP,它将继续作为UFP运行。

USB Type-C Cable


USB Type-C CC连接
在功能上,配置通道(CC)用于以下目的:
1、 检测USB端口的连接/分离,例如DFP到UFP,配置VBUS;
2、 解析电缆方向和twist来建立USB数据总线路由;
3、 建立两个连接端口之间的DFP和UFP角色;
4、 USB电源传输通信。

CC1、CC2、CC
这些引脚用于检测连接,并配置USB Type-C电缆和连接器的接口,一旦建立连接,将重新分配CC1或CC2,以通过插头的VCONN引脚提供电源,作用主要有以下几个方面:
1、 检测USB口的插入;
2、 决定电缆的方向和扭曲连接,以建立USB数据总线路由;
3、 在两个连接的口,建立数据的角色;
4、 检测和配置VBUS:VBUS Type-C电流模式或者USB PD;
5、 配置VCONN;
6、 发现和配置可选的备用和附件模式。
附属模式
Type-C接口可以实现两类附属模式
音频模式:通过检测到CC1和CC2上都有Ra时来进入音频模式;
调试模式:通过监测到CC1和CC2上都有不同的Rp和Rd阻值来决定进入不同的调试模式DTS或者TS。
信号定义
Type-C采用BMC编码形式
传输速度为300kbps±10%

数据到CC传输(发送)

CC传输到数据

常用的功能序列
我们通过不同编码组合定义,从而实现数据传输和特殊功能,下面是常用的特殊功能:
复位线缆

接口和线缆复位

数据包开始标识



史海拾趣
|
flash API error #11: the device silion revision ID does not match that required by the flash API 请问这个错误怎么改… 查看全部问答> |
|
看Windows驱动开发技术详解,P358页创建设备接口时 //创建设备接口 status = IoRegisterDeviceInterface(PhysicalDeviceObject, &MY_WDM_DEVICE, NULL, &pdx->interfaceName); ...… 查看全部问答> |
|
这个是网上一个大侠写的W83977驱动程序。我不明白其中一些为什么那样也,看手册头都看晕了都没办法。 //KBD port-------------------------------------------- w977_select_device(W977_DEVICE_KBC, efbase[1]); //select logic device w977_wr ...… 查看全部问答> |
|
ARM7中的中断返回地址和3级流水线问题: (1) ARM流水线 由ARM7-TDMI-S技术参考手册P2可知,ARM的流水线结构为: ...… 查看全部问答> |




